文档中心
/
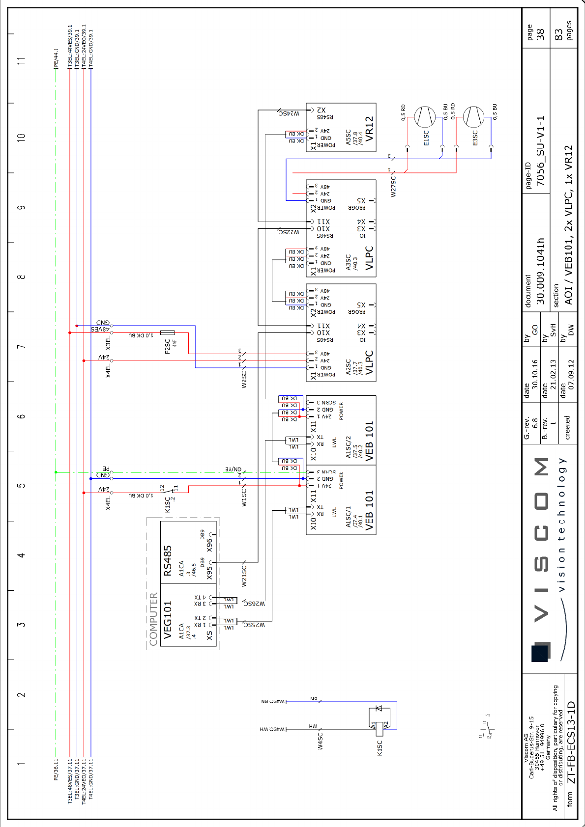
Circuit diagram_104072.pdf
Circuit diagram_104072.pdf - 第39页
在线预览 Circuit diagram_104072.pdf PDF 文档。
目录
100%
显示:宽度
宽度
1 / 83
回到旧版
旧版
?
该页面需要启用 JavaScript 才能进行交互式预览。