NXTIII electrical.pdf - 第134页
qeF7iZic qeF7iZic Downloaded at 2015/06/09 15:27:54 GMT+8 by 3NED4114 DL#qeF7iZic Downloaded at 2015/06/09 15:27:54 GMT+8 DL#qeF7iZic

qeF7iZic
qeF7iZic
Downloaded at 2015/06/09 15:27:54 GMT+8 by 3NED4114 DL#qeF7iZic
Downloaded at 2015/06/09 15:27:54 GMT+8 DL#qeF7iZic

qeF7iZic
qeF7iZic
Downloaded at 2015/06/09 15:27:54 GMT+8 by 3NED4114 DL#qeF7iZic
Downloaded at 2015/06/09 15:27:54 GMT+8 DL#qeF7iZic

4M BASE HARNESS LIST
品名
NAME
品目
ITEM
用途
USE
品名
NAME
品目
ITEM
用途
USE
ハーネス
HARNESS
2EGTBB0140**
ノイズフィルタ M1NF1 - サーキットブレーカBKT CP1CN1
NOISE FILTER M1NF1 - CIRCUIT BREAKER BKT CP1CN1
ASSY
2AGTBB0010**
モジュール中継~ベース間接続ハーネス
MODULE - BASE CONNECTION HARNESS
ハーネス
HARNESS
2EGTBB0014**
メインブレーカ M1NFB1 - ノイズフィルター M1NF1
MAIN BREAKER M1NFB1 - NOISE FILTER M1NF1
ハーネス
HARNESS
2EGTBB0062**
モジュール中継 CN3 - HUB CH1
MODULE JUNCTION CN3 - HUB CH1
ハーネス
HARNESS
2EGTBB0138**
メインスイッチ M1SW1 - メインブレーカ M1NFB1
MAIN SWITCH M1SW1 - MAIN BREAKER M1NFB1
ハーネス
HARNESS
2EGTBB0063**
モジュール中継 CN3 - HUB CH2
MODULE JUNCTION CN3 - HUB CH2
ハーネス
HARNESS
2EGTBB0027**
ノイズフィルタ M1NF1 - アースBKT
NOISE FILTRE M1NF1 - EARTH BKT
ハーネス
HARNESS
2EGTBB0064**
モジュール中継 CN3 - HUB CH3
MODULE JUNCTION CN3 - HUB CH3
#001 ~X23
ハーネス
HARNESS
2EGTBB0074**
基板搬送信号I/F 前工程 - 後工程
PANEL TRANSFER I/F PREVIOUS - NEXT
ハーネス
HARNESS
2EGTBB0065**
モジュール中継 CN3 - HUB CH4
MODULE JUNCTION CN3 - HUB CH4
ハーネス
HARNESS
2EGTBB0066**
モジュール1 中継コネクタ CN2
MODULE 1 JUNCTION CN2
#001 X64~
ASSY
2AGTBB0022**
DI/Oハーネス
DI/O HARNESS
ハーネス
HARNESS
2EGTBB0128**
モジュール2 中継コネクタ CN2
MODULE 2 JUNCTION CN2
ハーネス
HARNESS
2EGTBB0057**
CPU基板 DIO1 - ベースI/F基板 CN13
CPU BOARD DIO1 - BASE I/F BOARD CN13
ハーネス
HARNESS
2EGTBB0068**
モジュール3 中継コネクタ CN2
MODULE 3 JUNCTION CN2
ハーネス
HARNESS
2EGTBB0058**
CPU基板 DIO2 - ベースI/F基板 CN14
CPU BOARD DIO2 - BASE I/F BOARD CN14
ハーネス
HARNESS
2EGTBB0129**
モジュール4 中継コネクタ CN2
MODULE 4 JUNCTION CN2
ハーネス
HARNESS
2EGTBB0070**
モジュール1 中継コネクタ CN1 - ベース制御盤 BCBCN2
MODULE 1 JUNCTION CN1 - BASE CONTROL BOX BCBCN2
#001 X64~
ASSY
2AGTBB0023**
ベース内部ハーネス2
BASE INTERNAL HARNESS 2
ハーネス
HARNESS
2EGTBB0071**
モジュール2 中継コネクタ CN1 - ベース制御盤 BCBCN3
MODULE 2 JUNCTION CN1 - BASE CONTROL BOX BCBCN3
ハーネス
HARNESS
2EGTBB0061**
CPU基板 1394 P0 - HUB CH6
CPU BOARD - HUB CH6
ハーネス
HARNESS
2EGTBB0072**
モジュール3 中継コネクタ CN1 - ベース増設制御盤 EBCBCN2
MODULE 3 JUNCTION CN1 - BASE CONTROL BOX 2 EBCBCN2
ハーネス
HARNESS
2EGTBB0080**
短絡コネクタ CN-M1/M2
SHORT CONNECTOR CN-M1/M2
ハーネス
HARNESS
2EGTBB0073**
モジュール4 中継コネクタ CN1 - ベース増設制御盤 EBCBCN3
MODULE 4 JUNCTION CN1 - BASE CONTROL BOX 2 EBCBCN3
#001 X64~
ASSY
2AGTBB0024**
モジュール引込確認SWハーネス
MODULE PULL FORWARD SW HARNESS
ハーネス
HARNESS
2EGTBB0083**
I/F基板中継コネクタ - 1stモジュール引込確認SW
I/F BOARD JUNCTION - 1st MODULE PULL FORWARD SW
ハーネス
HARNESS
2EGTBB0084**
I/F基板中継コネクタ - 2stモジュール引込確認SW
I/F BOARD JUNCTION - 2st MODULE PULL FORWARD SW
ハーネス
HARNESS
2EGTBB0085**
I/F基板中継コネクタ - 3stモジュール引込確認SW
I/F BOARD JUNCTION - 3st MODULE PULL FORWARD SW
ハーネス
HARNESS
2EGTBB0086**
I/F基板中継コネクタ - 4stモジュール引込確認SW
I/F BOARD JUNCTION - 4st MODULE PULL FORWARD SW
ASSY
2AGTBB0009**
CU_NET ハーネス
CU_NET HARNESS
ハーネス
HARNESS
2EGTBB0139**
CPU基板 CU_NET - リモートI/O基板1 CN1-1
CPU BOARD CU_NET - REMOTE I/O BOARD 1 CN1-1
ハーネス
HARNESS
2EGTBB0060**
リモートI/O基板1 CN1-2 - リモートI/O基板2 CN1-1
REMOTE I/O BOARD 1 CN1-2 - REMOTE I/O BOARD 2 CN1-1
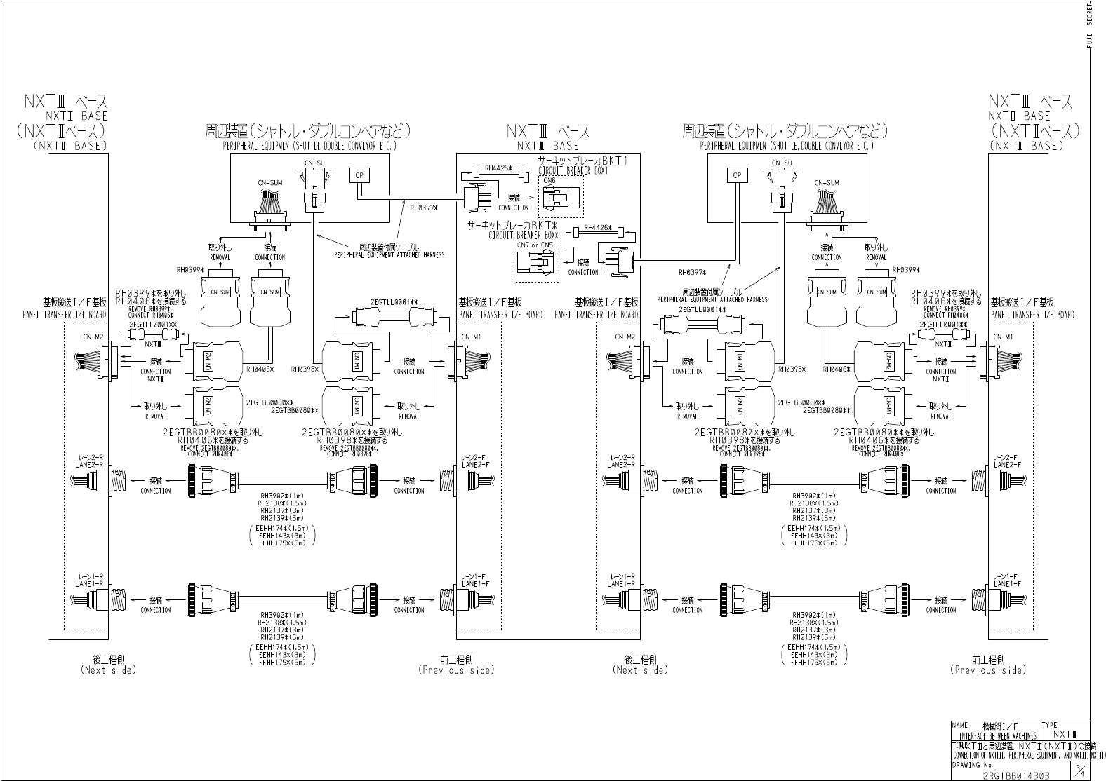
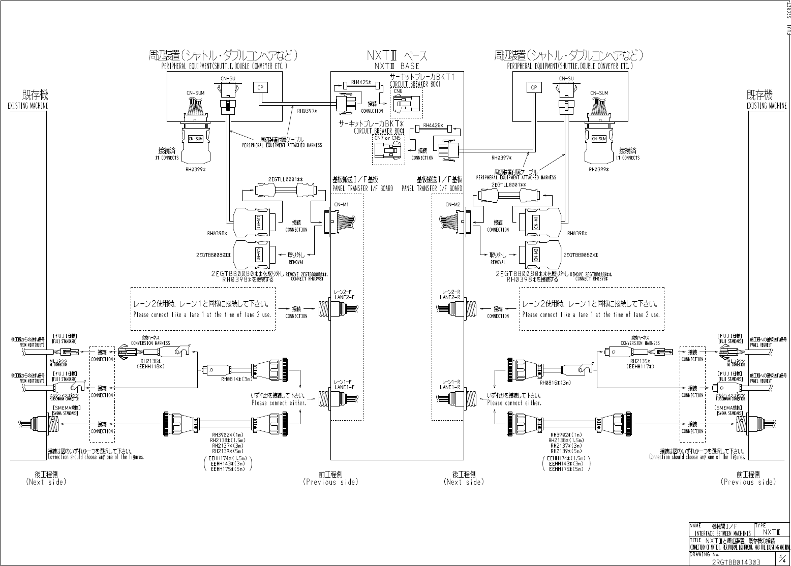
NXTIII
2RGTBB014402 1/4
qeF7iZic
qeF7iZic
Downloaded at 2015/06/09 15:27:54 GMT+8 by 3NED4114 DL#qeF7iZic
Downloaded at 2015/06/09 15:27:54 GMT+8 DL#qeF7iZic