YSC1_cwd_je.pdf
YSC1 YSC1 KLD-1107 (CWD) Contr ol Wiring Diagram

YSC1
YSC1
KLD-1107 (CWD)
Control Wiring Diagram
YSC1
Table of contents
/目次
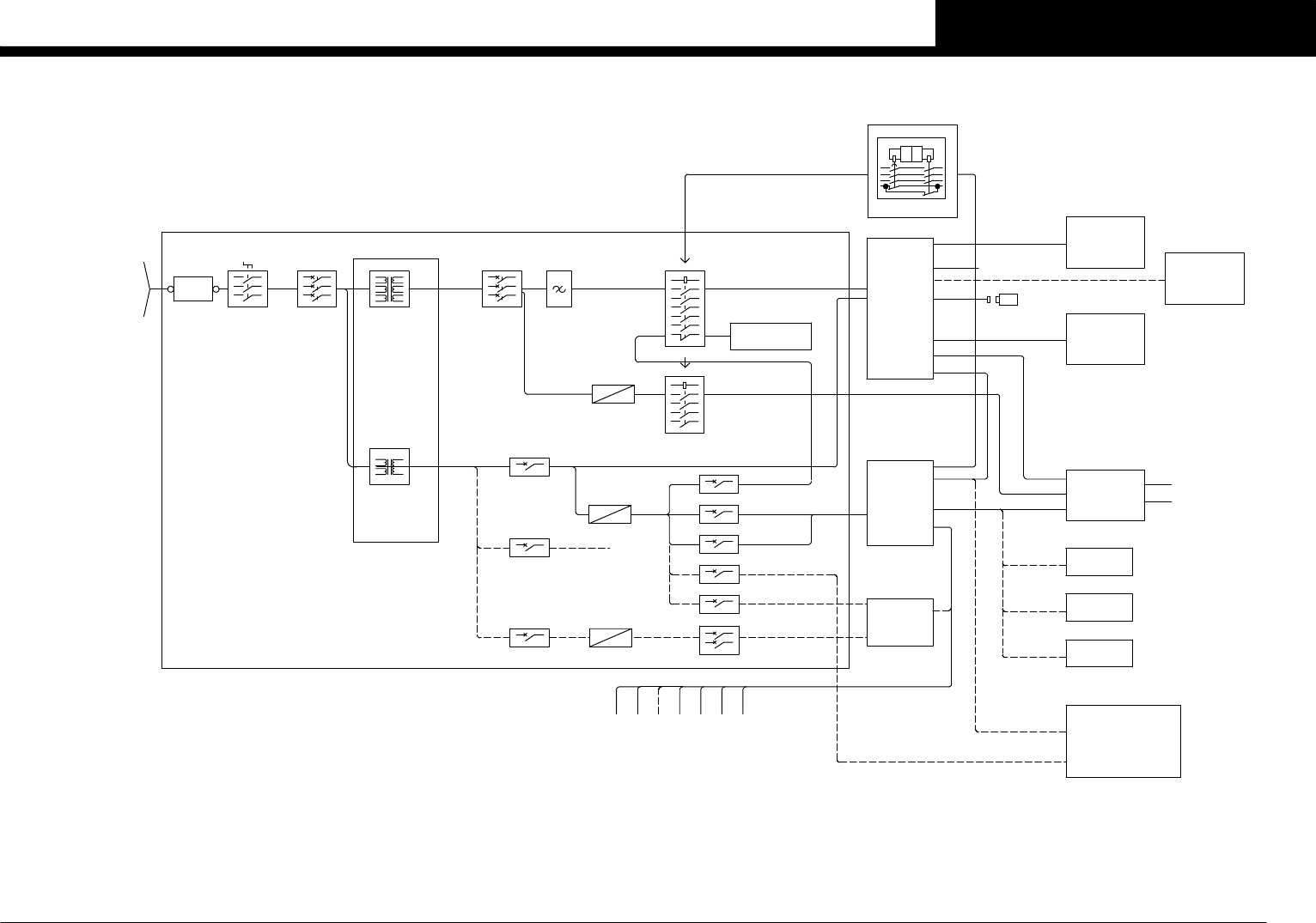
Over view
/
全体接続図
Control box
/
コントローラー接続図
I/O conveyor -1-
/
I/O コンベアー接続図 -1-
I/O conveyor -2-
/
I/O コンベアー接続図 -2-
I/O conveyor -3-
/
I/O コンベアー接続図 -3-
Head
/
ヘッド
Multi Camera unit sel. (Option)
/
マルチカメラユニット接続図 ( オプション )
Operation panel sel.
/
オペレーションパネル接続図
FIX10 feeder structure
/
10 連固定フィーダー接続図
Ionizer assy(Option)
/
イオナイザー ( オプション )
Power transformer
/
電源トランス接続図
Power circuit
/
電源回路図
Emergency circuit
/
非常停止回路図
PLC circuit
/
PLC 回路図
Air circuit
/
エアー回路図
Wiring parts list
/
配線部品表
P. 1
P. 2
P. 3
P. 4
P. 5
P. 6
P. 7
P. 8
P. 9
P.10
P.11
P.12
P.13
P.14
P.15
P.16
Confi dential & Proprietary
Confi dential & Proprietary

Confidential & Proprietary
PAGE
COMU
DC24VDC24V
I/O CONVEYOR
COMU
DC48V
See Page 6
HEAD SENSOR,VALVE
Z,R SERVO MOTOR
INTERCONNECTION DIAGRAM
DC24V
COMU
TRAY CHANGER(OPTION)
See Page 7
CAMERA UNIT SEL.
OPERATION PANEL SEL.
See Page 8
INPUT:
AC50/60Hz 4.0A(MAX)
OUTPUT:
DRIVER
CONTROL BOX
AC50/60Hz 20A(MAX)
Each Motors
USB MEMORY
3∼ 50/60Hz
200/208/220/240
380/400/416V
Protector
Circuit
BARCODE READER
IT OPTION
(OPTION)
Transformer
TERMIANL
POWER TRANSFORMER
Main Switch
QS11 25A
XB11
Terminal
Main Breaker
CH2 CH1 K1K2
KM10
Safety Relay
EMERGENCY CIRCUIT
AC220V
Filter
Noise
NF11
AC220V
DC24V
AC220V
Contactor
AC220V
See Page 3-5
Transformer
CONTROL:1∼ 100V
MOTOR:3∼ 220V
3∼ 200V 0-375Hz
QF31 5A
KM11/KM11A
EMG S/W
COVER S/W
SENSOR
SIGNAL TOWER
VALVE
FRONT PANEL
See Page 2
TM11 1.7KVA
HEAD
3∼ 3∼ 3∼ AC220V 3∼ 3∼
1∼1∼
QF11 20A
3∼ 3∼
P041
P025
See Page 13
See Page 12
See Page 5
CONVEYOR DRIVER
REAR PANEL(OPTION)
See Page 9
FIX16
FEEDER (OPTION)
ANC UNIT (OPTION)
See Page 5
IONIZER ASSY (OPTION)
See Page 10
1:2.01KW(TOTAL)
2:0.26KW(TOTAL)
ATS15
See ATS15
AC100V
QF21 7A
QF22 1A
1Φ AC100VAC100V
1∼ AC100V
LCD1
POWER CIRCUIT
See Page 12
Power Supply
DC24V
QF25 4A
QF23 12A
QF26 4A
QF24 10A
GS21 600W 27A
DC24V
DC24V
Power Supply
DC48V
Peak 15.5A 10sec
GS31 600W 7A
DC48V
Contactor
1∼ AC220V
KM12
COMU
A1
See Page 2
DC48V
COMU
1Φ AC100VAC100V
Power Supply
DC24V
GS22 300W 14AQF51 5A
QF52 2A
See Page 14
DC24V
DC24VB
QF53 3A
Rating 3.0KVA MAX.
TC11 1.0KVA
PLC UNIT (OPTION)
KLD-000-CC.V0
1
OVER VIEW
YSC1