JM-20-Rev06.pdf - 第132页
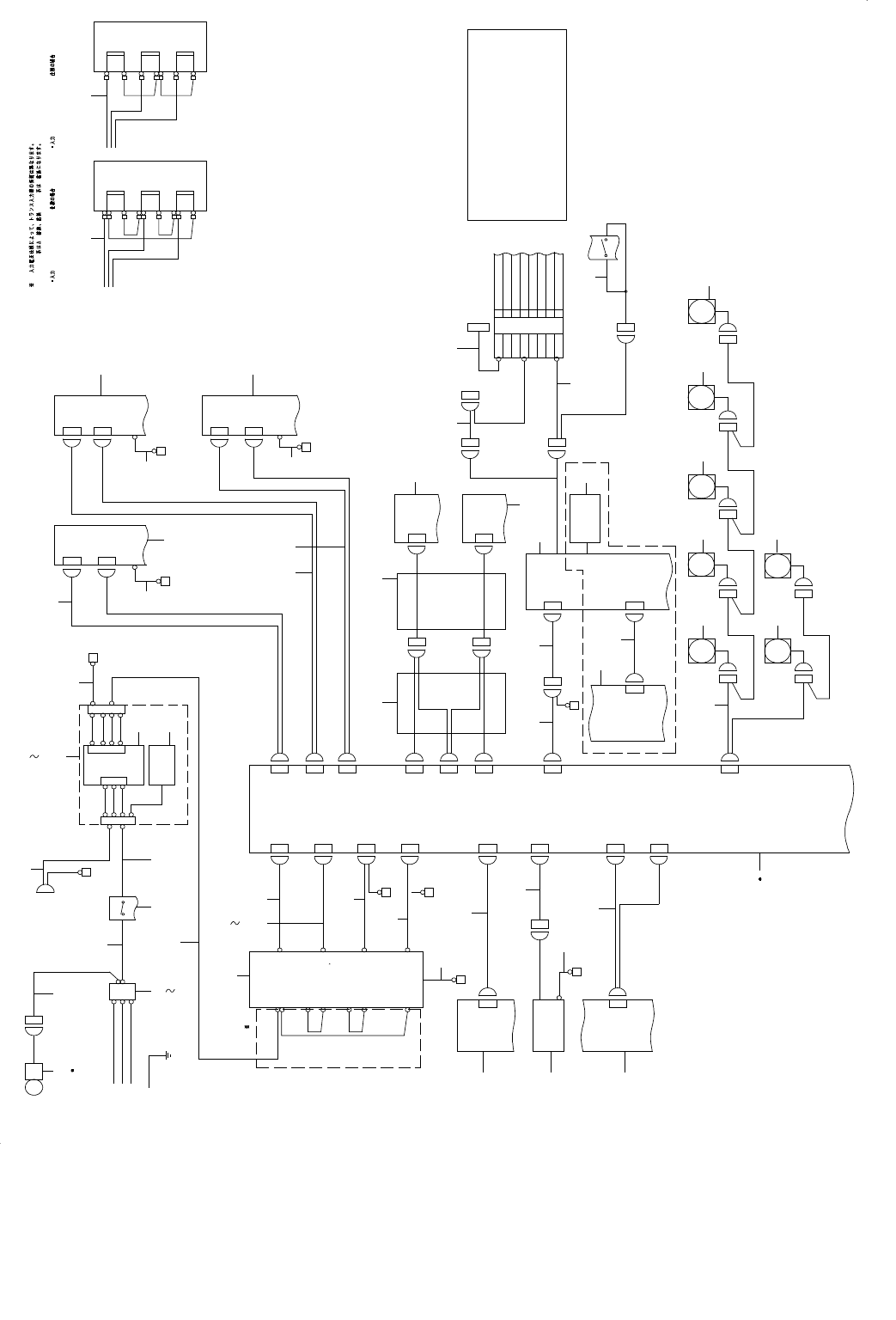
- 127 - 64. SYSTEM DIAGRAM(1) SYSTEM DIAGRA M(1) 1-4 C 6-4B 1-1A 1-4C 2-4B 2-5B CN013 CN037 CN014 CNP1 CN37 ZTP 02 ZTB SERVO AMP(1/3) MR-MD200-KW013 ZT ACNP 1 ZTA SERVO AMP(1/3) MR-MD200-KW013 CN14 XY BEAR CABLE (1/3) ZT…

- 126 -
REF.NO NOTE PART NO D E S C R I P T I O N
品 名
Qty
1 401-76228 JM20_LEAD_CORRECT_JIG_BASE_ASSY
JM20_リード矯正冶具ベース組(メカ)
1
2 401-66650 JIG_FIX_BASE
矯正治具固定ベース
(1)
3 SL-6041692-TN SCREW
座金付き六角穴ボルト M4 L=16
(2)
4 401-65098 LEAD_CORRECT_JIG_ATTACH_BLOCK
リード矯正冶具取付ベース
(1)
5 SL-6031692-TN SCREW
座金付き六角穴ボルト
(2)
6 401-56189 LOCATE_PIN_B
位置決めピンB
(1)
7 401-56188 LOCATE_PIN_A
位置決めピンA
(1)
8 SM-8020302-TP SCREW M2X0.4 L=3
止めねじ M2X0.4 L=3
(2)
9 401-76201 LEAD_CORRECT_JIG_001_ASSY
リード矯正冶具_001組_LP2.5 φ0.5
1
10 401-76202 LEAD_CORRECT_JIG_002_ASSY
リード矯正冶具_002組_LP3.5 φ0.5
1
11 401-76203 LEAD_CORRECT_JIG_003_ASSY
リード矯正冶具_003組_LP5.0 φ0.55
1
12 401-76204 LEAD_CORRECT_JIG_004_ASSY
リード矯正冶具_004組_LP5.0 φ0.8
1
13 401-76205 LEAD_CORRECT_JIG_005_ASSY
リード矯正冶具_005組_LP7.5 φ0.6
1
14 401-76206 LEAD_CORRECT_JIG_006_ASSY
リード矯正冶具_006組_LP7.5 φ0.8
1
15 401-76207 LEAD_CORRECT_JIG_007_ASSY
リード矯正冶具_007組_LP10.0 φ0.6
1
16 401-76208 LEAD_CORRECT_JIG_008_ASSY
リード矯正冶具_008組_LP10.0 φ0.8
1
17 401-76209 EXTENED_LEAD_CORRECT_JIG_001_T15
リード拡大矯正治具_001_t15_LP2.5 φ0.5
(1)
18 401-76211 EXTENED_LEAD_CORRECT_JIG_002_T15
リード拡大矯正治具_002_t15_LP3.5 φ0.5
(1)
19 401-76213 EXTENED_LEAD_CORRECT_JIG_003_T15
リード拡大矯正治具_003_t15_LP5.0 φ0.55
(1)
20 401-76215 EXTENED_LEAD_CORRECT_JIG_004_T15
リード拡大矯正治具_004_t15_LP5.0 φ0.8
(1)
21 401-76217 EXTENED_LEAD_CORRECT_JIG_005_T15
リード拡大矯正治具_005_t15_LP7.5 φ0.6
(1)
22 401-76219 EXTENED_LEAD_CORRECT_JIG_006_T15
リード拡大矯正治具_006_t15_LP7.5 φ0.8
(1)
23 401-76221 EXTENED_LEAD_CORRECT_JIG_007_T15
リード拡大矯正治具_007_t15_LP10.0 φ0.6
(1)
24 401-76223 EXTENED_LEAD_CORRECT_JIG_008_T15
リード拡大矯正治具_008_t15_LP10.0 φ0.8
(1)
25 401-76210 SHRINK_LEAD_CORRECT_JIG_001_T15
リード縮小矯正治具_001_t15_LP2.5 φ0.5
(1)
26 401-76212 SHRINK_LEAD_CORRECT_JIG_002_T15
リード縮小矯正治具_002_t15_LP3.5 φ0.5
(1)
27 401-76214 SHRINK_LEAD_CORRECT_JIG_003_T15
リード縮小矯正治具_003_t15_LP5.0 φ0.55
(1)
28 401-76216 SHRINK_LEAD_CORRECT_JIG_004_T15
リード縮小矯正治具_004_t15_LP5.0 φ0.8
(1)
29 401-76218 SHRINK_LEAD_CORRECT_JIG_005_T15
リード縮小矯正治具_005_t15_LP7.5 φ0.6
(1)
30 401-76220 SHRINK_LEAD_CORRECT_JIG_006_T15
リード縮小矯正治具_006_t15_LP7.5 φ0.8
(1)
31 401-76222 SHRINK_LEAD_CORRECT_JIG_007_T15
リード縮小矯正治具_007_t15_LP10.0 φ0.6
(1)
32 401-76224 SHRINK_LEAD_CORRECT_JIG_008_T15
リード縮小矯正治具_008_t15_LP10.0 φ0.8
(1)
33 401-65107 LEAD_CORRECT_JIG_CLAMP_PLATE
リード矯正治具クランププレート
(2)
34 SL-6030892-TN SCREW M3 L=8
座金付き六角穴ボルト M3 L=8
(4)

- 127 -
64.SYSTEM DIAGRAM(1)
SYSTEM DIAGRAM(1)
1-4C
6-4B
1-1A
1-4C
2-4B
2-5B
CN013
CN037
CN014
CNP1
CN37
ZTP02
ZTB SERVO
AMP(1/3)
MR-MD200-KW013
ZTACNP1
ZTA SERVO
AMP(1/3)
MR-MD200-KW013
CN14
XY BEAR CABLE
(1/3)
ZTP01
CN13
ZTACNP1
CNP1
CN017CN017
FAN7
[BASE2]
FAN6
FANFAN
FAN2FAN1
FAN
FAN
FAN5FAN4FAN3
[BASE1]
FAN
FAN
FAN
CN064CN064
PUMP
PUMP
R6E
FG
VACUUM PUMP
PWR PUMP
CN31CN531
2-2A
BASE PCB(1/5)
CN068PWR068
CN13
XYD13
O
W
O
V
O
R5E
R4E
TF1
1.
200V Y 400V Y
1
0
0
0
U
W
V
TF1
0
0
0
U
W
V
COM-A
MI FEEDER
4-1C
F16E
F3E
F2E
F1E
R3E
R1E
R2E
IN
IN
5-1A
RS232C BOARD
(2/4)
COM1
SIO1
3-3B
1-2C
CHECK
BATTERY OPTION
RS-232C
IP-X5
POSITION
CPU
IO-20
BATTERY
ATX-POWER(1/3)
8
7
6
5
4
3
2
2-1D
2-3A
1-1C
1
CONTROL UNIT
CPCI BACK BOARD
AC IN
MAIN SW
PS-ON
6-1C
CN251
PWR063CN063
ATX-13
TF1
200V
(6A)
100V
(14A)
CN04A
CN04A
2-4B
2-4A
2-4A
MTS PWR(L)
POWER ON LIGHT
CN001
CN06
CN04B
CN04B
34V
(6
8A)
CN03
CN03
CN01
CN01
CN11
XYD11
YL SERVO
AMP(1/2)
MR-J4-200B-KM012
E
CNP2
CNP1
YR SERVO
AMP(1/2)
MR-J4-200B-KM012
E
CNP2
CNP1
X SER VO
AMP(1/2)
MR-J4-70B-KM012
E
CNP2
CNP1
CN12
XYD12
NFB
200V
(12A)
U
FG
POWER UNIT(1/8)
INPUT
PE
FG
2-1D
MAIN SW
W
V
U
1-4C
CN031 CN031
2-1C
IO-20 PCB(2/6)
CN4 IO-CN4
380V/400V/415V200V/220V/240V
AC08
NF3030C-SVA
AC07
AC06
AC05
AC04
AC03
AC02
AC01
LF1
(5-1C)
CN473ATX-8
1 2
3
4
5 7
10
12
11
13 20
21 22
23
9
25
26 30
31
27 29
32
33 35 38
36
34
37
39
40
41
45
46
42
43
24
8
62 62
44
47
48
49
49
51
50
54
53
52
55
56
57 57
57 57
57
57
57
[CTRL UNIT]
59
58
60
61
9
9
CPU BOARD
COM1:HOD(By way of BASE PCB)
COM2:TOUCH PANEL
RS232C BOARD
COM3(SIO1):ATX BATTERY
COM4(SIO2):2D CodeReader of Head
COM5(SIO3):
COM6(SIO4):UPS of HEAD BACKUP
COM7(SIO5):BarCodeReader of Conveyor surface
COM8(SIO6):2D CodeReader of Conveyor back side
COM9(SIO7):
COM10(SIO8):

- 128 -
NOTE( 注記 ) #01....FOR 200V 200 V 用
#02....FOR 400V 400 V 用
#03....FOR ST ST 用
#04....FOR EN EN 用
REF.NO NOTE PART NO D E S C R I P T I O N
品 名
Qty
1
#01
401-06608 POWER LAMP 200V CABLE ASM
パワーランプ200V束線組
1
2
#02
401-06609 POWER LAMP 400V CABLE ASM
パワーランプ400V束線組
1
3 401-36442 POWER ON LAMP RELAY CABLE ASM
パワーランプ中継ケーブル組
1
4 401-36443 BREAKER OUT CABLE ASM
ブレーカOUTケーブル組
1
5 HA-0063400-00 CIRCUIT PROTECTOR
サーキットプロテクタ
1
6 HA-0063400-0B CIRCUIT PROTECTOR
サーキットプロテクタ
1
7 HA-0063400-10 CIRCUIT PROTECTOR
サーキットプロテクタ
1
8 401-36466 YR DRV FG CABLE
YR DRV FGケーブル
1
9 401-36446 TF INPUT CABLE ASM
TF入力ケーブル組
1
10 401-36340 SWITCH
スイッチ
1
11 401-36445 MTC PWR WIRE L ASM
MTC電源ワイヤーL組
1
12 401-36444 MAIN SW OUTPUT CABLE ASM
メインスイッチ出力ケーブル組
1
13 401-36420 AC INPUT NO.01 CABLE ASM
AC入力 NO.01ケーブル組
1
14 401-36421 AC INPUT NO.02 CABLE ASM
AC入力 NO.02ケーブル組
1
15 401-36423 AC INPUT NO.03 CABLE ASM
AC入力 NO.03ケーブル組
1
16 401-36424 AC INPUT NO.04 CABLE ASM
AC入力 NO.04ケーブル組
1
17 401-36425 AC INPUT NO.05 CABLE ASM
AC入力 NO.05ケーブル組
1
18 401-36427 AC INPUT NO.06 CABLE ASM
AC入力 NO.06ケーブル組
1
19 401-36428 AC INPUT NO.07 CABLE ASM
AC入力 NO.07ケーブル組
1
20 401-36430 AC INPUT NO.08 CABLE ASM
AC入力 NO.08ケーブル組
1
21 HN-0037400-00 NOISE FILTER
ノイズフィルタ
1
22 HC-0566030-P0 CAPACITOR
コンデンサ
1
23 401-36467 INPUT UNIT FG CABLE
入力ユニットFGケーブル
1
24 401-36465 YL DRV FG CABLE
YL DRV FGケーブル
1
25 401-36337 TRANSFORMER
トランス
1
26 401-36448 TF 200V OUTPUT CABLE ASM
TF 200V出力ケーブル組
1
27 401-36449 TF 34V OUTPUT CABLE ASM
TF 34V出力ケーブル組
1
28
#04
401-36461 SAFETY U 34V IN CABLE ASM(EN)
セーフティーU 34V INケーブル組(EN)
1
29
#04
401-36462 SAFETY U 34V OUT CABLE ASM(EN)
セーフティーU 34V OUTケーブル組(EN)
1
30 401-36450 TF 100VA OUTPUT CABLE ASM
TF 100VA出力ケーブル組
1
31 401-36451 TF 200VB OUTPUT CABLE ASM
TF 200VB出力ケーブル組
1
32 401-36468 TF FG CABLE ASM
TF FGケーブル組
1
33 401-36346 BASE PCB ASM
ベース基板組
1
34 401-36455 BASE PWR CABLE ASM
ベース電源ケーブル組
1
35 400-99547 VACUUM_PUMP_ASM
真空ポンプ組
1
36 401-36469 VACUUM PUMP FG CABLE ASM
真空ポンプFGケーブル組
1
37 401-36456 VAC PUMP POWER CABLE ASM
真空ポンプパワーケーブル組
1
38 401-36345 IO-20 PCB ASM
IO−20基板組
1
39 401-36460 POWER MONITOR CABLE ASM
電源モニタケーブル組
1
40
#03
401-37036 POWER_UNIT(ST)
電源ユニット(ST)
1
41
#04
401-37045 POWER_UNIT(EN)
電源ユニット(EN)
1
42 401-36452 X PWR CABLE ASM
X電源ケーブル組
1
43 401-36464 X DRV FG CABLE ASM
X DRV FGケーブル組
1
44 401-29652 X AXIS DRIVER
X軸ドライバ
1
45 401-36453 YL PWR CABLE ASM
YL電源ケーブル組
1
46 401-36454 YR PWR CABLE ASM
YR電源ケーブル組
1
47 401-36479 LZT PWR RELAY CABLE ASM
LZT電源中継ケーブル組
1
48 401-36484 XY BEAR CABLE ASM
XYベアケーブル組
1
49 401-29650 4AXIS INTEGRAL TYPE T AXIS DRIVER
4軸一体T軸ドライバ
1
50 401-36457 ATX PWR CABLE ASM
ATX電源ケーブル組
1
51 400-47894 ATX PWR RLY CABLE ASM
ATX電源中継ケーブル組
1
52 400-48006 ATX PSU
ATX電源
1
53 401-35433 8-PORT COM BOARD
8−PORT COMボード
1
54 400-48030 UPS 232C CABLE ASM
UPS通信ケーブル組
1
55 400-48007 BATTERY UNIT
バッテリユニット
1
56 401-37325 FAN CABLE ASM
ファンケーブル組
1
57 401-33768 DC FAN
DCファン
1
58 401-36458 LIGHT CTRL POWER CABLE ASM
ライトコントロール電源ケーブル組
1
59 401-36470 CPCI CHECK CABLE ASM
CPCIチェックケーブル組
1
60 401-09937 CPCI POWER CABLE ASM
CPCI電源ケーブル組
1
61 401-36459 ATX CTRL CABLE ASM
ATXコントロールケーブル組
1
62 401-29654 Y AXIS DRIVER
Y軸ドライバ
1