文档中心
/
EJP1AEWD1_2.pdf
EJP1AEWD1_2.pdf - 第9页
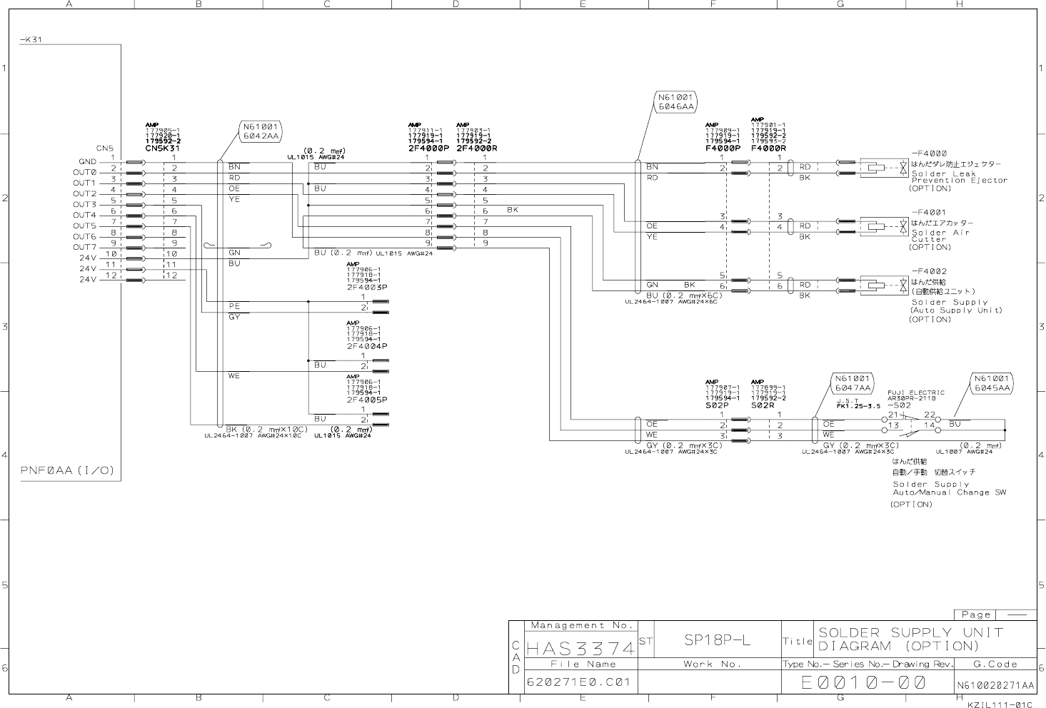
3. 9. SOLDER SUPPLY UNIT DIAGRAM (OPTION) EJP1A- E-W DA0A- A00-00
目录
100%
显示:宽度
宽度
1 / 20
回到旧版
旧版
?
3.
9. SOLDER SUPPLY UNIT
DIAGRAM
(OPTION)
EJP1A-
E-W
DA0A-
A00-00
该页面需要启用 JavaScript 才能进行交互式预览。