RS-1-Rev01PDFA.pdf - 第63页
- 58 - REF.NO NOTE PART NO D E S C R I P T I O N 品 名 Qty 1 401-83553 BU_UNIT BU ユニット 1 2 HX-0029400-00 FIXED BASE 固定ベース (2) 3 401-85225 BU_BASE_RS BU ベース RS (1) 4 SM-4040801 - SC SCREW M4X0.7 L= 8 なべ小ねじ M 4 X 0.7 L =8 (2…

- 57 -
29. PWB CONVEYOR COMPONENTS (9)
基板搬送関係(9)
20
C
44
4
2
45
51
50
49
48
52
47
46
66
36
39
38
37
42
43
40
41
62
64
60
61
34
10
9
6
23
14
13
8
13
7
A
A
59
19
18
29
28
27
31
22
26
27
25
30
25
31
17
35
24
32
11
12
5
33
21
3
57
58
81
B
B
54
53
4
2
15
16
C
65
63
67
67
67
68
68
69
67
71
71
72
73
70
73
72
71
71
74
80
74
77
75
75
74
80
77
74
75
76
75
76
76
76
70
78
78
79
79
69
65
D
D
E
E
1
56
55

- 58 -
REF.NO NOTE PART NO D E S C R I P T I O N
品 名
Qty
1 401-83553 BU_UNIT
BU ユニット
1
2 HX-0029400-00 FIXED BASE
固定ベース
(2)
3 401-85225 BU_BASE_RS
BU ベース RS
(1)
4 SM-4040801-SC SCREW M4X0.7 L=8
なべ小ねじ M 4 X 0.7 L =8
(2)
5 400-71334 BU_TIMING_BELT
BU タイミングベルト
(1)
6 401-83867 ENCORDER UNIT
エンコーダユニット
(1)
7 400-93905 ENCORDER SHAFT
エンコーダシャフト
(1)
8 RC-0100001-KP SNAP RING M10
C 形止め輪 9.3
(1)
9 400-93906 STOPPER DISC
ストッパディスク
(1)
10 SL-6042092-TN SCREW M4 L=20
座金付き六角穴ボルト M 4 L =20
(4)
11 400-93612 ENCORDER PULLEY
エンコーダプーリ
(1)
12 SM-8040602-TP SCREW M4X0.7 L=6
止めねじ
(2)
13 SB-1100005-00 BEARING
ころがり軸受
(2)
14 400-93904 ENCORDER BR
エンコーダブラケット
(1)
15 WS-0820002-KN SPRING WASHER M8
ばね座金 M 8
(4)
16 WP-0841601-SC WASHER M8
平座金みがき丸 M 8
(4)
17 SL-6051292-TN SCREW M5 L=12
座金付き六角穴ボルト M 5 L =12
(4)
18 SB-8160001-00 BEARING
ころがり軸受
(3)
19 SM-6040802-TN SCREW M4X0.7 L=8
六角穴ボルト M 4 X 0.7 L =8
(12)
20 SM-6051402-TN SCREW M5 L=14
六角穴ボルト M 5 L =14
(2)
21 SM-6085002-TN BOLT
六角穴ボルト
(4)
22 SL-6051692-TN SCREW M5 L=16
座金付き六角穴ボルト M 5 L =16
(4)
23 401-83067 BU_MOTOR_BR
BU モータブラケット
(1)
24 401-83554 TORQUE_SUPPORT_RS_ASM
トルクサポー RS 組
(1)
25 SB-1170001-00 BEARING
ころがり軸受
(2)
26 E4156-729-000 NUT (M17X1)
ナット(M 17 X 1)
(1)
27 E4144-729-000 THRUST COLLAR
スラストカラー
(2)
28 401-28428 TORQUE_SUPPORT_J
トルクサポート J
(1)
29 SM-8050402-TP SCREW
止めねじ
(2)
30 L177E-721-000 SPT TBL MOTOR PULLEY
SPT テーブルモータープーリー
(1)
31 E4142-729-000 STOPPER PIN
ストッパーピン
(2)
32 401-83078 BU_TOSION_SPRING
BU トーションスプリング
(1)
33 SL-6041092-TN SCREW M4 L=10
座金付き六角穴ボルト M 4 L =10
(4)
34 SM-6041002-TN SCREW
六角穴ボルト
(18)
35 401-29637 BU AXIS SERVO MOTOR
BU 軸サーボモータ
(1)
36 400-82786 STBL BALL SCREW UNIT
STBL ボールねじユニット
(3)
37 L177E-021-000 HOLDER CUSHION
ホルダークッション
(1)
38 E4124-729-000 SHAFT HOLDER
シャフトホルダー
(1)
39 SL-6041092-TN SCREW M4 L=10
座金付き六角穴ボルト M 4 L =10
(1)
40 L177E-221-000 SPT TBL PULLEY
SPT テーブルプーリー
(1)
41 L176E-821-000 SPT TBL BALL SCREW
SPT テーブルボールスクリュー
(1)
42 L176E-921-000 CLAMP HOLDER
クランプホルダー
(1)
43 SL-6041642-TN SCREW
座金付き六角穴ボルト
(4)
44 401-14270 BU STOPER ASSY L
BU ストッパ組 L
(1)
45 PV-1502090-00 5-PORT SOLENOID VALVE
5ポート電磁弁
(1)
46 400-00970 BU STOPER
BU ストッパ
(1)
47 SM-6051002-TN SCREW
六角穴ボルト
(2)
48 PA-1501011-00 DUAL ROD CYLINDER
デュアルロッドシリンダ
(1)
49 SM-6042002-TN SCREW
六角穴ボルト
(2)
50 400-94746 BU STOPPER BR
バックアップストッパブラケット
(1)
51 PC-0105080-00 SPEED CONTROLLER
スピードコントローラ
(2)
52 400-92574 BU LOCK SENS ASM
BU ロックセンサ組
(1)
53 HX-0029400-00 FIXED BASE
固定ベース
(1)
54 SM-4040801-SC SCREW M4X0.7 L=8
なべ小ねじ M 4 X 0.7 L =8
(1)
55 BT-0400251-EA URETHANE TUBE BLUE 4X2.5
ポリウレタン チューブ 青 4 X 2.5
(2.5)
56 401-83555 SUPPORT_TABLE_ASM
サポートテーブル組
1
57 SM-3061252-TN SCREW M6 L=12
丸ねじ M 6 L =12
(3)
58 WP-0651001-SC WASHER
平座金
(3)
59 401-22963 BU_GUIDE_SHAFT
BU ガイドシャフト
(3)
60 401-47002 BU_SENSOR_DOG
BU センサドグ
(1)
61 SL-6040892-TN SCREW M4 L=8
座金付き六角穴ボルト M 4 L =8
(1)
62 L177E-121-000 BALL SCREW SUPPORT PLATE
ボールスクリューサポートプレート
(3)
63 401-83064 SUPPORT_TABLE
サポートテーブル
(1)
64 SM-1040801-SC SCREW M4X0.7 L=8
皿小ねじ M 4 X 0.7 L =8
(9)
65 401-83063 SIDE_BEAM
サイドビーム
(4)
66 SL-6040892-TN SCREW M4 L=8
座金付き六角穴ボルト M 4 L =8
(9)
67 401-83061 BU_RELEASE_SUPPORT
BU リリースサポート
(4)
68 401-83062 BU_RELEASE_SUPPORT_BS
BU リリースサポート BS
(2)
69 401-83068 SLIDE_SHEET
スライドシート
(4)
70 401-28562 BU_SELECT_CYLINDER_ASM
BU セレクトシリンダ組
(2)
71 PC-0105080-00 SPEED CONTROLLER
スピードコントローラ
(2)
72 401-29048 BU CHANGE CABLE ASM
BU チェンジケーブル組
(1)
73 SM-6031402-TN SCREW M3X0.5 L=14
六角穴ボルト M 3 X 0.5 L =14
(2)
74 401-28510 SLIDE_RAIL
スライドレール
(4)
75 HX-0034400-00 FIXED BASE
束線パーツ
(4)
76 SL-4030691-SC SCREW M3 L=6
座金付きなべ小ねじ M 3 L =6
(4)
77 SL-4850591-SC SCREW M2.5 L=5
座金付きなべ小ねじ M 2.5 L =5
(8)
78 SL-6041092-TN SCREW M4 L=10
座金付き六角穴ボルト M 4 L =10
(8)
79 SM-1040801-SC SCREW M4X0.7 L=8
皿小ねじ M 4 X 0.7 L =8
(8)
80 SM-4860601-SC SCREW M2.6 L=6
なべ小ねじ M 2.6 L =6
(8)
81 SL-6041092-TN SCREW M4 L=10
座金付き六角穴ボルト M 4 L =10
3

- 59 -
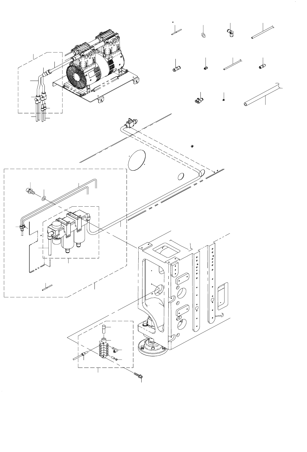
30. AIR COMPONENTS
エアー関係
9
13
11
12
10
23
21
20
19
17
18
6
7
34
4
8
15
16
32
29
31
30
33
1
2
28
3
22
5
24
25
35
14
26 27
36