DECAN_S1_TRM(Ver1.3_CS20.11).pdf - 第33页
Page +$1:+$ 31 DECAN S1 Docking Cart (4/6) - Option NO. P ART NO. P ART NAME Q'TY Old No. Reference 1 J91741071A FEEDE R_INPUT_EXT_BOARD V ER 1.1 1 V ersio n 1.1 2 AM03-015857F ASSY ,BOARD-FEEDER IO VER 2.0 1 3 AM03…

Page
+$1:+$
30
DECAN
S1
Docking Cart (4/6) - Option
3
6
5
10
8
6
3
7
9
4
4
7
CAN CONVEYO
R BOARD
2
1
Front
Front
Rear
Rear

Page
+$1:+$
31
DECAN
S1
Docking Cart (4/6) - Option
NO. PART NO. PART NAME Q'TY Old No. Reference
1 J91741071A FEEDER_INPUT_EXT_BOARD VER 1.1 1 Version 1.1
2 AM03-015857F ASSY,BOARD-FEEDER IO VER 2.0 1
3 AM03-027217A CABLE ASSY-FRONT FEEDER UNLOCK 1
4 FC09-009675A BRACKET-FDL_R_COVER INNER BKT 1
5 FC09-009665A BRACKET-REAR_R_SNS_BKT 1
6 AM03-027219A CABLE ASSY-REAR FEEDER UNLOCK 1
7 FC09-009674A BRACKET-FDL_F_COVER INNER BKT 1
8 FC09-009663A BRACKET-FRONT_R_SNS_BKT 1
9 FC09-009664A BRACKET-FRONT_L_SNS_BKT 1
10 FC09-009666A BRACKET-REAR_L_SNS_BKT 1

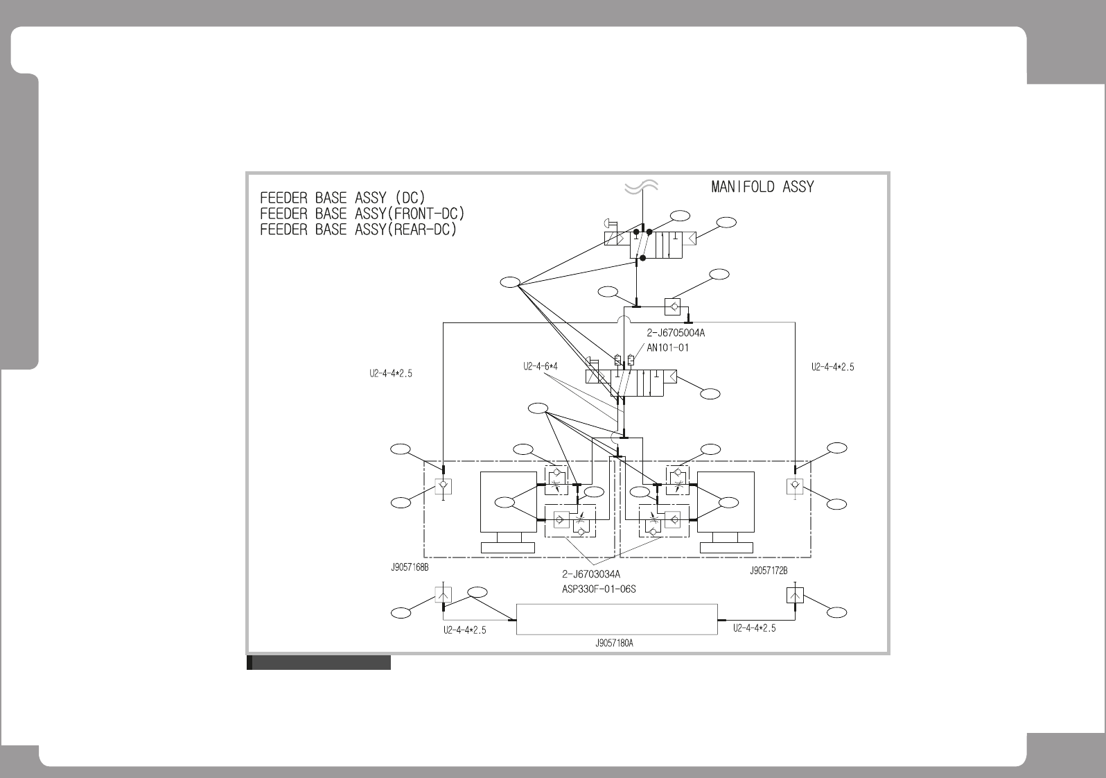
Page
+$1:+$
32
DECAN
S1
Docking Cart (5/6) - Option
Reference to Air Ass'y
ڡۀۀڿۀۍٻڝڼێۀٻڃڟڞڄ
1
1
2
3
3
6
6
2
2
4
5 5
4
10
11
8
7
10
9
8