00197963-01_AI_Power_Supply_Conversion_SIPLACE_E_en.pdf - 第22页
Conversion Installing the Power Conversion Kit 3.3.1 Installing the Cable H arness Assembly 22 Assembly Instructions SIPLACE E Main switch cable [03104081-xx] ► Disconnect the main switch cable [03104081-xx] from termina…

Conversion
3.3.1 Installing the Cable Harness Assembly Installing the Power Conversion Kit
Assembly Instructions SIPLACE E 21
3.3.1
3.3.1 Installing the Cable Harness Assembly
Installing the Cable Harness Assembly
Connection points

Conversion
Installing the Power Conversion Kit 3.3.1 Installing the Cable Harness Assembly
22 Assembly Instructions SIPLACE E
Main switch cable [03104081-xx]
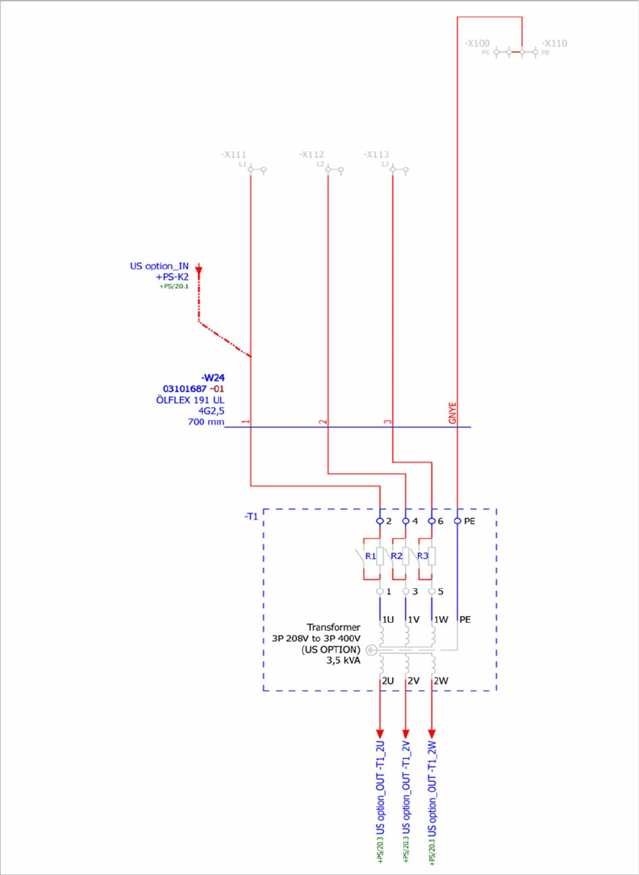
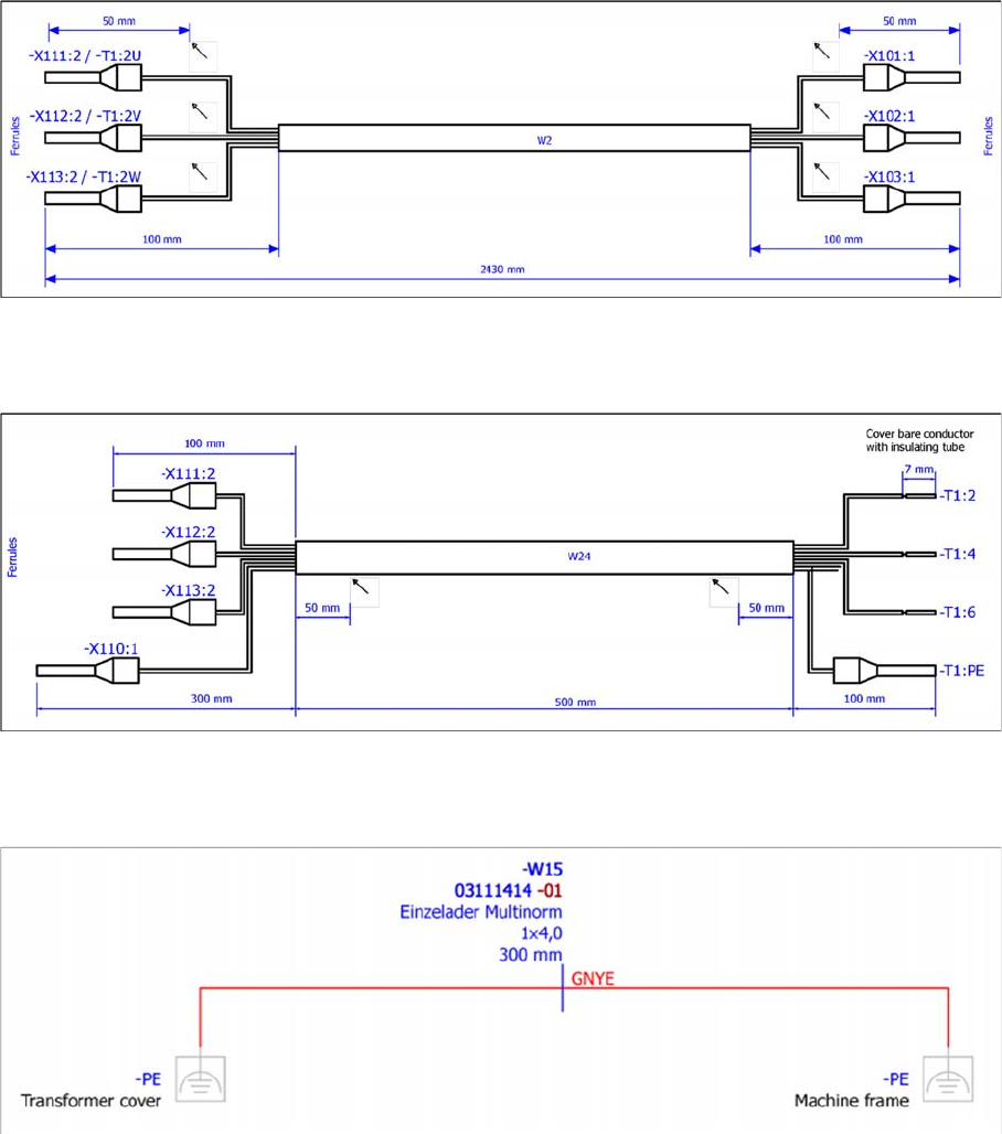
► Disconnect the main switch cable [03104081-xx] from terminal -X111/-X112/-X113 pin 2 and recon
-
nect it to transformer output T1:2U/2V/2W.
Main breaker cable [03101687-xx]
► Add the main breaker cable [03101687-xx] between –X111/-X112/-X113 pin 2 and transformer input
T1:2/4/6.
Grounding cable [03111414-xx]
► Connect the grounding cable [03111414-xx] to the transformer cover and the machine frame.

Conversion
3.3.2 Attaching the Voltage Warning Label Installing the Power Conversion Kit
Assembly Instructions SIPLACE E 23
Transformer cover
► Install the transformer cover [03111406-xx] (1).
► Secure the cover at the four fixation points.
3.3.2
3.3.2 Attaching the Voltage Warning Label
Attaching the Voltage Warning Label
► Attach the dangerous voltages warning label [03009345-xx] on the transformer
cover [03111406
-
xx] (1).