YSi12_KKH_e.pdf - 第10页
Confidential & P roprietary P A GE 200V 220V 220V TM11 0V 0V 200V 208V 230V 240V 3KVA (13A) 208V 220V 230V 220V 220V TM11 0V 0V 200V 208V 230V 240V 3KVA (13A) 220V 220V TM11 0V 0V 200V 208V 230V 240V 3KVA (13A) 220V …

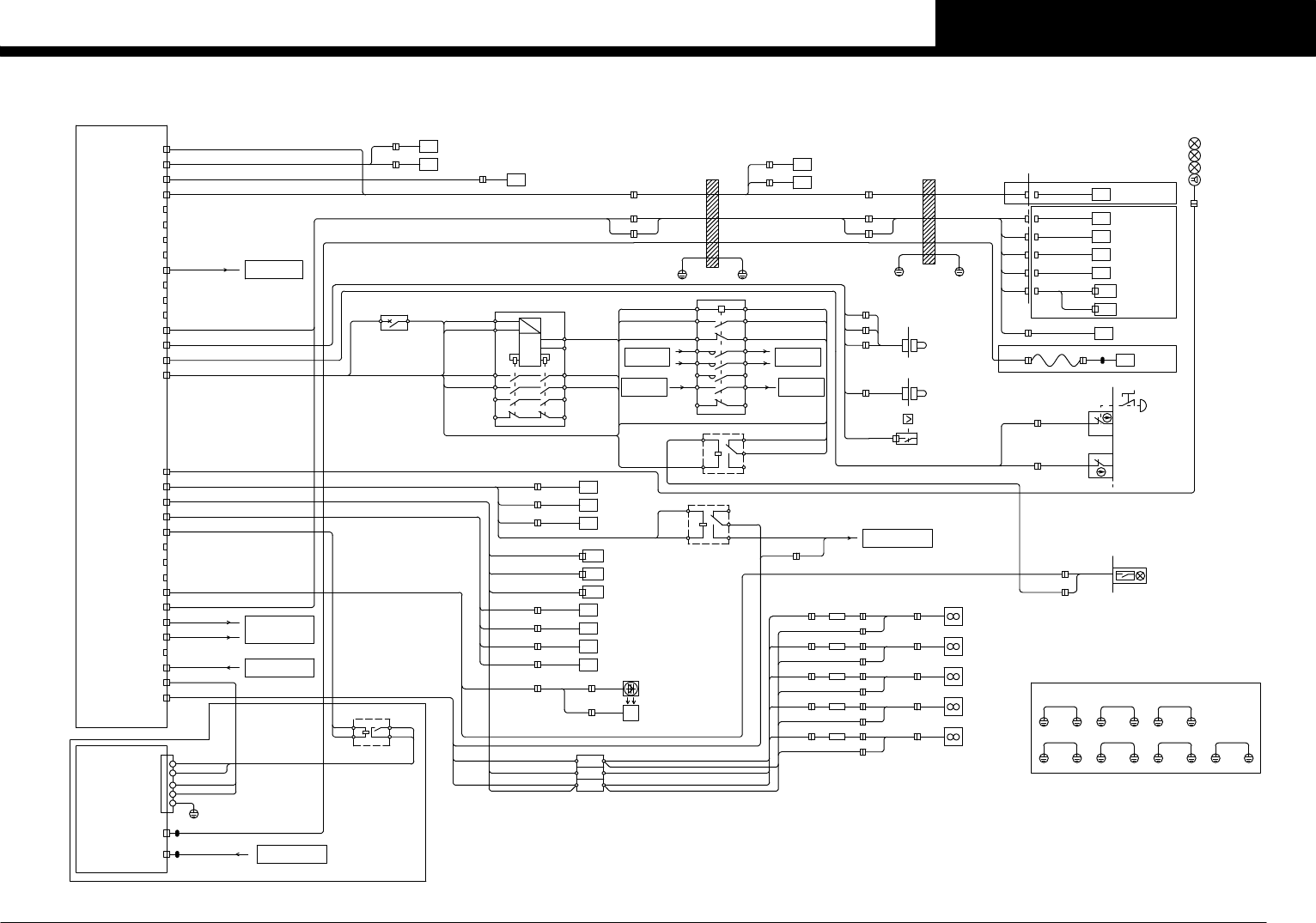
Confidential & Proprietary
PAGE
FLEXIBLE
DUCT Y
FLEXIBLE
DUCT X
J189
J192
J190
J193
BUZZER
RUN(GREEN)
HL11
ALARM(RED/WHITE)
ERROR(YELLOW/BLUE)
J88
J87
FRONT EMG SW
FRONT SIDE
FRONT
SQ101
COVER SW
J166
J168
EMGF EMG
COVERF COVER
DIS BOARD P21
DO06
DO07
DO08
DO09
HL11
J204
J222
FRONT SIDE
0V
W BRAKE
J196
+
3
-
1
5 2
4
KA11
PLATE
OPTION
OPTION
J247
OPTION
J511
E24
0TURN
NEXT INTERFACE
PREVIOUS INTERFACE
INTERFACE PANEL
INTERFACE PANEL
J198
J199
J224
J223
RDY OUT/BRD IN
RDY IN/BRD OUT
OK OUT/NG OUT
CN1
CN2
CN3
CN4
CN5
CN6
CN7
CN8
CN9
CN10
CN11
CN12
CN13
CN14
J186
J187
J188
J127
J191
J185
CN15
J161
CN16
J264
CN32
J48
CN31
CN27
CN28
CN29
CN30
J194
J195
J21
CN22
CN23
CN24
CN25
CN26
J183
CN21
CN19
CN20
J201
J182
CN18
J181
CN17
J221
CN1
CN2
MCB BOARD
POWER
POWER CIRCUIT
COM
SERVO AMP
QF61 +24VBQF61 +24V A1
A2
LOGIC
S34
Y32
13 14
23
33
24
34
K1 K2
KM10-13 +24VB
KM10-S34
KM10-A1 EMG
KM10-14 +24VC
KM10-24 +24VAA
KM10
KM10-A2 0V
KM10-23 +24V
+
3
-
1
5 2
4
KA10
SB11
LE3-M40H2-3xx
USB
J0099
FRONT RIGHT(F2)
REAR CENTER
FRONT CENTER
REAR LEFT(R2) REAR RIGHT(R1)
COVER EARTH
FRONT LEFT(F1)
J0081 J0082 J0083
J0084 J0085 J0086
FAN1
SIDE PANEL RIGHT(FRONT)
FAN1
+24V
0V
FAN +24V
FAN 0V
FAN +24V
FAN 0V
ALARM ALARM
ALM
J197
J251
FAN1
FAN2
CONTROL BOX ROOM
FAN2 FAN
FAN3
TRNS ROOM
FAN3 FAN
FAN4
SIDE PANEL LEFT(REAR)
FAN4 FAN4
FAN5
CONTROL BOX
FAN5 FAN
FAN1
U01
CHANGER
FAN1 PN FAN FAN
FAN1
FAN1 NP
J252
FAN2
U02
CHANGER
FAN2 PN FAN FAN
FAN2
FAN2 NP
J253
FAN3
U03
CHANGER
FAN3 PN FAN FAN
FAN3
FAN3 NP
J254
FAN4
U04
CHANGER
FAN4 PN FAN FAN
FAN4
FAN4 NP
J255
FAN5
U05
CHANGER
FAN5 PN FAN FAN
FAN5
FAN5 NP
J256
33 34
A1 A2KM11-A1 +24VC
KM11
KM11-A2 0V
13 14 KM11-14 DI6KM11-13 +24VAA
1/L1 2/T1U51 U52
3/L2 4/T2V51 V52
5/L3 6/T3
43 44CONV+24V CONV+24E
21 22 KM11-22KM11-21 EMG
31 32
POWER CIRCUIT POWER CIRCUIT
POWER CIRCUIT POWER CIRCUIT
OPTION
LASER CONTROLLER A22
HEAD A
1TURN
USB
2TURN
E22
E23
J510
CONTROL BOX
USB4
(J207)
+24V
0V
FG
TM1
(-)
J38
LASER-24V
LASER-G
LASER-FG
J38
LASER TM1
LASER (-)
J203
J204
DIS CN30
DIS CN31
DIS CN32
DIS CN9
DIS CN15
DIS CN16
DIS CN1
DIS CN4
DIS CN3
DIS CN2
DIS CN13
DIS CN26
DIS CN14
DIS CN25
DIS CN18
DIS CN20
DIS CN19
DIS CN21
DIS CN17
DIS CN27
DIS CN28
5
1 4
3
4 COM
(SSR)
1 0V
5 TM 3 TM1
KA12
See Page 5
See Page 4
See Page 2
See Page 4
See Page 2
See Page 2
See Page 2
See Page 2
See Page 5
X-AXIS
+OT
X-AXIS
-OT
W-AXIS
ORG
+OT
Y-AXIS
-OT
Y-AXIS
OT
W ORG
Y OT+
Y OT-
LIGHT
MAKER
X OT+
X OT-
R ORG
LIGHT
MAKER
READY-1
READY-2
READY SWITCH (WHITE)
SB31
DI25/DO27
W BK
0V
+24V
+24VB
EXIT
MAIN
CONVEYOR EXIT
DI08
CONVEYOR ARRIVAL
DI09
ENT
CONVEYOR ENTRANCE
DI07
ST UP
ST DN
PU UP
PU DN
CLAMP
MAIN
PUSH UP
PCB CLAMP
DO13
MAIN STOPPER
DO14
PUSH UP
DO15
PCB STOPPER ON
DI13
PCB STOPPER OFF
DI14
PUSH UP UPPER
DI15
PUSH UP LOWER
DI16
W PIN
J223
+24V
DI26
LIGHT
MK UP
MK LO
MK OP
MK CL
MK DO
R ORG
R-AXIS
ORG
MK UP
MK CL
LASER LASER
LASER HEAD A
MARKER UPPER
DI28
MARKER LOWER
DI29
MARKER CAP OPEN
DI30
MARKER CAP CLOSE
DI31
LIGHT 1
+12V
MARKER UP
DO30
MARKER CAP
DO31
CN1-3
CN1-2
CN1-1
J85
AIR
SP11
AIR PRESSURE SENSOR
DI00
QF61 1A
KA10-4
KA10-1 0V
KA10-2KA10-5
PUSH UP PIN SENSOR
W PIN
SQ13A
SQ13B
XT31
P
SQ1
SQ2
SQ3
SQ4
SQ5
SQ7
SQ8
SQ6
SQ9
SQ10
SQ11
SQ12
YV1
YV2
YV3
SQ21
LIGHT
SQ14
SQ15
SQ16
SQ17
SQ18
YV4
YV5
CC.V4
6
DIS BOARD
YSi-12

Confidential & Proprietary
PAGE
200V
220V
220V
TM11
0V 0V
200V
208V
230V
240V
3KVA (13A)
208V 220V 230V
220V
220V
TM11
0V 0V
200V
208V
230V
240V
3KVA (13A)
220V
220V
TM11
0V 0V
200V
208V
230V
240V
3KVA (13A)
220V
220V
TM11
0V 0V
200V
208V
230V
240V
3KVA (13A)
220V
TM11
0V
0V
200V
208V
230V
240V 100V
1KVA (10A)
TM11:The selection of POWER SOURCE 3KVA
TC11:The selection of POWER SOURCE 1KVA
200V-230V
S2
R2
V50
U50
S2 V50
U50
S2 V50
U50
S2 V50
U50
R2
R2
R2
V50C
U50C
U71
V71
CC.V4
7
POWER TRANSFORMER
YSi-12

PAGE
8
Condential & Proprietary
YSi-12
Air circuit
H013291