YSi12_KKH_e.pdf - 第5页
Confidential & Proprietary P A GE GS21 CN2 1 2 3 4 5 1 2 3 4 5 6 6 7 7 8 8 G2 0V G2 0V +V2 24V +V2 24V G1 0V G1 0V +V1 5V +V1 5V L 1 2 3 4 5 1 2 3 4 5 FG N CN1 150W +5V 5A +24V 6(PEAK 10)A +24V +5V +24VA +5VA 0V-5V 0…

Confidential & Proprietary
PAGE
POWER TRANSFORMER
Transformer
POWER CIRCUIT
XB11
Terminal
Main Switch
QS11 25A
Main Breaker
QF11 20A
Filter
NF11
Contactor
DC24V
K2
CH2 CH1
K1
Safety Relay
EMERGENCY CIRCUIT
KM11
DC24V
CONVEYOR MOTOR
QF21 5A
Power Supply
LCD1
+24V 6(PEAK 10)A
+5V 5A
GS21 150W
DC5,24V
DC24V
DC5V
EMERGENCY CIRCUIT
QF41 5A
QF42 2A
QF31 15A
COMU
A1
COLOR CAMERA
LASER CONTROLLER (OPTION)
USB MEMORY (OPTION)
CONTROL BOX
HDD
SERVO AMP
X-AXIS
Y-AXIS
W-AXIS
R-AXIS
RS1L05AA
Terminal
XT21
COMU
DIS BOARD
SENSOR
VALVE
SIGNAL TOWER
COVER SWITCH
EMG SWITCH
RS1A05AA
M1
M2
M3
M4
X AXIS
Y AXIS
W AXIS
R AXIS
P21
TM11 3KVA
Noise
Protector
Circuit
GB1
UPS
QF52 10A
Protector
Circuit
Transformer
TC11 1KVA
See Page 7
1∼ 50/60Hz
200/208/220/230
Rating 2.8KVA MAX.
RS1A01AA
RS1A01AA
TERMINAL
1∼ AC220V 1∼ AC220V 1∼ AC220V
1∼ AC100V1∼ AC100V 1∼ AC100V
1∼ AC100V
KM10
See Page 3
See Page 5
See Page 4
See Page 6
See Page 3
See Page 2
CC.V4
1
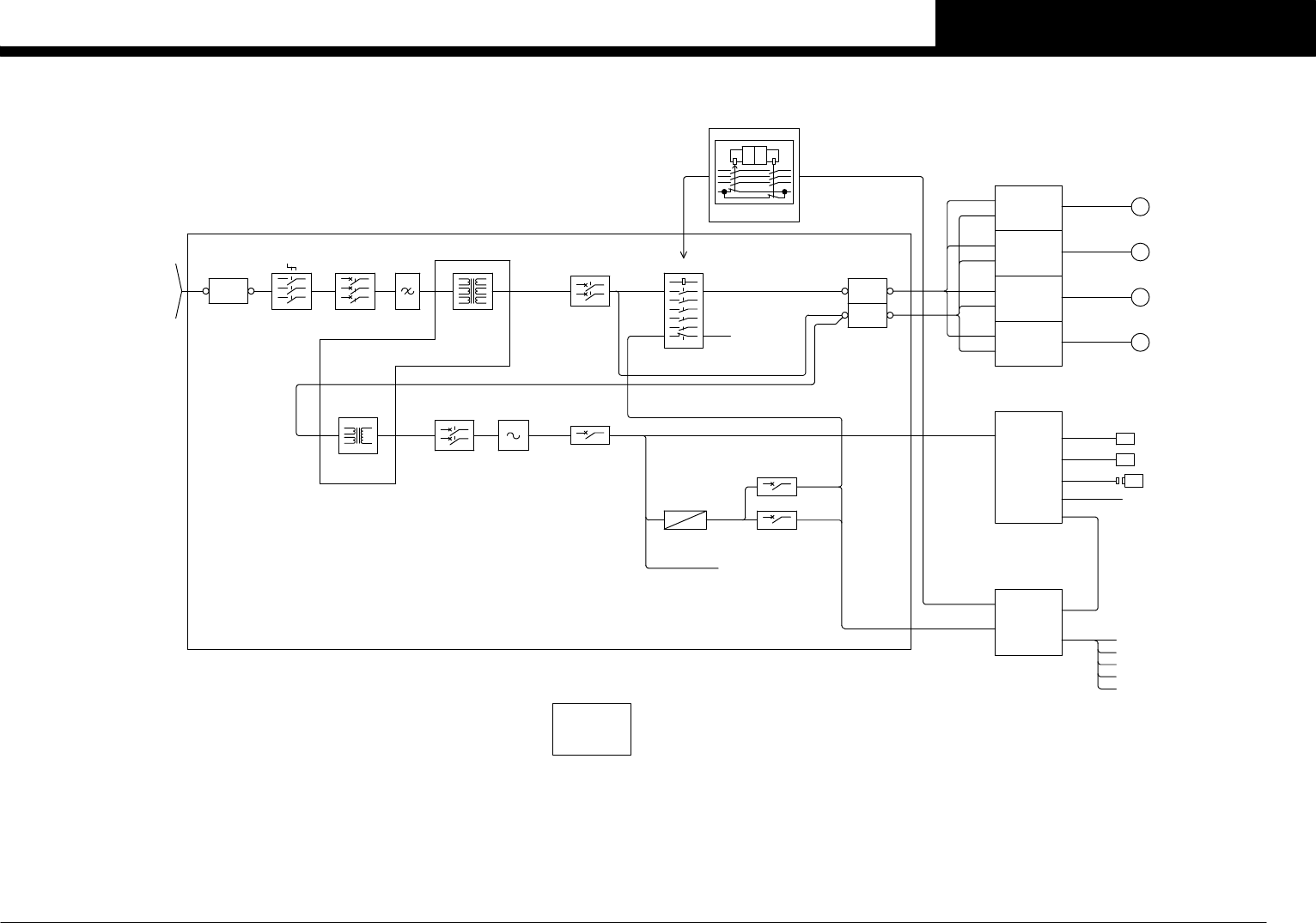
OVER VIEW
YSi-12

Confidential & Proprietary
PAGE
GS21
CN2
1
2
3
4
5
1
2
3
4
5
6 6
7 7
8 8
G2 0V
G2 0V
+V2 24V
+V2 24V
G1 0V
G1 0V
+V1 5V
+V1 5V
L1
2
3
4
5
1
2
3
4
5 FG
N
CN1
150W +5V 5A
+24V 6(PEAK 10)A
+24V
+5V
+24VA
+5VA
0V-5V
0V-24V 0V-24V
0V-5V
DIS BOARD
1
2
3
4
5
1
2
3
4
5
6 6
CN30
1
2
1
2
1
2
1
2
0V
+24V
CN1
CONVEYOR
DRIVER
3
4
3
4
DIS DC
DCN1
1
2
1
2
0V
+12V
ATX POWER
SUPPLY
QF21 5A XT22
LCD
U50
V50
V50
V50
V50
V50
V50
U61
U61
U61
U61
U61
U61
U61
T1
T2
QF11
31
2 4
EE
R2
S2
NF11
MAX250V/30A
220V
220V
TM11
0V
0V
R
S
R1
S1 S2
U51
V51
U52
V52
KM11
X-AXIS AMP
CNA
CNA
Y-AXIS AMP
CNA
W-AXIS AMP
CNA
R-AXIS AMP
1
3
2
4
U50
V50
U51
V51
QF31 15A
MAX690V/20A
XT21
U52
V51
U52
V52
V52
U51
U51
V51
U52
V52
U51
V51
U52
V52
U52
V52
U51
V51
U52
V52
U51
V51
U51
V51
200V
208V
230V
240V
R2
R
T
r
t
R
T
r
t
R
T
r
t
R
T
r
t
MAX INRUSH CURRENT 376A
3KVA (13A)
U50
V50
43 44
QF41 5A
QF42 2A
XT41
P11
XB11
L
N
PE
MAX750V/44A
L
N
PE
J1
J1 J2
J72
J75
J74
J73
J3
J71
J4 J5 J6
J7
J24
J25
J26
J27
J10
J11
J12
J13
J30
J9
J28
J29
J15
J16
J17
J22
J18
J19
J20
J21
E1 E2
CONV+24V CONV+24E
KM11
P21
IN
OUT
CONTROL BOX
V50C
220V
0V
0V
U50C
TC11
U50B
V50B
100V
200V
208V
230V
240V
1KVA (10A)
GB1
UPS
N
L
N
L
UPS IN
FG FG
U51
V51
J77
J78
J76
J32 J33
J35
J34
U50C
V50C
QF52 10A
SERIAL
MOTHER BOARD
MICRO ATX
(COM1)
(J205)
≧AWG12(3.3sq)
QS11
MAX INRUSH CURRENT 223.5A
J17-1
REMOTE 1
2
1
2
1
2
J202
0V24
0V 5
Residual risk
・Secondary side of UPS.
* when MAIN SW QS11 is OFF.
・Primary side OF MAIN SW QF11.
!
High Voltage
J14
AC ADAPTOR
*1
NOTE
*1 Use at touch panel specification. Attached of TOUCH PANEL LCD.
OFF OFF OFF OFF OFF OFF OFF OFF( )
The setting switch of the UPS
1 2
DIP SW
ON
OFF
3 4 5 6 7 8
11 1211 12
MAX690V/25A
L1
L2
L3
T1
T2
T3
L
N
T1
T2
L1
L2
R1
S1
NOTE:Icu≧6kV(AC440V)
See Page 4
CC.V4
2
POWER CIRCUIT
YSi-12

Confidential & Proprietary
PAGE
1
2
3
4
5
6
7
8
9
10
11
12
13
14
15
16
17
18
19
20
21
22
23
24
25
CN15
1
2
3
4
5
6
7
8
9
10
11
12
13
14
15
16
17
18
19
20
CN16
1
2
3
4
5
6
7
8
9
10
11
12
13
14
15
16
17
18
19
20
21
22
23
24
25
1
2
3
4
5
6
7
8
9
10
11
12
13
14
15
16
17
18
19
20
CN15
CN16
FRONT EMG SW
RL1
READY OUT
DO5
+24V
EMG SW W1
EMG SW W2
+24V
COVER SW W1
EMG SW DI
COVER SW W2
+24V
COVER SW DI
COVER LOCK
0V
+24V
+24V
1
2
3
4
5
6
1
2
3
4
5
6
1211
KEY
31
51
E1(+)
41 42
52
E2(-)
32
1
2
3
4
1
2
3
4DI3
DI4
DO4
DI6
MC1 ON
A1
A2
LOGIC
S34
Y32
13 14
23
33
24
34
K1 K2
KM10
KM10-13 +24VB
KM10-S34
KM10-A2 0V
KM10-A1 EMG
QF61 1A
QF61 +24V QF61 +24VB
KM10-23 +24V
KM10-14 +24VC
KM10-24 +24VAA
13 14 KM11-14 DI6
S10
KM11-13 +24VAA
SB11
SQ101
FRONT COVER LIMIT SW
DIS BOARD P21
33 34
3/L2 4/T2
1/L1
5/L3
21 22
2/T1
6/T3
U52
V52V51
U51
KM11-22KM11-21 EMG
A1 A2
KM11
KM11-A2 0VKM11-A1 +24VC
43 44 CONV+24ECONV+24V
31 32
1
2
3
4
5
6
7
8
9
10
11
12
13
14
15
16
1
2
3
4
5
6
7
8
9
10
11
12
13
14
15
16
1
2
1
2
+
3
-
1
5 2
4
KA10-1 0V
KA10-4
KA10-2KA10-5
READY-2
KA10
1
2
3
4
1
2
3
4
READY-1
+24V
READY SWITCH SB31
CN25 CN25
CC.V4
3
EMERGENCY CIRCUIT
YSi-12