P-119-001e.pdf - 第54页
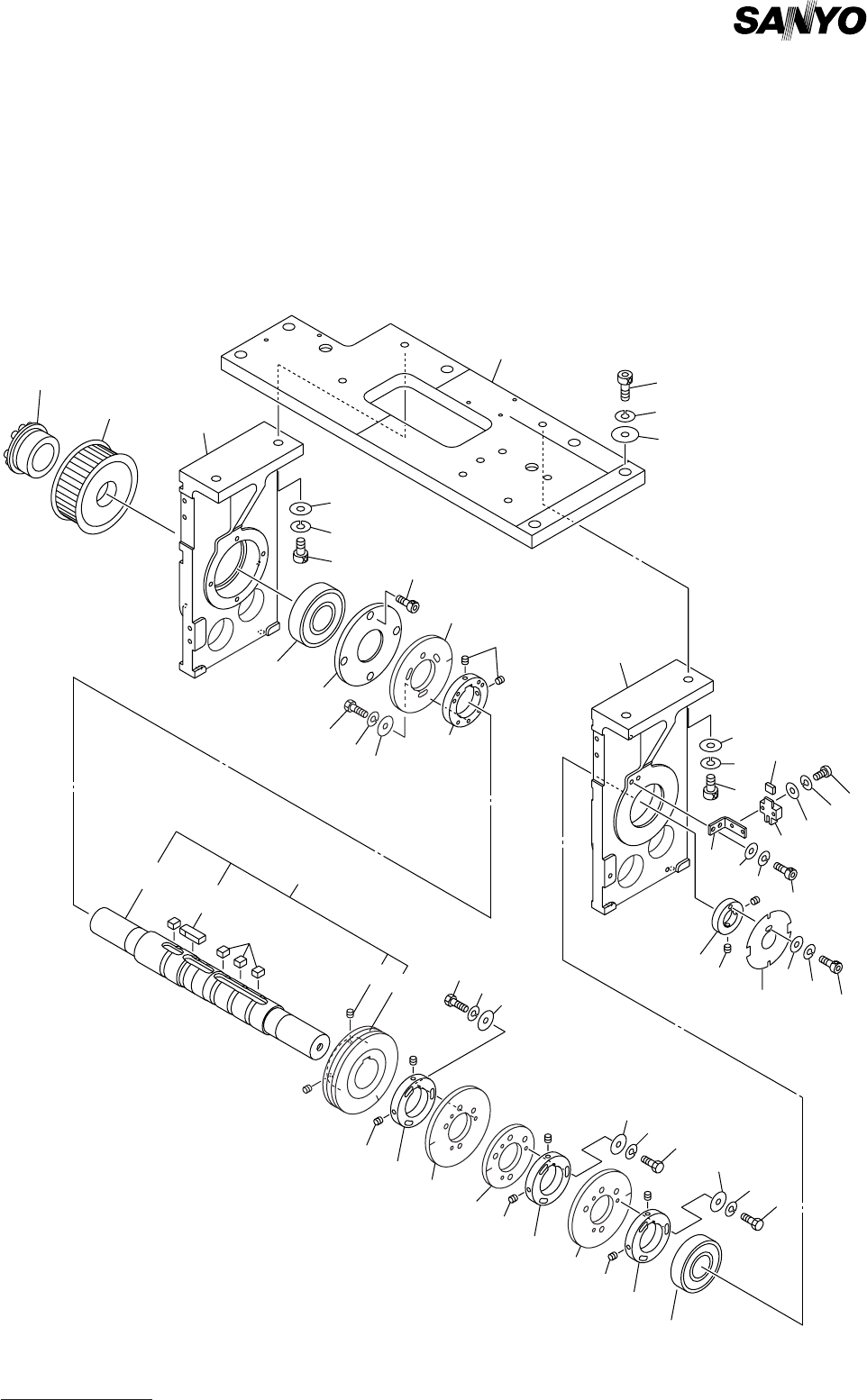
MODEL TCM-3500Z 9810-001 ヘッド駆動部 HEAD DRIVING SECTION Fig. 3-12 カム軸− 3 Cam Shaft-3 1-1 1-2 5 14 19 15 16 17 18 9 13 10 11 12 6 9 13 7 10 11 12 9 13 8 10 11 12 25 23 24 33 34 35 36 37 38 39 40 20 32 31 30 21 26 27 28 29 41…

MODEL TCM-3500Z
9810-001
3-11
Key No. PART No. PART NAME Q'ty REMARKS
1 630 048 6995 BASE 1 678K--02B-007
2 411 141 4503 WASHER V 8X17X1.6 4 FW8
3 411 141 3100 WASHER SPR 8 4 SW8
4 630 000 8043 BOLT,HEX-SCT 4 M8X35
10 630 060 4849 ASSY,LEVER(STOPPER TYPE2) 2
11 630 048 7244 BASE 1 678K--02B-031
12 630 055 2881 SHAFT 1 678K--02B-030
13 630 048 7268 LEVER 1 678K--02B-033
14 630 000 8944 SET SCREW 1 M5X6 SET
15 630 001 1272 BEARING,RADIAL 2 678K--02H-012
16 411 051 1708 SCR TRS 4X6 4 M4X6 TRS
17 630 060 4931 ASSY,CYLINDER(STOPPER R) 2
17 -1 630 055 2874 CYLINDER 1 678K--02H-053
17 -2 630 000 0436 CASE,CONN 1
17 -3 630 000 4281 CABLE JOINT,TERMINAL 2
18 411 118 8503 NUT HEX 5 2 M5 F
19 630 000 8661 BOLT,HEX 2 M5X35 HEX
20 630 029 1391 WASHER 8 678K--02H-048
21 411 141 6705 WASHER SPR 5 8 SW5
22 630 000 7770 BOLT,HEX-SCT 8 M5X20
51 630 003 7708 PIPE FITTINGS 1
54 411 141 4008 WASHER V 4X9X0.8 1 FW4
55 411 141 2905 WASHER SPR 4 1 SW4
56 630 000 7664 BOLT,HEX-SCT 1 M4X20
NOTE

MODEL TCM-3500Z
9810-001
ヘッド駆動部 HEAD DRIVING SECTION
Fig. 3-12 カム軸−3 Cam Shaft-3
1-1
1-2
5
14
19
15
16
17
18
9
13
10
11
12
6
9
13
7
10
11
12
9
13
8
10
11
12
25
23
24
33
34
35
36
37
38
39
40
20
32
31
30
21
26
27
28
29
41
42
43
44
45
46
47
48
49
5
22
27
28
29
Fig.3-12
1-4
1-3
1

MODEL TCM-3500Z
9810-001
3-12
Key No. PART No. PART NAME Q'ty REMARKS
1 630 060 4924 ASSY,CAM(CUTTER) 1
1 -1 630 052 6011 SHAFT 1 678K--02B-039
1 -2 630 049 0992 KEY 1 678K--02B-081
1 -3 630 058 3519 CAM (06) 1 678K--02B-076
1 -4 630 000 8982 SET SCREW 2 M6X8 SET
5 630 049 0244 KEY 4 678K--02H-045
6 630 058 3533 CAM (08) 1 678K--02B-078
7 630 058 3540 CAM (09) 1 678K--02B-079
8 630 061 3506 CAM (02) 1 678K--02B-072
9 630 048 9149 DISK 3 678K--02B-041
10 630 029 1391 WASHER 9 678K--02H-048
11 411 008 2109 WASHER SPR 5 9 SW5 F
12 630 000 8647 BOLT,HEX 9 M5X25 HEX
13 630 000 8982 SET SCREW 6 M6X8 SET
14 630 048 9132 DISK 1 678K--02B-040
15 630 058 6251 CAM (10) 1 678K--02B-080
16 630 029 1391 WASHER 3 678K--02H-048
17 411 008 2109 WASHER SPR 5 3 SW5 F
18 630 000 8630 BOLT,HEX 3 M5X20 HEX
19 630 000 8982 SET SCREW 2 M6X8 SET
20 630 056 1814 BASE 1 678K--02B-035
21 630 055 1976 HOLDER 1 678K--02B-036
22 630 049 0121 BEARING,RADIAL 1 678K--02H-008
23 630 049 0213 MECH PARTS(BEARING COVERS 1 678K--02H-044
24 630 000 7879 BOLT,HEX-SCT 4 M6X12
25 630 049 0077 BEARING,RADIAL 1 678K--02H-009
26 630 055 1983 HOLDER 1 678K--02B-037
27 411 141 4701 WASHER V 10X21X2 4 FW10
28 411 141 3209 WASHER SPR 10 4 SW10
29 630 000 8159 BOLT,HEX-SCT 4 M10X40
30 630 001 0251 WASHER 4 678K--02H-049
31 411 141 3209 WASHER SPR 10 4 SW10
32 630 000 8159 BOLT,HEX-SCT 4 M10X40
33 630 048 7312 PULLEY,TIMING 1 678K--02H-004
34 630 049 0060 MECH PARTS(MECHA LOCK) 1 678K--02H-007
35 630 048 7213 RING 1 678K--02B-029
36 630 000 8944 SET SCREW 2 M5X6 SET
37 630 048 7206 DISK 1 678K--02B-028
38 411 141 4008 WASHER V 4X9X0.8 1 FW4
39 411 141 2905 WASHER SPR 4 1 SW4
40 630 000 7626 BOLT,HEX-SCT 1 M4X10
41 630 052 1542 BRACKET 1 678K--02B-060
42 630 000 0245 SENSOR,PHOTO 1 678K--02H-040
43 630 000 0269 SENSOR,PHOTO(CONNECTOR) 1 678K--02H-043
44 411 119 1909 WASHER V 3X7X0.5 2 FW3 F
45 411 086 4408 WASHER SPR 3 2 SW3 F
46 411 040 7803 SCR PAN 3X12 2 M3X12 PAN
47 411 141 4107 WASHER V 5X10X1 2 FW5
48 411 141 6705 WASHER SPR 5 2 SW5
49 630 000 7763 BOLT,HEX-SCT 2 M5X16
NOTE