JM-100_电路图.pdf - 第7页
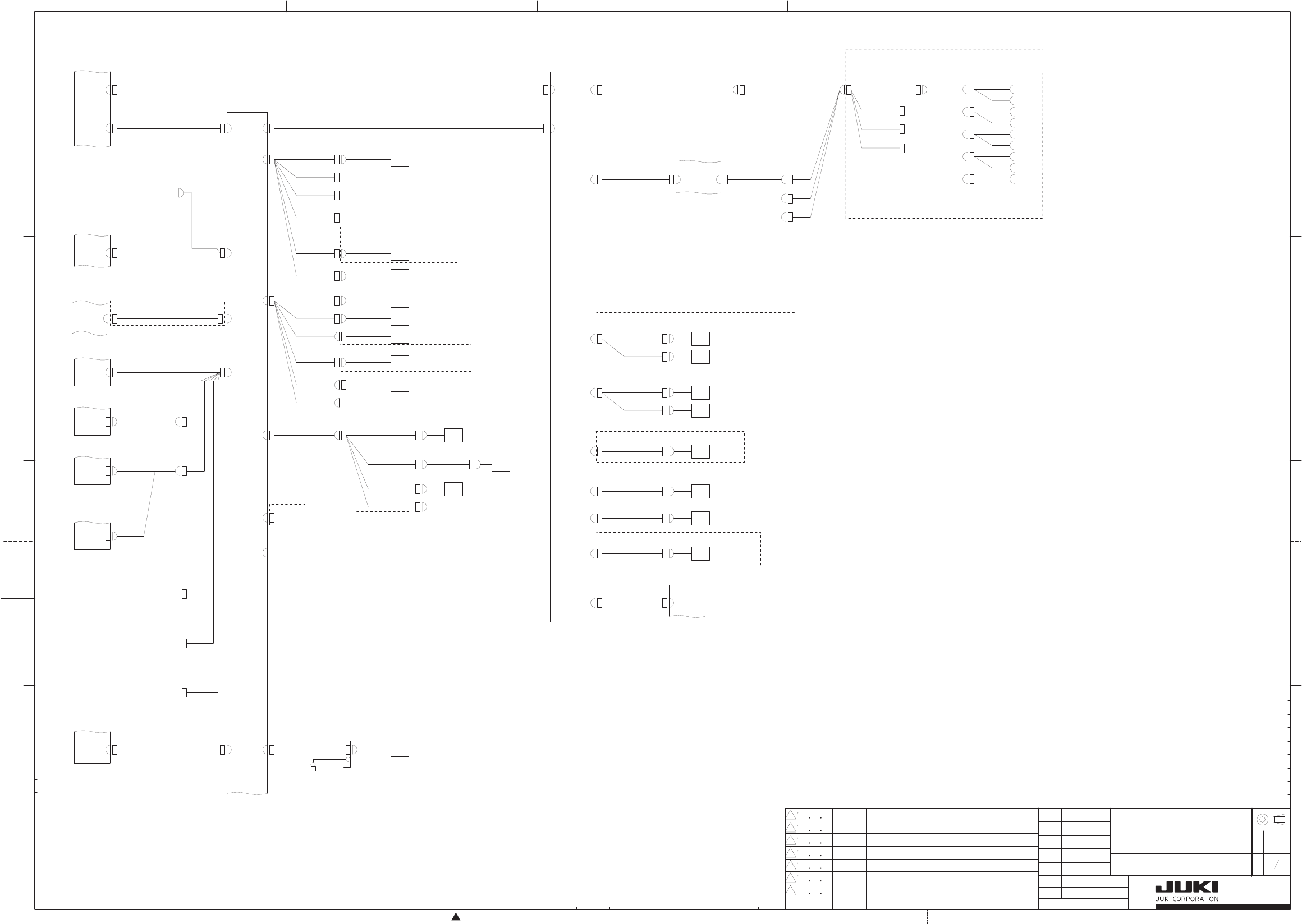
6<67(0',$*5$0 6$)(7<0,%$1.81,7 ,2&217 52/3&% 6$)(7< 3&% <326/ 076(1625 5 &1 &1 &1 &29(523 (16:5…

6<67(0',$*5$0
6$)(7<0,%$1.81,7
&1
<1(*/076(1625
&1
,2&21752/3&%
&1
&1
32:(56833/<81,7%
67
23(1
&1
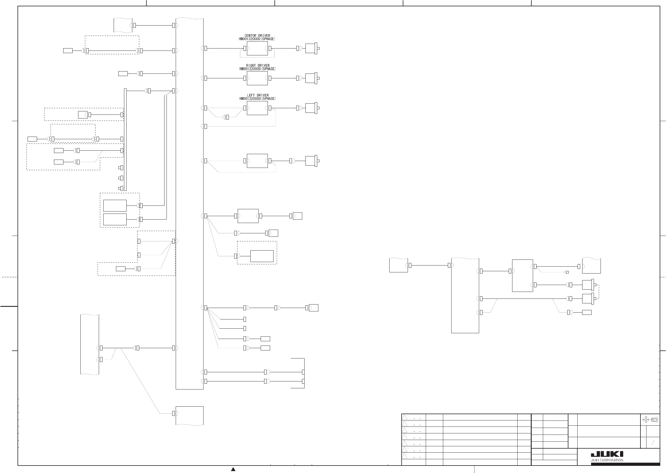
</6(592'5,9(5
&1
&1
&1
6$)(7<3&%
326,7,21%2$5'
(0*
&1
;6(592'5,9(5
&1
<56(592'5,9(5
&1
);&1
)</&1
)<5&1
&1
&1
&1
&1
<1($56(1625
&1
&29(523(16:)
&1
&29(5/2&.69)
&1
6,*1$/72:(5
&1
&1
&1
&1
;326/07
6(1625
&1
;1(*/07
6(1625
&1
<%($5
&$%/(6$60
&1
(0*6:)
&1 &1
&1
&1
&1
&1
&1
&2162/(6:)
.(<6:
&1
&1
&1
&1
&1
&1
&1
&1
&1
)(('(5)/2$76(16255(&
&1
&1
&1
&1
)(('(5)/2$76(1625(0,
&1
&1
&1
&1
)(('(5)/2$76(1625(0,
)(('(5)/2$76(16255(&
&1
%.3:
&1
$,535(6685(
6(1625
&1
&1
&1
&1%
32:(56833/<81,7%
67
23(1
&1%
&1
&1
&1
&1
&1
&1
&1
0,%$1.5(/$<3&%)
&1
&1&1
&1
&1
&1
&1
&1
)5217)(('(5,)3&%
&1
&1
&1
0,%$1.752//(<81,7)5217
$
$
$
%
'
$
%
$
%
&
&
&9/2&.
23
5($5021,725
&1
23&1
;1($5
6(1625
&1
&1
&1
&1
&1
&1
&1
&1
&1
&1
&1
&1
(/(&75,&$/81,7$
67
23(1
&1$
&1$
&
23(1
%$1.32:(5
6:
56921
&1
67$1'$5'
&1
&1
&1
+2'%2;
(
(
&29(5
6,2
6,2
&1
56&%2$5'
&1
$
0,%$1.5(/$<3&%5
&1
&1&1
&1
&;$03
&<$03
(0*
)*
)(('(5)/2$76(1625)237,21
&1
&1
&1
%$1.83
6(1625
7252//(<237,21
&1
&1
&1)5
'593:5
.12&.&</,1'(5
&1
%$1.
&1
607)(('(5)237,21
&
(1237,21
&
127
ᑻ
ᗘ
࣌
勖
ࢪ
ᆺᘧ
ရ␒
ရྡ
ᢎㄆ
᳨ᅗ
タィ
〇ᅗ
సᡂ
ಖ⟶
㢮ఝ
ᢸᙜグྕ ᪥ ኚ᭦␒ྕ ኚ᭦グ
㹂
㹁
㹀
㸿
㸳㸲㸱㸰㸯
㹁
㹀
㸿
㹂
76.$9
('$

6<67(0',$*5$0
6$)(7<0,%$1.81,7
,2&21752/3&%
6$)(7<3&%
<326/076(16255
&1 &1
&1
&29(523(16:5
&1
$,535(6685(
6(1625
&1
&1
&1
0,%$1.5(/$<3&%5
&1
&1
(0*6:5
&1
&1
&1
&1
67$576:5
67236:5
&1
&2162/(6:5
&1
&1
&1 &1
&1
&1
&1
23
5($5021,725
$
$
&1
&29(5/2&.695
&9/2&.
23&1
&219(<253&%5
&1
&1
$
&1
&1
076,)
076,)076,)076,)076,)
,6
'
&
&1
&1
&29(5
)(('(5)/2$76(16255(&
&1
&1
&1
&1
)(('(5)/2$76(1625(0,
&1
&1
&1
&1
)(('(5)/2$76(1625(0,
)(('(5)/2$76(16255(&
&1
%.3:
&1
%$1.32:(5
6:
)(('(5)/2$76(1625)237,21
&1
&1
&1
%$1.83
6(1625
7252//(<237,21
&1%
32:(56833/<81,7%
67
23(1
&1%
&1
&1
&1
&1
&1
&1
&1
)5217)(('(5,)3&%
&1
&1
&1
0,%$1.752//(<81,75($5
&
&
&1
&1
&1
&1
&1
&1
&1
&1
&1
&1
&1
&1
&1
&1)5
'593:5
.12&.&</,1'(5
&1
%$1.
&1
607)(('(5)237,21
67$1'$5'
(1237,21
&29(523(16:5
+'
523&1
121(5($5%$1.
127
ᑻ
ᗘ
࣌
勖
ࢪ
ᆺᘧ
ရ␒
ရྡ
ᢎㄆ
᳨ᅗ
タィ
〇ᅗ
సᡂ
ಖ⟶
㢮ఝ
ᢸᙜグྕ ᪥ ኚ᭦␒ྕ ኚ᭦グ
㹂
㹁
㹀
㸿
㸳㸲㸱㸰㸯
㹁
㹀
㸿
㹂
76.$9
('$

6<67(0',$*5$0
&219(<25
,2&21752/3&%
&1
&1
32:(56833/<81,7%
67
23(1
&1
&1
&(172502725
&1&
&0
&1
&1
&1
&1
&1&1
&0&1
&15&0
&1&1
&0&1
&1
&1
$:&02725
&1
3+$6($:&'5,9(5
+0
&1
&1&1
&1
&1
&1
6,'(6(16255
&1
&1
&1
&$/9$&8806(1625
&1
&1
&1
&1
&1
6%/
3$1(/
&1
6,'(6(1625/
&1
%83,1'(7(&7
6(16255(&
&1
%83,1'(7(&7
6(1625(0,
&$/%/2&.3&%
&1
&1&1
&1
&$/9$&88069
&1
&1
&1
&1
$7&6(162523(1
&1
$7&6(1625&/26(
&1
&1
&1
&1
%8/2&.
&1
&1
&29(5
60(0$/6,'(
60(0$56,'(
&1
&1
&1
&1
&219(<253&%5
)/8;(53
)/8;(53
&1
&1
&16
&16
&1,'/(
&1',5
&160(0$
&$/9$&
$
$
$
60(0$
60(0$
&1
&1
&1
&1
&
6%/ 6%
&1
&1
&1
&1
5,*+702725
'
&219(<253&%/
&
&1
,2&21752/3&%
&1
&1
&1
&1
&219(<253&%/
$ '
&1
&1
23&219(<25
(;7(16,21PPRUPP
&1
&1
23&219(<25
(;7(16,21PPRUPP
&1
%8/2&.69
&1
%8/2&.
02725
&1
%86(592'5,9(5
&1
%80
%802725
&15&0
&1&1
&0
/()702725
/09
&2876(1625
&287
6723
67236(1625
67$1'$5'
%8/2&.
6(1625
067233(5>/@69
/672369
67233(569
/5672369
:$,76(1625
:$,7
67$1'$5'
25*6(1625%8
&1
$:&237,21
&1
%8(1&2'(5
($
&1
&1
&1
&1
(/(&75,&$/81,7$
67
23(1
%
$& &1$
&1$
)*
(1237,21
(1237,21
$7&69
$7&69
&1&1
&1
127
ᑻ
ᗘ
࣌
勖
ࢪ
ᆺᘧ
ရ␒
ရྡ
ᢎㄆ
᳨ᅗ
タィ
〇ᅗ
సᡂ
ಖ⟶
㢮ఝ
ᢸᙜグྕ ᪥ ኚ᭦␒ྕ ኚ᭦グ
㹂
㹁
㹀
㸿
㸳㸲㸱㸰㸯
㹁
㹀
㸿
㹂
76.$9
('$