JM-100_电路图.pdf - 第8页
6<67(0',$*5$0 &219(<25 ,2&21 752/3&% &1 &1 32:(5 6833/<81, 7% 67 23( 1 &1 &1 &(1725 …

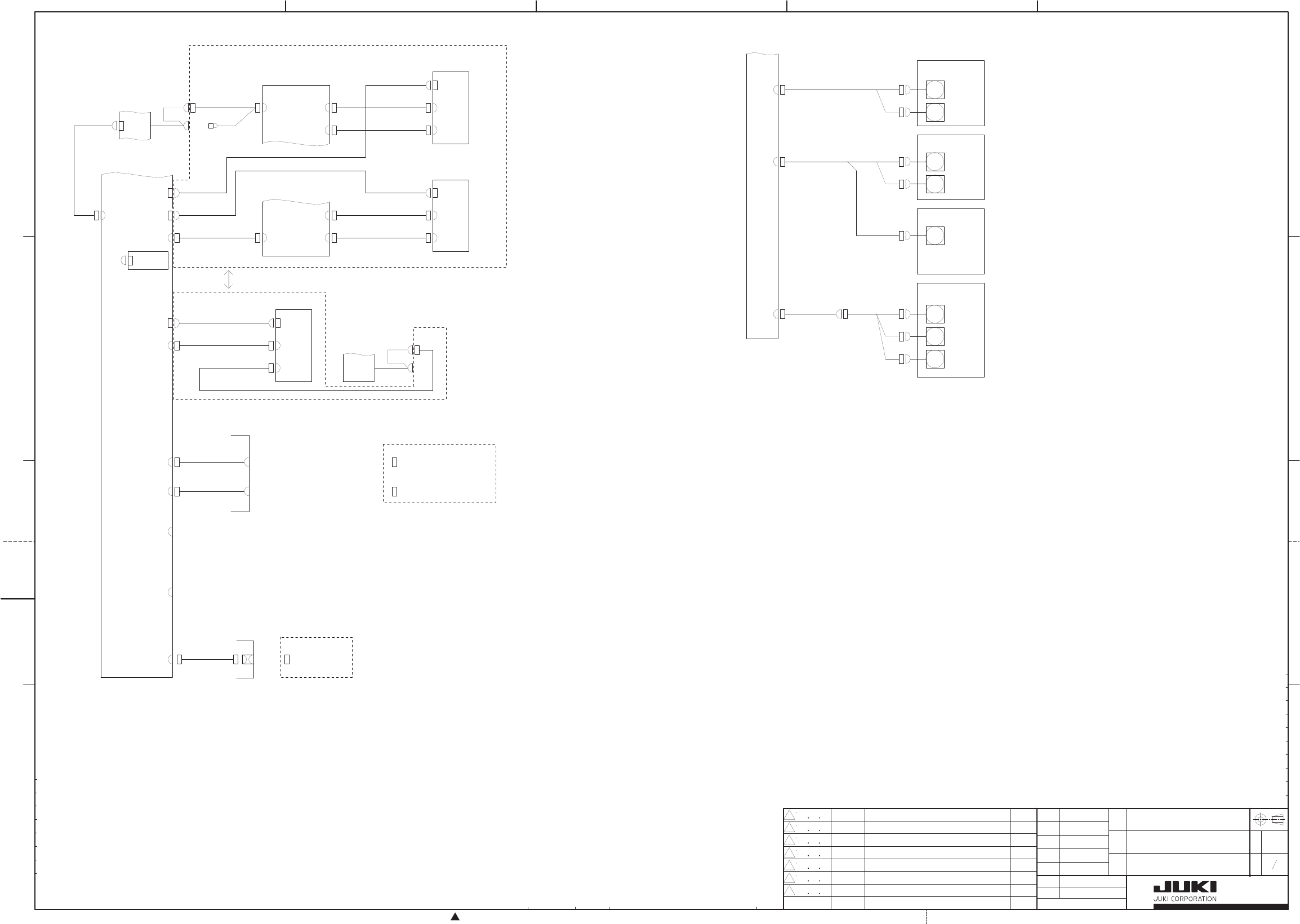
6<67(0',$*5$0
6$)(7<0,%$1.81,7
,2&21752/3&%
6$)(7<3&%
<326/076(16255
&1 &1
&1
&29(523(16:5
&1
$,535(6685(
6(1625
&1
&1
&1
0,%$1.5(/$<3&%5
&1
&1
(0*6:5
&1
&1
&1
&1
67$576:5
67236:5
&1
&2162/(6:5
&1
&1
&1 &1
&1
&1
&1
23
5($5021,725
$
$
&1
&29(5/2&.695
&9/2&.
23&1
&219(<253&%5
&1
&1
$
&1
&1
076,)
076,)076,)076,)076,)
,6
'
&
&1
&1
&29(5
)(('(5)/2$76(16255(&
&1
&1
&1
&1
)(('(5)/2$76(1625(0,
&1
&1
&1
&1
)(('(5)/2$76(1625(0,
)(('(5)/2$76(16255(&
&1
%.3:
&1
%$1.32:(5
6:
)(('(5)/2$76(1625)237,21
&1
&1
&1
%$1.83
6(1625
7252//(<237,21
&1%
32:(56833/<81,7%
67
23(1
&1%
&1
&1
&1
&1
&1
&1
&1
)5217)(('(5,)3&%
&1
&1
&1
0,%$1.752//(<81,75($5
&
&
&1
&1
&1
&1
&1
&1
&1
&1
&1
&1
&1
&1
&1
&1)5
'593:5
.12&.&</,1'(5
&1
%$1.
&1
607)(('(5)237,21
67$1'$5'
(1237,21
&29(523(16:5
+'
523&1
121(5($5%$1.
127
ᑻ
ᗘ
࣌
勖
ࢪ
ᆺᘧ
ရ␒
ရྡ
ᢎㄆ
᳨ᅗ
タィ
〇ᅗ
సᡂ
ಖ⟶
㢮ఝ
ᢸᙜグྕ ᪥ ኚ᭦␒ྕ ኚ᭦グ
㹂
㹁
㹀
㸿
㸳㸲㸱㸰㸯
㹁
㹀
㸿
㹂
76.$9
('$

6<67(0',$*5$0
&219(<25
,2&21752/3&%
&1
&1
32:(56833/<81,7%
67
23(1
&1
&1
&(172502725
&1&
&0
&1
&1
&1
&1
&1&1
&0&1
&15&0
&1&1
&0&1
&1
&1
$:&02725
&1
3+$6($:&'5,9(5
+0
&1
&1&1
&1
&1
&1
6,'(6(16255
&1
&1
&1
&$/9$&8806(1625
&1
&1
&1
&1
&1
6%/
3$1(/
&1
6,'(6(1625/
&1
%83,1'(7(&7
6(16255(&
&1
%83,1'(7(&7
6(1625(0,
&$/%/2&.3&%
&1
&1&1
&1
&$/9$&88069
&1
&1
&1
&1
$7&6(162523(1
&1
$7&6(1625&/26(
&1
&1
&1
&1
%8/2&.
&1
&1
&29(5
60(0$/6,'(
60(0$56,'(
&1
&1
&1
&1
&219(<253&%5
)/8;(53
)/8;(53
&1
&1
&16
&16
&1,'/(
&1',5
&160(0$
&$/9$&
$
$
$
60(0$
60(0$
&1
&1
&1
&1
&
6%/ 6%
&1
&1
&1
&1
5,*+702725
'
&219(<253&%/
&
&1
,2&21752/3&%
&1
&1
&1
&1
&219(<253&%/
$ '
&1
&1
23&219(<25
(;7(16,21PPRUPP
&1
&1
23&219(<25
(;7(16,21PPRUPP
&1
%8/2&.69
&1
%8/2&.
02725
&1
%86(592'5,9(5
&1
%80
%802725
&15&0
&1&1
&0
/()702725
/09
&2876(1625
&287
6723
67236(1625
67$1'$5'
%8/2&.
6(1625
067233(5>/@69
/672369
67233(569
/5672369
:$,76(1625
:$,7
67$1'$5'
25*6(1625%8
&1
$:&237,21
&1
%8(1&2'(5
($
&1
&1
&1
&1
(/(&75,&$/81,7$
67
23(1
%
$& &1$
&1$
)*
(1237,21
(1237,21
$7&69
$7&69
&1&1
&1
127
ᑻ
ᗘ
࣌
勖
ࢪ
ᆺᘧ
ရ␒
ရྡ
ᢎㄆ
᳨ᅗ
タィ
〇ᅗ
సᡂ
ಖ⟶
㢮ఝ
ᢸᙜグྕ ᪥ ኚ᭦␒ྕ ኚ᭦グ
㹂
㹁
㹀
㸿
㸳㸲㸱㸰㸯
㹁
㹀
㸿
㹂
76.$9
('$

6<67(0',$*5$0
&38)$1,)61;
'9,
'9,'
/&')
&38%2$5'
66'
&20
&1
563&
563&
)5217/&'021,725
56287
56 56&
)/&'&
32:(5
)/&'3:5
287'&9
9287
'9,'
/&'5
5($5/&'021,725
56287
56 56&
5/&'&
32:(5
5/&'3:5
287'&9
9287
9,1
$7;81,7
(=
$7;3
&20
683(5,0326(%2$5'
5($5021,725237,21
32:(56833/<81,7%
67
23(1
&1
&1
'&)$1
)$1
)$1
'&)$1
/6,'(%27720
&29(5
)$1
)$1
&1
&1
'&)$1
)$1
)$1
'&)$1
56,'(%27720
&29(5
)$1
)$1
&1
&1
'&)$1
&1 )$1
)$1
'&)$1
723
&29(5
)$1
)$1
'&)$1
)$1
)$1
'&)$1
&75/)$1
&21752/81,7723
&29(5
)$1
(
%
'
'
%
,1'&9
$7;3
'9,
683(5,0326(%2$5'
$
$
86%&+
86%&+
86%
)5217%27720
5,*+7&29(5
/$1
86%&+
86%&+
/$1
+.
)5217%27720
5,*+7&29(5
+:
&211(&725&$3
+;
&211(&725&$3
+;
&211(&725&$3
+;
23(1
23(1
'9,'
/&')
)5217/&'021,725
56287
56&
)/&'&
32:(5
)/&'3:5
'9,
&20
$7;81,7
(=
$7;3
$
$7;3
67$1'$5'
127
ᑻ
ᗘ
࣌
勖
ࢪ
ᆺᘧ
ရ␒
ရྡ
ᢎㄆ
᳨ᅗ
タィ
〇ᅗ
సᡂ
ಖ⟶
㢮ఝ
ᢸᙜグྕ ᪥ ኚ᭦␒ྕ ኚ᭦グ
㹂
㹁
㹀
㸿
㸳㸲㸱㸰㸯
㹁
㹀
㸿
㹂
76.$9
('$