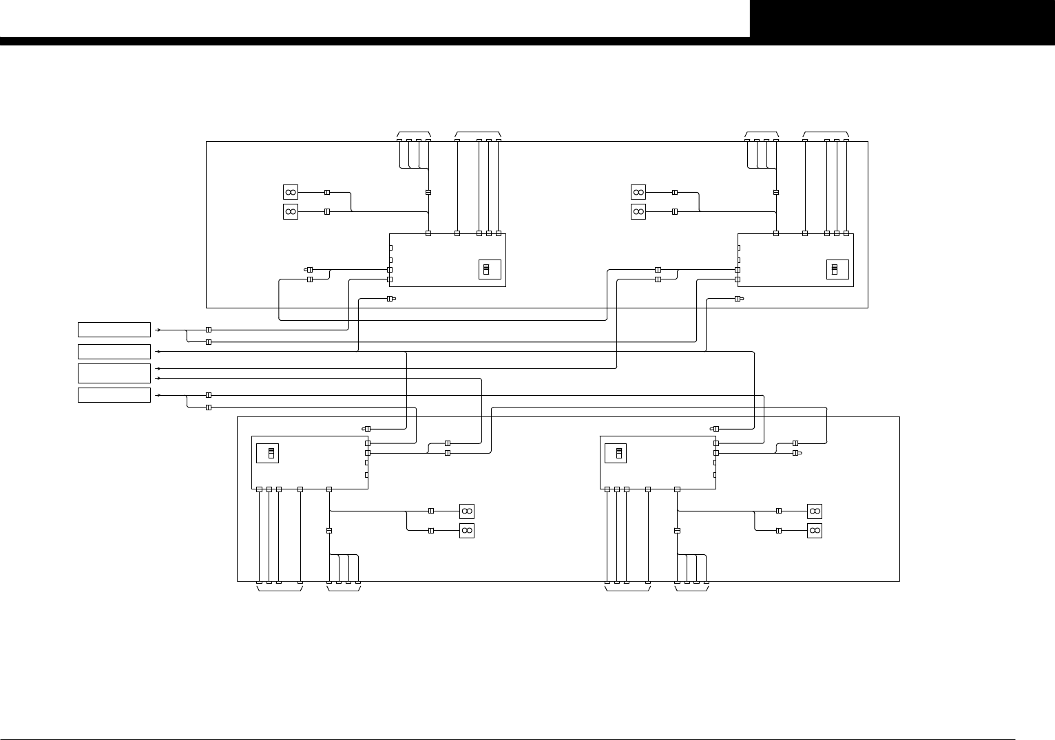
YSM20_je.pdf - 第26页
Confidential & P roprietary P A G E ・SS fee ders ・Bulk c assett e fee ders ・Mult i- stick feed ers ・High -s peed sti ck feede rs ・High -s peed sta ck stick fe eders ・QFP re covery c onv eyor FDR DO0 FDR DO1 FDR DI0 F…

Confidential & Proprietary
PAGE
・SS feeders ・Bulk cassette feeders
・Multi-stick feeders
・High-speed stick feeders
・High-speed stack stick feeders
・QFP recovery conveyor
・
CN1
CN2
CN3
・
・
CN43
・
・
・
FDR DO0
FDR DO1
FDR DI0
FDR DO2
CN43L
DI/DO L
CN35
J1151
J1152
J1153
J1185
J1101
・SS feeders ・Bulk cassette feeders
・Multi-stick feeders
・High-speed stick feeders
・High-speed stack stick feeders
・QFP recovery conveyor
・
CN1
CN2
CN3
・
・
CN43
CN43R
・
・
・
FDR DO0
FDR DO1
FDR DI0
FDR DO2
DI/DO R
CN35
J1251
J1252
J1253
J1285
J1201
FDR FAN
FDR FAN
FAN1
FAN2
FIX70 FRONT FEEDER
J0296
CN37
CN38
CN42
DIP SW(S1)
OFF
ON
FDR CTRL BOARD ASSY P131
CN39
J0297
CN37
CN38
CN42
DIP SW(S1)
OFF
ON
FDR CTRL BOARD ASSY P132
CN39
F1 FDR EMG
FDR EMG
F2 FDR EMG
FDR EMG
I/O C
I/O CONVEYOR -4-
CN35
J0253
J0104
・Bulk cassette feeders
・Multi-stick feeders
・High-speed stick feeders
・High-speed stack stick feeders
・QFP recovery conveyor
・
・
・
J0299
CN42
CN38
CN37
DIP SW(S1)
OFF
ON
CN1
CN2
CN3
CN43
・
・
・
FDR DO0
FDR DO1
FDR DO2
FDR DI0
J1072
POWER CIRCUIT
See Page 2
J0049
QF41,XT41
J1074
I/O B
J0103
CN43R
J1076
POWER CIRCUIT
See Page 2
J1078
QF42,XT41
J0050
DI/DO R
CN35
See Page 15
CONTROL BOX -3-
CN39
J1451
J1452
J1453
J1485
J1401
FDR FAN
FDR FAN
FAN2
FAN1
FDR CTRL BOARD ASSY P134
FDR DO0
FDR DO1
FDR DO2
・Bulk cassette feeders
・Multi-stick feeders
・High-speed stick feeders
・High-speed stack stick feeders
・QFP recovery conveyor
FDR DI0
・
・
・
J0298
CN42
CN38
CN37
DIP SW(S1)
OFF
ON
CN1
CN2
CN3
CN43
・
・
・
CN43L
DI/DO L
CN35
CN39
J1351
J1352
J1353
J1385
J1301
FDR CTRL BOARD ASSY P133
FIX70 REAR FEEDER
R2 FDR EMG
FDR EMG FDR EMG
R1 FDR EMG
J1102
J1202
J1302
J1402
・SS feeders・SS feeders
J0107
J0105
See Page 8
・ZS feeders・ZS feeders
・ZS feeders ・ZS feeders
J1071
I/O B
I/O B
J1073
I/O B
J0106
I/O
I/O B
J1075
I/O C
I/O C
J1077
I/O C
J0108
I/O C
I/O
R2 FDR PWR
R1 FDR PWR
F2 FDR PWR
F1 FDR PWR
FDR FAN F2-1
FDR FAN F2-2
FAN53
FAN54
FDR FAN R2-2
FDR FAN R2-1
FAN58
FAN59
FAN1
FAN2
FDR FAN
FDR FAN
FDR FAN F1-2
FDR FAN F1-1
FAN51
FAN52
FDR FAN
FDR FAN FAN1
FAN2
FDR FAN R1-2
FDR FAN R1-1
FAN56
FAN57
N0111104
N0111105
N0110B04
N0110B05
N0108B05
N0108B04
N0109105
N0109104
CN38L
CN37L
CN38R
CN37R
CN37L
CN38L
CN37R
CN38R
CC.V2
23
FIX70 FEEDER STRUCTURE(SSF)
YSM20-2

Confidential & Proprietary
PAGE
・SS feeders ・Bulk cassette feeders
・Multi-stick feeders
・High-speed stick feeders
・High-speed stack stick feeders
・QFP recovery conveyor
FDR DO0
FDR DO1
FDR DI0
FDR DO2
CUNET F2DIP SW(S1)
OFF
ON
FDR CTRL BOARD ASSY P132
CN38
CN38 CUNET
・
CN1
CN2
CN3
・
・
CN32
CN43
CN43
CN39
J1053
I/O
J0106
PWR F2PWR
CN37
CN42
CN42
CN37
J1054
QF41,XT41
CN3
CN6
I/O CONVEYOR -1-
POWER CIRCUIT
See Page 2
J0351
J0302
J0049
CN35
I/O CONVEYOR -4-J0253
QF41,XT41
CN3
CN6
I/O CONVEYOR -1-
POWER CIRCUIT
See Page 2
J0351
J0302
J0049
CN35
I/O CONVEYOR -4-J0253
I/O B
J0103
J0105
・SS feeders ・Bulk cassette feeders
・Multi-stick feeders
・High-speed stick feeders
・High-speed stack stick feeders
・QFP recovery conveyor
FDR DO0
FDR DO1
FDR DI0
FDR DO2
CUNET F2DIP SW(S1)
OFF
ON
FDR CTRL BOARD ASSY P132
CN38
CN38 CUNET
・
CN1
CN2
CN3
・
・
CN32
CN43
CN43
CN39
J1053
I/O
J0106
・SS feeders ・Bulk cassette feeders
・Multi-stick feeders
・High-speed stick feeders
・High-speed stack stick feeders
・QFP recovery conveyor
FDR DO0
FDR DO1
FDR DI0
FDR DO2
DIP SW(S1)
OFF
ON
CN38
CN38 CUNET
・
CN1
CN2
CN3
・
・
CN32
CN43
CN43
CN39
FDR CTRL BOARD ASSY P131
PWR F2PWR
CN37
CN42
CN42
CN37
J1054
QF41,XT41
CN3
CN6
I/O CONVEYOR -1-
POWER CIRCUIT
See Page 2
J0351
J0302
J0049
PWR
CN37
CN42
CN42
CN37
QF41,XT41
CN3
CN6
I/O CONVEYOR -1-
POWER CIRCUIT
See Page 2
J0351
J0302
J0049
CN35
I/O CONVEYOR -4-J0253
CN35
I/O CONVEYOR -4-J0253
I/O B
CONTROL BOX -3-J0103CUNET F1
PWR F1
J1051
J1052
J0105
J1222
J1221
J1221
J1222
J1121
J1122
・
・
・
J1251
J1252
J1253
J1282
J1223
・
・
・
J1223
J1251
J1252
J1253
J1282
・
・
・
J1151
J1152
J1153
J1182
J1123
CONTROL BOX -3-
See Page 8
See Page 8
See Page 15
See Page 12 See Page 12
See Page 15
See Page 12
See Page 15See Page 15
See Page 12
F1:FES32 FEEDER / F2:FES32 FEEDER
F1:ATS(OPTION) / F2:FES32 FEEDER
RS232CJ1135 RS232CJ1235
RS232CJ1235
・ZS feeders
・ZS feeders・ZS feeders
F1 FDR PWR
F1 FES DO
F1 FES DI
F1 FDR EMG
I/O B
I/O B
I/O B
F2 FDR EMG
F2 FES DI
F2 FES DO
F2 FDR PWR
I/O B
F2 FDR EMG
F2 FES DI
F2 FES DO
F2 FDR PWR
INTERCONNECTION DIAGRAM
RS232C RS232C
FDR FAN
FDR FAN
FAN1
FAN2
FDR FAN F1-1
FDR FAN F1-2
FAN51
FAN52
FDR FAN
FDR FAN
FAN1
FAN2
FDR FAN F2-1
FDR FAN F2-2
FAN53
FAN54
FDR FAN
FDR FAN
FAN1
FAN2
FDR FAN F2-1
FDR FAN F2-2
FAN53
FAN54
RS232C
N0108B05
N0108B04
N0109105
N0109104
N0109105
N0109104
I/O B
I/O B
F1 FDR EMG
F1 FES DI
F1 FES DO
F1 FDR PWR
CUNET
PWRPWR
CUNET F1
PWR F1
J1051
J1052
I/O
I/O
EMG
FES DI
FES DO
FDR PWR
See cATS10(KLX)
FRONT-1 FES32 FEEDER FRONT-2 FES32 FEEDER
FRONT-2 FES32 FEEDER
FRONT-1 cATS10
INTERCONNECTION DIAGRAM
I/O
I/O
EMG
FES DI
FES DO
FDR PWR
See sATS30(KMA)
FRONT-1 sATS30
CC.V2
24
FRONT FES32 FEEDER(SSF)/ATS
YSM20-2

Confidential & Proprietary
PAGE
CN3
J0302
J0351
CN6
QF42,XT41
J0050
J1058
J0108
J1057
CN42
CN37
CN42
CN37
CN32
・
・
・
CN3
CN2
CN1
CN38
DIP SW(S1)
OFF
ON
CN43
CN43
FDR DO0
FDR DO1
FDR DI0
FDR DO2
・
・
・
PWR R2 PWR
CUNET R2 CUNET
CN39
I/O CONVEYOR -1-
POWER CIRCUIT
See Page 2
J0253
CN35
I/O CONVEYOR -4-
J0050
J0302
J0351
J0253
CONTROL BOX -3-
I/O C
CN3
CN6
QF42,XT41
CN35
I/O CONVEYOR -1-
POWER CIRCUIT
See Page 2
I/O CONVEYOR -4-
J0104
J0107
J1421
J1422
J1423
J1451
J1452
J1453
J1482
FDR CTRL BOARD ASSY P134
CN3
J0302
J0351
CN6
QF42,XT41
J0050
J1058
J0108
J1057
CN42
CN37
CN42
CN37
CN32
・
・
・
CN3
CN2
CN1
CN38
DIP SW(S1)
OFF
ON
CN43
CN43
FDR DO0
FDR DO1
FDR DI0
FDR DO2
・
・
・
PWR R2 PWR
CUNET R2 CUNET
CN39
I/O CONVEYOR -1-
POWER CIRCUIT
See Page 2
J1421
J1422
J1423
J1451
J1452
J1453
J1482
FDR CTRL BOARD ASSY P134
J0107
J1055
J1056
J0050
J0302
J0351
J0253
CONTROL BOX -3-
I/O C
CN3
CN6
QF42,XT41
CN35
I/O CONVEYOR -1-
POWER CIRCUIT
See Page 2
I/O CONVEYOR -4-
J0104 CUNET R1
PWR R1
CN42
CN37
CN42
CN37
CN32
・
・
・
CN3
CN2
CN1
CN38
DIP SW(S1)
OFF
ON
CN43
CN43
FDR DO0
FDR DO1
FDR DI0
FDR DO2
・
・
・
PWR
CUNET
CN39
FDR CTRL BOARD ASSY P133
J1321
J1322
J1323
J1351
J1352
J1353
J1382
・Multi-stick feeders
・Bulk cassette feeders
・High-speed stick feeders
・QFP recovery conveyor
・High-speed stack stick feeders
・SS feeders
・Multi-stick feeders
・Bulk cassette feeders
・High-speed stick feeders
・QFP recovery conveyor
・High-speed stack stick feeders
・SS feeders
・Multi-stick feeders
・Bulk cassette feeders
・High-speed stick feeders
・QFP recovery conveyor
・High-speed stack stick feeders
・SS feeders
See Page 12
See Page 15
See Page 8
See Page 8
See Page 15
See Page 12See Page 12
See Page 15
See Page 12
R1:FES32 FEEDER / R2:FES32 FEEDER
R1:ATS(OPTION) / R2:FES32 FEEDER
CN38 CN38
RS232C
RS232C
J1435
RS232C
RS232C
J1335RS232C
RS232C
J1435
・ZS feeders
・ZS feeders ・ZS feeders
FAN2
FAN1
FDR FAN
FDR FAN
FDR FAN R1-2
FDR FAN R1-1
FAN56
FAN57
FAN2
FAN1
FDR FAN
FDR FAN
FDR FAN R2-2
FDR FAN R2-1
FAN58
FAN59
FAN2
FAN1
FDR FAN
FDR FAN
FDR FAN R2-2
FDR FAN R2-1
FAN58
FAN59
INTERCONNECTION DIAGRAM
I/O
I/O
R2 FES DI
R2 FES DO
R2 FES DI
R2 FES DO R1 FES DO
R1 FES DI
R2 FDR PWR
R2 FDR EMG
R2 FDR PWR R1 FDR PWR
R1 FDR EMG
I/O C
I/O C
I/O C
I/O C
J0253
CN35
I/O CONVEYOR -4-
See Page 15
R2 FDR EMG
N0111104
N0111105
N0110B04
N0110B05
N0111104
N0111105
J1055
J1056
CUNET R1 CUNET
PWR R1 PWR
I/O
I/O
EMG
FES DI
FES DO
FDR PWRR1 FDR PWR
R1 FES DO
R1 FES DI
R1 FDR EMG
I/O C
I/O C
REAR-2 FES32 FEEDER REAR-1 FES32 FEEDER
REAR-2 FES32 FEEDER
See cATS10(KLX)
INTERCONNECTION DIAGRAM
I/O
I/O
EMG
FES DI
FES DO
FDR PWR
See sATS30(KMA)
REAR-1 sATS30
REAR-1 cATS10
CC.V2
25
REAR FES32 FEEDER(SSF)/ATS
YSM20-2