YSM20_je.pdf - 第6页
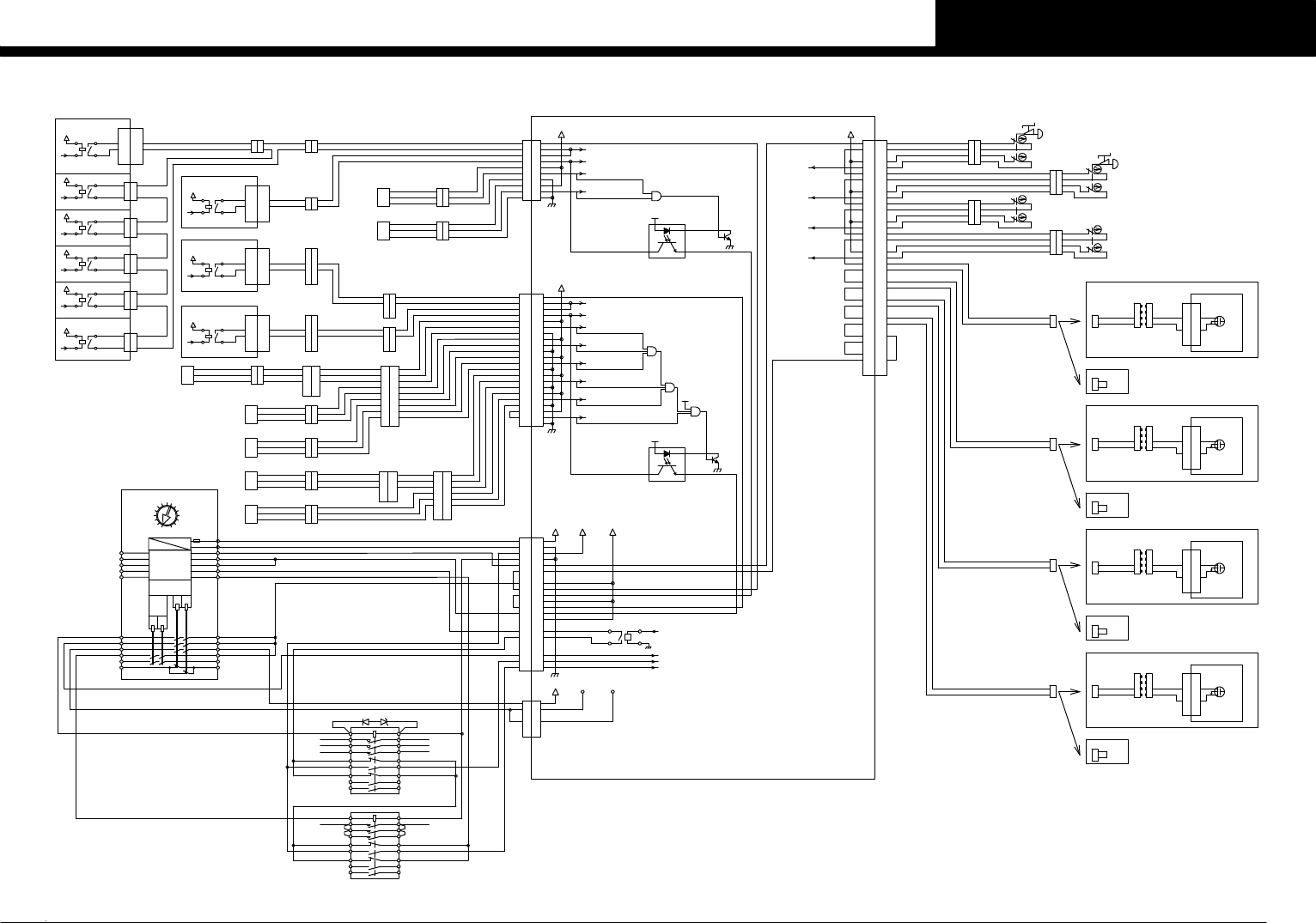
Confidential & P roprietary P A G E ENCODER 1 AXIS ENCODER 2 AXIS SERVO 3 ENCODER 1 AXIS ENCODER 2 AXIS SER ENC3 : - SER ENC4 : - SERVO 2 ENCODER 1 AXIS ENCODER 2 AXIS SER ENC3 : - SER ENC4 : - SERVO 1 INC ENC3 : UA …

Confidential & Proprietary
PAGE
A1
B1
A3
B3
A4
B4
・
A6
B6
A7
B7
・
A9
B9
A10
B10
・
A12
B12
A13
・
A1
B1
A3
B3
A4
B4
・
A6
B6
A7
B7
・
A9
B9
A10
B10
・
A12
B12
A13
・
CN35 CN35
+24V-33
B13 B13
・ ・
A16 A16
B16 B16
・ ・
A19 A19
B19 B19
・ ・
A22 A22
B22 B22
A25 A25
・ ・
・ ・
B25 B25
A28 A28
B28 B28
・ ・
B30 B30
I/O CONVEYOR BOARD ASSY P021
1 1
HA EMG
F EMG SW
R EMG SW
R COVER SW
F COVER SW
+5V
Q2
+5V
PC2
+24V-30
CN31
B10
A10
B11
A11
B7
A7
B9
A9
B8
A8
A6
B5
B6
B4
A4
A5
B3
A3
B2
A2
B1
A1
CN31
A10
B10
B11
A11
A7
B7
B9
A9
B8
A8
A6
B5
B6
B4
A4
A5
B3
A3
B2
A2
B1
A1
HEAD A GOOD/N0100535
HEAD B GOOD/N0100536
XA OT1/N0100543
XA OT2/N0100544
Y SAFE/N0100545
XB OT1/N0100546
XB OT2/N0100547
SPARE /N0100550
N01004F2
N01004F3
N01004F4
N01004F5
GOOD
A1
B1
A2
B2
・
B10
A1
B1
A2
B2
・
B10
REMOTE IF BOARD
RAS IF RAS
1
2
3
GOOD
1
2
3
1
2
3
GOOD
1
2
3
SRV1 GOOD
1
2
3
GOOD
1
2
3
SRV2 GOOD
D.POWER BOARD
SERVO BOARD 2
SERVO BOARD 1
DPOW GOODGOOD
GOOD
GOOD
1
2
3
GOOD
1
2
3
GOOD SRV3 GOOD
SERVO BOARD 3
Q1
+5V
PC1
CN33
+24V-32
CN33
1
10
9
8
7
6
5
4
3
2
1
10
9
8
7
6
5
4
3
2
1
2
3
GOOD
1
2
3
GOOD SRV4 GOOD
SERVO BOARD 4
1
2
1
2
IF GOOD
C/R GOOD/N0100533
CV C/R GOOD/N0100534
Y OT1/N0100541
Y OT2/N0100542
GOOD
A1 A1
B1
A2
B2
A3
B3B3
A3
B2
A2
B1
CVP CN2CN2
P091
CV C/R POW BOARD ASSY
GOOD
A1 A1
B1
A2
B2
A3
B3B3
A3
B2
A2
B1
CN2 HP CN2
HEAD A POW BOARD ASSY
P032
1
2
1
2
CV EMG
1
2
3
4
1
2
3
4
5
6 6
5
H POW/EMG
1
2
1
2
C/R GOOD
1
2
3
4
1
2
3
4
1
2
3
4
1
2
3
4
F EMG SW
1
2
3
4
1
2
3
4
F COVER
1
2
3
4
1
2
3
4
R COVER
FRONT COVER SW
FRONT EMG SW
R EMG SW
REAR EMG SW
REAR COVER SW
SB31
SB32
SQ101
SQ102
CONTROL BOX A01
1
2
3
1
2
3 3
Y OT2
2
1
Y OT1
3
2
1
A14A14
・ ・
A16 A16
B16
A17
B17
B16
A17
B17
+24V-38+24V-37
CN38
A8
B7
A7
B6
A6
B5
A5
・
B3
A3
B2
A2
B1
A1
+24V-36
CN38
A8
B7
A7
B6
A6
B5
A5
・
B3
A3
B2
A2
B1
A1
B13
・
B13
・
SERVO ON/N0100530
KM11 ON /N0100531
KM12 ON /N0100532
KM10 13 +24V
KM10 23 +24V
KM10 33 +24V
KM10 43 +24V
KM10 34 +24E
KM10 14 +24B
KM10 24 SRVON
KM10 A1 +24V
KM10 A2 0V
KM10T11 SAFE0
KM10T12 SAFE1
KM10T23 SAFE1
KM10 T31 FB0
KM10 T32 FB3
+24E-2 IN+24E-1 IN
・・
66
1212
+24V-13
・・
CN14
1
2
CN14
1
2
21 22
73 74
83 84
53 54
A1 A2
1/L1
3/L2
5/L3
2/T1
4/T2
6/T3
61 62
KM11/KM11A
21 22
73 74
83 84
53 54
A1 A2
1/L1
3/L2
5/L3
2/T1
4/T2
6/T3
61 62
KM12/KM12A
+48V +48VA
KM11 A1 +24B KM11 A2 0V
KM11 54 KMON
KM12 54 KMONKM12 53 +24V
KM11 53 +24V
KM12 22 FB3
KM12 62 FB3
KM12 21 FB2
KM12 61 FB2
KM11 22 FB2
KM11 62 FB2
KM11 21 FB1
KM11 61 FB1
KM12 A2 0V
U52
V52
W52
U54
V54
W54
S11
KM12 A1 +24C
Y OT1
SQ021
Y OT2
SQ022
KM10 44 +24C
※ATS SPEC.
RL1
READY OUT/T01000E1
FIX70 REAR-1 FEEDER
FDR EMG
FIX70 REAR-2 FEEDER
FDR EMG
FES32
REAR-2 FEEDER HOLDER
EMG
1
2 9
8
・
1
9
8
・
1
CUNET
12
・
1
10
11
・
18
1
2
R2 FDR EMG
CUNET R2
1
2
1
2
Control
Circuit
13
23
33
43
53
61
14
24
34
44
54
Off
Delay
Timer
K1K2
K3K4
62
*OFF-delay time setting switch
Set time 0.5sec
DC
LOGIC
AC
A1
A2
T11
T12
KM10
B
PE
A
T21
T22
T23
T31
T32
1
2
3
4
5
6
7
FET
FDR CTRL BOARD ASSY
12
・
1
10
11
・
18
P134
FIX70 FRONT-1 FEEDER
FDR EMG
1
2
F1 FDR EMG EMG
1
2 9
8
・
1
9
8
・
1
CUNETCUNET F1
12
・
1
10
11
・
18
FRONT-1 FEEDER HOLDER
FES32 or ATS
FIX70 FRONT-2 FEEDER
FDR EMG
FRONT-2 FEEDER HOLDER
FES32
1
2
F2 FDR EMG EMG
1
2 9
8
・
1
9
8
・
1
CUNET
12
・
1
10
11
・
18
CUNET F2
1
2
R1 FDR EMG
REAR-1 FEEDER HOLDER
EMG
1
2 9
8
・
1
9
8
・
1
CUNETCUNET F1
12
・
1
10
11
・
18
FES32 or ATS
1
2
1
2
FET
FDR CTRL BOARD ASSY
12
・
1
10
11
・
18
FET
FDR CTRL BOARD ASSY
12
・
1
10
11
・
18
FET
FDR CTRL BOARD ASSY
12
・
1
10
11
・
18
P131
P132
P133
2 2
3 3
4 4
HB EMG
A1 A1
B1
A2
B2B2
A2
B1
CN2 HP CN2
HEAD B POW BOARD ASSY
GOOD
A3
B3B3
A3
2
3
4
5
6
7
8
9
10
1
2
3
4
5
6
7
8
9
10
1
HA SEN
1
2
1
2
33
XA OT1
2
3
1
2
3
1
SEN/FAN
・ ・
12 12
1
2
1
2
33
XA OT2
1
2
1
2
33
Y SAFE
1
2
3
4
1
2
3
4
5
6 6
5
H POW/EMG
P052
2
3
4
5
6
1
2
3
4
5
6
1
・ ・
1010
HB SEN
2
3
1
2
3
1
SEN/FAN
・ ・
12 12
1
2
1
2
33
XB OT1
Y SAFE
SQ027
XA OT2
SQ024
XB OT1
SQ025
XA OT1
SQ023
2 2
33
1 1
XB OT2XB OT2
SQ026
1
2
3
4
1
2
3
4
CN38
CN38
CN38
CN38
CC.V2
3
EMERGENCY CIRCUIT
YSM20-2

Confidential & Proprietary
PAGE
ENCODER1 AXIS
ENCODER2 AXIS
SERVO 3
ENCODER1 AXIS
ENCODER2 AXIS
SER ENC3 : -
SER ENC4 : -
SERVO 2
ENCODER1 AXIS
ENCODER2 AXIS
SER ENC3 : -
SER ENC4 : -
SERVO 1
INC ENC3 : UA
INC ENC4 : PUA
INC ENC1 : YA1
INC ENC2 : YA2
SER ENC1 : -
SER ENC2 : -
INC ENC1 : YB1
INC ENC2 : YB2
SER ENC1 : -
SER ENC2 : -
INC ENC3 : UB
INC ENC4 : PUB
INC ENC1 : -
SER ENC1 : XA
INC ENC3 : -
SER ENC3 : XB
INC ENC2 : SCA
SER ENC2 : -
SER ENC4 : -
INC ENC4 : SCB
J0121
J0122
FLEXIBLE
DUCT YA
FLEXIBLE
DUCT YB
J0155
J0156
J0157
J0158
J0123
J0124
J0125
J0126
J0128
J0129
J0130
J0131
J0162
J0163
J0160
J0161
SRV2 ENC2
SRV2 ENC1
C/R FAN
J0051C/R DC24V
ENCODER2
M2
M3
INC ENC3 : AZA
INC ENC4 : AZB
SER ENC4 : -
SER ENC3 : -
ENCODER2 AXIS
J0252
POWER CIRCUIT
CN33
J0261
C/R GOOD
DPOW GOOD
SRV4 GOOD
SRV3 GOOD
SRV2 GOOD
SRV1 GOOD
FRONT ATS(OPTION)
CONVEYOR I/O -4-
J0321
J0321
CONVEYOR I/O -4-
CONVEYOR I/O -4-
POWER CIRCUIT
CONTROL BOX ASSY A01
J0116
J0115
J0114
J0113
J0202
J0201
J0222
J0221
J0015AC230V
AC IN
ECAT OUT
ECAT IN
J0193
J0192
J0191
J0153
J0152
PUBP
UBP
BRAKE
M2
M3
M0
M1
M2
M3
M0
M1
ECAT OUT
ECAT IN
ECAT IN
ECAT OUT
ECAT OUT
ECAT IN
SRV2 BK
S2 BK+24V
CN39
SRV3 TRG1
TRG1
SRV3 TRG2
ENCODER1
SRV3 ENC2
SRV3 ENC1
TRG2
GOOD
TRG1
CN39
S1 BK+24V
SRV1 BK
BRAKE
M2
M3
J0151M0
M1
M2
M3
M0
M1
ENCODER2
J0111SRV1 ENC1
J0112SRV1 ENC2
ENCODER1
TRG2
TRG1
GOOD
M2
M2
M3
M3
M0
M0
M1
M1
ENCODER2
BRAKE
TRG2
GOOD
ENCODER2
ENCODER1
TRG2
TRG1
GOOD
SERVO 4
BRAKE
CN39
S4 BK+24V
J0321 CONVEYOR I/O -4-
AZBM
AZABK
AZBBK
AZAM
AZAP
See ATS
INTERCONNECTION DIAGRAM
REAR ATS(OPTION)
See ATS
INTERCONNECTION DIAGRAM
AZBP
AZAP
AZBP
SCBP
SCBM
HEAD B
HEAD A
SCAP
SCAM
M03
M04
M06
M05
M01
M02
J0211C/R FAN
□54 MAX 4500rpm
UB-AXIS 200W
□54 MAX 4500rpm
PUB-AXIS 200W
M08
M10
□54 MAX 4500rpm
UA-AXIS 200W
□54 MAX 4500rpm
PUA-AXIS 200W
M07
M09
XB-AXIS 1000W
XA-AXIS 1000W
M2
M3
J0802
J0803
See Page 2
See Page 2
See Page 15
See Page 15
See Page 15
CONTROL BOX -3-
See Page 8
CONTROL BOX -2-
See Page 7
See Page 15
See Page 20
See Page 19
SYS LAN2
J0807
J0801
J0811
SRV4 ENC2
SRV4 BK
SRV1 ECAT IN
E01
E02
E03
E04
E05
E06
E07
E08
E09
E10
E11
E12
E13
E14
J0815
□86 MAX 4000rpm
□86 MAX 4000rpm
CONVERTER
FAN PWR
FAN
EMG
C/R FAN
UAP
UAM
PUABK
PUAM
PUAP
UBP
UBM
PUBP
PUBM
PUBBK
SCAP
SCAM
YA1P
YA1M
YA2M
YA2P
XBP
XBM
SCBP
SCBM
YB1P
YB1M
YB2P
YB2M
XAP
XAM
XBP
XBM
Y1P
Y1M
Y2P
Y2M
XAP
XAM
Y1P
Y1M
Y2P
Y2M
MAX 2.4m/s
MAX 2.4m/s
MAX 2.4m/s
MAX 2.4m/s
YB1-AXIS 1356W
YB2-AXIS 1356W
YA1-AXIS 1356W
YA2-AXIS 1356W
※ATS SPEC.
VIS2 TRG1
VIS1 TRG1
KM11
QF43
XT41
C/R BOX FAN SET
CC.V2
4
CONTROL BOX(DS)-1-
YSM20-2

Confidential & Proprietary
PAGE
ENCODER1 AXIS
ENCODER2 AXIS
SERVO 3
ENCODER1 AXIS
ENCODER2 AXIS
SER ENC3 : -
SER ENC4 : -
SERVO 2
ENCODER1 AXIS
ENCODER2 AXIS
SER ENC3 : -
SER ENC4 : -
SERVO 1
INC ENC1 : YA1
INC ENC2 : YA2
SER ENC1 : -
SER ENC2 : -
INC ENC1 : YB1
INC ENC2 : YB2
SER ENC1 : -
SER ENC2 : -
INC ENC4 : PUB
INC ENC1 : -
SER ENC1 : XA
INC ENC3 : -
SER ENC3 : XB
INC ENC2 : SCA
SER ENC2 : -
SER ENC4 : -
INC ENC4 : SCB
J0121
J0122
FLEXIBLE
DUCT YA
FLEXIBLE
DUCT YB
J0155
J0156
J0157
J0158
J0123
J0124
J0125
J0126
J0128
J0129
J0130
J0131
J0162
J0163
J0160
J0161
SRV2 ENC2
SRV2 ENC1
C/R FAN
J0051C/R DC24V
ENCODER2
M2
M3
INC ENC3 : AZA
INC ENC4 : AZB
SER ENC4 : -
SER ENC3 : -
ENCODER2 AXIS
J0252
POWER CIRCUIT
CN33
J0261
C/R GOOD
DPOW GOOD
SRV4 GOOD
SRV3 GOOD
SRV2 GOOD
SRV1 GOOD
FRONT ATS(OPTION)
CONVEYOR I/O -4-
J0321
J0321
CONVEYOR I/O -4-
CONVEYOR I/O -4-
POWER CIRCUIT
CONTROL BOX ASSY A01
J0116
J0115
J0114
J0113
J0202
J0201
J0222
J0221
J0015AC230V
AC IN
ECAT OUT
ECAT IN
J0193
J0192
J0191
J0153
J0152
PUBP
UBP
BRAKE
M2
M3
M0
M1
M2
M3
M0
M1
ECAT OUT
ECAT IN
ECAT IN
ECAT OUT
ECAT OUT
ECAT IN
SRV2 BK
S2 BK+24V
CN39
SRV3 TRG1
TRG1
SRV3 TRG2
ENCODER1
SRV3 ENC2
SRV3 ENC1
TRG2
GOOD
TRG1
CN39
S1 BK+24V
SRV1 BK
BRAKE
M2
M3
J0151M0
M1
M2
M3
M0
M1
ENCODER2
J0111SRV1 ENC1
J0112SRV1 ENC2
ENCODER1
TRG2
TRG1
GOOD
M2
M2
M3
M3
M0
M0
M1
M1
ENCODER2
BRAKE
TRG2
GOOD
ENCODER2
ENCODER1
TRG2
TRG1
GOOD
SERVO 4
BRAKE
AZBM
AZABK
AZBBK
AZAM
AZAP
See ATS
INTERCONNECTION DIAGRAM
REAR ATS(OPTION)
See ATS
INTERCONNECTION DIAGRAM
AZBP
SRV4 BK
HEAD B
HEAD A
M03
M04
M06
M05
M01
M02
J0211C/R FAN
□54 MAX 4500rpm
PUB-AXIS 200W
M08
XB-AXIS 1000W
XA-AXIS 1000W
M2
M3
See Page 19
See Page 20
See Page 15
See Page 15
See Page 15
See Page 2
See Page 2
CONTROL BOX -3-
See Page 8
See Page 7
CONTROL BOX -2-
SYS LAN2
See Page 15
J0807
J0802
J0803
J0801
J0811
AZBP
AZAP
SRV4 ENC2
CONVEYOR I/O -4-J0321
S4 BK+24V
CN39
SRV1 ECAT IN
E01
E02
E03
E04
E05
E06
E07
E08
E09
E10
E11
E12
E13
E14
J0815
INC ENC3 : -
INC ENC3 : -
INC ENC4 : -
□86 MAX 4000rpm
□86 MAX 4000rpm
CONVERTER
EMG
FAN PWR
FAN
C/R FAN
PUBP
PUBM
PUBBK
SCAP
SCAM
YA1P
YA1M
YA2M
YA2P
XBP
XBM
SCBP
SCBM
YB1P
YB1M
YB2P
YB2M
XAP
XAM
XBP
XBM
Y1P
Y1M
Y2P
Y2M
XAP
XAM
Y1P
Y1M
Y2P
Y2M
UBP
UBM
UAP
UAM
PUAP
PUAM
PUABK
MAX 2.4m/s
MAX 2.4m/s
MAX 2.4m/s
MAX 2.4m/s
YA2-AXIS 1356W
YA1-AXIS 1356W
YB2-AXIS 1356W
YB1-AXIS 1356W
※ATS SPEC.
VIS1 TRG1
VIS2 TRG1
KM11
QF43
XT41
SCBP
SCBM
SCAP
SCAM
C/R BOX FAN SET
CC.V2
5
CONTROL BOX(SL)-1-
YSM20-2