YSi-V(HS2)_cwd_je.pdf - 第13页
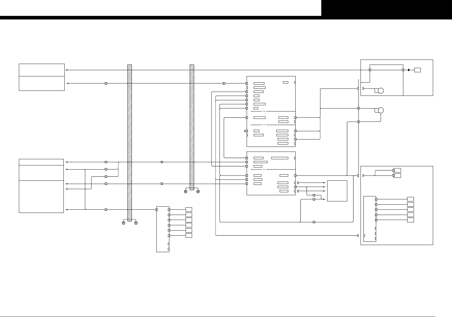
Confidential & Proprietary P A GE J0501 FLEXIBL E DUCT Y FLEXIBLE DUCT X J0086 J0087 VISION SYSTEM C/R J0307 See Page 9 J0314 HEAD HI CN8 HI CN7 HI CN6 J0312 CAM J0083 P051 P052 P053 INSP L.LIGHT BRD.ASSY INSP U.LIGH…

Confidential & Proprietary
PAGE
J0173
KM12
J0174
H+48VH+48V
L+24V L+24V
ECAT OUT
CN30
CN12
H EMG H EMG
POWER CIRCUIT
See Page 2
CN43
H+24V H+24V
FLEXIBLE
DUCT Y
CN1
HEAD SERVO UNIT ASSY
ETHER INCN8A
ETHER OUTCN8B
CN6 S-POWER
CN3 DI1
CN5 DI2
HS CN6
HS CN3
HS CN5
MOTOR 1 CN1MOTOR POW
MOTOR 2
CN1INC ENC 1
CN2INC ENC 2
CN3
CN4
BATTERYCN8
CN5
CN4
SER ENC1
SER ENC2
CN5 FAN
POW BOARD ASSY P041
HEAD A I/O UNIT ASSY
I/O BOARD ASSY P042
CN2 48V/24V/EMG
CN1 48V POW CN4
IC POWCN3
CAMERA SEL POW
CN3 24V-B
HP CN1
DO_OUT CN10
DI OUT
DO INCN2
CN1
HI CN2
HI CN1
HI CN3
HP CN2
HP CN3
HP CN1
CN7 DO
HS CN7
HS CN1
CN1 OPTION IF
VAC
HI CN10
SRV BOARD ASSY P061
DRV BOARD ASSY P062
ENC BOARD ASSY P063
HE2 CN5
FLEXIBLE
DUCT X
J0087
J0302
J0303
J0304
J0305
J0311
CN48
See Page 8
Y DI Y DI
J0086
J0176
J0521
J0062
J0055
J0182
J0052
J0057
J0064
L+24V L+24V
POW EMG POW EMG
J0056
J0063
J0186
1
2
3
4
IN
JUNCTION BOX
5
6
7
8
N.C.
N.C.
N01003E5
SQ001
SQ002
SQ003
SQ004
SQ005
SQ006
JCN9 IN
XT71
JCN1 X OT+ X-AXIS OVER TRAVEL+
JCN2 X OT-
JCN3 X ORG
JCN4 Y OT+
JCN5 Y OT-
JCN6 Y ORG
X-AXIS OVER TRAVEL-
X-AXIS ORIGIN
Y-AXIS ORIGIN
Y-AXIS OVER TRAVEL+
Y-AXIS OVER TRAVEL-
N0100380
N01003B7
N01003E1
N01003E7
N0100383
H LAN LAN LAN
CN7
CN6
CN83D_LIGHT
2D_LIGHT
OP_CAM
HI CN7
HI CN8
HI CN6
IN
M.VAL
YV021
PEN UP/DOWN
T1300701
YV022
PEN OPEN/CLOSE
T1300707
M.VAL
MARKER PEN MIDDLE
N1300002
N1300003
N1300004
N1300005
N1300006
MARKER PEN HIGH
MARKER PEN LOW
MARKER CAP OPEN
MARKER CAP CLOSE
SQ051
SQ052
SQ053
SQ054
SQ055
1
2
3
4
5
7
8
6
XT72
N.C.
N.C.
N.C.
HEAD CAMERA
MARKER PEN UNIT(OPTION)
R-AXIS 95W
□42 MAX 5000rpm
M07
R1PMRPM
ROT.LASER HEAD(OPTION)
SERVO C/R
See Page 8
See Page 5
See Page 6
I/O CONVEYOR -1-
I/O CONVEYOR -3-
CZPM
CZBK
I/O CONVEYOR -3-
LASER HEAD
J0301HD CN1
HE CN3
HE CN1
J0522 CURL CABLE
LASER UNIT(OPTION)
0TURN
E07
SQ050 LASER HEAD
J0309
JUNCTION BOX
JCN1 PEN HI
JCN2 PEN MD
JCN4 CAP OP
JCN5 CAP CL
JCN3 PEN LO
PANEL
CZPM
CZBK
CZ-AXIS 80W
□40 MAX 1500rpm
M06
JCN9 MARKER
CAM
ANGLE
3D
LIGHT
CAM
MK OP MK OP
DCIN DCIN
CAM
See Page 10
CC.V0
9
HEAD
YSi-V(HS2)

Confidential & Proprietary
PAGE
J0501
FLEXIBLE
DUCT Y
FLEXIBLE
DUCT X
J0086 J0087
VISION
SYSTEM C/R
J0307
See Page 9
J0314
HEAD
HI CN8
HI CN7
HI CN6
J0312
CAM
J0083
P051
P052
P053
INSP L.LIGHT BRD.ASSY
INSP U.LIGHT BRD. ASSY
INSP M.LIGHT BRD. ASSY
INSP LIGHT SET
H/U
M
L
H/U
M
L
ANGLE ANGLE J0308
CH1
CH2
CAM
CAMERA
PANEL
CN1 W
CN1 N
CN1 E
CN1 S
3D(OPTION)
3D W
3D N
3D E
3D S
TRG1
TRG2
TRG3
TRG4
A.CAM1
A.CAM2
A.CAM3
A.CAM4
ANGULAR CAMERA1
ANGULAR CAMERA2
ANGULAR CAMERA3
ANGULAR CAMERA4
J0505
J0506
J0507
J0508
ANGULAR CAMERA(OPTION)
A.CAM 1
A.CAM 2
A.CAM 3
A.CAM 4
See Page 4
J0321
CZ-AXIS
OPT1
OPT2
CC.V0
10
HEAD CAMERA
YSi-V(HS2)

Confidential & Proprietary
PAGE
TC11:The selection of POWER SOURCE 1.5KVA
230V
230V
240V
220V
208V
200V
190V
0V
240V
220V
208V
200V
190V
0V
240V
220V
208V
200V
190V
0V
240V
220V
208V
200V
190V
0V
240V
220V
208V
200V
190V
0V
240V
220V
208V
200V
190V
0V
230VW
V
U
230V
230V
230V
230V
230V
230V
230V
230V
230V
230V
240V
220V
208V
200V
190V
0V
240V
220V
208V
200V
190V
0V
240V
220V
208V
200V
190V
0V
240V
220V
208V
200V
190V
0V
240V
220V
208V
200V
190V
0V
240V
220V
208V
200V
190V
0V
230VW
V
U
240V
220V
208V
200V
190V
0V
240V
220V
208V
200V
190V
0V
240V
220V
208V
200V
190V
0V
240V
220V
208V
200V
190V
0V
240V
220V
208V
200V
190V
0V
240V
220V
208V
200V
190V
0V
230VW
V
U
240V
220V
208V
200V
190V
0V
240V
220V
208V
200V
190V
0V
240V
220V
208V
200V
190V
0V
240V
220V
208V
200V
190V
0V
240V
220V
208V
200V
190V
0V
240V
220V
208V
200V
190V
0V
230VW
V
U
240V
220V
208V
200V
190V
0V
240V
220V
208V
200V
190V
0V
240V
220V
208V
200V
190V
0V
240V
220V
208V
200V
190V
0V
240V
220V
208V
200V
190V
0V
240V
220V
208V
200V
190V
0V
230VW
V
U
240V
220V
208V
200V
190V
0V
240V
220V
208V
200V
190V
0V
240V
220V
208V
200V
190V
0V
240V
220V
208V
200V
190V
0V
240V
220V
208V
200V
190V
0V
240V
220V
208V
200V
190V
0V
230VW
V
U
220V
220V
240V
220V
208V
200V
190V
0V
240V
220V
208V
200V
190V
0V
240V
220V
208V
200V
190V
0V
240V
220V
208V
200V
190V
0V
240V
220V
208V
200V
190V
0V
240V
220V
208V
200V
190V
0V
230V
230V
230V
W
V
U
240V
0V
190V
200V
208V
220V
0V
100V
240V
0V
190V
200V
208V
220V
240V
0V
190V
200V
208V
220V
0V
100V
240V
0V
190V
200V
208V
220V
240V
0V
190V
200V
208V
220V
0V
100V
240V
0V
190V
200V
208V
220V
240V
0V
190V
200V
208V
220V
0V
100V
240V
0V
190V
200V
208V
220V
240V
0V
190V
200V
208V
220V
0V
100V
240V
0V
190V
200V
208V
220V
240V
0V
190V
200V
208V
220V
0V
100V
240V
0V
190V
200V
208V
220V
240V
0V
190V
200V
208V
220V
0V
100V
240V
0V
190V
200V
208V
220V
0V
0V
100V
100V
0V
0V
100V
100V
0V
0V
100V
100V
0V
0V
100V
100V
0V
0V
100V
100V
0V
0V
100V
100V
0V
0V
100V
100V
T2
T2
T2
T2
T2
T2
T2
S2
S2
S2
S2
S2
S2
S2
R2
R2
R2
R2
R2
R2
R2NNN
U10
V10
U10
V10
U10
V10
U10
V10
U10
V10
U10
V10
U10
V10
NN
416V400V380V240V220V208V200V
NN
416V400V380V240V220V208V200V
220V 220V
220V
220V
U50
V50
W50
U50
V50
W50
U50
V50
W50
220V
220V
220V
U50
V50
W50
220V
220V
220V
U50
V50
W50
220V
220V
220V
U50
V50
W50
220V
220V
220V
U50
V50
220V
220V
220V
W50
S2
R2
S2
R2
S2
R2
S2
R2
S2
R2
S2
R2
S2
R2
TM11:The selection of POWER SOURCE 1.7KVA
CC.V0
11
POWER TRANSFOMER
YSi-V(HS2)