YSi-V(HS2)_cwd_je.pdf - 第15页
Condential & Proprietary H024085 YSi-V(HS2) P AGE 12 Air circuit P AIR SOURCE AC20X-02C-A-X2294A SL4-01 ISE30A-C4L-B-MD USD8-6 UC4 UL10 UY8 UP8 UY8 UY4 US6 P R KM-10 SS4-M5A SC4-M5A MXH10-30-M9BL A B A B KM-10 TL6-0…

Confidential & Proprietary
PAGE
TC11:The selection of POWER SOURCE 1.5KVA
230V
230V
240V
220V
208V
200V
190V
0V
240V
220V
208V
200V
190V
0V
240V
220V
208V
200V
190V
0V
240V
220V
208V
200V
190V
0V
240V
220V
208V
200V
190V
0V
240V
220V
208V
200V
190V
0V
230VW
V
U
230V
230V
230V
230V
230V
230V
230V
230V
230V
230V
240V
220V
208V
200V
190V
0V
240V
220V
208V
200V
190V
0V
240V
220V
208V
200V
190V
0V
240V
220V
208V
200V
190V
0V
240V
220V
208V
200V
190V
0V
240V
220V
208V
200V
190V
0V
230VW
V
U
240V
220V
208V
200V
190V
0V
240V
220V
208V
200V
190V
0V
240V
220V
208V
200V
190V
0V
240V
220V
208V
200V
190V
0V
240V
220V
208V
200V
190V
0V
240V
220V
208V
200V
190V
0V
230VW
V
U
240V
220V
208V
200V
190V
0V
240V
220V
208V
200V
190V
0V
240V
220V
208V
200V
190V
0V
240V
220V
208V
200V
190V
0V
240V
220V
208V
200V
190V
0V
240V
220V
208V
200V
190V
0V
230VW
V
U
240V
220V
208V
200V
190V
0V
240V
220V
208V
200V
190V
0V
240V
220V
208V
200V
190V
0V
240V
220V
208V
200V
190V
0V
240V
220V
208V
200V
190V
0V
240V
220V
208V
200V
190V
0V
230VW
V
U
240V
220V
208V
200V
190V
0V
240V
220V
208V
200V
190V
0V
240V
220V
208V
200V
190V
0V
240V
220V
208V
200V
190V
0V
240V
220V
208V
200V
190V
0V
240V
220V
208V
200V
190V
0V
230VW
V
U
220V
220V
240V
220V
208V
200V
190V
0V
240V
220V
208V
200V
190V
0V
240V
220V
208V
200V
190V
0V
240V
220V
208V
200V
190V
0V
240V
220V
208V
200V
190V
0V
240V
220V
208V
200V
190V
0V
230V
230V
230V
W
V
U
240V
0V
190V
200V
208V
220V
0V
100V
240V
0V
190V
200V
208V
220V
240V
0V
190V
200V
208V
220V
0V
100V
240V
0V
190V
200V
208V
220V
240V
0V
190V
200V
208V
220V
0V
100V
240V
0V
190V
200V
208V
220V
240V
0V
190V
200V
208V
220V
0V
100V
240V
0V
190V
200V
208V
220V
240V
0V
190V
200V
208V
220V
0V
100V
240V
0V
190V
200V
208V
220V
240V
0V
190V
200V
208V
220V
0V
100V
240V
0V
190V
200V
208V
220V
240V
0V
190V
200V
208V
220V
0V
100V
240V
0V
190V
200V
208V
220V
0V
0V
100V
100V
0V
0V
100V
100V
0V
0V
100V
100V
0V
0V
100V
100V
0V
0V
100V
100V
0V
0V
100V
100V
0V
0V
100V
100V
T2
T2
T2
T2
T2
T2
T2
S2
S2
S2
S2
S2
S2
S2
R2
R2
R2
R2
R2
R2
R2NNN
U10
V10
U10
V10
U10
V10
U10
V10
U10
V10
U10
V10
U10
V10
NN
416V400V380V240V220V208V200V
NN
416V400V380V240V220V208V200V
220V 220V
220V
220V
U50
V50
W50
U50
V50
W50
U50
V50
W50
220V
220V
220V
U50
V50
W50
220V
220V
220V
U50
V50
W50
220V
220V
220V
U50
V50
W50
220V
220V
220V
U50
V50
220V
220V
220V
W50
S2
R2
S2
R2
S2
R2
S2
R2
S2
R2
S2
R2
S2
R2
TM11:The selection of POWER SOURCE 1.7KVA
CC.V0
11
POWER TRANSFOMER
YSi-V(HS2)

Condential & Proprietary
H024085
YSi-V(HS2)
PAGE
12
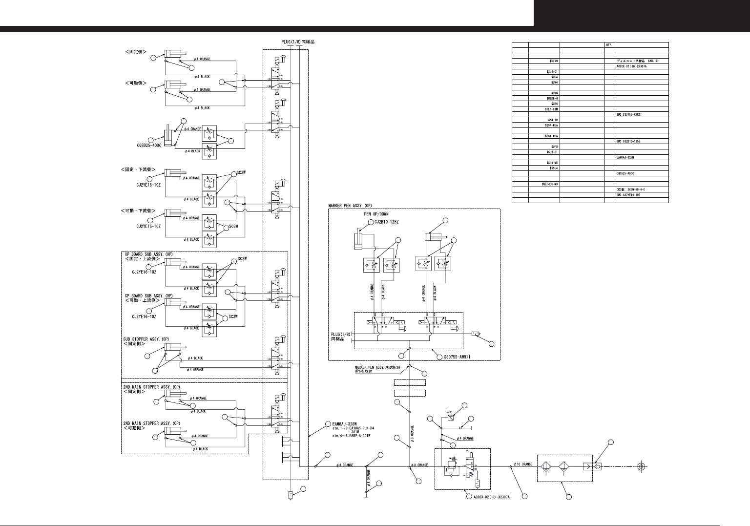
Air circuit
P
AIR SOURCE
AC20X-02C-A-X2294A
SL4-01
ISE30A-C4L-B-MD
USD8-6
UC4
UL10
UY8
UP8
UY8
UY4
US6
P
R
KM-10
SS4-M5A
SC4-M5A
MXH10-30-M9BL
A
B A
B
KM-10
TL6-01M
SL4-M5
SSU4
SL PUSH UP ASSY.
UEF4BU-M3
UEF4BU-M3
UY4
UEF4BU-M3
CDUJB10-10DM
-M9BMS
CDUJB10-10DM
-M9BMS
CDUJB10-10DM
-M9BLS
-M5-4-0
-M5-4-0
18
16
17
15
14
12
13
8
67
5
2
34
9
10
19
920
14
21
22
23
25
25
7
26
26
26
28
28
28
28
27
27
7
UY4
SL8-01
29
25
CDUJB10-10DM
-M9BMS
CDUJB10-10DM
-M9BLS
26
UEF4BU-M3
7
UY4
UY4
7
27
-M5-4-0
27
-M5-4-0
26
UEF4BU-M3
11
11
US6
X AXIS CABLE DUCT
Y AXIS CABLE DUCT
1
HI-COUPLER
SOCKET 30SH
CAP OPEN/CLOSE
MAIN STOPPER ASSY.
MAIN STOPPER ASSY.
CP BOARD SUB ASSY.
CP BOARD SUB ASSY.
24
29
NO. PARTS NO. PARTS NAME DESCRIPTION
1 90990-42J001 JOINT 1 IMGK-C03-008
2 KLT-M8501-010 AIR COMB. 1 AC20X-02C-A-X2294A
3
JOINT 1
4 KLC-M8505-001 REGULATOR COMB. 1
5 JOINT 1 .
6
JOINT 1 .
7
JOINT 9 .
8 KKX-M8596-A01 PRESSURE GAUGE 1 SMC ISE30A-C4L-B-MD
9
JOINT 2 .
10
JOINT 1 .
11
JOINT 2 .
12
JOINT 1 .
13 KLT-M5160-000 VALVE 1
14 MUFFLER 2 KOGANEI KM-10
15
SPEED CONTROLLER 2 .
16 KLT-M5165-000 CYLINDER 1 SMC:MXH10-30-M9BL
17
SPEED CONTROLLER 2 .
18 KLT-M5179-000 CYLINDER 1
19 JOINT 1 .
20
JOINT 1 .
21 KLT-M8582-000 VALVE 1
22 JOINT 2 .
23
SPEED CONTROLLER 2 .
24 KLT-M9215-000 CYLINDER 1
25 KLT-M9166-000 CYLINDER 3 SMC:CDUJB10-10DM-M9BMS
26
JOINT 10 .
27 KKE-M926S-A00SPEED CONTROLLER 8
28 KLT-M9263-000 CYLINDER 4
29 KLT-M9169-000 CYLINDER 2 SMC:CDUJB10-10DM-M9BLS
SINGLE LANE

Condential & Proprietary
H024085
YSi-V(HS2)
PAGE
13
Air circuit
P
AIR SOURCE
AC20X-02C-A-X2294A
SL4-01
ISE30A-C4L-B-MD
USD8-6
UC4
UL10
UY8
UY8
UY4
US6
P
R
KM-10
SS4-M5A
SC4-M5A
MXH10-30-M9BL
AB A B
KM-10
TL6-01M
TS4-M5
SSU4
DL PUSH UP ASSY.,1
UEF4BU-M3
UY4
CDUJB10-10DM
-M9BMS
-M5-4-0
-M5-4-0
18
16
17 15
14
12
13
8
6
7
5
2
3
4
9
10
920
14
21
24
22
25
30
7
26
30
28
28
28
28
27
27
7
UY4
SL8-01
29
30
CDUJB10-10DM
-M9BLS
26
UEF4BU-M3
7
UY4
UY4
7
27
-M5-4-0
27
-M5-4-0
11
11
US6
X AXIS CABLE DUCT
Y AXIS CABLE DUCT
1
HI-COUPLER
SOCKET 30SH
CAP OPEN/CLOSE
-M5-4-0
-M5-4-0
27
-M5-4-0
27
7
UY4
UY4
7
UEF4BU-M3
26
CDUJB10-10DM
-M9BLS
30
29
UY4
7
27
27
28
28
28
28
26
7
30
25
23
22
14
-M5-4-0
CDUJB10-10DM
-M9BMS
UY4
UEF4BU-M3
-M5-4
DL PUSH UP ASSY.,2
SSU4
TS4-M5
KM-10
20
SL8-01
MAIN STOPPER ASSY.
MAIN STOPPER ASSY.
MAIN STOPPER ASSY.
MAIN STOPPER ASSY.
SUB STOPPER ASSY.
CP BOARD SUB ASSY.
CP BOARD SUB ASSY.
CP BOARD SUB ASSY.
CP BOARD SUB ASSY.
CP BOARD SUB ASSY.
CP BOARD SUB ASSY.
CP BOARD SUB ASSY.
CP BOARD SUB ASSY.
SUB STOPPER ASSY.
21
-M5-4
-M5-4
-M5-4
31
31
31
-M5-4
31
30
31
-M5-4
31
24
23
NO. PARTS NO. PARTS NAME DESCRIPTION
1 90990-42J001 JOINT 1 IMGK-C03-008
2 KLT-M8501-010 AIR COMB. 1 AC20X-02C-A-X2294A
3
JOINT 1
4 KLC-M8505-001 REGULATOR COMB. 1
5 JOINT 1 .
6
JOINT 1 .
7
JOINT 17 .
8 KKX-M8596-A01 PRESSURE GAUGE 1 SMC ISE30A-C4L-B-MD
9
JOINT 2 .
10
JOINT 1 .
11
JOINT 2 .
12
JOINT 1 .
13 KLT-M5160-000 VALVE 1
14 MUFFLER 3 KOGANEI KM-10
15
SPEED CONTROLLER 2 .
16 KLT-M5165-000 CYLINDER 1 SMC:MXH10-30-M9BL
17
SPEED CONTROLLER 2 .
18 KLT-M5179-000 CYLINDER 1
19
20
JOINT 2 .
21 KLD-M8582-000 VALVE 2
22
JOINT 4 .
23
SPEED CONTROLLER 4 .
24 KLT-M9215-000 CYLINDER 2
25 KLT-M9166-000 CYLINDER 2 SMC:CDUJB10-10DM-M9BMS
26
JOINT 8 .
27 KKE-M926S-A00SPEED CONTROLLER 16
28 KLT-M9263-000 CYLINDER 8
29 KLT-M9169-000 CYLINDER 2 SMC:CDUJB10-10DM-M9BLS
30 KHY-M9166-000 CYLINDER 6
31 SPEED CONTROLLER 12
DUAL LANE