松下NPM-D3^D3A操作说明书.pdf - 第564页
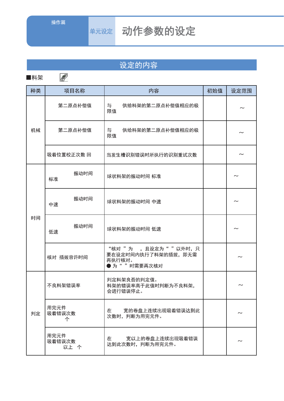
NPM- D3 EJM6DC-MB-07O-01 8 5 7 - 1 - 2 7-1-2 -9 4mm (-)[mm] 4mm (-) -1.0 -1.0 0.0 4mm (+)[mm] 4mm (+) 1.0 0.0 1 .0 [ ] 1 1 9 BowlFeeder ( )[ms] ( ) 250 0 30000 BowlFeeder ( )[ms] ( ) 500 0 30000 BowlFeeder ( )[ms] ( ) 10…

NPM-D3 EJM6DC-MB-07O-01
7
7-1-2
-8
2mm
(-)[mm]
2mm
(-)
-1.0
-1.0 0.0
2mm
(+)[mm]
2mm
(+)
1.0
0.0 1.0
(1/5)
(4/4)
OFF
[ms]
OFF OFF
0
0 10000
( )
0
0
100000
[ / ]( 1)
( 1)
0
0
0
100000
[ / ]( 2)
( 2)
0
0
0
100000
[mm]
0.5
0.0 1.5

NPM-D3 EJM6DC-MB-07O-01
8
5
7-1-2
7-1-2
-9
4mm
(-)[mm]
4mm
(-)
-1.0
-1.0 0.0
4mm
(+)[mm]
4mm
(+)
1.0
0.0 1.0
[ ]
1
1 9
BowlFeeder
( )[ms]
( )
250
0 30000
BowlFeeder
( )[ms]
( )
500
0 30000
BowlFeeder
( )[ms]
( )
1000
0 30000
2 [s]
2 ON 0
0
0
0 60
[%]
20
0.1 100
(8mm) [ ]
8 mm
15
3 30
(12mm ) [ ]
12 mm
3
3 30
(2/5)

NPM-D3 EJM6DC-MB-07O-01
9
7-1-2
-10
(F) [mm]
100
10.0
2000.0
(R) [mm]
100
10.0
2000.0
(8 mm) [ ]
100
1 500
(12 16 mm) [ ]
100
1 500
(24 32 mm) [ ]
100
1 500
(44 56 mm) [ ]
100
1 500
(72 mm) [ ]
100
1 500
(88 104 120 mm) [
]
100
1 500
(3/5)