松下NPM-D3^D3A操作说明书.pdf - 第677页
NPM- D3 EJM6DC-MB-09O-01 9-1-4 -2 2 (L) : 260 mm : 350mm ( ) 2 3 : 4 :0.3 mm 0.5 mm a 1.6 mm 0.3 mm c ( ) c ( ) ( ) 350 mm 350 mm 350mm < L 510mm

NPM-D3 EJM6DC-MB-09O-01
1
(mm)
L 50 W 50 L 460 W 590
L 50 W 50 L 460 W 300
L 50 W 50 L 510 W 590
L 50 W 50 L 510 W 300
(mm)
0.3 8.0
(kg)
1.5 ( )
(mm)
(mm)
a:50 ~ 590 b:44 ~ 584 c:3 d:50 ~ 460
a:50 ~ 300 b:44 ~ 294 c:3 d:50 ~ 460
a:50 ~ 590 b:44 ~ 584 c:3 d:50 ~ 510
a:50 ~ 300 b:44 ~ 294 c:3 d:50 ~ 510
(mm)
a b
c
d
c
Y
X
1) 2mm
:0.5
:0.5
9-1-4
-1
9-1-4
16 : 6.5
12 : 6.5
8 : 12
2 : 28
1)
*1
3
28
1)
3

NPM-D3 EJM6DC-MB-09O-01
9-1-4
-2
2
(L) : 260mm : 350mm
( ) 2
3 :
4 :0.3 mm
0.5 mm a 1.6 mm
0.3 mm c
( )
c
( )
( )
350 mm
350 mm
350mm < L 510mm

NPM-D3 EJM6DC-MB-09O-01
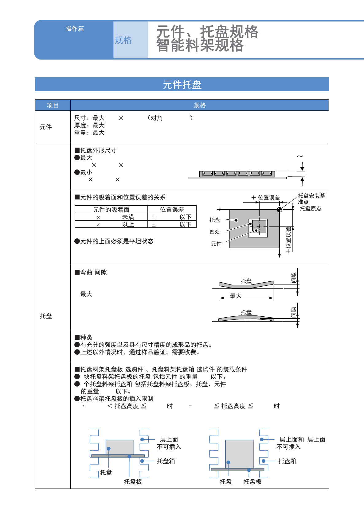
100 90 mm 134.5 mm
28 mm
30 g
L 230 W 335 H 33 mm
L 85 W 100 H 2 mm
( )
( ) ( )
1 ( ) :1 kg
1 ( )
:20 kg
11 mm 26 mm 26 mm 33 mm
2 33 mm
10 10 mm 1.0 mm
10 10 mm 1.5 mm
0.5 mm
1 1 2
Xw
Yw
( )
X
Y
. 335 mm
9-1-5
9-1-5
-1