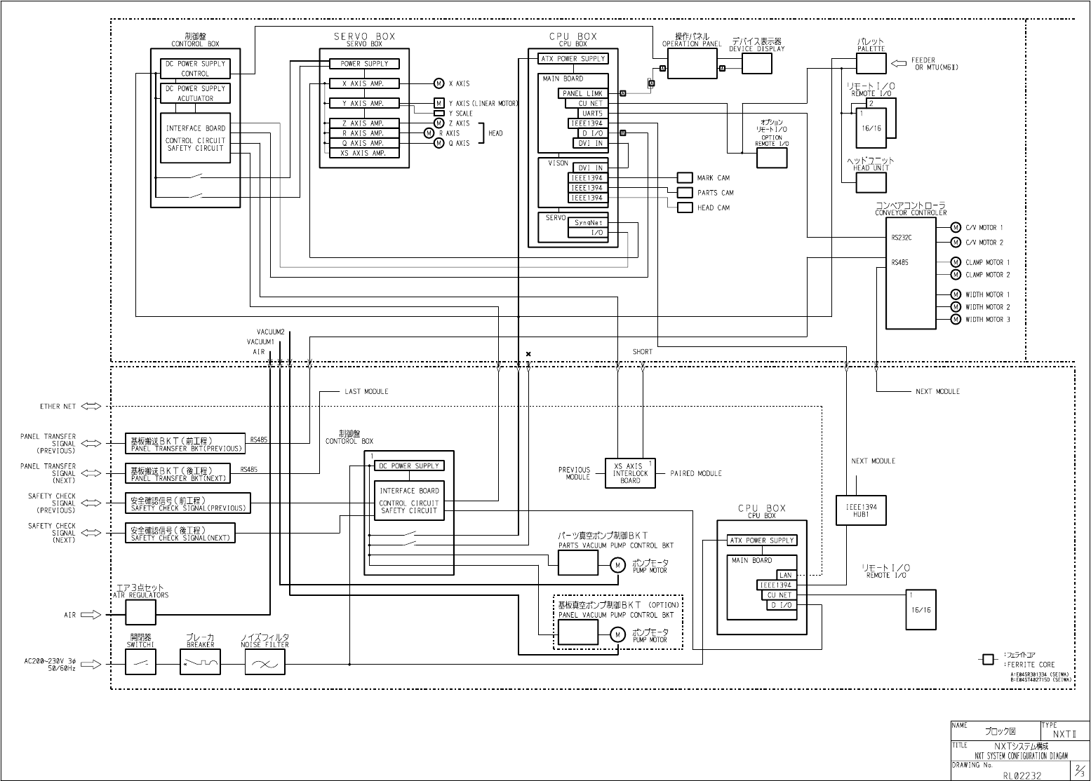
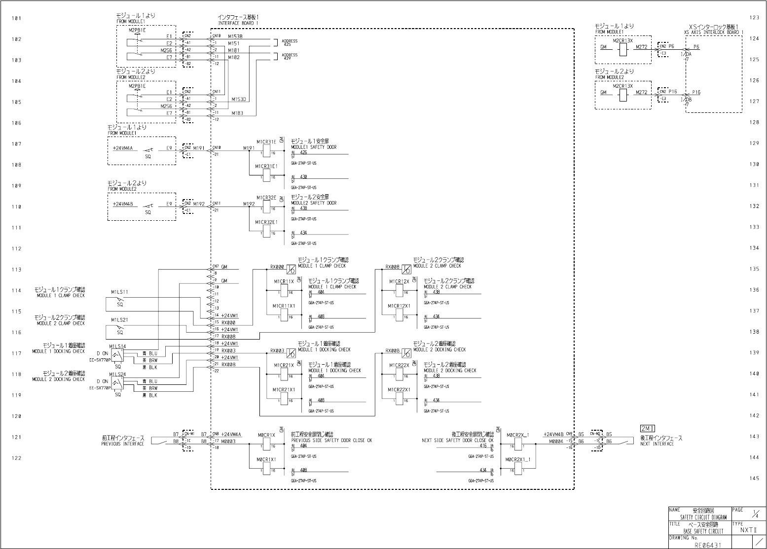
NXTII 电路图.pdf - 第6页
Downloaded at 2009/11/03 16:57 JST by 3PFC3581 DL#JKuyA1ki M6Ⅱ-SP MODU LE

Downloaded at 2009/11/03 16:57 JST by 3PFC3581 DL#JKuyA1ki
M6Ⅱ MODULE
2MⅡ BASE

Downloaded at 2009/11/03 16:57 JST by 3PFC3581 DL#JKuyA1ki
M6Ⅱ-SP MODULE

Downloaded at 2009/11/03 16:57 JST by 3PFC3581 DL#JKuyA1ki