RX-6_电路图.pdf - 第5页
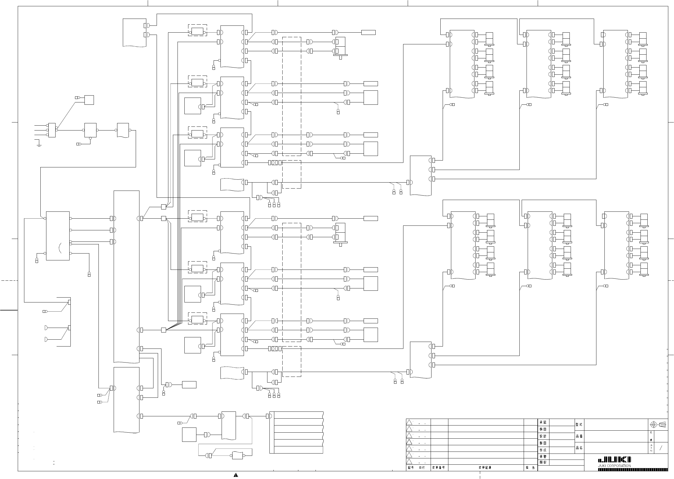
SYSTEM DIAGRAM
FEEDER EXCHANGE TROLLEY RF (1/2) ........................................................................ 2-32
FEEDER EXCHANGE TROLLEY RF (2/2) ........................................................................ 2-33
SYSTEM DIAGRAM

N O T
D
C
B
A
54321
C
B
A
D
R X - 6 / R X - 6 B / R X - 6 R
1
8
4 0 1 3 3 1 0 2
S Y S T E M D I A G R A M
T S K 7 - A 2 - V 0 1
E D A
L 1
L 2
L 3
M C C B
N O T E 1
M A I N S W I T C H
H A 0 0 6 5 5 0 0 0 0
N O T E 4
N O I S E F I L T E R
H N 0 0 3 5 9 0 0 0 0 [ M R E V . C ]
H N 0 0 4 0 1 0 0 0 0 [ M R E V . D ]
P E
I N P U T
F G
N O T E 4
A T X U N I T
4 0 0 4 8 0 0 6 [ M R E V . C ]
E Z 1 4 6 8 9 7 9 1 1 [ M R E V . D ]
A C I N
C P U B O A R D
P O S I T I O N B O A R D
R S 2 3 2 C B O A R D ( O P )
I P - X 1 1
I O C O N T R O L
P O W E R S U P P L Y
F G
S U R G E P R O T E C T O R
4 0 1 2 9 2 6 2
4 0 1 2 9 3 0 1
4 0 1 2 9 3 0 2
N O T E 4
4 0 1 2 9 3 0 3 [ M R E V . C ]
4 0 1 5 8 1 5 4 [ M R E V . D ]
4 0 1 2 8 9 5 4
4 0 1 2 8 9 6 4
A T X - 1 3 ( M R E V . C )
A T X - P 1 ( M R E V . D )
1 - 2 D
B L A N K
2 - 1 A
1 - 1 A
3 - 1 B
2 - 1 B
5 - 2 C
2 - 1 B
5 - 1 A
6 S L O T C P C I B A C K B O A R D
4 0 1 2 9 6 2 5 [ M R E V . C ]
4 0 1 7 2 5 1 2 [ M R E V . D ]
4 0 1 2 3 2 4 2
4 0 1 2 9 6 4 8
4 0 1 2 9 6 2 6
4 0 1 2 8 8 7 1
4 0 1 3 3 2 9 4
C N 1
C N 0 0 0 1
C N 1 C N 5 5
4 0 1 2 8 9 6 5
C N 2 0 0 1
F G
N O T E 4
4 0 1 2 8 9 6 6
[ M R E V . C ]
4 0 1 7 2 7 2 4
[ M R E V . D ]
M A I N S W I T C H
H A 0 0 6 5 5 0 0 0 0
4 0 1 2 8 9 6 7
1 - 1 B
C N 2 0 0 2
N O T E 4
T R A N S F O R M E R
4 0 1 2 9 6 6 9 [ M R E V . C ]
4 0 1 5 8 1 3 5 [ M R E V . D ]
E L E C T R I C A L U N I T
< B O T T O M U N I T >
4 0 1 2 7 5 3 6
4 0 1 2 7 5 5 8 ( E N )
C N 5 32 2 0 V
C N 0 0 5 6
C N 0 0 5 3
C N 0 0 5 2
C N 5 2
T B 2
1 - 2 B
C N 0 0 5 5
C N 5 1
C N 0 0 5 1
F G
4 0 1 2 8 9 5 5
4 0 1 2 8 9 5 7
4 0 1 2 8 9 5 8
4 0 1 2 8 9 6 0
4 0 1 2 8 9 6 1
E L E C T R I C A L U N I T
< T O P U N I T >
4 0 1 2 7 5 3 7
4 0 1 2 7 5 6 3 ( E N )
C N 5 4
V A C U U M P U M P
4 0 1 2 9 2 4 4
F G
4 0 1 2 9 2 4 5
3 - 1 B
C N 2 0 0 3
3 4 V
1 0 0 V
I N P U T
C N 5 5
T B 1
C N 5 6
C N 0 0 5 4
C N 5 8
C N 0 0 5 8
C N 5 7
C N 5 9
F G
F G
C N 0 0 5 7
C N 0 0 5 9
F G
T B 3
X S E R V O D R I V E R ( F )
4 0 1 2 9 6 5 2
Y L S E R V O D R I V E R ( F )
4 0 1 2 9 6 5 4
Y R S E R V O D R I V E R ( F )
4 0 1 2 9 6 5 4
4 0 1 2 8 9 8 1
4 0 1 2 8 9 8 2
4 0 1 2 8 9 6 8
( 4 0 1 2 9 3 0 7 )
4 0 1 2 8 9 6 9
( 4 0 1 2 9 3 0 8 )
4 0 1 2 8 9 7 0
( 4 0 1 2 9 3 0 9 )
4 0 1 2 8 9 8 0
4 0 1 2 8 9 7 4
F G
4 0 1 2 8 9 7 5
4 0 1 2 8 9 7 6
C N P 1
C N P 2
E
C N 1 A
C N 1 B
C N 2
C N P 3
F G
C N P 1
C N P 2
E
C N 1 A
C N 1 B
C N 2
C N P 3
F G
C N P 1
C N P 2
E
C N 1 A
C N 1 B
C N 2
C N P 3
X 1 - E N C 1
4 0 1 2 9 3 3 4
X 1 - E N C 4
S C A L E H E A D ( F X )
4 0 1 2 9 6 3 0
X - E N C 2
X Y B E A R C A B L E S A S M 1 ( F )
4 0 1 3 3 0 5 5
Y B E A R
C A B L E S
A S M ( F )
4 0 1 3 3 0 5 7
X - E N C 5
X S E R V O M O T O R ( F )
4 0 1 2 9 6 5 3
4 0 1 2 9 1 4 8
X 1 - M T R 1
X - M T R 2
4 0 0 4 4 5 4 6
4 0 1 2 9 3 1 3
Y L 1 - E N C 1
Y L 1 - M T R 3
Y L 1 - M T R 1
L M - GY L - M T R 4
Y - M T RY L - M T R 2
S C A L E H E A D ( F Y L )
4 0 1 2 9 6 3 0
U V W
G
Y L I N E A R
M O T O R ( F L )
4 0 1 2 9 1 2 4
4 0 1 2 9 2 6 4
4 0 1 2 9 3 1 4
Y R 1 - M T R 4
Y R 1 - M T R 1
Y R - M T R 5
Y R - M T R 2
S C A L E H E A D ( F Y R )
4 0 1 2 9 6 3 0
U V W
G
Y L I N E A R
M O T O R ( F R )
4 0 1 2 9 1 2 4
4 0 1 2 9 2 6 5
4 0 1 2 9 3 1 6
Y R 1 - E N C 1
L M - G
Y - M T R
Y R - M T R 6
Y R - M T R 3
4 0 1 3 3 0 6 1
4 0 1 2 9 3 1 5
C N 1 A
C N P 1
Z T A D R I V E R ( F )
4 0 1 2 9 6 5 0
H E A D R E L A Y P C B ( F )
4 0 1 2 8 8 7 4
C N 1 9
C N 2 0
C N 2 1
C N 2 2
4 0 1 2 9 6 2 7
4 0 1 2 9 6 3 5
X Y B E A R
C A B L E S
A S M 1 ( F )
4 0 1 3 3 0 5 5
C N 0 0 7 0
F G
F GF G
H K 0 8 5 2 9 0 0 2 0
C N P 2 A
C N 2 AC N 1 B
C N P 2 B
C N 2 B
C N P 2 C
C N 2 C
C N P 2 D
C N 2 D
T 2 M O T O R ( F )
4 0 1 3 3 1 4 2
Z 2 M O T O R ( F )
4 0 1 3 3 1 4 1
T 1 M O T O R ( F )
4 0 1 3 3 1 4 2
Z 1 M O T O R ( F )
4 0 1 3 3 1 4 1
Z T B D R I V E R ( F )
4 0 1 2 9 6 5 0
T 4 M O T O R ( F )
4 0 1 3 3 1 4 2
Z 4 M O T O R ( F )
4 0 1 3 3 1 4 1
T 3 M O T O R ( F )
4 0 1 3 3 1 4 2 [ 6 n o z z l e s ]
4 0 1 3 3 1 4 3 [ 6 n o z z l e s _ 6 R ]
Z 3 M O T O R ( F )
4 0 1 3 3 1 4 1
Z T C D R I V E R ( F )
4 0 1 2 9 6 5 0
T 6 M O T O R ( F )
4 0 1 3 3 1 4 2
Z 6 M O T O R ( F )
4 0 1 3 3 1 4 1
T 5 M O T O R ( F )
4 0 1 3 3 1 4 2
Z 5 M O T O R ( F )
4 0 1 3 3 1 4 1
4 0 1 2 9 6 2 8
C N 1 A
C N P 1
C N P 2 A
C N 2 AC N 1 B
C N P 2 B
C N 2 B
C N P 2 C
C N 2 C
C N P 2 D
C N 2 D
C N 1 A
C N P 1
C N P 2 A
C N 2 AC N 1 B
C N P 2 B
C N 2 B
C N P 2 C
C N 2 C
C N P 2 D
C N 2 D
4 0 1 2 9 6 2 8
X S E R V O D R I V E R ( R )
4 0 1 2 9 6 5 2
Y L S E R V O D R I V E R ( R )
4 0 1 2 9 6 5 4
Y R S E R V O D R I V E R ( R )
4 0 1 2 9 6 5 4
4 0 1 2 8 9 8 4
4 0 1 2 8 9 7 9
4 0 1 2 8 9 7 1
( 4 0 1 2 9 3 1 0 )
4 0 1 2 8 9 7 2
( 4 0 1 2 9 3 1 1 )
4 0 1 2 8 9 7 3
( 4 0 1 2 9 3 1 2 )
4 0 1 2 8 9 8 3
4 0 1 2 8 9 7 7
4 0 1 2 8 9 7 8
4 0 1 2 8 9 8 5
F G
C N P 1
C N P 2
E
C N 1 A
C N 1 B
C N 2
C N P 3
F G
C N P 1
C N P 2
E
C N 1 A
C N 1 B
C N 2
C N P 3
F G
C N P 1
C N P 2
E
C N 1 A
C N 1 B
C N 2
C N P 3
X 2 - E N C 1
4 0 1 2 9 3 3 5
X 2 - E N C 4
S C A L E H E A D ( R X )
4 0 1 2 9 6 3 0
X - E N C 2
X Y B E A R C A B L E S A S M 1 ( R )
4 0 1 3 3 0 5 5
Y B E A R
C A B L E S
A S M ( R )
4 0 1 3 3 0 5 7
X - E N C 5
X S E R V O M O T O R ( R )
4 0 1 2 9 6 5 3
4 0 1 2 9 1 4 8
X 2 - M T R 1
X - M T R 2
4 0 0 4 4 5 4 64 0 1 2 9 3 1 7
Y L 2 - E N C 1
Y L 2 - M T R 3
Y L 2 - M T R 1
L M - GY L - M T R 4
Y - M T RY L - M T R 2
S C A L E H E A D ( R Y L )
4 0 1 2 9 6 3 0
U V W
G
Y L I N E A R
M O T O R ( R L )
4 0 1 2 9 1 2 4
4 0 1 2 9 2 6 7
4 0 1 2 9 3 1 8
Y R 2 - M T R 4
Y R 2 - M T R 1
Y R - M T R 5
Y R - M T R 2
S C A L E H E A D ( R Y R )
4 0 1 2 9 6 3 0
U V W
G
Y L I N E A R
M O T O R ( R R )
4 0 1 2 9 1 2 4
4 0 1 2 9 2 6 8
4 0 1 2 9 3 1 9
Y R 2 - E N C 1
L M - G
Y - M T R
Y R - M T R 6
Y R - M T R 3
4 0 1 3 3 0 6 1
4 0 1 2 9 3 1 5
4 0 1 2 9 6 2 9
X Y B E A R
C A B L E S
A S M 1 ( R )
4 0 1 3 3 0 5 5
H K 0 8 5 2 9 0 0 2 0
C N 1 A
C N P 1
Z T A D R I V E R ( R )
4 0 1 2 9 6 5 0
H E A D R E L A Y P C B ( R )
4 0 1 2 8 8 7 4
C N 1 9
C N 2 0
C N 2 1
C N 2 2
F G
C N P 2 A
C N 2 AC N 1 B
C N P 2 B
C N 2 B
C N P 2 C
C N 2 C
C N P 2 D
C N 2 D
T 2 M O T O R ( R )
4 0 1 3 3 1 4 2 [ 6 n o z z l e s ]
[ 6 n o z z l e s _ 6 R ]
4 0 1 3 3 1 4 3 [ 3 n o z z l e s ]
Z 2 M O T O R ( R )
4 0 1 3 3 1 4 1
T 1 M O T O R ( R )
4 0 1 3 3 1 4 2 [ 6 n o z z l e s ]
[ 6 n o z z l e s _ 6 R ]
4 0 1 3 3 1 4 3 [ 3 n o z z l e s ]
Z 1 M O T O R ( R )
4 0 1 3 3 1 4 1
Z T B D R I V E R ( R )
4 0 1 2 9 6 5 0
T 4 M O T O R ( R )
4 0 1 3 3 1 4 2 [ 6 n o z z l e s ]
[ 6 n o z z l e s _ 6 R ]
Z 4 M O T O R ( R )
4 0 1 3 3 1 4 1 [ 6 n o z z l e s ]
[ 6 n o z z l e s _ 6 R ]
T 3 M O T O R ( R )
4 0 1 3 3 1 4 2 [ 6 n o z z l e s ]
[ 6 n o z z l e s _ 6 R ]
4 0 1 3 3 1 4 3 [ 3 n o z z l e s ]
Z 3 M O T O R ( R )
4 0 1 3 3 1 4 1
Z T C D R I V E R ( R )
4 0 1 2 9 6 5 0
T 6 M O T O R ( R )
4 0 1 3 3 1 4 2
[ 6 n o z z l e s ]
[ 6 n o z z l e s _ 6 R ]
Z 6 M O T O R ( R )
4 0 1 3 3 1 4 1
[ 6 n o z z l e s ]
[ 6 n o z z l e s _ 6 R ]
T 5 M O T O R ( R )
4 0 1 3 3 1 4 2
[ 6 n o z z l e s ]
[ 6 n o z z l e s _ 6 R ]
Z 5 M O T O R ( R )
4 0 1 3 3 1 4 1
[ 6 n o z z l e s ]
[ 6 n o z z l e s _ 6 R ]
4 0 1 2 9 6 2 8
C N 1 A
C N P 1
C N P 2 A
C N 2 AC N 1 B
C N P 2 B
C N 2 B
C N P 2 C
C N 2 C
C N P 2 D
C N 2 D
C N 1 A
C N P 1
C N P 2 A
C N 2 AC N 1 B
C N P 2 B
C N 2 B
C N P 2 C
C N 2 C
C N P 2 D
C N 2 D
4 0 1 2 9 6 2 8
P O S I T I O N B O A R D
4 0 1 2 9 6 4 8
C H 1
C H 2
M T S P W R
C O V E R
F G
F G
F G
F G
F G
F G ( H E A D U N I T ) F G ( H E A D U N I T ) F G ( H E A D U N I T )
F G ( H E A D U N I T ) F G ( H E A D U N I T ) F G ( H E A D U N I T )
C N 4 3
E L E C T R I C A L U N I T
< T O P U N I T >
4 0 1 2 7 5 3 7
4 0 1 2 7 5 6 3 ( E N )
F G
C N 0 0 7 1
C N 0 0 7 4
4 0 1 3 3 0 5 8
4 0 1 3 3 0 6 0
C N 0 0 7 2
F GF G
C N 4 4
E L E C T R I C A L U N I T
< T O P U N I T >
4 0 1 2 7 5 3 7
4 0 1 2 7 5 6 3 ( E N )
F G
C N 0 0 7 3
C N 0 0 7 5
4 0 1 3 3 0 5 9
4 0 1 3 3 0 6 0
F G
F G
N O T E 1 T H I S M C C B ' S P / N C H A N G E S W I T H S P E C I F I C A T I O N
A C 4 0 0 V I N P U T : H A 0 0 6 5 2 0 0 0 A ( 2 0 A )
A C 2 0 0 V I N P U T : H A 0 0 6 5 2 0 0 0 B ( 4 0 A )
A C 4 0 0 V I N P U T S H O R T C I R C U I T B R E A K E R ( O P T I O N ) : H A 0 0 6 5 4 0 0 0 A ( 2 0 A )
A C 2 0 0 V I N P U T S H O R T C I R C U I T B R E A K E R ( O P T I O N ) : H A 0 0 6 5 2 0 0 0 B ( 4 0 A )
N O T E 2
( ) : P A R T S N U M B E R F O R E N S P E C
N O T E 3
T H I S C P ' S C A B L E A S S E M B L Y I S E N O N L Y . S T I S D I R E C T C O N N E C T I O N .
Y L - E N C 2
Y R - E N C 2
0 V
F G
( 4 0 1 2 9 3 0 4 )
4 0 1 2 8 9 5 9
4 0 1 2 9 6 2 7 4 0 1 2 9 6 2 8 4 0 1 2 9 6 2 7 4 0 1 2 9 6 2 8
C P 1 4
( F - X )
N O T E 3
N O T E 3
N O T E 3
N O T E 3
N O T E 3
N O T E 3
C P 1 8
( F - Y L )
C P 1 9
( F - Y R )
C P 1 5
( R - X )
C P 1 6
( R - Y L )
C P 1 7
( R - Y R )
4 0 1 2 8 9 8 8
Y R - E N C 3
Y L - E N C 2
Y R - E N C 2 Y R - E N C 3
4 0 1 3 3 0 5 1
4 0 1 3 3 0 5 2
4 0 1 3 3 0 5 3
4 0 1 3 3 0 5 1
4 0 1 3 3 0 5 2
4 0 1 3 3 0
5 3
4 0 1 2 8 9 8 8
C N 0 0 4 3
C N 0 0 4 4
R C U N I T 1
4 0 1 2 9 6 7 0
4 0 1 2 9 3 3 8
C N P 1
R C U N I T 2
4 0 1 2 9 6 7 0
C N P 1
4 0 1 2 9 3 3 8
R C U N I T 3
4 0 1 2 9 6 7 0
C N P 1
4 0 1 2 9 3 3 8
R C U N I T 4
4 0 1 2 9 6 7 0
C N P 1
4 0 1 2 9 3 3 8
1 - 3 D
3 - 1 B
3 - 1 B
3 - 1 C
3 - 1 C
2 - 2 A 2 - 2 A 2 - 2 B
2 - 4 A 2 - 4 A 2 - 4 B
2 - 2 A
2 - 5 A
1 - 1 D
1 - 2 B
1 - 2 D
2 - 1 B
C O N T R O L U N I T
E
E
4 0 1 2 9 6 2 7
F X - F G
F Y L - F G
F Y R - F G
R X - F G
R Y L - F G
R Y R - F G
C N 0 7 1 9
C N 0 7 1 9
C N 1 A
C N 1 A
Z A C N P 1 Z B C N P 1 Z C C N P 1
Z A C N P 1
Z B C N P 1
Z C C N P 1
C N 0 7 2 1
C N 0 7 2 2
C N 0 7 2 0
C N 0 7 2 1
C N 0 7 2 2
C N 0 7 2 0
C N 1 B
C N 1 B
R Y R 2 - C N 2
R Y L 2 - C N 2
R X 2 - C N 2
F Y R 1 - C N 2
F Y L 1 - C N 2
F X 1 - C N 2
4 0 1 2 9 3 3 6
M T S I F M T S I / F
O P T I O N I F S - N X
( R F I D ) 5 - 5 C ( C N 1 0 9 7 )
( C A N ) 7 - 5 A ( C N 1 0 9 7 )
I S
4 - 2 C ( M T S I F )
( H E A D U N I T )
( H E A D U N I T )
F G
F G
F G
F G
N O T E 4 T H E S E P / N C H A N G E S W I T H M A C H I N E R E V I S I O N .
" [ M R E V . C ] "
R X - 6 M A C H I N E R E V I S I O N : B E F O R E " C "
" [ M R E V . D ] "
R X - 6 M A C H I N E R E V I S I O N : " D "
N O T E 4
4 0 1 2 8 9 5 6 [ M R E V . C ]
4 0 1 5 8 1 4 0 [ M R E V . D ]
N O T E 4
B A T T E R Y U N I T
4 0 0 4 8 0 0 7 [ M R E V . C ]
E Z 1 7 5 6 6 4 7 1 1 [ M R E V . D ]
B A T T ( M R E V . D )
( M R E V . C )
C P C I - C N 1 ( M R E V . D )