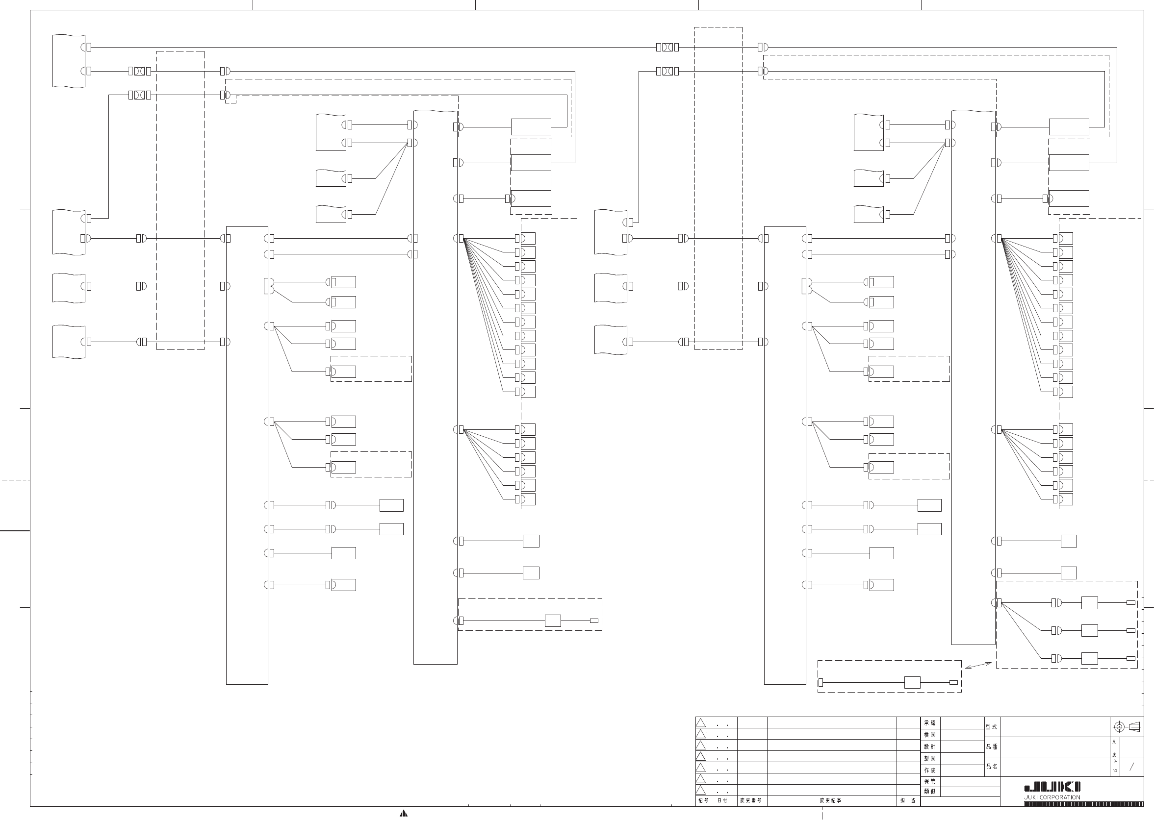
RX-6_电路图.pdf - 第8页
4 0 1 7 4 5 6 1 O P T I O N ( I F S - N X ( C A N ) ) 7 - 5 A ( C N 1 4 5 1 ) C N 1 4 5 1 C N 1 4 5 0 4 0 1 7 4 5 6 2 4 0 1 7 4 5 6 1 O P T I O N ( I F S - N X ( C A N ) ) 7 - 5 A ( C N 1 3 5 1 ) C N 1 3 5 1 C N 1 3 5 0 …

EDA
TSK7-A2-V01
SYSTEM DIAGRAM
40133102
8
2
RX-6/RX-6B/RX-6R
D
A
B
C
12345
A
B
C
D
NOT
EPV120 OPTION (R)
EPV120 OPTION (F)
FIBER
HD002850040
6nozzles_6R
T3 ORIGIN SENSOR
40165940
CN0707
FIBER
HD002850040
6nozzles_6R
T3 ORIGIN SENSOR
40165940
CN0707
CN7
VACUUM UNIT
40132730
VACUUM UNIT
40132730
FIBER
HD002850040
FIBER
HD002850040
FIBER
HD002850040
Z2 SENSOR
Z3 SENSOR
Z4 SENSOR
Z5 SENSOR
Z6 SENSOR
Z1 SENSOR
Z2 SENSOR
Z3 SENSOR
Z4 SENSOR
Z5 SENSOR
Z6 SENSOR
Z1 SENSOR
Z6V
Z5V
Z4V
Z3V
Z2V
Z1V
Z6B
Z5B
Z4B
Z3B
Z1B
Z2B
Z6V
Z5V
Z4V
Z3V
Z2V
Z1V
Z6B
Z5B
Z4B
Z3B
Z1B
Z2B
LNC-3
OPTION (SOLDER REC)
OPTION (SOLDER REC)
OCC R
OCC L
OCC R
OCC L
3-1B
2-1B
2-3B
1-2D
3-1C
2-1B
2-3B
1-3D
3-1A
2-1B
2-3B
1-3D
5-1A
1-3D
1-4D1-4B
1-5C
1-5C
1-4C
1-5A
1-5A
1-4A
3nozzles
OPTION (SOLDER REC)
OPTION (SOLDER REC)
LNC-3
CN0632
OCC-O2
OCC-A2
OCC-C2
OCC-O1
OCC-A1
OCC-C1
CN0632
OCC-O2
OCC-A2
OCC-C2
OCC-O1
OCC-A1
OCC-C1
CN0611B
CN11B
CN0611B
CN11B
HK084920080
HK084920080
HK084920080
HK084920080
40133063
40133023
40133003(6nozzles)
40133021(3nozzles)
40133002(6nozzles)
40133020(3nozzles)
40133003
40133063
40133023
CN0306
HW00181008A
HW00181008A
40129117
40129326
CN0406
40129115
EPV
LNC
EPV-1
LNC-1
CN0411
CN0310
CN0061
CN0614
CN0601
CN0610
XY BEAR
CABLES ASM2(R)
40129131
LAN4
CN0004
ELECTRICAL UNIT
<TOP UNIT>
40127537
40127563 (EN)
CN4
CN6
IO CONTROL PCB
40128871
CN0704
40128996
CN4
ILLUMINATION
UNIT
POWER
ETHERENC
ETHER
ZTA CN5
ZTB CN5
ZTC CN5
ZTA CN6
CN0717
CN0701
CN0713
CN0703
CN13
CN3
CN0615
CN0603
40129105
40129104
CN6
T3 ORIGIN SENSOR
40133005
CN0741
T2 ORIGIN SENSOR
40133005
CN0740
T1 ORIGIN SENSOR
40133005
CN0739
40133004
CN0707
CN7
NOZZLE UP
SENSOR
CN0709
NOZZLE UP
SENSOR
CN9
CN0708
CN15
Z6 VACUUM SENSOR(6nozzle)
UNUSED(3nozzle)
Z5 VACUUM SENSOR(6nozzles)
Z3 VACUUM SENSOR(3nozzles)
Z4 VACUUM SENSOR(6nozzles)
UNUSED(3nozzles)
Z3 VACUUM SENSOR(6nozzles)
Z2 VACUUM SENSOR(3nozzles)
Z2 VACUUM SENSOR(6nozzles)
UNUSED(3nozzles)
40133001
CN0715
Z1 VACUUM SENSOR(6nozzles)
Z1 VACUUM SENSOR(3nozzles)
CN8
Z6 VACUUM S.V.(6nozzles)
UNUSED(3nozzles)
Z5 VACUUM S.V.(6nozzles)
Z3 VACUUM S.V.(3nozzles)
Z4 VACUUM S.V.(6nozzles)
UNUSED(3nozzles)
Z3 VACUUM S.V.(6nozzles)
Z2 VACUUM S.V.(3nozzles)
Z2 VACUUM S.V.(6nozzles)
UNUSED(3nozzles)
Z1 VACUUM S.V.(6nozzles)
Z1 VACUUM S.V.(3nozzles)
Z6 BLOW S.V.(6nozzles)
UNUSED(3nozzles)
Z5 BLOW S.V.(6nozzles)
Z3 BLOW S.V.(3nozzles)
Z4 BLOW S.V.(6nozzles)
UNUSED(3nozzles)
Z3 BLOW S.V.(6nozzles)
Z2 BLOW S.V.(3nozzles)
Z2 BLOW S.V.(6nozzles)
UNUSED(3nozzles)
40133000
CN0710
Z1 BLOW S.V.(6nozzles)
Z1 BLOW SV(3nozzles)
CN1
CN0606
CN0607
40129109
40129113
THERMAL
SENSOR PCB (R)
40128883
NZL UP S.V.
HMS(RR)
40129108
CN0631
40129107
CN0609
HMS(RL)
40129108
CN0630
40129106
CN0608
CN0613
OCC O PCB(RR)
40128880
OCC A PCB(RR)
40128878
OCC C PCB(RR)
40128879
40129274
CN0612
OCC O PCB(RL)
40128880
OCC A PCB(RL)
40128878
OCC(RL)
40129639
OCC(RR)
40129639
OCC C PCB(RL)
40128879
40129273
40129103
CN0611A
CN6
CN7
CN9
CN8
CN4
LNC120(R)
40129658
CN5
ZTC SERVO DRIVER(R)
40129650
CN5
ZTB SERVO DRIVER(R)
40129650
CN6
CN2
(DOWN)
IP-X11 PCB
40133294
CN3
CN5
CN13
CN12
CN10
CN11A
CN10
CN14
CN5
CN17
HEAD RELAY PCB(R)
40128874
HEAD MAIN PCB(R)
40128873
CN1
40129102
ENC
CN5
EPV120(R)
40129657
ZTA SERVO DRIVER(R)
40129650
CN0302
HW00181008A
HW00181008A
40129101
90129325
CN0405
40129099
EPV
LNC
EPV-1
LNC-1
CN0410
CN0309
CN0060
CN0614
CN0601
CN0610
XY BEAR
CABLES ASM2(F)
40129131
LAN3
CPU BOARD
40123242
CN0005
ELECTRICAL UNIT
<TOP UNIT>
40127537
40127563 (EN)
CN5
CN2
IO CONTROL PCB
40128871
CN0704
40128996
CN4
ILLUMINATION
UNIT
POWER
ETHERENC
ETHER
ZTA CN5
ZTB CN5
ZTC CN5
ZTA CN6
CN0717
CN0701
CN0713
CN0703
CN13
CN3
CN0615
CN0603
40129105
40129104
CN6
NOZZLE UP
SENSOR
CN0709
NOZZLE UP
SENSOR
CN9
40133002
CN0708
CN15
Z6 VACUUM
SENSOR
Z5 VACUUM
SENSOR
Z4 VACUUM
SENSOR
Z3 VACUUM
SENSOR
Z2 VACUUM
SENSOR
40133001
CN0715
Z1 VACUUM
SENSOR
CN8
Z6 VACUUM S.V.
Z5 VACUUM S.V.
Z4 VACUUM S.V.
Z3 VACUUM S.V.
Z2 VACUUM S.V.
Z1 VACUUM S.V.
Z6 BLOW S.V.
Z5 BLOW S.V.
Z4 BLOW S.V.
Z3 BLOW S.V.
Z2 BLOW S.V.
40133000
CN0710
Z1 BLOW S.V.
CN1
CN0606
CN0607
40129109
40129113
THERMAL
SENSOR PCB (F)
40128883
NZL UP S.V.
HMS(FR)
40129108
CN0631
40129107
CN0609
HMS(FL)
40129108
CN0630
40129106
CN0608
CN0613
OCC O PCB(FR)
40128880
OCC A PCB(FR)
40128878
OCC C PCB(FR)
40128879
40129274
CN0612
OCC O PCB(FL)
40128880
OCC A PCB(FL)
40128878
OCC(FL)
40129639
OCC(FR)
40129639
OCC C PCB(FL)
40128879
40129273
40129103
CN0611A
CN6
CN7
CN9
CN8
CN4
LNC120(F)
40129658
CN5
ZTC SERVO DRIVER(F)
40129650
CN5
ZTB SERVO DRIVER(F)
40129650
CN5
CN2
(UP)
IP-X11 PCB
40133294
CN3
CN5
CN13
CN12
CN10
CN11A
CN10
CN14
CN5
CN17
HEAD RELAY PCB(F)
40128874
HEAD MAIN PCB(F)
40128873
CN1
40129102
ENC
CN5
EPV120(F)
40129657
ZTA SERVO DRIVER(F)
40129650
HEAD UNIT

4 0 1 7 4 5 6 1
O P T I O N ( I F S - N X ( C A N ) )
7 - 5 A ( C N 1 4 5 1 )
C N 1 4 5 1
C N 1 4 5 0
4 0 1 7 4 5 6 2
4 0 1 7 4 5 6 1
O P T I O N ( I F S - N X ( C A N ) )
7 - 5 A ( C N 1 3 5 1 )
C N 1 3 5 1
C N 1 3 5 0
C U T T E R U N I T
O P T I O N ( R )
C U T T E R U N I T
O P T I O N ( F )
V C S O P T I O N ( R )
V C S O P T I O N ( F )
N O T E 2
4 0 1 5 1 6 4 0 [ T R E V . A ]
4 0 1 6 0 1 5 0 [ T R E V . B ]
N O T E 2
4 0 1 2 9 2 9 1 [ T R E V . A ]
4 0 1 6 0 1 5 1 [ T R E V . B ]
C P 1 N O T E 2
H A 0 0 5 2 7 0 0 0 A [ T R E V . A ]
H A 0 0 5 2 7 0 0 0 0 [ T R E V . B ]
N O T E 1 , 2
P S U N I T
H X 0 0 6 9 2 0 0 0 0
[ M R E V . C ] , [ T R E V . A ]
H X 0 0 7 1 8 0 0 0 0
[ M R E V . D ] , [ T R E V . B ]
N O T E 2 4 0 1 2 9 2 8 7 [ T R E V . A ]
4 0 1 5 8 1 5 3 [ T R E V . B ]
N O T E 2 4 0 1 2 9 2 8 6 [ T R E V . A ]
4 0 1 5 8 1 5 2 [ T R E V . B ]
N O T E 2
4 0 1 2 9 2 5 0 [ T R E V . A ]
4 0 1 5 8 1 5 0 [ T R E V . B ]
N O T E 2
4 0 1 2 9 2 7 8 [ T R E V . A ] 4 0 1 5 8 1 5 1 [ T R E V . B ]
N O T E 1 T H E S E P / N C H A N G E S W I T H M A C H I N E R E V I S I O N ( F I X E D B A N K O N L Y ) .
" [ M R E V . C ] "
R X - 6 M A C H I N E R E V I S I O N : B E F O R E " C "
" [ M R E V . D ] "
R X - 6 M A C H I N E R E V I S I O N : " D "
N O T E 2
T H E S E P / N C H A N G E S W I T H T R O L L E Y R E V I S I O N ( T R O L L E Y B A N K O N L Y ) .
" [ T R E V . A ] "
R X - 6 T R O L L E Y R E V I S I O N : B E F O R E " A "
" [ T R E V . B ] " R X - 6 T R O L L E Y R E V I S I O N : " B "
F L U X E R 2 _ B
F L U X E R 2 _ A
F L U X E R 2
R O T A R Y
F L U X E R
O P T I O N
( S L I D E F L U X E R F O R B A N K )
O P T I O N
( R O T A R Y F L U X E R )
4 0 1 2 2 7 8 8
F L U X E R 2
F L U X B A N K
4 0 1 2 2 7 8 7
R T F L U X
F L U X R L Y 1
4 0 1 3 3 0 2 7
S W I T C H
H A 0 0 0 5 9 0 0 0 0
M O T O R
4 0 1 0 7 1 1 3
S W I T C H
M O T O R
S L I D E F L U X E R U N I T
4 0 0 9 7 6 1 0
A N T
O U TI NR F I D
R F I D A N T E N N A
4 0 0 9 0 0 3 1
O P T I O N
( R F I D ( F ) )
H K 0 6 5 1 2 0 0 6 0
4 0 0 7 9 6 5 9
C N 1 7 5 7
4 0 1 3 3 0 2 6
4 0 1 2 2 7 8 9
F L U X E R 2 _ BF L U X E R 2 _ A F L U X E R 2
N O T E 2
4 0 1 5 1 6 4 0 [ T R E V . A ]
4 0 1 6 0 1 5 0 [ T R E V . B ]
C V L O C K
4 0 1 2 9 0 0 7
C O V E R L O C K S . V . ( R )
P V 1 5 0 5 3 8 0 0 0
C N 1 2 5 1
O P T I O N
R O T A R Y
F L U X E R
O P T I O N
( R E A R M O N I T O R )
4 0 1 3 3 0 4 4
C N 2 2 0 0
4 - 3 B
4 - 3 A
4 0 1 3 3 0 4 5
C N 2 0 0 8
C N 8
L I G H T C T R L P C B ( R )
4 0 1 3 2 9 9 1
C N 2 1 0 8
C N 8
L I G H T C T R L P C B ( F )
4 0 1 3 2 9 9 1
B K - C N 5C N 5
I P - X 1 1
T R I G
C P I NC P O U T
B A N K 3 6 - 4 0
B A N K 3 1 - 3 5
B A N K 2 6 - 3 0
B A N K 2 1 - 2 5
B A N K 1 6 - 2 0
B A N K 1 1 - 1 5
B A N K 0 6 - 1 0
B A N K 0 1 - 0 5
B A N K 3 6 - 4 0
B A N K 3 1 - 3 5
B A N K 2 6 - 3 0
B A N K 2 1 - 2 5
B A N K 1 6 - 2 0
B A N K 1 1 - 1 5
B A N K 0 6 - 1 0
B A N K 0 1 - 0 5
C P I NC P O U T
A I R S W
A I R S W
C V L O C K
5 - 1 C
3 - 2 B
3 - 1 D
4 - 2 D
3 - 5 C
3 - 5 B
3 - 5 A
3 - 5 A
4 - 1 D
3 - 3 C
3 - 3 A
3 - 1 B
3 - 3 A
2 - 3 B
3 - 3 D
3 - 1 B
1 - 1 D
4 - 4 B
2 - 3 B
4 - 1 A
2 - 3 B
1 - 2 C
1 - 2 C
1 - 2 A
1 - 2 A
1 - 3 D
O P T I O N
( R E A R M O N I T O R )
O P T I O N
( S L I D E F L U X E R F O R B A N K )
O P T I O N
( R O T A R Y F L U X E R )
4 0 1 2 9 0 0 7
C N 0 0 6 0
B U P
B U P
B U P
B U P
R B U P
F B U P
O V E R A L L F E E D E R E X C H A N G E T R O L L E Y ( E N )
F I X E D B A N K ( E N )
4 0 0 0 2 3 4 4
4 0 0 0 2 3 4 4
B A N K S W ( R )
B A N K S W ( F )
4 0 0 0 2 2 8 7
4 0 0 0 2 2 8 7
4 0 1 2 9 0 8 3
( E N O N L Y )
E L E C T R I C A L U N I T
< B O T T O M U N I T >
4 0 1 2 7 5 3 6
4 0 1 2 7 5 5 8 ( E N )
C N 6 0
4 0 1 2 2 7 8 8
F L U X E R 2
O P T I O N ( T R O L L E Y )
O P T I O N ( T R O L L E Y )
X Y B E A R
C A B L E S A S M 1 ( R )
4 0 1 3 3 0 5 5
X Y B E A R
C A B L E S A S M 1 ( F )
4 0 1 3 3 0 5 5
C N 7B K - C N 7
C O P L A L A S E R
K E Y S W
4 0 1 3 3 0 4 1
C O P L A C P U
B A C K B O A R D
4 0 1 3 2 9 9 0
O P T I O N ( C O P L A N A R I T Y )
O P T I O N ( C O P L A N A R I T Y )
C N 3B K - C N 3
4 0 1 3 3 0 0 8
4 0 1 3 3 0 3 8
C N 0 4 2 2
C N 0 4 2 1
C O P L A C P U
B A C K B O A R D
4 0 1 3 2 9 9 0
E N C O D E R
I P - X 1 1 _ E N C ( 9 - 1 0 )
I P - X 1 1 _ E N C ( 4 - 6 )
I P - X 1 1 P C B
4 0 1 3 3 2 9 4
X - E N C 2
X - E N C 2
E B A N K T R O L L E Y U N I T ( R )
C N 1 4 4 0
4 0 0 9 2 6 5 4
4 0 0 9 2 6 5 3
4 0 0 9 2 6 5 2
C N 3 6 - 4 0
C N 3 1 - 3 5
C N 2 6 - 3 0
C N 2 1 - 2 5
4 0 0 9 2 6 5 1
E L E C B A N K 1 0 P C B ( R )
4 0 0 7 1 1 8 5
C N 3 5
C N 3 4
C N 3 3
C N 3 2
C N 3 1
C N 4 0
C N 3 9
C N 3 8
C N 3 7
C N 3 6
C N 2 5
C N 2 4
C N 2 3
C N 2 2
C N 2 1
C N 3 0
C N 2 9
C N 2 8
C N 2 7
C N 2 6
F L U X B A N K
4 0 1 2 2 7 8 7
R T F L U X
F L U X R L Y 1
4 0 1 3 3 0 2 7
S W I T C H
H A 0 0 0 5 9 0 0 0 0
M O T O R
4 0 1 0 7 1 1 3
S W I T C H
M O T O R
S L I D E F L U X E R U N I T
4 0 0 9 7 6 1 0
4 0 0 9 2 6 5 0
4 0 0 9 2 6 4 9
4 0 0 9 2 6 4 8
C N 1 6 - 2 0
C N 0 6 - 1 0
C N 1 1 - 1 5
C N 1 5
C N 1 4
C N 1 3
C N 1 2
C N 1 1
C N 2 0
C N 1 9
C N 1 8
C N 1 7
C N 1 6
C N 0 5
C N 0 4
C N 0 3
C N 0 2
C N 0 1
C N 1 0
C N 0 9
C N 0 8
C N 0 7
C N 0 6
4 0 0 9 2 6 4 7
C N 0 1 - 0 5
A N T
O U TI NR F I D
R L 2
H B 0 0 1 1 0 0 0 0 0
C N 1 7 5 8
P W 0 1
C N 1 7 5 9
O U TI N2 4 V O U TI N
I NO U T
C P
H A 0 0 5 2 4 0 0 0 0
C N 4 3
C N 1 7 4 3
C N 4 1
C N 1 7 4 1
C N 4 2
B K 4 4
4 0 0 8 4 8 4 1 ( W I T H C O V E R )
[ 4 0 0 8 4 8 3 3 ]
C N 1 7 6 0C N 1 7 5 6
4 0 1 2 9 2 9 4
4 0 1 2 9 2 4 9
R L 1
T I M E R : H B 0 0 1 7 9 0 0 0 0
S O C K E T : H B 0 0 1 2 5 0 0 2 0
4 0 1 2 9 2 8 8
4 0 1 2 9 2 9 2
F G
4 0 1 2 9 2 9 0
4 0 1 2 9 2 8 9
R F I D A N T E N N A
4 0 0 9 0 0 3 1
4 0 0 8 4 8 4 0
B K 4 2
R L Y
4 0 0 9 2 6 5 64 0 1 2 9 2 7 9
F G
F G
O P T I O N
( R F I D ( R ) )
H K 0 6 5 1 2 0 0 6 0
4 0 0 7 9 6 5 9
C N 1 7 5 7
E L E C B A N K 1 0 P C B ( R )
4 0 0 7 1 1 8 5
4 0 1 3 3 0 2 6
4 0 1 2 2 7 8 9
E B A N K T R O L L E Y U N I T ( F )
C N 1 3 4 0
4 0 0 9 2 6 5 4
4 0 0 9 2 6 5 3
4 0 0 9 2 6 5 2
C N 3 6 - 4 0
C N 3 1 - 3 5
C N 2 6 - 3 0
C N 2 1 - 2 5
4 0 0 9 2 6 5 1
E L E C B A N K 1 0 P C B ( F )
4 0 0 7 1 1 8 5
C N 3 5
C N 3 4
C N 3 3
C N 3 2
C N 3 1
C N 4 0
C N 3 9
C N 3 8
C N 3 7
C N 3 6
C N 2 5
C N 2 4
C N 2 3
C N 2 2
C N 2 1
C N 3 0
C N 2 9
C N 2 8
C N 2 7
C N 2 6
N O T E 2
4 0 1 2 9 2 9 1 [ T R E V . A ]
4 0 1 6 0 1 5 1 [ T R E V . B ]
4 0 0 9 2 6 5 0
4 0 0 9 2 6 4 9
4 0 0 9 2 6 4 8
C N 1 6 - 2 0
C N 0 6 - 1 0
C N 1 1 - 1 5
C N 1 5
C N 1 4
C N 1 3
C N 1 2
C N 1 1
C N 2 0
C N 1 9
C N 1 8
C N 1 7
C N 1 6
C N 0 5
C N 0 4
C N 0 3
C N 0 2
C N 0 1
C N 1 0
C N 0 9
C N 0 8
C N 0 7
C N 0 6
4 0 0 9 2 6 4 7
C N 0 1 - 0 5
R L 2
H B 0 0 1 1 0 0 0 0 0
C N 1 7 5 8
P W 0 1
C N 1 7 5 9
O U TI N
C P 1 N O T E 2
H A 0 0 5 2 7 0 0 0 A [ T R E V . A ]
H A 0 0 5 2 7 0 0 0 0 [ T R E V . B ]
2 4 V O U TI N
N O T E 1 , 2
P S U N I T
H X 0 0 6 9 2 0 0 0 0
[ M R E V . C ] , [ T R E V . A ]
H X 0 0 7 1 8 0 0 0 0
[ M R E V . D ] , [ T R E V . B ]
I NO U T
C P
H A 0 0 5 2 4 0 0 0 0
C N 4 3
C N 1 7 4 3
C N 4 1
C N 1 7 4 1
C N 4 2
B K 4 4
4 0 0 8 4 8 4 1 ( W I T H C O V E R )
[ 4 0 0 8 4 8 3 3 ]
C N 1 7 6 0
C N 1 7 5 6
4 0 1 2 9 2 9 4
4 0 1 2 9 2 4 9
R L 1
T I M E R : H B 0 0 1 7 9 0 0 0 0
S O C K E T : H B 0 0 1 2 5 0 0 2 0
4 0 1 2 9 2 8 8
4 0 1 2 9 2 9 2
F G
4 0 1 2 9 2 9 0
4 0 1 2 9 2 8 9
N O T E 2 4 0 1 2 9 2 8 7 [ T R E V . A ]
4 0 1 5 8 1 5 3 [ T R E V . B ]
N O T E 2 4 0 1 2 9 2 8 6 [ T R E V . A ]
4 0 1 5 8 1 5 2 [ T R E V . B ]
4 0 0 8 4 8 4 0
B K 4 2
R L Y
4 0 0 9 2 6 5 64 0 1 2 9 2 7 9
F G
F G
N O T E 2
4 0 1 2 9 2 5 0 [ T R E V . A ]
4 0 1 5 8 1 5 0 [ T R E V . B ]
N O T E 2
4 0 1 2 9 2 7 8 [ T R E V . A ] 4 0 1 5 8 1 5 1 [ T R E V . B ]
E L E C B A N K 1 0 P C B ( F )
4 0 0 7 1 1 8 5
C N 0 4 2 2
C N 0 4 2 1
4 0 1 2 9 0 1 4
4 0 1 2 9 0 1 3
4 0 1 2 9 3 2 3
4 0 1 2 9 3 2 1
C N 0 3 0 8
C N 8
C N 0 3 0 4
C N 4
C N 1 4 0 5
C N 5
C N 1 3 0 1
C N 1
C N 6
C N 1 2 0 6
C N 5
C N 1 2 0 5
C N 4
4 0 1 2 9 0 2 5
C O N S O L E S W ( R )
4 0 1 2 9 0 2 3
4 0 1 2 9 0 2 1
4 0 1 2 9 0 2 2
C N 1 4 4 8
S T O P S W ( R )
S T A R T S W ( R )
C N 1 4 4 7
C N 1 4 4 6
C N 1 4 4 5
C N 1 4 0 4
4 0 1 2 9 0 8 2
E M G S W ( R )
C N 1 4 0 1
C N 1
E B A N K R E L A Y P C B ( R )
4 0 1 2 8 8 7 6
4 0 1 2 9 2 4 8
4 0 1 2 9 3 2 4
C N 1 4 4 1
O P T I O N ( R F I D )
5 - 5 C ( C N 1 7 5 7 ( R ) )
F G
C N 1 7 5 7
C N 1 4 4 2
4 0 1 2 9 0 7 8
C N 0 0 1 2
C N 1 5
C N 1 4 1 5
C N 1 9
C N 1 4 1 9
C N 9
C N 1 4 0 9
C N 1 7
C N 1 4 1 7
C N 7
C N 1 4 0 7
4 0 1 2 9 2 7 1
C U T T E R
C Y L I N D E R
4 0 0 8 4 8 3 5
4 0 0 8 4 8 3 6
C U T T E R
S . V .
4 0 0 8 4 8 3 9
C L O S E
S E N S O R
O P E N
S E N S O R
C N 1 3 4 3
S V
C L O S E
O P E N
4 0 1 2 9 0 7 5
C N 1 2
C N 0 0 0 6
E L E C T R I C A L U N I T
< T O P U N I T >
4 0 1 2 7 5 3 7
4 0 1 2 7 5 6 3 ( E N )
C N 6
C N 6
C N 1 4 3 5
C N 1 4 0 6
4 0 1 2 9 1 5 1
A I R P R E S S U R E
S E N S O R ( - )
4 0 1 2 9 0 8 0
4 0 1 2 9 0 6 9
B A N K A I R D O W N S W ( R )
P V 0 1 5 1 2 5 0 0 0
C N 8
C N 1 3 4 9
C N 1 4 0 8
4 0 1 2 9 2 8 0
B A N K U P S E N S O R ( R )
4 0 1 2 9 0 7 0
E F E E D E R D E T E C T S E N S O R R E C ( R )
4 0 1 2 9 0 5 7
C N 1 2
C N 1 3 3 4
C N 1 3 3 3
C N 1 3 3 1
C N 1 4 1 2
4 0 1 2 9 2 7 0
E F E E D E R F L O A T S E N S O R E M I ( R )
4 0 1 2 9 0 5 8
E F E E D E R D E T E C T S E N S O R E M I ( R )
4 0 1 2 9 0 5 8
C N 1 1
C N 1 3 2 8
C N 1 3 2 7
C N 1 3 2 5
C N 1 4 1 1
4 0 1 2 9 2 6 9
E F E E D E R F L O A T S E N S O R R E C ( R )
4 0 1 2 9 0 5 7
C N 1 3 0 5
C N 5
E B A N K R E L A Y P C B ( F )
4 0 1 2 8 8 7 6
4 0 1 2 9 2 4 7
4 0 1 7 4 5 6 2
4 0 1 2 9 3 2 2
C N 1 3 4 1
O P T I O N ( I F S - N X ( R F I D ) )
5 - 5 C ( C N 1 7 5 7 ( F ) )
F G
C N 1 7 5 7
C N 1 3 4 2
4 0 1 2 9 0 7 3
C N 0 0 1 5
C N 1 5
C N 1 3 1 5
C N 1 9
C N 1 3 1 9
C N 9
C N 1 3 0 9
C N 1 7
C N 1 3 1 7
C N 7
C N 1 3 0 7
4 0 1 2 9 2 7 1
C U T T E R
C Y L I N D E R
4 0 0 8 4 8 3 5
4 0 0 8 4 8 3 6
C U T T E R
S . V .
4 0 0 8 4 8 3 9
C L O S E
S E N S O R
O P E N
S E N S O R
C N 1 3 4 3
S V
C L O S E
O P E N
4 0 1 2 9 0 7 5
C N 1 5
C N 0 0 0 9
E L E C T R I C A L U N I T
< T O P U N I T >
4 0 1 2 7 5 3 7
4 0 1 2 7 5 6 3 ( E N )
C N 9
C N 6
C N 1 3 3 5
C N 1 3 0 6
4 0 1 2 9 0 7 2
A I R P R E S S U R E
S E N S O R ( + )
4 0 1 2 9 0 7 1
4 0 1 2 9 0 6 9
B A N K A I R D O W N S W ( F )
P V 0 1 5 1 2 5 0 0 0
C N 8
C N 1 3 4 9
C N 1 3 0 8
4 0 1 2 9 2 8 0
B A N K U P S E N S O R ( F )
4 0 1 2 9 0 7 0
E F E E D E R D E T E C T S E N S O R R E C ( F )
4 0 1 2 9 0 5 7
C N 1 2
C N 1 3 3 4
C N 1 3 3 3
C N 1 3 3 1
C N 1 3 1 2
4 0 1 2 9 2 7 0
E F E E D E R F L O A T S E N S O R E M I ( F )
4 0 1 2 9 0 5 8
E F E E D E R D E T E C T S E N S O R E M I ( F )
4 0 1 2 9 0 5 8
C N 1 1
C N 1 3 2 8
C N 1 3 2 7
C N 1 3 2 5
C N 1 3 1 1
4 0 1 2 9 2 6 9
E F E E D E R F L O A T S E N S O R R E C ( F )
4 0 1 2 9 0 5 7
C N 2
C N 1
C N 4
C N 3
C N 7
C N 1 2 1 0
C N 1 0
C N 1 2 0 9
C N 9
C N 1 2 0 8
C N 8
4 0 1 2 9 0 2 4
4 0 1 2 9 0 2 3
K E Y S W
C O N S O L E S W ( F )
4 0 1 2 9 0 2 2
4 0 1 2 9 0 2 5
4 0 1 2 9 0 2 1
C N 1 2 6 2
C N 1 2 6 1
S T O P S W ( F )
C N 1 2 6 0
S T A R T S W ( F )
C N 1 2 5 9
C N 1 2 5 8
C N 1 2 6 3C N 1 2 0 7
4 0 1 2 9 0 2 0
E M G S W ( F )
Y C L A S H S E N S O R
4 0 1 6 5 0 2 8
4 0 1 2 9 0 0 3
C N 1 2 0 2
4 0 1 2 9 0 0 4
C N 1 2 2 3
4 0 1 2 9 0 0 1
C N 1 2 3 7
C N 1 2 3 5
Y B E A R
C A B L E S A S M ( R )
4 0 1 3 3 0 5 7
C N 1 2 2 9
X P O S L M T
S E N S O R ( R )
4 0 1 6 5 0 2 8
C N 1 2 2 6
C N 1 2 3 0
X N E A R S E N S O R ( R )
4 0 1 2 9 0 0 2
C N 1 2 2 4
C N 1 2 2 2
C N 1 2 2 1
X N E G L M T
S E N S O R ( R )
4 0 1 6 5 0 2 8
4 0 1 2 9 0 0 3
C N 1 2 0 1
4 0 1 2 8 9 9 9
C N 1 2 2 3
4 0 1 2 9 0 0 1
C N 1 2 2 7
C N 1 2 2 5
Y B E A R
C A B L E S A S M ( F )
4 0 1 3 3 0 5 7
C N 1 2 2 0
X P O S L M T
S E N S O R ( F )
4 0 1 6 5 0 2 8
C N 1 2 2 6
C N 1 2 3 0
X N E A R S E N S O R ( F )
4 0 1 2 9 0 0 2
C N 1 2 2 4
C N 1 2 2 2
C N 1 2 2 1
X N E G L M T
S E N S O R ( F )
4 0 1 6 5 0 2 8
M I N I S I G N A L T O W E R ( R )
4 0 1 2 9 0 1 0
C N 1 2 5 2
C O V E R O P E N S W ( R )
4 0 0 0 2 2 5 4
C N 1 2 5 0
Y N E A R S E N S O R ( R )
4 0 1 2 9 0 0 2
C N 1 2 4 9
C N 1 2 4 8
C N 1 2 4 7C N 1 2 0 4
4 0 1 2 9 1 3 4
Y P O S L M T 1 S E N S O R ( R )
4 0 1 6 5 0 2 8
M I N I S I G N A L T O W E R ( F )
4 0 1 2 9 0 1 0
C N 1 2 4 6
S I G N A L T O W E R
4 0 1 2 9 0 0 9
C N 1 2 4 4
C O V E R L O C K S . V . ( F )
P V 1 5 0 5 3 8 0 0 0
C N 1 2 4 3
C O V E R O P E N S W ( F )
4 0 0 0 2 2 5 4
C N 1 2 4 2
Y N E A R S E N S O R ( F )
4 0 1 2 9 0 0 2
C N 1 2 4 1
C N 1 2 4 0
C N 1 2 3 9
C N 1 2 5 6
C N 1 2 5 5
C N 1 2 5 4
C N 1 2 5 3
R Y L C N 3
R X C N 3
F Y L C N 3
4 0 1 3 3 0 0 6
4 0 1 2 9 0 1 7
F X C N 3
4 0 1 2 9 0 1 5
4 0 1 3 3 0 0 7
4 0 1 2 9 0 1 9
C N 3
X S E R V O D R I V E R ( R )
4 0 1 2 9 6 5 2
C N 3
Y L S E R V O D R I V E R ( R )
4 0 1 2 9 6 5 4
C N 3
X S E R V O D R I V E R ( F )
4 0 1 2 9 6 5 2
C N 0 2 0 1
E M G
P O S I T I O N B O A R D
4 0 1 2 9 6 4 8
4 0 1 2 9 0 1 2
( E N O N L Y )
C N 0 0 6 1
E L E C T R I C A L U N I T
< B O T T O M U N I T >
4 0 1 2 7 5 3 6
4 0 1 2 7 5 5 8 ( E N )
C N 6 1
S A F E T Y P C B
4 0 1 2 8 8 7 2
C N 0 3 0 1
4 0 1 2 9 0 1 1
4 0 1 2 9 3 2 0
C N 1 2 1 1
C N 3
Y L S E R V O D R I V E R ( F )
4 0 1 2 9 6 5 4
C N 0 0 1 7
E L E C T R I C A L U N I T
< T O P U N I T >
4 0 1 2 7 5 3 7
4 0 1 2 7 5 6 3 ( E N )
C N 1 7
C N 1
I O C O N T R O L P C B
4 0 1 2 8 8 7 1
C N 1 2 0 3
4 0 1 2 9 0 0 5
Y N E G L M T S E N S O R ( F )
4 0 1 6 5 0 2 8
C N 1 1
S A F E T Y & E B A N K U N I T
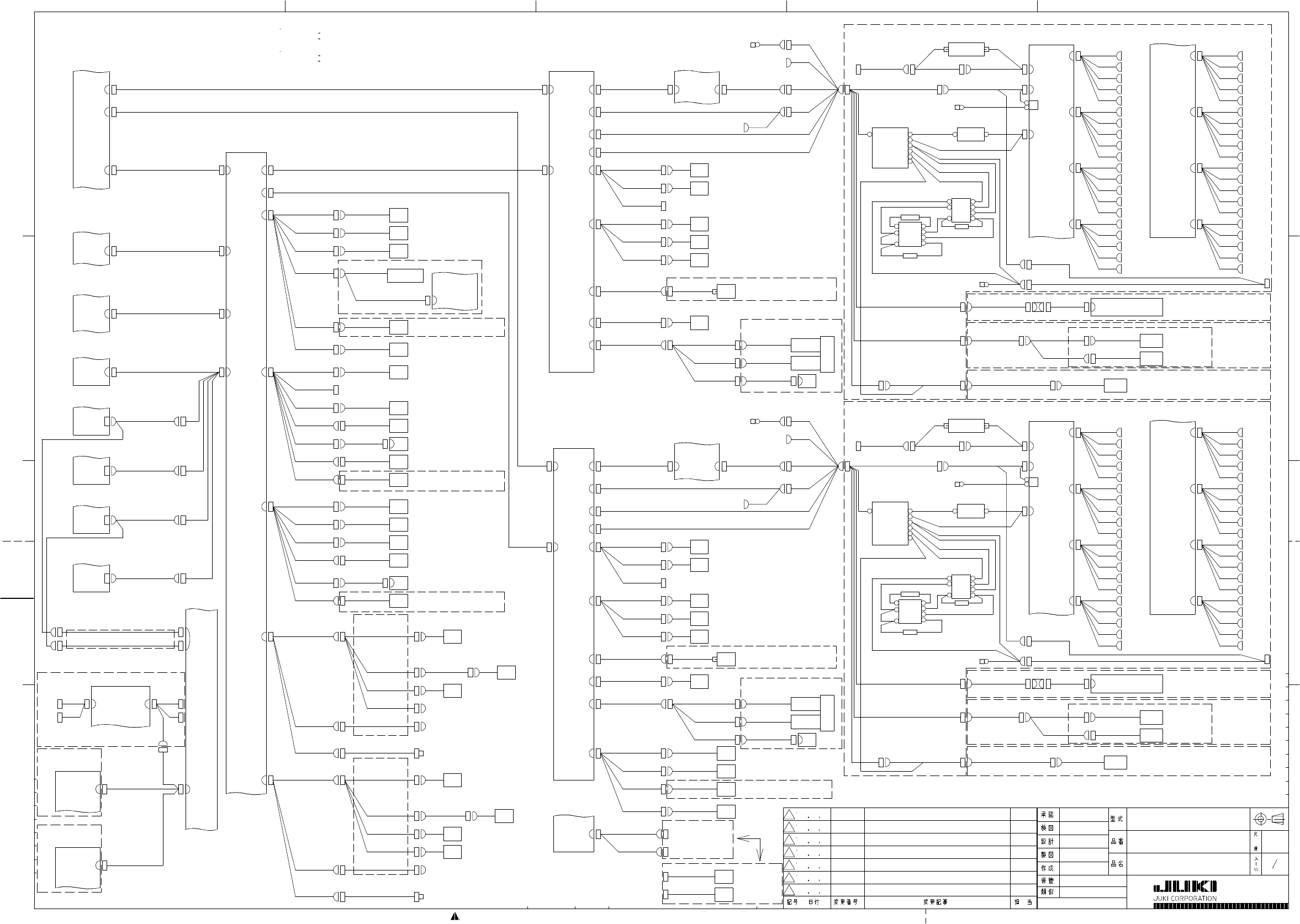
E D A
T S K 7 - A 2 - V 0 1
S Y S T E M D I A G R A M
4 0 1 3 3 1 0 2
8
3
R X - 6 / R X - 6 B / R X - 6 R
D
A
B
C
1 2 3 4 5
A
B
C
D
N O T
O P T I O N

EDA
TSK7-A2-V01
SYSTEM DIAGRAM
40133102
8
4
RX-6/RX-6B/RX-6R
D
A
B
C
12345
A
B
C
D
NOT
NOTE2 THIS CONNECTION CHANGE WITH ONLY REAR SIDE VCS UNIT OPTION.
(CONNECT TO "LIGHT CTRL PCB(R)-CN1")
NOTE2
40166447
CN2101
CN1027
VCS OPTION(R)
VCS OPTION(F)
6-2D
6-2A
LOAD CELL OPTION
6-1A
STOPPER SV
40156969
L-STOP SV
M STOPPER[R] S.V.
OPTION(MECHANICAL STOPPER [L])
L-STOP SENS
MECHANICAL STOPPER SENSOR (L)
40156968
STOPPER SV
40156969
L-STOP SV
M STOPPER[L] S.V.
R-STOP SENS
MECHANICAL STOPPER SENSOR (R)
40156968
(M/C REV.D ONLY)
(M/C REV.D ONLY)
NOTE1
40158145[MREV.D]
NOTE1
40158143[MREV.D]
NOTE1 THESE P/N CHANGES WITH MACHINE REVISION.
"[MREV.C]"
RX-6 MACHINE REVISION : BEFORE "C"
"[MREV.D]"
RX-6 MACHINE REVISION : "D"
EXTCLINK PCB
40142095
CN4
CN3
CN1
CN2
VCS
(STANDARD)
(REAR)
40133149
40133146
CN1
CN2
VCS
(STANDARD)
(FRONT)
40133149
40133145
4-4B
CN4 OP
CN1
CN2
VCS
(OPTION)
(REAR)
40133149
40133146
4-4B
CN3 OP
CN2
IP-X11 PCB
40133294
EXTCLINK PCB
40142095
CN1
CN2
CN1072 CN1072
CN1065 CN1065
OPTION (CONVEYOR EXTENSION)
40129139
OPTION (CONVEYOR EXTENSION)
40129139
3-1D
3-1D
SMEMA
SMEMA
3-1D
5-3A
3-3C
5-1A
3-1D
3-1A
VCS SV
40002148
VCS SV
40002148
ATC SV
40129261
SOT SV
40129155
ATC SV
40129261
CAL VAC
40129260
CN1078-8 SMEMA
CN1078-7 DIR
CN1078-6 IDLE
CN1078-S5
CN1078-S4
BU LOCK
BU CNG(R)
BU CNG(L)
CN1078-3
CN1078-2
CN1078-1
40129053
40129052
40129051
CN1096
CN1095
OPTION(HIGH RESOLUTION CAMERA [REAR])
40133024
OPTION(HIGH RESOLUTION CAMERA [FRONT])
SIDE LIGHT ASM(R)
40132989
SIDE LIGHT ASM(R)
40132989
S COAXIAL
LIGHT PCB(R)
40108599
CN4
CN3
CN2
CN1
40133015
SIDE CN1
CN1
CN6
VCS CN9
CN1
40133015
SIDE CN1
CN1
CN5
VCS CN9
40109805
BACK CN1
CN1
BACK LIGHT PCB(R)
40132986
CN7
BOTTOM CN9
BOTTOM LIGHT PCB(R)
40132987
VCS CN1
CN1
40133018
CN476
VCS S.V. (R)
CN474
VCS ST
SENSOR (R)
40002146
CN475
VCS OP
SENSOR (R)
40002147
CN4
CN2104
CN5
CN2105
CN7
CN11
VCS
(OPTION)
(FRONT)
40133149
40133024
OPTION (SLIDE FLUXER FOR FRONT BASE)
FLUXER 2P
FLUXER 4P
SLIDE FLUXER UNIT ASM
40042180
CN1020
FLUXER 2P
CN1021
FLUXER 4P
CN1012
LC AMP
OPTION(SOT CHECK)
OPTION(SLIDE FLUXER FOR REAR BASE)
OPTION(COMPONENT VERIFICATION SYSTEM)
40133019
40133150
LOAD CELL
LOADCELL AMP
40133151
CN12
40133028
CN21
CN20
SLIDE FLUXER UNIT ASM
40042180
40129041
40156967
40129028
40129029
40129037
40129036
40129035
40133012
40129060
40129059
40129056
40133145
40133017
40133013
CN0020
CN20
CN0018
CN18
40133016
LIGHT CTRL PCB(R)
40132991
CN2110
CN10
CN2101
CN1
CN3
CN2003
CN37
S COAXIAL
LIGHT PCB(F)
40108599
CN4
CN3
CN2
CN1
40133015
SIDE CN1
CN1
SIDE LIGHT ASM(F)
40132989
CN6
VCS CN9
CN1
40133015
SIDE CN1
CN1
SIDE LIGHT ASM(F)
40132989
CN5
VCS CN9
40109805
BACK CN1
CN1
BACK LIGHT PCB(F)
40132986
CN7
BOTTOM CN9
BOTTOM LIGHT PCB(F)
40132987
VCS CN1
CN1
40133014
CN476
VCS S.V. (F)
CN474
VCS ST
SENSOR (F)
40002146
CN475
VCS OP
SENSOR (F)
40002147
CN7
CN11
CN4
CN2004
LIGHT CTRL PCB(F)
40132991
CN2010
CN10
CN5
CN2005
CN2001
CN1
40129044
CN1017
CN17
CN2
CVS02
CN27
CN1027
CONVEYOR PCB
40128875
CN0003
CN3
CN16
CN1016
CN19
CN1019
40129031
40129031
SMEMARSIDE
SMEMALSIDE
40129043
1-1C (MTS IF)
COVER
40133009
MTS IF
CN23
CN1023
CN1215
CN15
SAFETY PCB
40128872
CN26
CN1026
40129152
40129138
40129140
40129047
CN1090A
CN1089A
40129137
CN1075A
CN1090B
CN1089B
40129140
BU LOCK
SENSOR
40129049
BU CHANGE
SENSOR(R)
40129048
CN1075B
CN1074
CN1073
BU CHANGE
SENSOR(L)
40129048
CN25
CN1025
ATC1 CLOSE SENSOR
40129062
CN1088
ATC1 OPEN SENSOR
40129062
CN1087
CN1089
ATC1 S.V.
40156965
CN24
CN1024
CN1088
ATC2 CLOSE SENSOR
40129062
CN1087
ATC2 OPEN SENSOR
40129062
CN1083
SOT CHECK S.V.
CAL VACUUM S.V.
CN1082
CN1
CN2
CN1095
CAL LED PCB
40007376
CN1081
ATC2 S.V.
CN1077
CLAMP DETECT
SENSOR
40129062
HD001070030
HD001070030
STOP SENSOR
AMP(R)
40129061
CN1069
CN1068
STOP SENSOR
AMP(L)
40129061
BU PIN DETECT SENSOR(EMI)
40129058
CN1371
BU PIN DETECT SENSOR(REC)
40129057
CN1370
40129135
SIDE SENSOR(L)
40129046
CN1072
40129054
BU LOCK S.V.
BU CHANGE S.V.(R)
BU CHANGE S.V.(L)
CN1078
40129050
40129256
CN14
CN1014
CN1079
CN30
CN1030
CAL VACUUM SENSOR
40129080
CN1067
ORG SENSOR(BU)
40129042
40156967
CN1029
CN29
CN1065
SIDE SENSOR(R)
40129046
PROBE1(+)
PROBE1(-)
PROBE2(+)
PROBE2(-)
PROBE3(+)
PROBE3(-)
PROBE4(+)
PROBE4(-)
PROBE5(+)
PROBE5(-)
40101188
PROBE6(+)
CVS03
CN3
CN1
CVS01
CVS PCB
40095117
CN2
CN1002
ORG SENSOR(AWC)
40129042
CN1066
CN658
AWC ENCODER
E94337290A0
CN4
CN1004
40129039
CN1057
CN1
CN2
CN1058
5PHASE AWC DRIVER
HM001320000
CN1059
AWC MOTOR
40129040
40129645
BU MOTOR
40129637
CN1063
40129038
CN7
CN1007
CN11
CN1011
CN8
CN1008
BU SERVO DRIVER
40129636
CN5
CN3
CN1062
CN1062
CN8
CN1056
CN1
CN1055
CN2
CN1054
CN7
CN6
CN31
CN1006
NOTE1
40129034[MREV.C]
40158144[MREV.D]
CN1052
CN1
CN2
CN1053
NOTE1
R MOTOR DRIVER
HM001320000(5PHASE)[MREV.C]
40154209(2PHASE)[MREV.D]
CN1061
NOTE1
R MOTOR
40129033[MREV.C]
40158136[MREV.D]
CN1031
NOTE1
40129032[MREV.C]
40158142[MREV.D]
CN1050
CN1
CN2
PROBE6(-)
CN1018
CN18
CN1028
CN28
CN1051
NOTE1
L MOTOR DRIVER
HM001320000(5PHASE)[MREV.C]
40154209(2PHASE)[MREV.D]
CN1060
NOTE1
L MOTOR
40129033[MREV.C]
40158136[MREV.D]
CN0303
40129027
40129026
CN0016
ELECTRICAL UNIT
<TOP UNIT>
40127537
40127563 (EN)
CN16
CN3
IO CONTROL PCB
40128871
CONVEYOR(SINGLE LANE) & VCS