J09_RS-1_SPE.pdf - 第54页
50 8 8-1-1 …

49
7
7-1-1
SSD
USB
7-1-2
1 10,000
1 1,200
1,200
1 10,000
IC 50
BOC 1 23
3

50
8
8-1-1
a)
b)
c)
d)

51
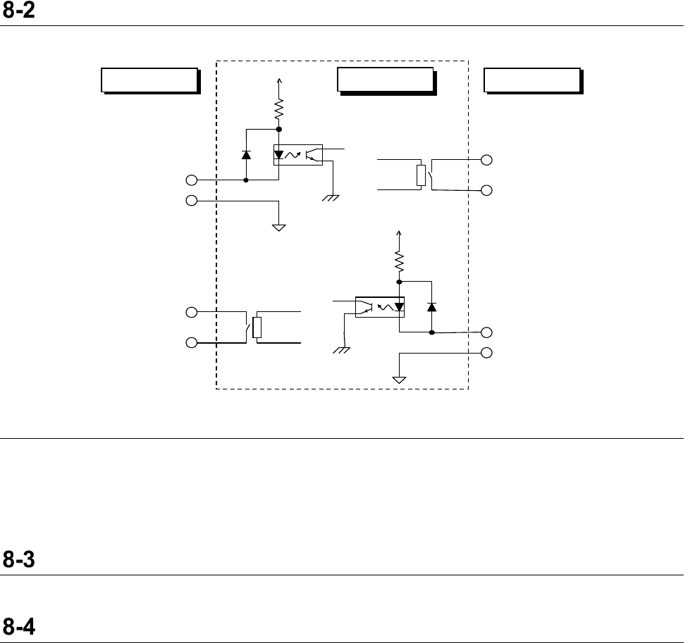
8-2-1
JIS B 8438 10m
0
0E9599705A0
LAN 10 / 100 BASE T
812
+24
+24
(READY IN+)
1
(READY IN-)
2
(BOARD AVAILABLE OUT+)
3
(BOARD AVAILABLE OUT-)
4
(READY OUT+)
1
(READY OUT-)
2
(BOARD AVAILABLE IN+)
3
(BOARD AVAILABLE OUT-)
4