QE53C-E-MPA-45.pdf - 第51页
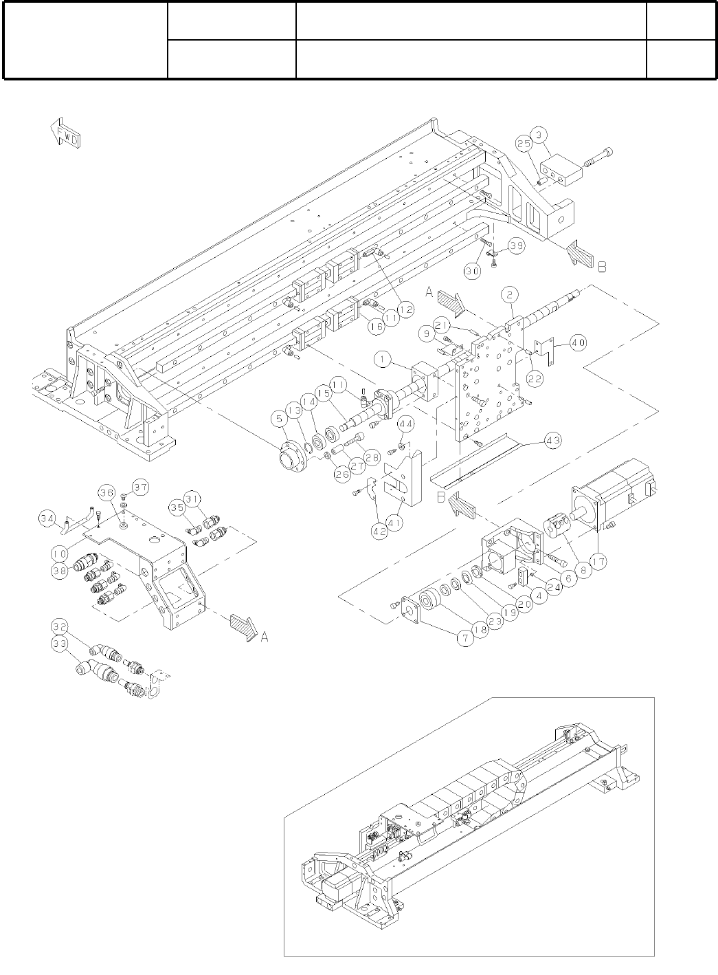
Ref No. Remarks R 1 Q't y 3-A X 軸 ユニット X-Axis Unit イラスト No. Part No. 品 名 品番 数量 R 2 パーツリスト Kit No . キット品 番 Kit Name キット名称 KXFX0454A00 Part N ame 備 考 セクションNo. PARTS LIST Section No. R 3 FRAME 1 1 N610005876AA X-BAR 1 …

3-A
X
軸
ユニット
X-Axis Unit
パーツレイアウト
Kit No.
キット品
番
Kit Name
キット名称
KXFX0454A00
セクションNo.
PARTS LAYOUT
Section No.
M27

Ref
No.
Remarks
R
1
Q't
y
3-A
X
軸
ユニット
X-Axis Unit
イラスト
No.
Part No.
品 名品番 数量
R
2
パーツリスト
Kit No.
キット品
番
Kit Name
キット名称
KXFX0454A00
Part Name
備 考
セクションNo.
PARTS LIST
Section No.
R
3
FRAME
1
1 N610005876AA
X-BAR
1
2 N610005630AA
FRAME
1
3 N610005570AA
FRAME
1
4 N610005571AA
NUT-PLATE
2
5 KXFB02PTA03
NUT-PLATE
3
6 KXFB02RMA00
BRACKET
2
7 KXFB02RNA00
BRACKET
1
8 KXFB02RPA00
BRACKET
1
9 KXFB02RRA00
PH-SENSOR
1
10 KXF0DL7AA01 PM-L53-C1(DA KXF0DL7AA01)
PH-SENSOR
1
11 KXF0DL4AA01 PM-L53B-C1(DA KXF0DL4AA01)
PH-SENSOR
1
12 KXF0DL5AA01 PM-L53B-C1(DA KXF0DL5AA01)
PIN
2
13 KXF02YRAA00 MS6-15
BOLT
6
14 N510017311AA
Hexagon socket head cap screw M3X14-10.9 A2J (Trivalent)
PLUG
8
15 KXF0E0NMA00 CP-30-HP-1
M28

3-B
X
軸
ユニット
X-Axis Unit
パーツレイアウト
Kit No.
キット品
番
Kit Name
キット名称
KXFX0454A00
セクションNo.
PARTS LAYOUT
Section No.
M29