YSM40R-000_cwd_je.pdf - 第15页
Confidential & P roprietary P A GE HP CN2 LAN XC-AXI S JB1 X ORG SQ007 XC-AXIS ORIGIN N01002C 2 J0324 XA-AXIS ORIGIN JB1 X ORG SQ005 N01002B 5 JB5 X FAN XA MOTOR J0341 JB6 Y FAN J0345 X FAN Y FAN FAN 18 FAN 22 YA MOT…

Confidential & Proprietary
PAGE
21 22
73 74
83 84
53 54
A1 A2
1/L1
3/L2
5/L3
2/T1
4/T2
6/T3
61 62
KM13/KM13A
S11
KM13 A1 +24A KM13 A2 0V
U53
W53
V53
U57
V57
W57
POWER CIRCUIT -1-
See Page 2
21 22
73 74
83 84
53 54
A1 A2
1/L1
3/L2
5/L3
2/T1
4/T2
6/T3
61 62
KM12/KM12A
KM12 A1 +24B KM12 A2 0V
KM12 53 +24V
POWER CIRCUIT -2-
See Page 3
21 22
73 74
83 84
53 54
A1 A2
1/L1
3/L2
5/L3
2/T1
4/T2
6/T3
61 62
KM14/KM14A
KM14 21 FB4
KM14 61 FB4
KM14 22 FB5
KM14 62 FB5
KM14 A1 +24B KM14 A2 0V
See Page 3
POWER CIRCUIT -2-
KM11/KM11A
KM11 21 FB1
KM11 61 FB1
KM11 22 FB2
KM11 62 FB2
KM11 53 +24V
KM11 74+24E1
KM11 84+24E2
KM11 73 +24V
KM11 83 +24V
S10
KM11 A1 +24A KM11 A2 0V
21 22
73 74
83 84
53 54
A1 A2
1/L1 2/T1
4/T2
6/T3
61 62
3/L2
5/L3
W53
V53
W53
V53
U53
U53
U55
V55
W55
J0309
CN14
I/O CONVEYOR -1-
See Page 8
J0309
CN14
I/O CONVEYOR -1-
See Page 8
NF11
POWER CIRCUIT -1-
See Page 2
J0005
J0007
SRV C/R 1
POWER CIRCUIT -1-
See Page 2
POWER CIRCUIT -2-
POWER CIRCUIT -2-
See Page 3
See Page 3
KM13 21 FB2
KM13 61 FB2
KM13 22 FB3
KM13 62 FB3
KM11 54 ON11
KM13 53 ON11 KM13 54 KMON1
KM12 54 ON21
KM14 53 ON21 KM14 54 ON22
KM
Control
Circuit
13
23
33
43
53
61
14
24
34
44
54
Off
Delay
Timer
K1 K2
K3 K4
62
*OFF-delay time setting switch
Set time 0.5sec
DC
LOGIC
AC
A1
A2
T11
T12
KM10
B
PE
A
T21
T22
T23
T31
T32
1
2
3
4
5
6
7
KM10 A1 +24V
KM10 A2 0V
KM10T11 SAFE0
KM10T23 SAFE1
KM10T12 SAFE1
KM10 T31 FB0
KM10 13 +24V
KM10 23 +24V
KM10 43 +24V
KM10 24 SRVON
KM10 14 +24A
KM10 44 +24B
CN38
See Page 10
I/O CONVEYOR -3- J0255
J0006
J0008
QF52
QF51 F HEAD
R HEAD
+48VA +48VA1
+48VB1+48VB
KM10 T31 FB6
J0258
J0259
J0260
J0261
KM12 22 FB4
KM12 62 FB4
KM12 21 FB3
KM12 61 FB3
SRV C/R 2
J0061
J0062
J0066
J0067
21 22
73 74
83 84
53 54
A1 A2
1/L1
3/L2
5/L3
2/T1
4/T2
6/T3
61 62
KM15/KM15A
KM15 21 FB5
KM15 61 FB5
KM15 22 FB6
KM15 62 FB6
KM15 A1 +24B KM15 A2 0V
See Page 3
POWER CIRCUIT -2-POWER CIRCUIT -2-
See Page 3
KM15 53 ON22 KM15 54 KMON2
KM31
S31
A1 A2
1/L1
3/L2
5/L3
2/T1
4/T2
6/T3
13 14
A1 A2
1/L1
3/L2
5/L3
2/T1
4/T2
6/T3
13 14
S32
KM32
POWER CIRCUIT -1-
See Page 2
POWER CIRCUIT -1-
See Page 2
POWER CIRCUIT -1-
See Page 2
POWER CIRCUIT -1-
See Page 2
QF53 CV C/R
+48VC +48VC1
U61
V61
W61
U62
V62
W62
U63
V63
W63
U64
V64
W64
CN3
I/O CONVEYOR -1-
See Page 8
KM31 A1 +24C
KM32 A1 +24D
KM31 13 +24V
KM32 13 +24V KM32 14 KMON
KM31 14 KMON
KM31 A2 0V
KM32 A2 0V
J0012
QF32
QF33
PUMP1
PUMP2
J0013
J0015 J0016
KM16/KM16A
KM16 84
KM16 74KM16 73
KM16 83
KM16 13 KM16 14
KM16 A2KM16 A1 A1 A2
73 74
83 84
54
1/L1
3/L2
5/L3
2/T1
4/T2
6/T3
63
53
64
13 14
KM17/KM17A
FDR 0V
KM17 74
KM17 84KM17 83
KM17 73
KM17 13 KM17 14
KM17 A1 KM17 A2
S13
A1 A2
73 74
83 84
54
1/L1
3/L2
5/L3
2/T1
4/T2
6/T3
63
53
64
13 14
KA01
KA01 13
KA01 9
KA01 14
KA01 10
KA01 5
KA01 1
KA01 6
KA01 2
XT42
POWER CIRCUIT -2-
See Page 3
1
513
9
14
15
16
2
3
4
6
7
8
10
11
12
S12
FDR RELAY
FDR KM
J0362
CN21
I/O CONVEYOR -2-
See Page 9
J0363
FDR PWR
POWER CIRCUIT -2-
See Page 3
KA01 15
KA01 11
KA01 16
KA01 12 KA01 4
KA01 8
KA01 3
KA01 7
PUMP RELAY
J0367
J0366
PUMP KM
T0100003
T0100004
T01000A5
T01000A6
QF43/44
J0063 J0068
J0049J0048
J0310
J0328
J0262
S14
CC.V1
11
SAFETY UNIT
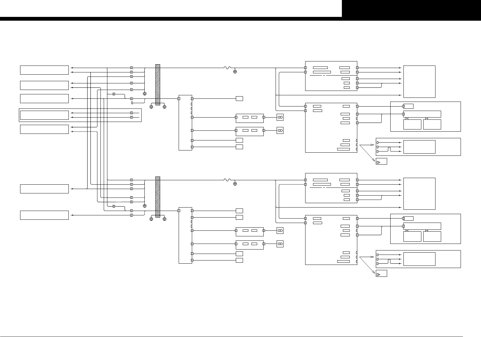
YSM40R-4

Confidential & Proprietary
PAGE
HP CN2
LAN
XC-AXIS
JB1 X ORG
SQ007
XC-AXIS ORIGIN
N01002C2
J0324
XA-AXIS ORIGINJB1 X ORG
SQ005
N01002B5
JB5 X FAN
XA MOTOR
J0341
JB6 Y FAN J0345
X FAN
Y FAN
FAN 18
FAN 22
YA MOTOR
N01002A0
N01002C1
Y FAN
X FAN
HP CN2
LAN
XA-AXIS
J0322
FID.CAM
HEAD C CAMERA SELECTOR P049
D.CAM3
P109P108
P107
CSEL CN11
FIDUCIAL CAMERA
EL03
J0753
LIGHT3 CN10
CAM3 CN8
RIGHT
FIDUCIAL LIGHT
LIGHT BRD1
FID.COAX
LIGHT BRD2
FID.COAX
FID CN1 FID.MAIN LIGHT
BOARD ASSY
CN1
FIDUCIAL CAMERA
CAMOUTCN5
DC24VCN11
LIGHT2
LIGHT2 CN9
CAM2 CN6
LIGHT1
CAM1
LIGHT1 CN7
CAM1 CN4
5
P133
PNP CHANGER BRD ASSY
NPN CN1CN2 PNP6
PNP CHANGER BRD ASSY
P132
NPN CN1CN2 PNP
3
4
FID.CAM
HEAD A CAMERA SELECTOR P043
P103P102
P101
CSEL CN11
FIDUCIAL CAMERA
J0751
LIGHT3 CN10
CAM3 CN8
RIGHT
FIDUCIAL LIGHT
EL01
LIGHT BRD1
FID.COAX
LIGHT BRD2
FID.COAX
FID CN1 FID.MAIN LIGHT
BOARD ASSY
CN1
D.CAM1 FIDUCIAL CAMERA
CAMOUTCN5
DC24VCN11
LIGHT2
LIGHT2 CN9
CAM2 CN6
LIGHT1
CAM1
LIGHT1 CN7
CAM1 CN4
See Page 6
J0176
REMOTE I/F LAN1
J0178
REMOTE I/F LAN3
SYSTEM C/R
2
See Page 6
See Page 8
See Page 10
BASE CAMSEL C CAM2
BASE CAMSEL A CAM2
HEAD A/C CAM(SIDE VIEW Spec.)
XC OT
XA OT
VISION1 CAM2
J0701
J0703
J0703
J0701
CAMERA SELECTOR
SYSTEM C/R
J0666
J0668
I/O BOARD ASSY P048
POW BOARD ASSY P047
I/O BOARD ASSY P042
POW BOARD ASSY P041
HI CN8
HI CN7
HI CN6
JUNCTION BOX
IN 1
DUCT YA
FLEXIBLE
J0302
CAMERA SEL POW
J0401 HP CN4
CN4
48V POW
IC POW
48V/24V/EMG
I/O CONVEYOR -1-
CN4
I/O CONVEYOR -3-
CN43
J0251
CN31
J0417
J0413
DO OUT
J0409
J0405
HP CN3
HP CN1
CN3
DO1
DO0
DO IN
SELECT HEAD TYPE
DO IN
IC PWR
MOTOR PWR
CN8
CN7
CN6
CN1CN2
HEAD A I/O UNIT ASSY
HI CN6
HI CN7
HI CN8
JUNCTION BOX
IN 1
DUCT YC
FLEXIBLE
J0403 HP CN4
CN4 CAMERA SEL POW
48V POW
IC POW
48V/24V/EMG
J0419
J0415
DO OUT
J0411
J0407
HP CN3
HP CN1
HEAD C I/O UNIT ASSY
CN3
DO1
DO0
DO IN
SELECT HEAD TYPE
DO IN
IC PWR
MOTOR PWR
CN8
CN7
CN6
CN1CN2
CN12FEEDER_IF
LIGHT3
CAM3
LIGHT
CN12 N TRG
See Page 14
J0781
LIGHT3
CAM3
See Page 14
LIGHT3
CN12FEEDER_IF
LIGHT3 LIGHT
CN12 N TRG
J0071
J0073
See Page 3
POWER CIRCUIT -2- J0066
J0709
J0711
VISION1 CAM4
For MU HEAD
For MU HEAD
See Page 16
DC48V
JUNC IN
JUNC IN
SV CAM
SV CAM
CN33
I/O CONVEYOR -3-
See Page 10
J0253
RS HEAD See Page 14
RS HEAD See Page 14
RS SIDE VIEW CAMERA
RS HEAD SIDE VIEW CAMERA
RS SIDE VIEW CAMERA
RS HEAD SIDE VIEW CAMERA
MU HEAD See Page 15
MU HEAD See Page 15
XC DI
HC LAN
HC+48V
HC+24V
HC EMG
HEAD C
HEAD A
XA DI
HA LAN
HA+48V
HA+24V
HA EMG
XA-AXIS OVER TRAVEL 1
SQ025
JB7 X OT1
N0100445
7
XA-AXIS OVER TRAVEL 2JB8 X OT2
SQ026
N0100446
XT75
8
JB5 X FAN
JB6 Y FAN
J0343
J0347
X FAN
Y FAN
YC MOTOR
XC MOTOR
FAN 20
FAN 24
N01002A2
N01002C6
X FAN
Y FAN
5
P137
P136
PNP CHANGER BRD ASSY
NPN CN1CN2 PNP6
PNP CHANGER BRD ASSY
NPN CN1CN2 PNP
4
3
2
JB2 Y SAFE
SQ034
N0100442
YL SAFETY
JB7 X OT1
SQ029
XC-AXIS OVER TRAVEL 1
N0100447
7
JB8 X OT2
SQ030
XC-AXIS OVER TRAVEL 2
N0100450
XT77
8
J0045
J0783
CAMSEL
CAMSEL
CAM
CAMHEAD C
HEAD A
Y SAFE
YL SAFE
CC.V1
12
HEAD -1-
YSM40R-4

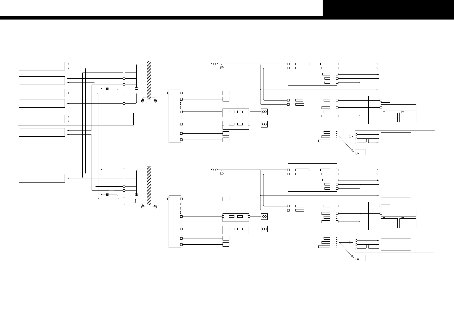
Confidential & Proprietary
PAGE
HP CN2
LAN
JB1 X ORG
HP CN2
LAN
JB1 X ORG
XD-AXIS ORIGIN
XD-AXIS
XB-AXIS
XB-AXIS ORIGINJ0323
J0325
SQ006
SQ008
N01002D0
N01002D5
JB5 X FAN
JB6 Y FAN
X FAN
Y FAN
YD MOTOR
XD MOTOR
J0348
FAN 21
FAN 25
N01002E1
N01002A3
X FAN
Y FAN
J0344
See Page 6
SYSTEM C/R
REMOTE I/F LAN4
REMOTE I/F LAN2
J0179
J0177
FID.CAM
HEAD B CAMERA SELECTOR P046
EL02
P106P105
P104
D.CAM2
J0752
CSEL CN11
FIDUCIAL CAMERA
RIGHT
FIDUCIAL LIGHT
LIGHT BRD1
FID.COAX
LIGHT BRD2
FID.COAX
FID CN1 FID.MAIN LIGHT
BOARD ASSY
CN1
FIDUCIAL CAMERA
CAMOUTCN5
DC24VCN11
LIGHT2
LIGHT2 CN9
CAM2 CN6
LIGHT1
CAM1
LIGHT1 CN7
CAM1 CN4
P139
P138
5
PNP CHANGER BRD ASSY
NPN CN1CN2 PNP6
PNP CHANGER BRD ASSY
NPN CN1CN2 PNP
FID.CAM
HEAD D CAMERA SELECTOR P052
J0754
D.CAM4
EL04
P112P111
P110
CSEL CN11
FIDUCIAL CAMERA
RIGHT
FIDUCIAL LIGHT
LIGHT BRD1
FID.COAX
LIGHT BRD2
FID.COAX
FID CN1 FID.MAIN LIGHT
BOARD ASSY
CN1
FIDUCIAL CAMERA
CAMOUTCN5
DC24VCN11
LIGHT2
LIGHT2 CN9
CAM2 CN6
LIGHT1
CAM1
LIGHT1 CN7
CAM1 CN4
4
3
2
See Page 8
See Page 10
XD OT
XB OT
HEAD D I/O UNIT ASSY
J0669
J0404
J0420
J0416
J0412
J0408
I/O BOARD ASSY P051
POW BOARD ASSY P050
I/O BOARD ASSY P045
POW BOARD ASSY P044
J0418
J0414
J0410
J0406
J0402
CN5
J0303
CN32
CN44
J0252
J0667
DUCT YD
DUCT YB
HEAD B I/O UNIT ASSY
HI CN8
HI CN7
HI CN6
JUNCTION BOX
IN 1
FLEXIBLE
CAMERA SEL POW
HP CN4
CN4
48V POW
IC POW
48V/24V/EMG
I/O CONVEYOR -1-
I/O CONVEYOR -3-
DO OUT
HP CN3
HP CN1
CN3
DO1
DO0
DO IN
SELECT HEAD TYPE
DO IN
IC PWR
MOTOR PWR
CN8
CN7
CN6
CN1CN2
HI CN6
HI CN7
HI CN8
JUNCTION BOX
IN 1
FLEXIBLE
HP CN4
CN4 CAMERA SEL POW
48V POW
IC POW
48V/24V/EMG
DO OUT
HP CN3
HP CN1
CN3
DO1
DO0
DO IN
SELECT HEAD TYPE
DO IN
IC PWR
MOTOR PWR
CN8
CN7
CN6
CN1CN2
LIGHT3 CN10
CAM3 CN8
CAM3
See Page 14
LIGHT3
CN12FEEDER_IF
LIGHT3 CN10
CAM3 CN8
CAM3
See Page 14
LIGHT3
CN12FEEDER_IF
LIGHT3 LIGHT
CN12 N TRG
LIGHT3 LIGHT
CN12 N TRG
J0067
J0072
J0074
See Page 3
POWER CIRCUIT -2-
J0710
For MU HEAD
For MU HEAD
DC48V
JUNC IN
JUNC IN
J0712
SV CAM
SV CAM
CN33
I/O CONVEYOR -3-
See Page 10
J0253
See Page 6
HEAD B/D CAM(SIDE VIEW Spec.)
BASE CAMSEL D CAM2
BASE CAMSEL B CAM2
CAMERA SELECTOR
J0704
J0702
SYSTEM C/R
VISION2 CAM4
J0704
J0702
VISION2 CAM2
See Page 17
MU HEAD See Page 15
MU HEAD See Page 15
RS HEAD See Page 14
RS HEAD See Page 14
RS SIDE VIEW CAMERA
RS HEAD SIDE VIEW CAMERA
RS SIDE VIEW CAMERA
RS HEAD SIDE VIEW CAMERA
XD DI
HD LAN
HD+48V
HD+24V
HD EMG
HEAD D
HEAD B
XB DI
HB LAN
HB+48V
HB+24V
HB EMG
JB5 X FAN
JB6 Y FAN
X FAN
Y FAN
YB MOTOR
XB MOTOR
J0342
J0346
FAN 19
FAN 23
N01002D4
N01002A1
X FAN
Y FAN
P135
P134
5
PNP CHANGER BRD ASSY
NPN CN1CN2 PNP6
PNP CHANGER BRD ASSY
NPN CN1CN2 PNP
4
3
2
JB2 Y SAFE
N0100441
YR SAFETY
JB7 X OT1 XB-AXIS OVER TRAVEL 1
SQ027
N0100453
7
JB8 X OT2 XB-AXIS OVER TRAVEL 2
SQ028
N0100454
XT76
8
JB7 X OT1 XD-AXIS OVER TRAVEL 1
SQ031
N0100455
7
JB8 X OT2 XD-AXIS OVER TRAVEL 2
SQ032
N0100456
XT78
8
SQ033
J0782
J0784
J0046
CAMSEL
CAMSEL
HEAD B
HEAD D
CAM
CAM
Y SAFE
YR SAFE
CC.V1
13
HEAD -2-
YSM40R-4