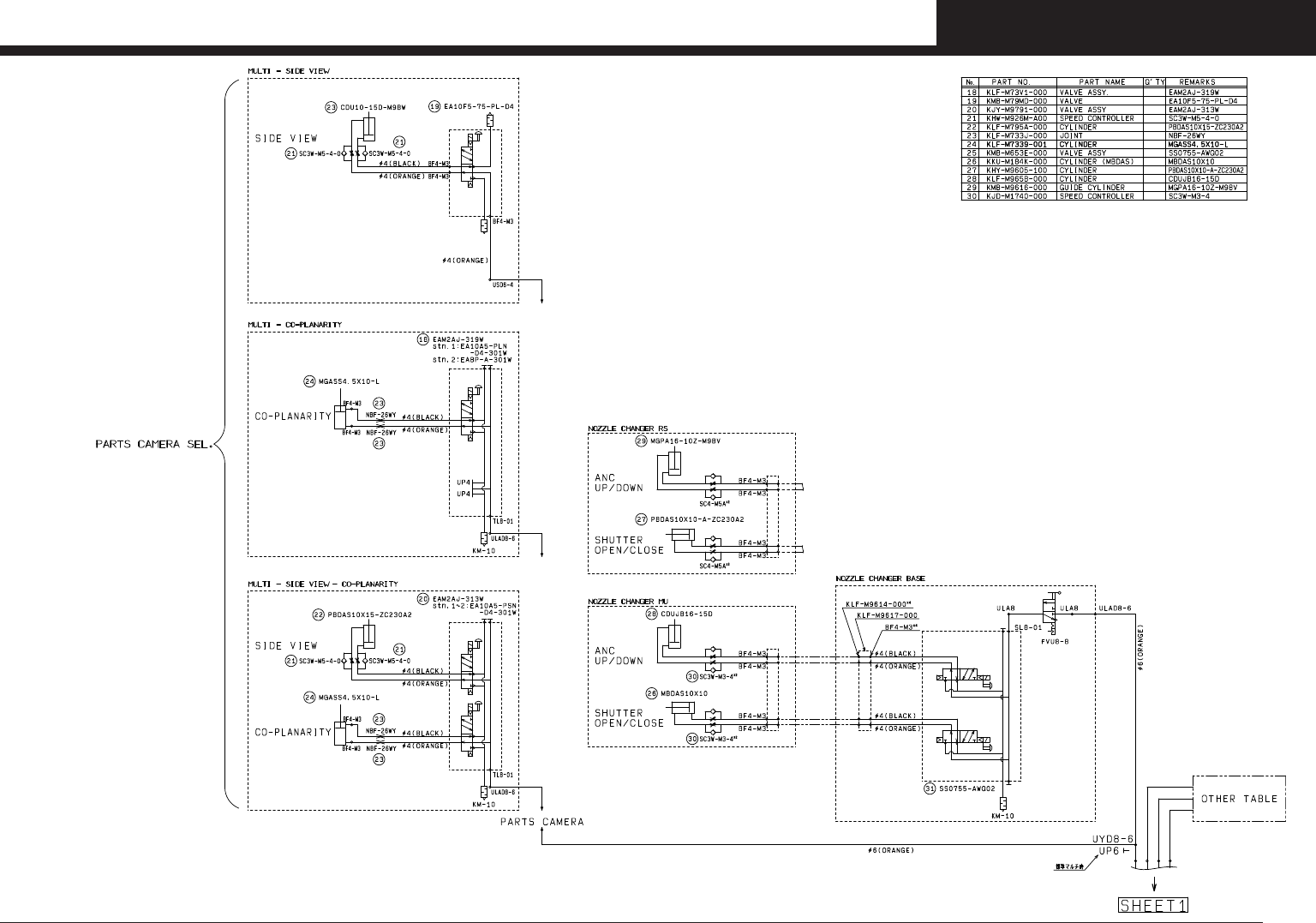
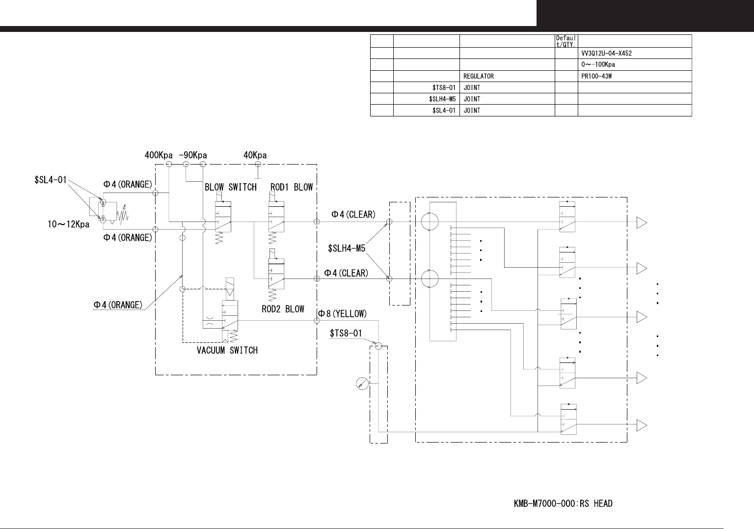
YSM40R-000_cwd_je.pdf - 第25页
Condential & Proprietary H022329 Y SM40R - 4 P AGE 22 Air circuit

Condential & Proprietary
H022329
YSM40R
-
4
PAGE
21
Air circuit

Condential & Proprietary
H022329
YSM40R
-
4
PAGE
22
Air circuit

Condential & Proprietary
H022329
YSM40R
-
4
PAGE
23
Air circuit
1
3
2
23
1
23
1
23
1
KLF-M7075-00X
18-KMB-M70V0-00X
KMB-M653P-00X
KMB-M7010-00X
2
3
1
2
3
1
2
3
1
2
3
1
KMB-M7060-00X
KMB-M7001-00X
H1
H10
H17
H18
NOTE
1.
2
3
1
H2
KMB-M7009-00X
NO. PARTS NO. PARTS NAME DESCRIPTION
1 KMB-M7060-000 VALVE,ASSY. 1
2 KMB-M653P-000 SEN.VAC.PRESS ASSY 1
3 KLF-M7075-001 1
4 1 .
5
2 .
6
2 .