KE-2070_80_80R_Operation_Manual2_Rev10_C.pdf - 第75页
操作手册Ⅱ 2-29 6) 标记(标记 ID) 对贴片时是否根据基准领域标记来校正贴片位置进行设置。 由于可用配置在贴片元件附近的标记进行校正,适于使用于精度要求高的元件。 基准领域标记能够使用1组标记数据对多个贴片数据(贴片点) 进行校正。 (1组 2个, 或1组 3个的标记) ① 选择标记ID 在“标记”输入区域右击鼠标后,会显示如下列表。 No. 设置为不使用 编辑 编辑基准领域标记数据。 浏 览 为了选择基准领域标记, 打开基准…

操作手册Ⅱ
2-28
2-3-4-2 输入项目
输入“元件ID”、“X”、“Y”、“角度”、“元件名”。其他项目(贴片头、标记、忽略、
试打、层)将自动输入初始值。请仅对必要的项目进行变更。
另外,坐标位置是从“基板数据”决定的“基板位置基准(原点)”(多电路板时为基准电
路的“电路原点”)开始的距离。
1) 元件 ID
是指为浏览贴片位置而设置的记号。 对于贴片动作没有直接影响。
“元件ID” 最多可输入8个文字(仅限英文和数字)。
另外,也可单击其他项目(X坐标等)而省略输入。此时将自动输入“#”。
2) X、Y
输入贴片位置(X、Y)。输入的方法有键盘数值输入和HOD的示教输入。
※ 示教务必在完成BOC校准后进行。
尺寸是指 “基板数据”里决定的“基板位置基准(原点)”(多电路板时为“电路原点”)到
贴片位置的(坐标中心)距离。
3) 角度
输入按元件的基准姿势(角度0°)所看到的贴片角度。(参见2-3-5-2-2的5)章)
基准姿势0°有时因CAD数据会有不同。
不使用CAD数据进行数据制作时,请参见JUKI推荐包装方式 2-3-5-2-2的5)章。
4) 元件名称
输入元件名称(最多20个字符),大写字符、小写字符将被作为相同的数据处理。
5) 贴片头
指定贴片用的贴片头。
可从列表中选择按输入顺序生产时使用的贴片头。
初始值为“自动选择”,在制作程序后通过实行“优化”,自动选择最合适的贴片头。
选择贴片头时,请按编辑键(键盘的“F2”键)或鼠标的右键,从列表中选择。此外,选择多
行时,如果从弹出式菜单中指定,则所选中行的所有设置都将被改变。

操作手册Ⅱ
2-29
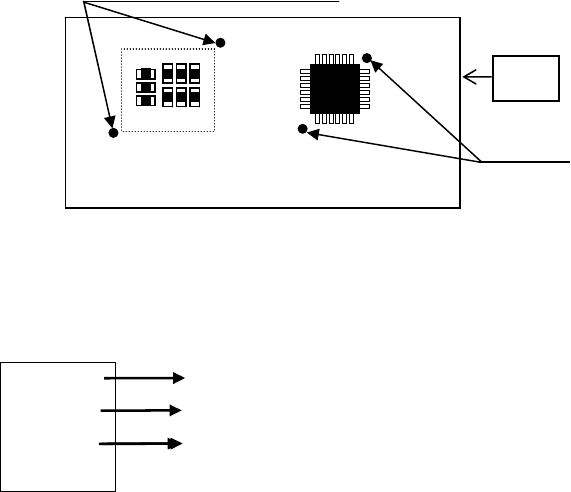
6) 标记(标记 ID)
对贴片时是否根据基准领域标记来校正贴片位置进行设置。
由于可用配置在贴片元件附近的标记进行校正,适于使用于精度要求高的元件。
基准领域标记能够使用1组标记数据对多个贴片数据(贴片点) 进行校正。(1组 2个,或1组
3个的标记)
① 选择标记ID
在“标记”输入区域右击鼠标后,会显示如下列表。
No. 设置为不使用
编辑 编辑基准领域标记数据。
浏览 为了选择基准领域标记,打开基准领域输入画面。(不能编
辑)
基准领域标记
基板
IC 标记

操作手册Ⅱ
2-30
② 标记数据的制作
在上面的列表上选择编辑、或基准领域标记标签后,便可显示如下编辑画面。
输入标记的X坐标、Y坐标后,用图像拷贝来获得标记数据,完成标记制作。
“画面显示内容”
·标记 ID : 输入标记 ID。最多可输入 8 个半角文字。
省略时将自动分配。
·共有数 : 显示在打开基准领域画面时参考标记群组的贴片数据的点数。
但不能编辑。
·标记 1(2,3)X : 输入标记的 X 坐标。
·标记 1(2,3)Y : 输入标记的 Y 坐标。
·标记 1(2,3)TI : 进行示教或图像拷贝。
由于设置的基准领域标记比 BOC 标记更靠近贴片元件,通过使用该标记,可提高贴
片精度。但在进行标记识别时较花时间,生产节拍较慢。
※当有 CAD 数据(设计值)时,请绝对不要进行示教。否则贴片会有偏差。
※使用基准领域标记的元件的贴片坐标与 BOC 标记无关。此时的 BOC 标记
成为寻找基准领域标记的基准坐标。因此,当发生贴片偏移时,请直接
校正并调整 IC 标记或贴片坐标(X、Y)。
注意