SP60P-L Parts list(Mechanical)20120628.pdf - 第95页
Ref No. Remark s R 1 Q'ty 11-A マスククリーニングユニット(L) Mask Cleaning Unit(L) イラスト No. Part No. 品 名 品番 数量 R 2 パーツリスト Kit N o . キット品 番 Kit Name キット名称 KXFX03BUA00 Part Nam e 備 考 セクションNo. PARTS LIST Section No. R 3 STAND 2 1 K…

11-A
マスククリーニングユニット(L)
Mask Cleaning Unit(L)
パーツレイアウト
Ki
t
N
o
.
キット
品番
Kit Name
キット名称
KXFX03BUA00
セクションNo.
PARTS LAYOUT
Section No.
--
M75
( KKXFX03BUA00-15-1 )

Ref
No.
Remarks
R
1
Q'ty
11-A
マスククリーニングユニット(L)
Mask Cleaning Unit(L)
イラスト
No.
Part No.
品 名品番 数量
R
2
パーツリスト
Kit N
o
.
キット品
番
Kit Name
キット名称
KXFX03BUA00
Part Name
備 考
セクションNo.
PARTS LIST
Section No.
R
3
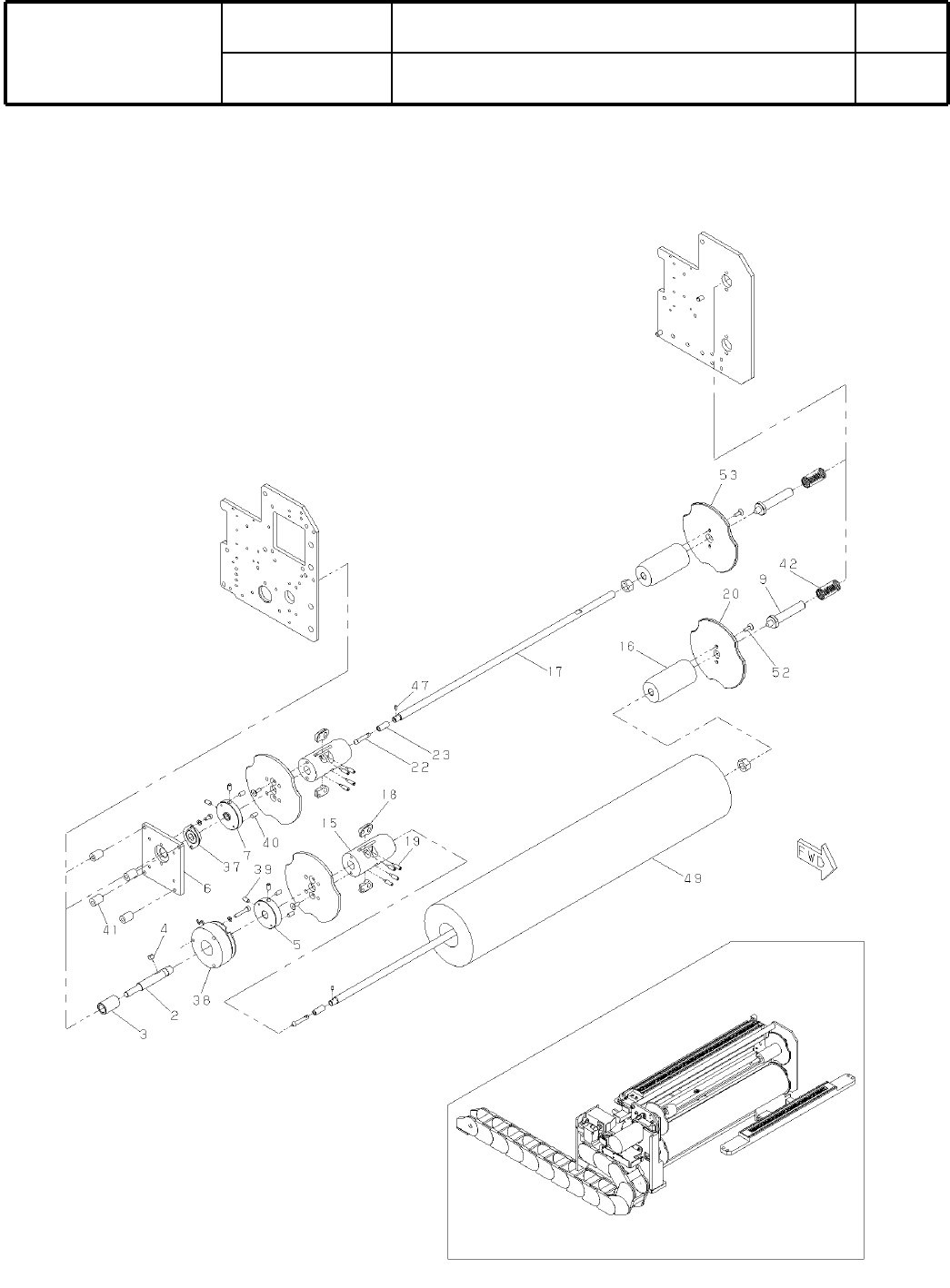
STAND
2
1 KXFB034GA00
GUIDE
2
10 KXFB07VSA00
BLOCK
1
11 KXFB034PB01
BAR
1
12 N210002144AA
PLATE
1
13 N210007861AA
PLATE
1
14 KXFB034SC02
BLOCK
1
21 N210002139AA
BAR
3
24 KXFB08YZA01
PLATE
1
25 KXFB035TA00
BRACKET
7
26 KXFB0056A00
BRACKET
2
27 KXFB002MA00
BRACKET
2
28 KXFB00JJA01
DOG
1
29 N210136071AA
BRACKET
1
30 N210014274AA
MOTOR
1
31 KXF0DWTBA00
S
2RK6GN-AWMJ
GEAR-HEAD
1
32 KXF0DWTCA00 2GN120K
BOLT
4
33 N510017374AA
Hexagon socket head cap screw M4X55-10.9 A2J (Trivalent)
TORQUE-LIMITER
1
34 KXF0DX12A00 OTLC8-2000C
PIN
1
35 KXF07X4AA00 SPP1.6-16
BEARING
1
36 KXF03G2AA00 SFB48-12
PIN
6
43 KXF02XXAA00 MS3-15
SENSOR
3
44 KXF07B2AA00
A
PM-T53-C1
LINEAR-WAY
2
45 N510019505AA LWL12C1R100BCSS1EG39
WASHER
1
46 KXF09UWAA00 WSSB16-8-2
PIPE
1
48 KXF0E0WJA00 PIPD16-609
BOLT
4
50 KXF0E071A00 WA Socket SP-TYPE M6X16L(Unichrome)
SPACER
2
51 N510020196AA CB-310E
M76
--
( KKXFX03BUA00-15-1 )

11-B
マスククリーニングユニット(L)
Mask Cleaning Unit(L)
パーツレイアウト
Ki
t
N
o
.
キット
品番
Kit Name
キット名称
KXFX03BUA00
セクションNo.
PARTS LAYOUT
Section No.
--
M77
( KKXFX03BUA00-15-2 )