SP-0080-001.pdf - 第11页
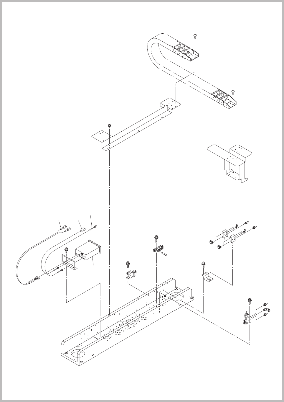
Key No. P AR T No. P AR T NAME Q’ty REMARKS NOTE 1002-001 B1 4W205017 CORD 1 10900031AG-001 B2 4W205018 CORD 1 10900031AG-002 B3 4W205161 CODE 1 10900031AG-003 B4 0900N1AH LOAD-SELL 1 10900031AG-004 PS-TP100 Fig. C2 Fig.…

Fig. C2-1
ソレノイドバルブ、継手
Solenoid Valve, Air Piping
B4
B3
B2
B1
X1530
X1453
B01
B02
(BASE:Document No. P-311-00X
UNIT-2 Fig.C2-1
)
1002-001
Fig. C2
印圧フィードバック機能
(PS-TP100)
PRINTING PRESSURE FEEDBACK FUNCTION(PS-TP100)

Key No. PART No. PART NAME Q’ty
REMARKS
NOTE
1002-001
B1 4W205017 CORD 1 10900031AG-001
B2 4W205018 CORD 1 10900031AG-002
B3 4W205161 CODE 1 10900031AG-003
B4 0900N1AH LOAD-SELL 1 10900031AG-004
PS-TP100
Fig. C2
Fig. C2-1

Fig. C2-2
スキージ駆動部
Squeegee Driving Section
(BASE:Document No. P-311-00X
UNIT-2 Fig.C2-2)
See Fig.C2-1
Key No.B4
See Fig.C2-1
Key No.B1
See Fig.C2-1
Key No.B4
B02
B01
1002-001
Fig. C2
印圧フィードバック機能
(PS-TP100)
PRINTING PRESSURE FEEDBACK FUNCTION(PS-TP100)