Infinity High Throughput Conveyor Module.pdf - 第4页
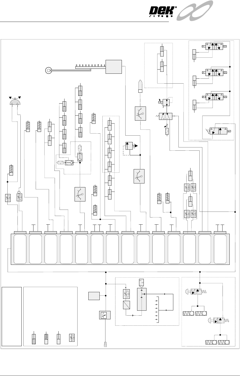
INFINITY +,*+7+5 28*+387&21 9(<2502' 8/( 31( 80$7, &6&+ (0$7, & 15.4 Technical Reference Manual Chapter Issue 1 May 03 PNEUMA TIC SCHEMA TIC Remote Board S top (optional) A = Signal to Switch …

INFINITY
+,*+7+528*+387&219(<2502'8/(
(/(&75,&$/6&+(0$7,&
Chapter Issue 1 May 03 Technical Reference Manual 15.3
ELECTRICAL SCHEMATIC
Breakout C
CSK7
CSK2
Breakout D
DPL1
DSK5
Front Print Station
Belt Drive (8M03)
Rear Print Sation
Belt Drive (8M04)
Home
Board Clamp/Snugger
Solenoid (16SOL10)
Source 3
Right Auxiliary Rail
Sensor (27SE02)
DIG IN 16
DIG IN 17
Breakout B
BPL1
BSK3
Breakout A
APL1 ASK4
DIG IN 3
DIG IN 4
Machine PC
NextMove
Processor
ISA
BUS
CAN BUS
MUX Axis Home
Machine Controller
Stepper Direction
Stepper
Multiplexer
MultiMove
(X12)
MultiMove
(X13)
Dual Stepper
(X4)
Motor 2B-
Motor 2A-
Motor 2B+
Motor 2A+
M
M
Totem 0 (Fwd)
Totem 1 (Rev)
Totem 2 (Fwd)
Totem 3 (Rev)
Note: All Motors 24V dc
M
M
8M2
Moving Rail
Stepper
Rear
(27M04)
Rear
(27M02)
M
Front
(27M03)
M
Front
(27M01)
Right Auxiliary Rail
Belt Drive
Left Auxiliary Rail
Belt Drive
Conveyor Board Stop
(27SOL01)
Conveyor Board Stop
(27SOL02)
Conveyor Board Stop
(27SOL03)
Manual Operation
M27
3 Stage
Conveyor
Controller
Moving Rail Home
Sensor (8SE6)
Rail Lift Sensor
Right (8SE4)
Rail Lift Sensor
Left (8SE5)
Board at Right
Sensor (8SE7)
Board at Left
Sensor (8SE8)
Left Auxiliary Rail
Sensor (27SE01)

INFINITY
+,*+7+528*+387&219(<2502'8/(
31(80$7,&6&+(0$7,&
15.4 Technical Reference Manual Chapter Issue 1 May 03
PNEUMATIC SCHEMATIC
Remote Board Stop
(optional)
A = Signal to Switch
B = Live
*
NOTE
Each solenoid has two parts A and B
Double Acting Cylinder
KEY
Single Acting Cylinder
(Piston retracted at rest)
Single Acting Cylinder
(Piston extended at rest)
Speed Control Valve
Vortex Cleaner Lift
(optional)
Screen Clamps
Pressure Relief Valve
(Infinity Only)
Pressure Regulator
Suction and
Filtration Unit
Underscreen
Cleaner
(optional)
Solvent
Tank
A
B
A
B
A
B
A
B
A
B
Board Stop
Screen Drive
Couple Left
(Infinity Only)
Screen Drive
Couple Right
(Infinity Only)
Screen Drive
Couple Rear
(Infinity Only)
Board Clamps
Spare
Cleaner Sqy Bar
Screen Clamps
Tank Pressure
Paste Dispense
Lid Bolt
Lid Bolt
ProFlow
(optional)
Autoflex
(optional)
High Throughput Conveyor Option
High Thro’put
Conveyor Option
Paste Dispenser
(optional)
Pressure Regulator
ProFlow - SCAR
Manifold
A
B
A
B
A
B
A
B
A
B
Lid Bolt
Autoflex
(Infinity Only)
ProFlow
SCAR
Spare
Screen Clean Squeegee Bar
(optional)
Board Clamps
A
B
Camera Board Stop
See Note
*
Screen Drive Couple Left
Screen Drive Couple Right
Screen Drive Couple Rear
Pressure Regulator
(optional)
A
B
A
B
A
B
Vacuum Tooling
Vacuum Tooling (optional)
Web Assembly
Locking Cartridge
Non Latching
Manual Valve
ASM Option (Horizon Only)
Filter
Regulator
Assembly
Mains Air
Connection
5 bar (min)
Pressure
Sensor

INFINITY
+,*+7+528*+387&219(<2502'8/(
0(&+$1,&$/'(7$,/
Chapter Issue 1 May 03 Technical Reference Manual 15.5
MECHANICAL DETAIL
Transport Belt
Motors
The transport belt motors drive the ‘O’ ring type transport belts which transport
the board through the machine. Each rail section has its own motor and
transport belt.
The auxiliary rail motors (4 positions) incorporate a 14:1 ratio gearbox allowing
belt speeds of approximately 500mm/sec (30m/min).
The print station rail motors (2 positions) incorporate a 4.8:1 ratio gearbox
allowing belt speeds of up to 1000mm/sec (60m/min).
NOTE
For belt speed calibration refer to the Calibration section of this chapter.
Conveyor Board
Stops
There are two types of pneumatically operated double acting cylinders fitted as
board stops to the high throughput conveyor module in three positions. The
print station and upline board stop cylinders are identical, the downline board
stop differs only in the length of stroke of the piston. These may be orientated
in one of two configurations, left to right board feed or right to left board feed.
The figure overleaf shows the positions for the board stops in either configura-
tion.
Figure 15-2 Conveyor Board Stops
Two are located at either end of the configured downline auxiliary conveyor, one
is located at the downline end of the upline conveyor.
The designated print station board stop is activated by the downline auxiliary
Double Acting
Cylinder
Double Acting
Cylinder
Pneumatic
Connections
Pneumatic
Connections
Securing
Bracket
Securing
Bracket
Board Stop
Bracket
Board Stop
Bracket
Pneumatic
Piston
Pneumatic
Piston
Downline Conveyor Board Stop
Upline/Print Station Conveyor Board Stop