YS12F(H15)_cwd_je.pdf - 第21页
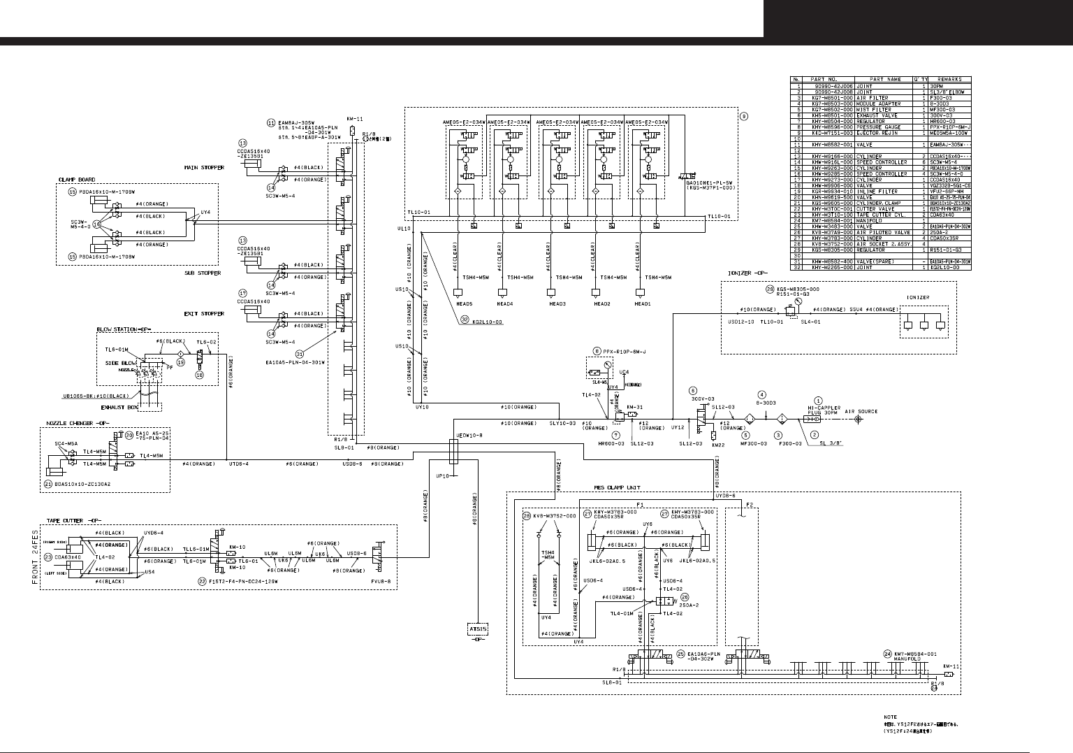
Condential & Proprietary H Y S 1 2 F ( H 1 5 ) P AGE 19 Air circuit FIX24 FEEDER x 2 013345

Confidential & Proprietary
PAGE
A1
B1
A2
B2
A3
B3
A4
B4
A5
B5
A6
B6
A7
B7
A8
B8
A9
B9
A10
B10
A11
B11
A12
B12
A13
B13
A14
B14
A15
B15
A16
B16
A17
B17
A18
B18
A19
B19
A20
B20
A21
B21
A22
B22
A23
B23
A24
B24
A25
B25
A26
B26
A27
B27
A28
B28
A29
B29
A30
B30
A1
B1
A2
B2
A3
B3
A4
B4
A5
B5
A6
B6
A7
B7
A8
B8
A9
B9
A10
B10
A11
B11
A12
B12
A13
B13
A14
B14
A15
B15
A16
B16
A17
B17
A18
B18
A19
B19
A20
B20
A21
B21
A22
B22
A23
B23
A24
B24
A25
B25
A26
B26
A27
B27
A28
B28
A29
B29
A30
B30
EMG3
EMG4
EMG5
EMG6
EMG7
EMG8
EMG9
EMG10
EMG11
EMG12
+24VS3
0V
+24VS3
0V
EMG5
EMG6
E12A
EMG11
EMG6
E11A
E13A
EMG16
E12A
E13A
E11A
E12A
+24E
+24VB2
0V
EMG12
EMG13
EMG14
EMG15
EMG16
EMG17
EMG18
EMG19
EMG20
EMG21
EMG22
+24VS3
+24E
N0100995
N0100994
N0100993
N0100992
N0100991
N0100990
N0100987
N0100986
N0100985
N0100984
CONTROLLER
FRONT EMG SW
REAR EMG SW
ENABLING SW
FRONT COVER SW
DYTF MAINTENANCE COVER
SPARE
F1 FEEDER EMG
F2 FEEDER EMG
REAR COVER SW
CN11
EMG1
EMG1
+24VB2
+24VA7
CN12
N0100982
N0100983
XOT
Y1OT
1
2
3
1
2
3
GOOD
1
2
3
1
2
3
GOOD
1
2
3
1
2
3
1
2
3
1
2
3
Y1OTY1OTY1OT
SQ005
1
2
1
2
A1
B1
A2
B2
A3
B3
A1
B1
A2
B2
A3
B3
CN1
1
2
3
1
2
3
CN16
+24VA
X1OT
SQ302
1
22
33
4
5
6
4
5
6
1
POW/EMG
HEAD EMG
EMG3
EMG2
EMG1
EMG0
RL1
GOOD LED
ALARM
+5V
DI
RL2
RL1
+24VA
2
3
4
5
6
7
8
9
10
1
2
3
4
5
6
7
8
9
10
1
SERVO1
GOOD
SERVO2
1
2
3
1
2
3
GOOD
GOOD
GOOD
CONTROL BOX ASSY A1
T32
T31
T22 EMG22
T12 EMG22
T11 EMG0
A2 0V24
T32
T31
T22
T12
T11
A2
A1 +24VA1
13 +24V
23 +24V
33 +24V
14
24 +24E
34 +24B
14
24
34 33
23
13
42 41
CH1CH2
K1K2
LOGIC
DC
AC
+24V
+24V
+24V
+24V
+24E
0V
0V
DI
EMG22
T31
T32B
EMG0
EMG22
EMG22
2
3
4
5
6
7
8
9
10
11
12
13
14
15
16
CN13
1
2
3
4
5
6
7
8
9
10
11
12
13
14
15
16
1
+24VB3
READY OUT
SERVO ON
RL2
S10
SPARE
SPARE
R1 FEEDER EMG
R2 FEEDER EMG
SPARE
SPARE
SPARE
SPARE
SPARE
SPARE
+24VB2
+24VB4
+24E
T0100037
N01009B6
N01009A7
N01009A6
N01009A5
N01009A4
N01009A3
N01009A2
N01009A1
N01009A0
N0100997
N0100996
+24VB2
1
2
1
2
F COVER COVER
1
2
1
2
1
2
1
2
F EMG
R EMG EMG
EMG
FRONT EMG SW
SB31
REAR EMG SW
SB32
FRONT COVER SW
SQ101
1
2
1
2
F1 FDR EMG
F2 FDR EMG
1
2
R1 FDR EMG
1
2
R2 FDR EMG
INTERFACE
I/O CONVEYOR BOARD ASSY P025
I/O HEAD BOARD ASSY P041
KM10
A2 0V24A1
U52
V52
W52
1121 T32B
1153 +24B
CONV+24V
U54
V54
W54
1122 T32A
1154+24C
CONV+24E
A1
13
1/L1
3/L2
5/L3
21
53
63
73
83
A2
14
2/T1
4/T2
6/T3
22
54
64
74
84
KM11/KM11A
A2A1
1/L1
3/L2
5/L3
21
2/T1
4/T2
6/T3
22
A1 A2 0V24
+48A
1221 T32A 1222 T32
+48V
+48V
+48V
+48A
+48A
KM12/KM12A
1
2
FDR EMG
1
2
FDR EMG
1
2
TF EMG
1
2
1
2
INTERCONNECTION DIAGRAM
TRAY CHANGER(OPTION)
1
2
R COVER
1
2
COVER
REAR COVER SW
SQ102
1
2
R COVER
REAR COVER
REAR FIXED COVER
ATS15
See ATS15
EMG
1
・
8
9
1
・
8
9
1010
FET
1
2
FDR CTRL BOARD ASSY F1
CN33
P103
EMG
1
・
8
9
1
・
8
9
1010
FET
1
2
CN33
1
2
FDR EMG
1
2
FDR EMG
9
8
・
1
9
8
・
1
9
8
・
1
9
8
・
1
P104
FDR CTRL BOARD ASSY F2
FES24 FRONT-1 FEEDER
FES24 FRONT-2 FEEDER
FIX FRONT FEEDER
FIX FRONT FEEDER
1234 SRV ON1233 +24C 33 34
4241
CC.V5
18
EMERGENCY CIRCUIT
YS12F(H15)

Condential & Proprietary
H
YS12F(H15)
PAGE
19
Air circuit
FIX24 FEEDER x 2
013345

Condential & Proprietary
H
YS12F(H15)
PAGE
20
Air circuit
FES24 FEEDER
016342