YS12F(H15)_cwd_je.pdf - 第24页
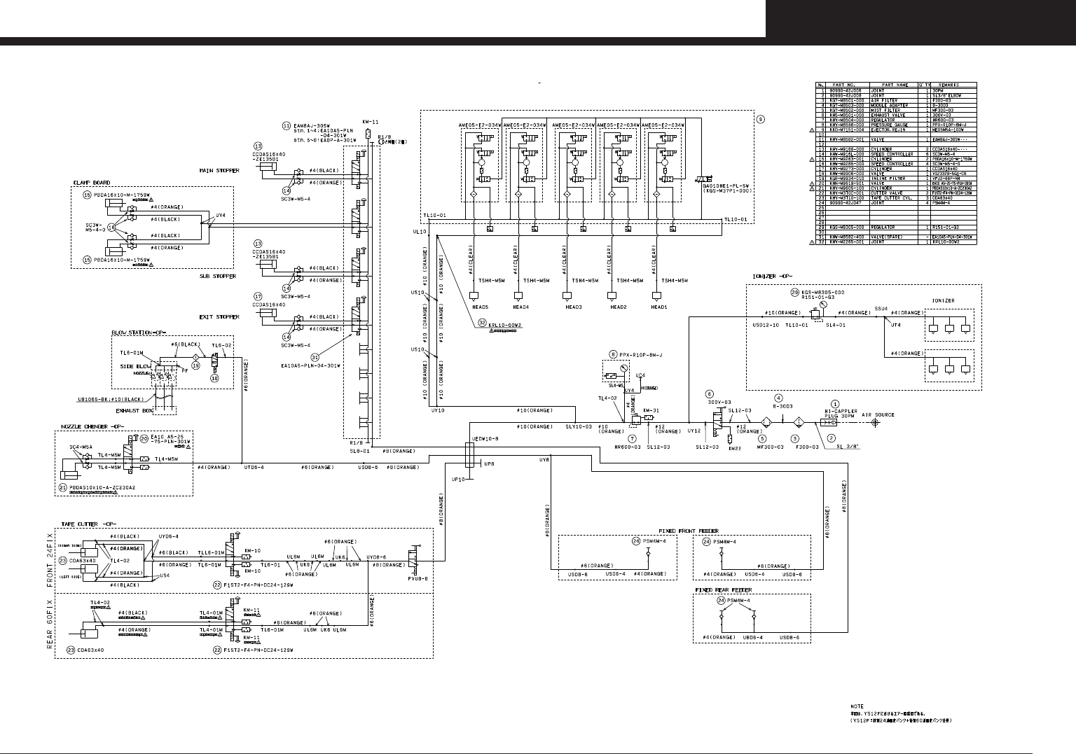
Condential & Proprietary H Y S 1 2 F ( H 1 5 ) P AGE 22 Air circuit F FES24 & R FIX60 FEEDER 017702

Condential & Proprietary
H
YS12F(H15)
PAGE
21
Air circuit
F FIX24 & R FIX60 FEEDER
017702

Condential & Proprietary
H
YS12F(H15)
PAGE
22
Air circuit
F FES24 & R FIX60 FEEDER
017702

Condential & Proprietary
PAGE
23
1302
W i ri n g pa r t s l i s t
No Part No. Part Name Q'ty Remarks No Part No. Part Name Q'ty Remarks
1 KK1-M6563-200 FERRITE CORE 2 E01,E02 39 90K30-245020 HNS,EARTH 1 J0078
2 KHY-M6185-001 FAN MOTOR ASSY 2 FAN1,FAN4 40 90K30-245080 HNS,EARTH 800 1 J0080
3 KHN-M6185-101 FAN MOTOR ASSY 1 FAN3 41 90K30-444100 HNS,EARTH 1 J0081
4 KHY-M6186-000 FAN MOTOR ASSY 1 FAN5 42 90K30-245060 HNS,EARTH 5 J0083 ~ J0087
5 KGS-M4187-000 FAN GUARD 40MM 2 FAN5,6 43 90K30-255040 HNS,PE 400 1 J0091
6 KHY-M6186-100 FAN MOTOR ASSY 1 FAN6 44 90K30-377020 HNS,PE 200 1 J0093
7 KHY-M6561-A00 POWER SUPPLY 1 ASSY 1 GS21 45 KHY-M536A-001 HNS,PE 1 J0097
8 KHY-M6561-B00 POWER SUPPLY 1 ASSY 1 GS31 46 90K30-244035 HNS,FG-CNT.BOX 1 J0099
9 KHY-M661A-002 HNS,XB11-QS11 1 J0001 47 KHY-M668A-000 HNS,I/O CMN 1 J0101
10 KHY-M661L-002 HNS,QF11-TM11 1 J0003 48 KHY-M668F-000 HNS,I/O CONV CMN 1 J0102
11 KHY-M661E-000 HNS,TM11-QF31 1 J0004 49 KHY-M66RB-000 HNS,FEEDER F1 CMN 1 J0104
12 KHY-M661F-010 HNS,QF31-NF11.GS31 1 J0005 50 KKE-M66RF-000 HNS,FEEDER COM 1 1 J0106/J0107
13
KHY-M661G-000 HNS,NF11-KM11 1 J0006
51
KHY-M66RG-002 HNS,TERMINATION 1 J0108/J0109
14 KHY-M661H-001 HNS,C/R AC230V 1 J0007 52 KHY-M66RF-000 HNS,FEEDER I/O 1 J0110/J0111
15 KHY-M661M-000 HNS,C/R AC100V 1 J0009 53 KKE-M66RF-100 HNS,FEEDER COM 2 1 J0113/J0114
16
KM6-M66M1-102 HNS,TAP CHANGE 10 J0010 ~ J0019
54
KKE-M66RF-200 HNS,FEEDER COM 3 1 J0115/J0116
17 KM6-M66M1-202 HNS,TAP CHANGE 1 J0020 55 KGK-M6680-200 HNS,USB-MEMORY 2M AS 1 J0120
18 KHY-M662A-010 HNS,TC11-QF21 XT21 1 J0021 56 KHY-M66A1-001 HNS,HEAD SRVB 1 J0121
19
KHY-M662E-010 HNS,QF21 XT21-GS21 1 J0023
57
KHY-M66A2-000 HNS,Y-FLEX SRV 1 J0122
20 KHY-M662F-010 HNS,TM11-TC11 1 J0027 58 KHY-M66A3-000 HNS,X-FLEX SRV 1 J0123
21 KHY-M663R-001 HNS,C/R EXT.POWER 1 J0028 59 KHY-M66A5-001 HNS,PI2 1 J0125
22 KHY-M663E-000 HNS,I/O HEAD DC24V 1 J0042 60 KHW-M66A6-000 HNS,BASE X1P 1 J0126
23 KHY-M663F-000 HNS,Y-FLEX H.PWR EMG 1 J0043 61 KHY-M66A6-001 HNS,Y-FLEX X1P 1 J0127
24 KHY-M663G-000 HNS,X-FLEX H.PWR EMG 1 J0044 62 KHW-M66A8-000 HNS,BASE W1P 1 J0128
25 KHY-M663J-010 HNS,I/O CONV.PWR 1 J0046 63 KHW-M66A9-000 HNS,BASE PUP 1 J0129
26 KHY-M663K-002 HNS,CONV PWR 1 J0047 64 KHY-M66AA-000 HNS,BASE Y1P 1 J0130
27 KHY-M66GF-000 HNS,FAN 1 J0048 65 KHY-M66AE-000 HNS,BASE Y2P 1 J0131
28 KHY-M664A-010 HNS,GS31-KM12 XT31 1 J0052 66 KHY-M66A0-001 HNS,I/F SRVA 1 J0135
29 KHY-M664F-011 HNS,KM12 +48V 1 J0055 67 KHY-M66E4-011 HNS,M02 1 J0142
30 KHY-M665A-000 HNS,BRAKE SRV2 1 J0061 68 KHY-M66E3-000 HNS,Y-FLEX X1M 1 J0143
31 KHY-M665F-000 HNS,CONV.DRIVER 1 J0062 69 KHY-M66F2-000 HNS,HEAD C/R EMG 1 J0162
32 KHW-M665E-000 HNS,CONV. MOTOR 1 J0064 70 KJJ-M66F3-000 HNS,EMG 1 J0163
33 90K30-945035 HNS,EARTH 1 J0069 71 KHY-M66F4-014 HNS,CONTACTOR 1 1 J0164
34 90K30-945025 HNS,EARTH 1 J0070 72 KHY-M66F5-011 HNS,CONTACTOR 2 1 J0165
35 KV8-M66L1-001 HNS,FG-C/R 1 J0071 73 KGA-M667J-002 HNS,EMG SW 2 J0166,J0167
36 90K30-544180 HNS,EARTH 1 J0072 74 KHY-M66F6-100 HNS,R.COVER SHORT 1 J0178
37 90K30-544130 HNS,PE 1300 1 J0073 75 KHY-M66G1-000 HNS,F.OPE.PANEL 1 J0181
38 90K30-945070 HNS,EARTH 3 J0075 ~ J0077 76 KHY-M66G1-100 HNS,R.OPE.PANEL 1 J0182