npm-d3使用说明书操作篇.pdf - 第107页
NPM-D3 EJM6DC-MB-02O-06 第 1 阶层 第 2 阶层 第 3 阶层 第 4 阶层 2-2-2 -6 段取り メニュー 余数监视器 确认生产线上的各工作台的元件用完 信息。 确认吸着状況。 吸着监视器 状況监视器 显示运转中的生产信息,零部件用完 信息,以及其他的各类信息。 生产菜单 ( 生产中 ) 连续准备 管理各工序生产前的个别准备作业。 读入机器数据、保存机器参数等文件 操作。 文件操作 显示各吸嘴位置的机器数…

NPM-D3 EJM6DC-MB-02O-06
第1阶层 第2阶层 第3阶层 第4阶层
2-2-2-5
工程师模式 1
各部位
名称
菜单构成 3
主菜单
变更操作模式。
变更操作模式
编辑操作模式。
编辑操作模式
生产菜单
(生产前)
生产开始
开始自动生产。
调整用软件开关
为了调试机器,暂时变更操作环境。
条件贴装
供料器
贴装头
清除
以图案单位来指定贴装对象。
以贴装点单位来指定贴装对象。
以零部件单位来指定贴装对象。
以贴装头单位来指定贴装对象。
清除已指定的所有条件。
图案
托盘
以托盘单位来指定贴装对象。
*1)
*2)
*1)・单轨模式时
・双轨模式下的交互实装模式时
*2)・双轨模式下的独立实装模式时
贴装
操作篇
2-2-2
*2)

NPM-D3 EJM6DC-MB-02O-06
第1阶层 第2阶层 第3阶层 第4阶层
2-2-2-6
段取り
メニュー
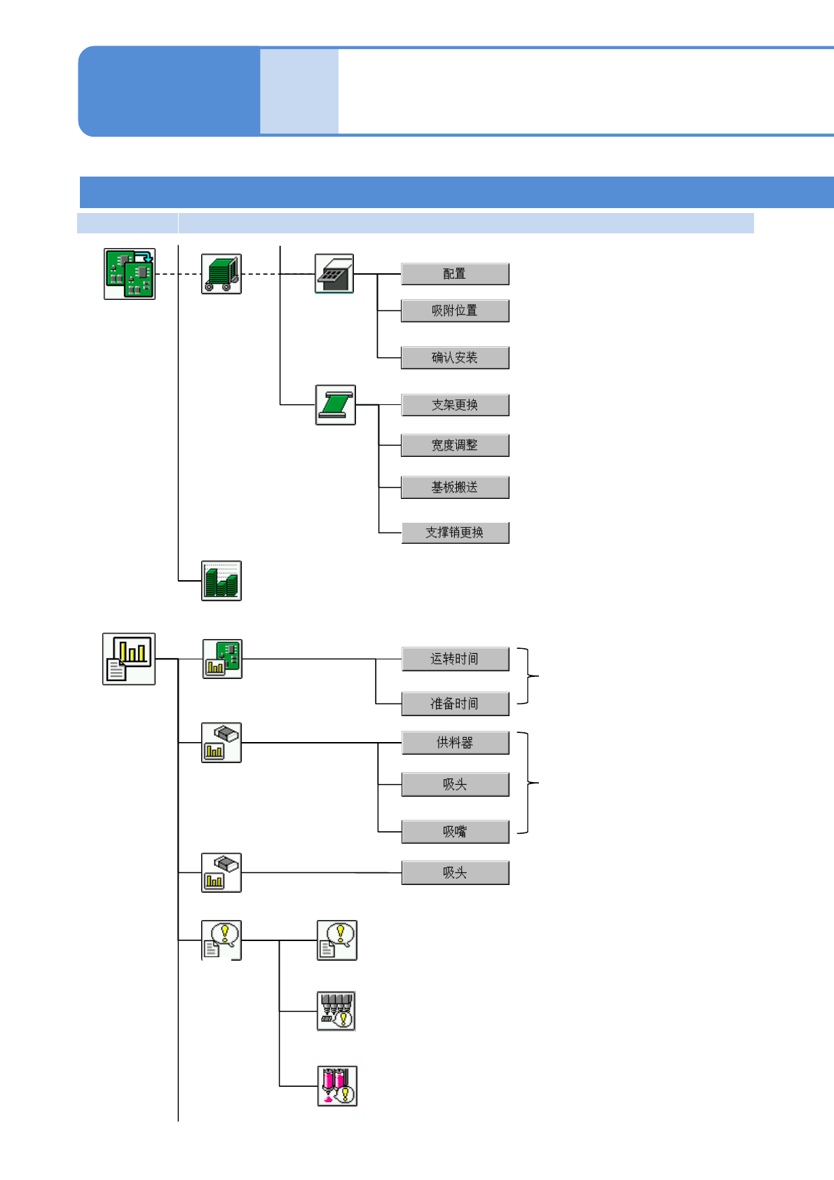
余数监视器
确认生产线上的各工作台的元件用完信息。
确认吸着状況。
吸着监视器
状況监视器
显示运转中的生产信息,零部件用完信息,以及其他的各类信息。
生产菜单
(生产中)
连续准备
管理各工序生产前的个别准备作业。
读入机器数据、保存机器参数等文件操作。
文件操作
显示各吸嘴位置的机器数据。
准备零部件
吸嘴
确认供料器状态。
供料器
进行转印单元的操作。
(搭载转印单元时会显示)
用颜色来显示生产数据和供料器状态。
根据各供料器地址来确认生产中的吸
着位置学习后的补正值。
检查监视器
显示运转中的检查状况。
更换点胶头(包括点胶器)。
点胶嘴(点胶头)

NPM-D3 EJM6DC-MB-02O-06
第1阶层 第2阶层 第3阶层 第4阶层
2-2-2-7
菜单构成 4
工程师模式 2
确认托盘状态。
托盘
用颜色来显示生产数据和托盘状态。
根据各供料器地址来确认生产中的吸
着位置学习后的补正值。
准备菜单 准备零部件
传送带
进行基板支撑销单元的更换动作。
显示基板位置,从各位置进行传送。
调整轨道宽度。
事先计算生产计划所需的元件消耗量。
生产计划
显示各基台的运转时间的信息。
运转信息
吸着情報
显示有关元件的吸着信息。
有关紧急停止错误的信息,按照时间的最新顺序可以
最多显示20件。
停止履历
有关自动运转中发生的真空传感器错误的信息,
显示最新的50件。
履历
真空传感器错误履历
生产信息
菜单
显示自动运转中发生的试点胶识别错误信息,
显示最新的50件。
试点胶识别错误履历(点胶头)
进行支撑销(自动更换用)的位置、数
量的确认。(支撑销自动更换规格时会
显示。)
显示点胶(包含试贴)信息。
点胶信息
各部位
名称
操作篇
2-2-2