5M-1752-003w_G5S.pdf - 第134页
4-1 1 5OM-1752 1306-002A(21010W A--1001) 综合模块连接图 (C 部详细图 ) 7 8 9 10 11 12 A B C D UC19 44W2004586 44W2004586 44W2004586 44W2004586 3101016D01 3100516D0P 3100516D0Q 310051 1C1F 310051 1C1D KR-ECM15 ( SANWA SUPPL Y ) G5 は …

4-10
5OM-1752
综合模块连接图 (B 部详细图 )
1306-002A(21010WA--1001)
4100511C5E
4100511C5E
2101011C83(3.5m)
2101011C84
(2.5m)
4100511C5E
UC18
UB95
UC34
KB-STP-03LB(3m)
KB-STP-03LB(3m)
KB-STP-03LB(3m)
3101011C6X(3.3m)
4100511C5Y
(SANWA SUPPLY)
KR-M2:2M
4100511C5Z
(SANWA SUPPLY)
KRS-433XF-4K:4M
No.75
No.72
No.20 No.21
No.104
No.105
No.97
No.98 3101011C6Y改
G2
G3 24G1A
24G1B
F13
48D3A
F14
48D3B
48D3
G1 24A1
F1
K1A
U82
U85
I/OSSCNET
SSCNET3
U81
COM1 LAN
RS232C
RS232C
24A6
AE LINK
CPCI
F2
24A2
24A0
F5
24A3
K25
AE LINK
K75
K77
24G2A
24G2B
2CH1CH 2CH1CH
K10
K1B
COM2
U27
Relay PCB
Sensor
S-CV
U180
F21
F25
U27
U01
U14
U08
DN T
UP
UP DN T
DN T
HSIO HSIO
IO PCB
HSIO
HSIO
HSIO
UC18
UB95
UB95
UC34
CH1 CH2
X30B
X30F
F23
F27
D81
CF
F7
24A6
48D
No.97
X30F_Connector
Relay
Solenoid valve/etc
IO PCB
IO PCB
D-CV
CPU HSIO AE-LINK
CPU2(Control)
For A31(Main Power)
For A51,53(Main Power)
For U95
For IO PCB
For Output Circuit
For Relay Circuit
For Feeder Power
(Block1)
For Feeder Power
(Block2)
T
CN6 CN7
Swiching Power
Supply
Swiching Power
Supply
Swiching Power
Supply
2
2
2
Motion Control
TTDNUPDIO
CN4 CN4CN3CN2CN1CN7
TT
F15
48D3C
F16
48D3D
For A63(Main Power)

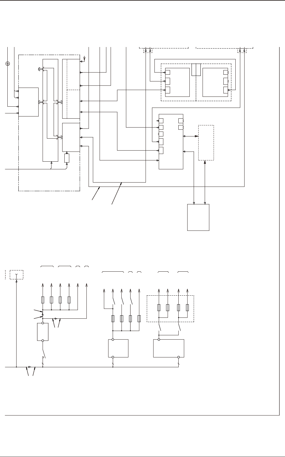
4-11
5OM-1752
1306-002A(21010WA--1001)
综合模块连接图 (C 部详细图 )
7 8 9 10 11 12
A
B
C
D
UC19
44W200458644W2004586 44W2004586 44W2004586
3101016D01
3100516D0P
3100516D0Q
3100511C1F
3100511C1D
KR-ECM15(SANWA SUPPLY
)
G5はG4W2002692/KRS433XF-07K
44W2004586
44W2004587
3101011C6V
3101011C6W
44W2004588
44W2004589
FO-PF1-2HB209-0.3M
FO-PF1-2HB209-3M
FO-PF1-2HB208-3M
FO-PF1-2HB208-4M
FO-PF1-2HB209-1M
FO-PF1-2HB209-2M
30cm 30cm 30cm 30cm
3101011C6W(2m)
44J1001010 CF-AD1
KB-STP-005LB:0.5M(SANWA SUPPLY
)
No.91
No.91
No.91 No.91
44W2004586
30cm
No.91
No.127 No.128 No.129 No.130 No.131 No.132
3101011C6V(1m)44W2004587(3m) No.89
No.92
No.88
W101016D07
W101016D08
SSCNET3
SSCNET3
3
2
A31B
CNP1 CN1A CN3
A31F
24A224A6 24A2
48D3A 48D3B
U92
PIO
CAM
U93
CN2
CN3
U95
CN6
CN8
CN5
CN7
E192
E39
E39
Option
CN1B
SSCNET3
CNP1 CN1A CN3CN1B
24A6
E193
E191
E192
E193
Servo Motor
M21F
Linear Scale
I/F
U21F
M22F
U22F
M23F
U23F
AMP
Linear Scale Linear Scale
I/F I/F
A21B
M21B
Linear Scale
I/F
U21B
M22B
U22B
M23B
U23B
Linear Scale Linear Scale
I/F I/F
3
M
3
M
3
M
3
M
3
M
3
M
B36(1)
B36(2)
B61(1)
B61(2)
(B) (F) (B) (F)
U94
PIO
CAM
Option
3100511C1F
3100511C1D
PIO
CAM
Linear Motor
AMP
A22B
AMP
A23B
Servo Motor
AMP
A21F
AMP
A22F
AMP
A23F
X-Axis Y1-Axis Y2-Axis X-Axis Y1-Axis Y2-Axis
(1)
(2)
No.127 No.128 No.129 No.130 No.131 No.132
48D3
48D3
AE LINK(CH2)
PCB Recognition
Camera
Recognition
Camera
Component
PCB Recognition
Lighting
CPU1(Operation and Recognition)
Lighting
Control
LED
Linear Motor Linear Motor Linear Motor
COM3 COM4
PCB
COM1 COM2
Frame
Grabber1
Frame
Grabber2
Frame
Grabber3
E191
Ring Lighting
(Rear)
Coaxial Lighting
Base MarkBase Mark
(Rear)
(Rear)
(Front)
(Front)
(Front)
48D
CN1
Ring Lighting
Coaxial Lighting
Base MarkBase Mark
CONVEYOR

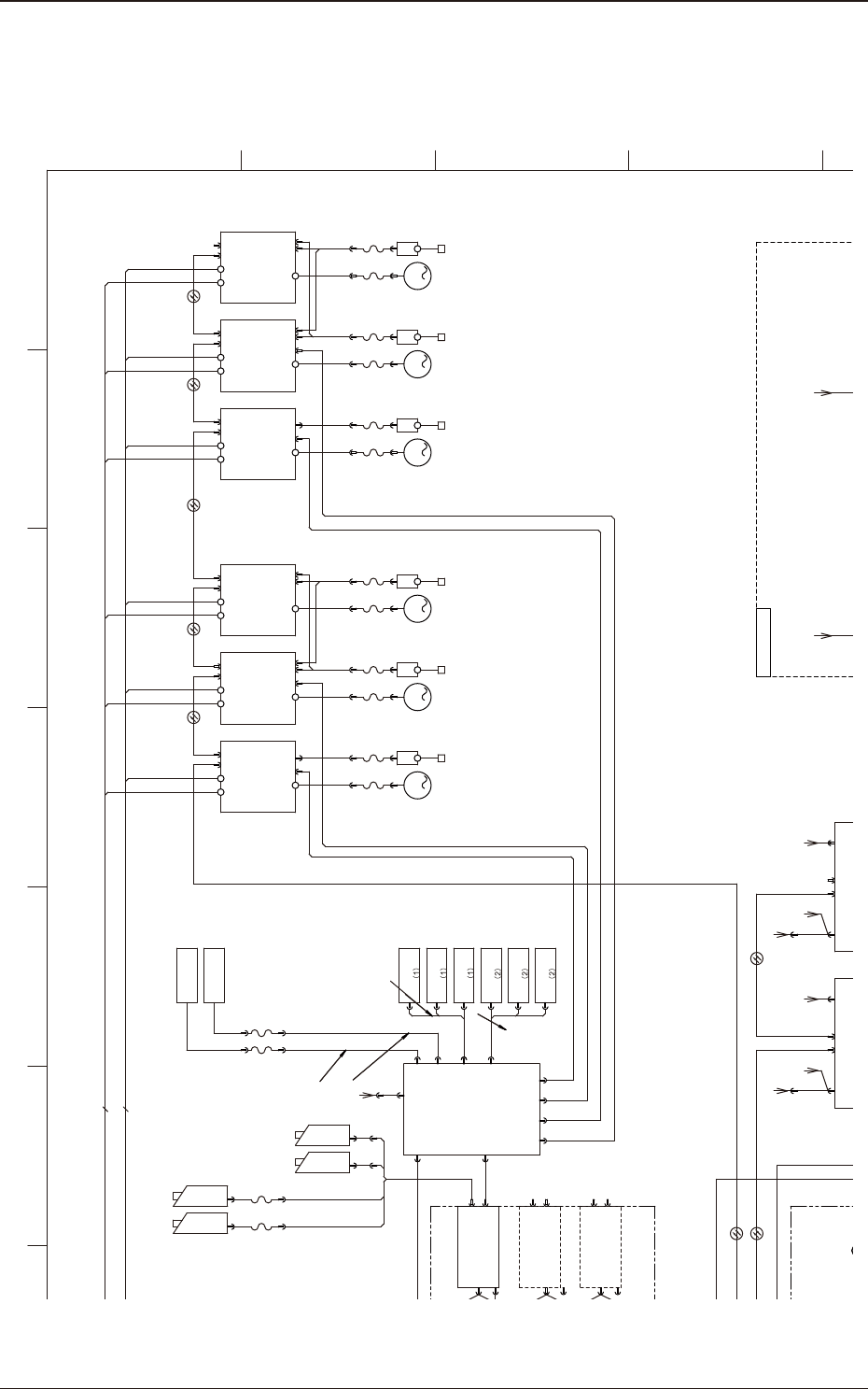
4-12
5OM-1752
1306-002A(21010WA--1001)
综合模块连接图 (D 部详细图 )
E
F
G
H
4100511C5E
2101011C83(3.5m)
2101011C84(2.5m)
UB95
3101011C2V(3m)
3101011C2W(2m)
KB-STP-03LB
(3m)
3101011C6X
(3.3m)
No.97
No.98 3101011C6Y
改
24A6
AE LINK
NLNSDD
Servo Motor AMP
A31B
CNP1 CN1A
HL
CN3
NLNSDD
A31F
HL
24A224A6 24A2
48D3A 48D3B
Servo Motor AMP
24A6
CN1B CNP1 CN1A CN3CN1B
24A6
AE LINK
2CH
S-CV
U05
CN2
Camera
Slip
Rings
U37
U06
IO PCB
U69
IO PCB
U69
U67 U68
FEEDER
FEEDER
1-15Lane
U67 U68
FEEDER
FEEDER
Feeder Cart1
HEAD1
J1
P2A 2A P2B 2B P2C 2C P2D 2D P2A 2A P2B 2B P2C 2C P2D 2D
U14
U08
UP
UP
DN T
DN T
HSIO
UP
UP
HSIO
HSIO
UB95
UB95
CH1
CH2
X30B
X30F
3
M
3
M
3
M
3
M
3
M
3
M
3
M
3
M
No.97
AE LINK(CH1)
A11
PWR
N2N1
48D3
A10
PWR
48D3
AE LINK(CH2)
Stepping Motor Driver
M MM
M46 M47M42
N2N1
X30F
X30B
CN2
CN12
A63B
M
M41
M
M45
M
M44
IO PCB
IO PCB
Feeder Cart2
16-30Lane
Connector Connector
HEAD1 HEAD2
D-CV
AE-LINK
24G1A,B
24G2A,B
Side View
Ligh
t Emitting
U03 U04
CN8
CN1
24A6
IO PCB
U02
UP T
T
HSIO
HSIO
CN5F
CN5BCN1
CN10
U05
CN2
Camera
Slip
Rings
U37
U06
HEAD1
J1
Side View
Light
Emitting
U03 U04
CN8
CN1
CN10
1-15Lane 16-30Lane
U07 U07
M63
3
M
(B1)
Servo Motor
AMP
CN2
A63F
M63
3
M
(B2)
Servo Motor
AMP
CN12
Stepping Motor Driver
Option
Back up Base
48D3C 48D3D
CONVEYOR