KMK-000-1808 (CWD)YSM20R接线图-2beam.pdf - 第3页
YSM20R (2-beam) This wiring diagram is common to T ypePV / SV . T able of contents /目次 Over view / 全体接続図 Power circuit / 電源回路図 Emergency circuit / 非常停止回路図 Control box(DS) -1- /コントローラー接続図 (DS) -1- Control box(SL) -1- /コント…

Safety.
To replace the purchased parts safely, be sure to comply with the following items.
However the following cannot cover all items regarding safety in detail. So it is
extremely important that the worker or person handling the machine make correct
decisions regarding safety.
CAUTION Machine operation of operator•Work is limited to maintenance and
safety skill.
Be sure to turn off the machine’s power supply before doing the exchange work.
Be sure to push the emergency stop SW, and do adjustment work under the
emergency stop condition.
Refer to the manual for the replacement work of each consumable part.
*
Safety alert symbols and signal words
CAUTION
Indicates a potentially hazardous situation which, if not avoided, may result in minor
injury, or material loss or damage to the machine. These points are important for
protecting the safety of the machine and data, etc.
安全について
お買い上げいただいたパーツを安全に交換していただくために、下記の事項は必ず守って作
業を行ってください。しかしながら、下記に全ての安全性に関する項目を細部にわたり網羅
することは困難です。従って作業者自身の安全に対する正確な判断が非常に大切な要素とな
りますことをご留意ください。
注意 作業者は本機の動作・メンテナンスに習熟していて安全に作業を行える方に限り
ます。
①交換作業は、マシンの電源を切ってから必ず行ってください。
②調整作業は、非常停止 SW を押し、非常停止状態で必ず行ってください。
③消耗品の交換、各メンテナンス作業についてはマニュアルをご参照ください。
※安全標記の 注意は取り扱いを誤った場合、傷害に至る可能性または物的損害の発生
が想定される内容を示しています。本体およびデータなどの損傷を防ぐために重要な注
意事項です。
YSM20R
(2-beam) This wiring diagram is common to TypePV / SV.
Table of contents
/目次
Over view / 全体接続図
Power circuit / 電源回路図
Emergency circuit / 非常停止回路図
Control box(DS) -1- /コントローラー接続図 (DS) -1-
Control box(SL) -1- /コントローラー接続図 (SL) -1-
Control box -2- /コントローラー接続図 -2-
Control box -3- /コントローラー接続図 -3-
Conveyor C/R(DS) / コンベアー C/R(DS) 接続図
Conveyor C/R(SL) / コンベアー C/R(SL) 接続図
I/O conveyor -1- / I/O コンベアー接続図 -1-
I/O conveyor -2- / I/O コンベアー接続図 -2-
I/O conveyor -3- / I/O コンベアー接続図 -3-
I/O conveyor -4- / I/O コンベアー接続図 -4-
I/O conveyor(DS) -5- / I/O コンベアー (DS) 接続図 -5-
I/O conveyor(SL) -5- / I/O コンベアー (SL) 接続図 -5-
SAFETY UNIT / 安全装置 接続図
Head A / ヘッド A
Head B / ヘッド B
HM Head / HM ヘッド
FM Head / FM ヘッド
FIX70 feeder structure(SSF) / 70 連固定フィーダー (SSF) 接続図
Front FES32 Feeder(SSF)/ATS / 前側 32 連台車フィーダー (SSF)/ATS 接続図
Rear FES32 Feeder(SSF)/ATS / 後側 32 連台車フィーダー (SSF)/ATS 接続図
Front FES32 Feeder(ZSF)/ATS / 前側 32 連台車フィーダー (ZSF)/ATS 接続図
Rear FES32 Feeder(ZSF)/ATS / 後側 32 連台車フィーダー (ZSF)/ATS 接続図
Power transformer / 電源トランス接続
Air circuit / エアー回路図
Wiring parts list / 配線部品表
P.1
P.2
P.3
P.4
P.5
P.6
P.7
P.8
P.9
P.10
P.11
P.12
P.13
P.14
P.15
P.16
P.17
P.18
P.19
P.20
P.21
P.22
P.23
P.24
P.25
P.26
P.27
P.36
Condential & Proprietary

Confidential & Proprietary
PAGE
DS CONVEYOR ・・・
SL CONVEYOR ・・・
CONVEYOR CONTROLLER
SL CONVEYOR
DS CONVEYOR
CN38-CN45 ・・・
CN28-CN37 ・・・
CN17-CN27 ・・・
CN1-CN16 ・・・
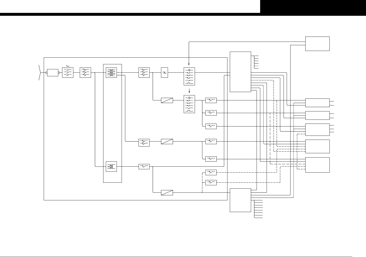
Circuit
Protector
QF31 10A
QF51 5A
QF52 5A
HEAD B
DC48V
HEAD BRD.UNIT
HM HEAD
FM HEAD
QF53 5A
DC48V
CV,W MOTOR
SENSOR
BATTERY
Z,R MOTOR
SENSOR,VALVE
SENSOR,VALVE
Z,R MOTOR
380/400/416V
200/208/220/240
3∼ 50/60Hz
POWER TRANSFORMER
TERMINAL
Terminal
XB11
QS11 40A
Main Switch
TM11 5.18KVA
Transformer Contactor
QF11 30A
Main Breaker
DC24V
LAN
DC24V
LAN
Rating 10.4KVA MAX.
Noise
NF11
Filter
Power Supply
GS31 600W 12.5A
CONTROL BOX
Each Motors
USB MEMORY
TOUCH LCD
CAMERA UNIT
LAN
LAN
LAN
CONTROL : 1∼ 100V
MOTOR : 3∼ 230V
OUTPUT : 3∼ 200V
INPUT :
COM
COM
COM
LAN
DC24V
COM
EMG S/W
COVER S/W
SENSOR
VALVE
FAN
SIGNAL TOWER
I/O CONVEYOR BOARD
LAN
Power Supply
GS22 600W 25A
SAFETY UNIT ・・・
(Standard Spec.)
F.FEEDER HOLDER
Circuit
Protector
QF32 3A
QF41 7A
DC24V
COM
GS21 300W 12.5A
Power Supply
DC48V
LAN
FIX70(SSF)
FES32(SSF),ATS
FES32(ZSF),ATS
FES32(SSF),ATS
FES32(ZSF),ATS
FIX70(SSF)
R.FEEDER HOLDER
QF42 7A
DC24V
COM
DC48V
LAN
TC11 1.00KVA
Transformer
QF21 10A
QF43 3A
QF44 3A
DC24V
DC24V
POWER CIRCUIT
See Page 2
IONIZER ASSY(Option)
FDR SET ST.(Option)
USB KEY/MS(Option)
BARCODE READER(Option)
KM11/KM11A
Contactor
KM12/KM12A
EMERGENCY CIRCUIT
HEAD A
DC48V
DC24V
LAN FM HEAD
HM HEAD
HEAD BRD.UNIT
Page 10
Page 11
Page 12
Page 13
Page 14
Page 15
Page 16
See Page 17
See Page 4-7
See Page 26
See Page 21
See Page 21
See Page 22
See Page 23
See Page 24
See Page 25
See Page 19
See Page 20
See Page 20
See Page 19
See Page 18
See Page 3
Standard Spec.
See Page 8
See Page 9
CC.V0
1
OVER VIEW
YSM20R-2