JM-100_SPE_JP.pdf - 第49页
1 1 45 HOD 24pin ② USB U SB2 .0 …

1 1
44
6
6-1
a)
b)
c)
d)
上流側装置
マシン本体
下流側装置

1 1
45
HOD24pin
②USB USB2.0
③14
8
No.
1 READY OUT READY IN
2 READY OUT READY IN GND
3 BOARD AVAILABLE IN BOARD AVAILABLE OUT
4 BOARD AVAILABLE IN
GND
BOARD AVAILABLE OUT
5 N.C. N.C.
6 N.C. N.C.
7 N.C. N.C.
8 N.C. N.C.
9 N.C. N.C.
10 N.C. N.C.
11 N.C. N.C.
12 N.C. N.C.
13 N.C. N.C.
14 N.C. N.C.

1 1
46
◇
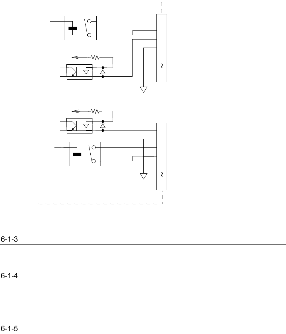
SMEMA
GND(24V)
+
+ 24V
_
3.3K 1/4W
READY OUT +
BOARD AVAILABLE IN +
READY OUT -
BOARD AVAILABLE IN -
N.C.
1
2
3
4
5
14
READY IN +
BOARD AVAILABLE OUT +
READY IN -
BOARD AVAILABLE OUT -
N.C.
1
2
3
4
5
14
+ 24V
_
3.3K 1/4W
+
GND(24V)
JIS B 8438 10m
USB 2.0 2
DVD/CD-ROM
USB
812