SP-0082-001.pdf - 第10页
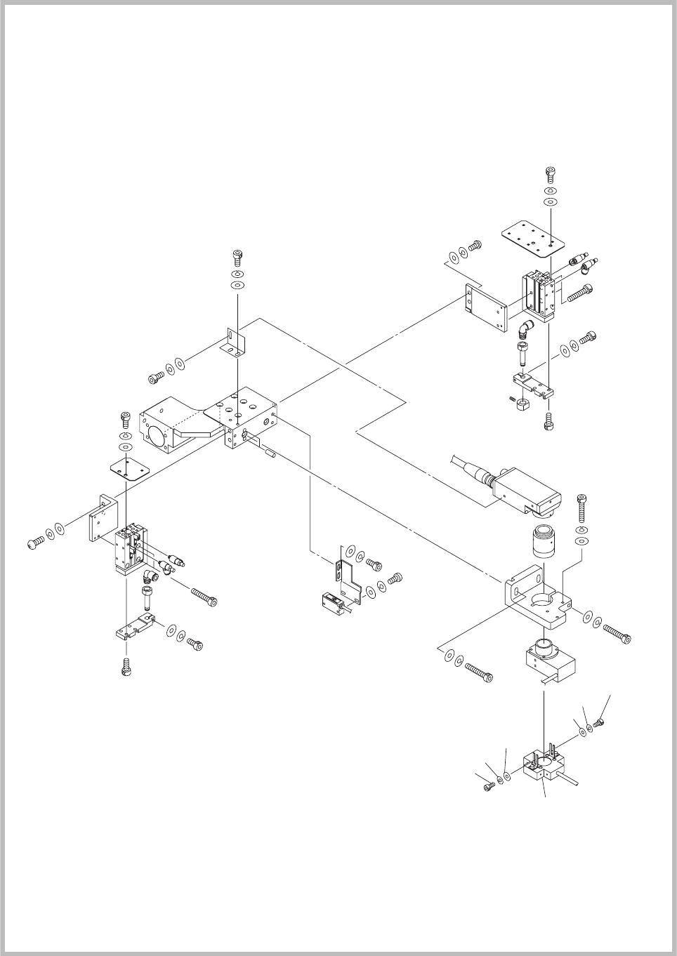
Fig. D1-2L 基板認識カメラ、バックアップピン自動段取り ( L 流れ ) PEC Recognition Camera, Back-Up Pin Auto Set Up(Left Flow) 2H4 2H3 2H2 2H4 2H3 2H2 2H1 (BASE : Document No. P-31 1-00X UNIT -3 Fig.D1-2L ) 1002-001 Fig. D1 印刷状態検査機能 (PS-IP100) PR…
CONTENTS
Fig. D1
印刷状態検査機能
(PS-IP100)
PRINTING INSPECTION FUNCTION(PS-IP100)
Fig. D1-2L
基板認識カメラ、バックアップピン自動段取り (
L
流れ )
PEC Recognition Camera, Back-Up Pin Auto Set Up(Left Flow)
Fig. D1-2R
基板認識カメラ、バックアップピン自動段取り (
R
流れ )
PEC Recognition Camera, Back-Up Pin Auto Set Up(Right Flow)
1002-001
Fig. D1

Fig. D1-2L
基板認識カメラ、バックアップピン自動段取り (
L
流れ )
PEC Recognition Camera, Back-Up Pin Auto Set Up(Left Flow)
2H4
2H3
2H2
2H4
2H3
2H2
2H1
(BASE:Document No. P-311-00X
UNIT-3 Fig.D1-2L
)
1002-001
Fig. D1
印刷状態検査機能
(PS-IP100)
PRINTING INSPECTION FUNCTION(PS-IP100)

Key No. PART No. PART NAME Q’ty
REMARKS
NOTE
2H1 4Z110111 LIGHTING UNIT 1 10900061A1-001
2H2 221AA015 ROHS_HEX-SCT 2 10900061A1-002
2H3 221HA004 WASHER 2 10900061A1-003
2H4 221HA104 WASHER 2 10900061A1-004
Fig. D1
1002-001
Fig. D1-2L
PS-IP100