SP-0082-001.pdf - 第14页
平成 22 年 2 月 初版 発行 Pu bli sh ed , Fe b. 201 0 CHIP MOUNTING SYSTEM 立体分解図 EXPLODED ILLUSTRA TION 編集及び発行所 Editing & Publishing Printed by T .H.I 不許複製 1002-001 奥付 COLOPHON

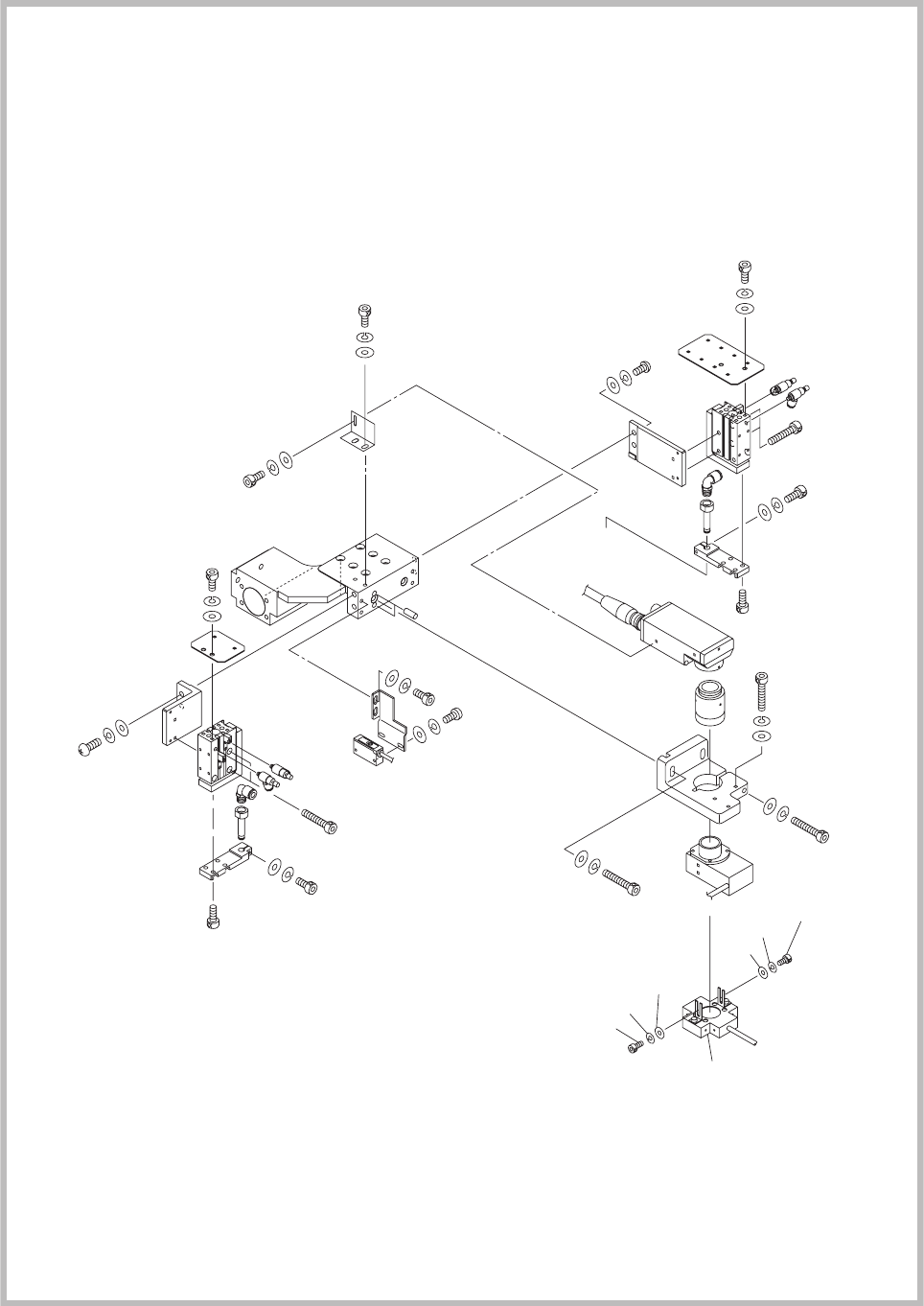
Fig. D1-2R
基板認識カメラ、バックアップピン自動段取り (
R
流れ )
PEC Recognition Camera, Back-Up Pin Auto Set Up(Right Flow)
2H4
2H3
2H2
2H4
2H3
2H2
2H1
(BASE:Document No. P-311-00X
UNIT-3 Fig.D1-2R)
1002-001
Fig. D1
印刷状態検査機能
(PS-IP100)
PRINTING INSPECTION FUNCTION(PS-IP100)

Key No. PART No. PART NAME Q’ty
REMARKS
NOTE
Fig. D1
1002-001
Fig. D1-2R
2H1 4Z110111 LIGHTING UNIT 1 10900061A1-001
2H2 221AA015 ROHS_HEX-SCT 2 10900061A1-002
2H3 221HA004 WASHER 2 10900061A1-003
2H4 221HA104 WASHER 2 10900061A1-004
PS-IP100

平成
22
年
2
月
初版発行
Published, Feb. 2010
CHIP MOUNTING SYSTEM
立体分解図
EXPLODED ILLUSTRATION
編集及び発行所
Editing & Publishing
Printed by T.H.I
不許複製
1002-001
奥付
COLOPHON