P-0277-004.pdf - 第35页

MODEL CU-G300R 0712-002 DD-3 illust-2 BLOCK3 237 206 249 214 218 205 219 257 252 231 257 215 216 207 220 230 238 257 . 272 . 276 254 . 273 . 263 231 257 242 224 245 253 21 1 252 . 273 . 263 250 222 221 253 268 253 243 22…

100%1 / 42
MODEL CU-G300R
0712-002
DD-3 illust-1
250
266
215
216
207
220
230
238
235
240
248
233
217
243
218
205
237
206
249
214
219
224
236
242
224
257
245
210
229(Optional Parts)
227(Optional Parts)
228(Optional Parts)
226(Optional Parts)
222
221
253
253
268
257
257
253
253
252
257
.
272
.
276
211
211
246
BLOCK2
254
.
273
.
263
231
231
252
.
273
.
263
252
.
273
.
263
258
注)
Key No.231(○印)の交換は危険を伴いますので、当社サービス員にご相談下さい。 
Notice) The change of Key No. 231 (with a circle) is accompanied by danger. Consult our
service personnel.
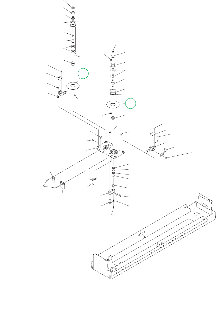
カッタ部
DD CUTTER SECTION DD
Fig. DD-3
カッタ部
Cutter Section
MODEL CU-G300R
0712-002
DD-3 illust-2
BLOCK3
237
206
249
214
218
205
219
257
252
231
257
215
216
207
220
230
238
257
.
272
.
276
254
.
273
.
263
231
257
242
224
245
253
211
252
.
273
.
263
250
222
221
253
268
253
243
224
253
211
266
210
248
233
246
217
252
.
273
.
263
240
235
236
229(Optional Parts)
227(Optional Parts)
228(Optional Parts)
226(Optional Parts)
258
注)
Key No.231(○印)の交換は危険を伴いますので、当社サービス員にご相談下さい。 
Notice) The change of Key No. 231 (with a circle) is accompanied by danger. Consult our
service personnel.
カッタ部
DD CUTTER SECTION DD
Fig. DD-3
カッタ部
Cutter Section
MODEL CU-G300R
1004-004
Key No. PART No. PART NAME Q’ty REMARKS New Code
NOTE
205 6301099491 BEARING,RADIAL 2 863DD-100-205 222D0376
206 6301354279 BEARING,THRUST 1 863DD-100-206 222E0017
207 6301369440 BEARING,RADIAL(ANGYURA) 2 863DD-100-207 222D0412
210 6301588025 BLOCK 1 863DD-100-030 211G5451
211 6301563077 BLOCK 2 863DD-100-031 211G5305
214 6301365084 HOLDER 1 863DD-100-034 216B1514
215 6301369808 HOLDER 1 863DD-100-035 216B1519
216 6301365565 HOLDER 1 863DD-100-036 216B1516
217 6301364674 SHAFT 1 863DD-100-037 213A1197
218 6301525952 SHAFT 1 863DD-100-038 213A1411
219 6301365077 SHAFT 1 863DD-100-039 213A1201
220 6301365541 SHAFT 1 863DD-100-040 213A1205
221 6301364605 COVER 1 863DD-100-221 211A9720
222 6301576596 MECH PARTS 1 863DD-100-222 226J2397
224 6300690644 BOLT 4 863DD-100-224 221E0129
226 6301493824 PLATE 1 T0.1 863DD-100-226 211DC026
227 6301493831 PLATE 1 T0.2 863DD-100-227 211DC027
228 6301493848 PLATE 1 T0.3 863DD-100-228 211DC028
229 6301493855 PLATE 1 T0.05 863DD-100-229 211DC029
230 6301376028 SEAL 1 863DD-100-230 226A0256
231 6301579795 DISK 2 863DD-100-071 213D1294
233 6300010206 WASHER 1 BW3 863DD-100-233 221H0003
235 6301364568 GUIDE 1 863DD-100-045 212A2212
236 6301364575 GUIDE 1 863DD-100-046 212A2213
237 6301467191 GUIDE 1 863DD-100-047 212A2351
238 6301370002 GUIDE 1 863DD-100-048 212A2226
240 6301588667 BASE 1 863DD-100-050 210A2900
242 6301577203 BASE 1 863DD-100-052 210A2882
243 6301577241 BASE 1 863DD-100-053 210A2884
245 6301557632 BRACKET 1 863DD-100-020 211FC192
246 6301364667 LEVER 1 863DD-100-066 216S2811
248 6301359762 SPRING,COMP 1 863DD-100-058 222M1373
249 6301367088 SPRING,COMP 1 863DD-100-059 222M1378
250 6300007497 BOLT,HEX-SCT 4 M3X4 863DD-100-250 221A0004
252 6300007510 BOLT,HEX-SCT 4 M3X8 863DD-100-252 221A0006
253 6300007619 BOLT,HEX-SCT 8 M4X8 863DD-100-253 221A0016
254 6300007541 BOLT,HEX-SCT 1 M3X14 221A0009
257 6300083057 BOLT,HEX-SCT 16 M2X4 863DD-100-257 221A0121
258 6300008883 SET SCREW 1 M3X4 SET 221C0001
263 4111413902 WASHER V 3X7X0.5 4 863DD-100-263 221H0312
266 6300081114 BOLT,HEX-SCT 2 M2X8 221A0115
268 4111407901 SCR TRS 3X4 1 863DD-100-268 221E0528
272 4111412608 WASHER SPR 2 4 863DD-100-272 221H0277
273 4111412806 WASHER SPR 3 4 863DD-100-273 221H0281
276 4111416903 WASHER V 2X5X0.3 4 863DD-100-276 221H0308
DD-3 list-1
DD-3 GXH-3J 1Unit/1Machine
GXH-3
2Unit/1Machine