Schematics-104072.pdf - 第50页
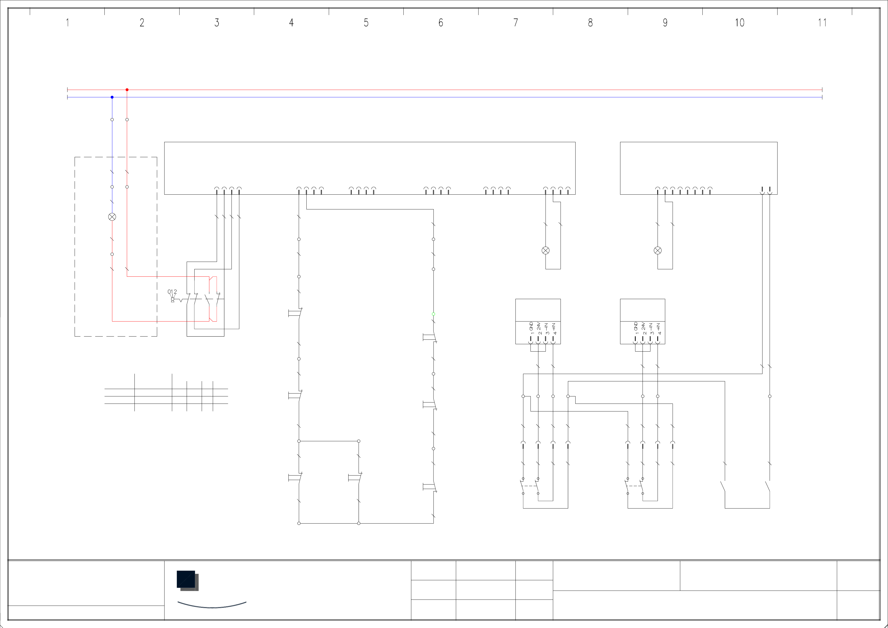
GO XR OFF- XR OFF+ XR PREW- XR PREW+ XR ON- XR ON+ INTERLOCK X3 LAMPS X2 IN OUT GENERATOR XR AUX- XR AUX+ 1 2 H G F E D C A B G3 /51.4 /49.2 CONTROL ASSY 1 KNIFESWITCH X6 230V OUT 230V IN n.c. n.c. KEYSWITCH REAR XR PREW…

GO
/50.2
LWL
X11X10
POWER IN RS232
X16X1
CONTROL ASSY 1
X3X2
N'
L'
N
L
n.c.
n.c.
PE
POWER OUT
X5
PE
N
L3
L2
L1
X15X14X13
LWL
X12
PE
N
L
PE
N
L
7
6
5
4
3
2
1
RX
TX
TX
RX
TX
RX
5
4
3
2
1
A1XA
L'
PE
HIGH VOLTAGE
X5
GENERATOR
POWERLWL
X1
n.c.
N'
N
L
PE
X4
7
6
RX
TX
5
4
3
2
1
G1XG
CONTROL
X2
X-RAY TUBE
HIGH VOLTAGE
X1
V1XT
ER NC
ER NO
ER COM
SH-
SH+
X23 X22X28X27
POWER IN
X21
CONTROL ASSY 2
LWL
POWER
OUT
X26
POWER
OUT
TURBO
PUMP
VAC
GAUGE
X29X25X24
VXR
TUBE
EXT.SHUTTER
ERROR
PE
N
L
5
RX
TX
4
3
2
1
A2XA
TRIGGER
CONTROL
POWER
VACUUM
GAUGE
X1
V1XV
POWER
TURBO
PUMP
X1
A1XV
SHUT OFF
VALVE
POWER
X1
Y1XV
DIAPHRAGM
PUMP
POWER
X1
A2XV
L1EO/44.11
L2EO/26.11
L3EO/26.11
N/36.11
PE/39.11
L1EO/54.1
L2EO
L3EO
N/55.1
PE/53.1
L1
X1EH
L2
L3
N
PE
1
W1XA
2
3
4
GN/YE
W10XA/21
W10XA- W28XA
W21XA
T
W27XA
R
T
W2XG
R
W1XG
W2XT
W1XT W1XV W2XV W3XV W4XV
1
2
3
4
1
2
3
4
1
2
1
2
WH
BN
T
R
1 07.09.12
07.09.12
DW
DW
All rights of disposition, particulary for copying
or distributing, are reserved
form
Viscom AG
Carl-Buderus-Str. 9-15
30455 Hannover
+49 511 94996 0
Germany
V I S C O M
created
G.-rev.
B.-rev.
by
by
by
date
date
date
section
pages
page
page-ID
v i s i o n t e c h n o l o g y
document
ZT-FB-ECS13-1D
AXI / CONTROL OPEN TUBE
7056_XA-V1-1
GN/YE
GN/YE
GN/YE
GN/YE
W26XA/21.7
TRIGGER/54
W26XA
OPTION
FPD BV
30.009.1041h
83
49
30.10.166.8

GO
XR OFF-
XR OFF+
XR PREW-
XR PREW+
XR ON-
XR ON+
INTERLOCK
X3
LAMPS
X2
IN
OUT
GENERATOR
XR AUX-
XR AUX+
1
2
H
G
F
E
D
C
A
B
G3
/51.4
/49.2
CONTROL ASSY 1
KNIFESWITCH
X6
230V OUT
230V IN
n.c.
n.c.
KEYSWITCH
REAR
XR PREW-
XR PREW+
XR ON-
XR ON+
X19
EMO
X18
EMO
REAR
EMO
EMO
ERROR
ERROR
ERROR
ERROR
EMO
EMO
X7
ON
230V
230V
STDBY
STDBY
230V
230V
ON
LAMPS
REAR
KEYSWITCH
X17X4
4
3
1
2
4
3
1
2
4
3
1
2
D
C
A
B
D
C
A
B
4
3
1
2
A1XA
/52.8
X2
X1
H1XS
1
W2XS
2
/52.9
1
0
H2XS
1
W3XS
2
BK
W1XS
WH
RD
GN
2
1
4
3
S1XS
6
5
8
7
1
2
W41XS
1
X3XS
1
W25XS
2
W25XS
1A
X25XS
1B
X25XS
2
W4XS
1A
X1XS
1B
X1XS
2A
X1XS
2B
X1XS
3A
X1XS
3B
X1XS
4A
X1XS
4B
X1XS
5A
X1XS
5B
X1XS
/52.1
2
1
S10XS
/52.1
2
1
S11XS
/52.1
2
1
S12XS
/52.2
2
1
S15XS
/52.3
2
1
S13XS
/52.3
2
1
S14XS
1
W4XS
1
W10XS
2
W10XS
1
W11XS
2
W11XS
1
W12XS
2
W12XS
1
W15XS
2
W15XS
1
W13XS
2
W13XS
1
W14XS
2
W14XS
2
W42XS
1
2X3XS 3
1
W40XS
2
W40XS
/51.8
X2
X1
H3XS
S21XS
/52.9
12
11
22
21
S20XS
/52.8
12
11
22
21
BK
W21XS
WH
BN
BU
BK
W20XS
WH
BN
BU
1
S21X1XS
2
3
4
1
S20X1XS
2
3
4
1A
X2XS
1B
2A
2B
3A
3B
4B
BK
W23XS
RD
GN
WH
BK
W24XS
RD
GN
WH
14
13
K1ES/18.8
14
13
K2ES/18.9
1
W22XS
2
/25.2
VIM
X1
A1DE
/25.2
VIM
X2
A1DE
1
W30XS
2
1
W31XS
2
1
W5XS
2
T1EL:24VEO/36.11
T1EL:GND/36.11
T1EL:24VEO
T1EL:GND
GND
X1EL
24V
PILLAR
ROOFPILLAR
0 OFF
ON
STANDBY
POSITION
1
2
OPERATION CONTACT
2 4
X
POSITION DIAGRAM S1XS
X
"X : CONTACT ACTIVATED"
86
X
X
1,0 DK BU
LIFT GATE 1 SHUTTER
LOWER
FRONT DOOR
UPPER
FRONT DOOR
LEFT REAR
DOOR
RIGHT REAR
DOOR
SHUTTERLIFT GATE 1
1,0 DK BU
ROOF
1
07.09.12 DW
ORANGE
PRE-WARNING
LAMP
17.04.13 SvH
All rights of disposition, particulary for copying
or distributing, are reserved
form
Viscom AG
Carl-Buderus-Str. 9-15
30455 Hannover
+49 511 94996 0
Germany
V I S C O M
created
G.-rev.
B.-rev.
by
by
by
date
date
date
section
pages
page
page-ID
v i s i o n t e c h n o l o g y
document
ZT-FB-ECS13-1D
AXI / SAFETY CIRCUITS OPEN TUBE
7056_XS-V1-1
2
1
S16XS
2
W16XS
1
W16XS
MAINTENANCE
AXIS TUBE
30.009.1041h
83
50
30.10.166.8

GO
/52.2
/50.2
XR-TUBE
EARTH
POWER
SUPPLY
RS232
0V(GND)
24V
GND
X2X1
3
2
1
A1XA
14
13
S1XA
A2
A1
K1XA
.2
6
5
4
3
2
1
K1XA
/50.2
1
0
H3XS
W10XA/21.4
T5EL:24VEO/26.11
T5EL:GND/26.11
PE/44.11 PE/54.1
T5EL:24VEO/52.1
T5EL:GND/52.1
24V
X5EL
GND
24V
X5EL
GND
GND
PE
X5EL
1
W3XA
2
W3XA
GN/YE
W11XA
1
2
W10XA
1
W40XS
2
W40XS
1,5 DK BU
1,5 DK BU
1
07.09.12 DW
SvH
ORANGE
PRE-WARNING
LAMP
14.04.14
All rights of disposition, particulary for copying
or distributing, are reserved
form
Viscom AG
Carl-Buderus-Str. 9-15
30455 Hannover
+49 511 94996 0
Germany
V I S C O M
created
G.-rev.
B.-rev.
by
by
by
date
date
date
section
pages
page
page-ID
v i s i o n t e c h n o l o g y
document
ZT-FB-ECS13-1D
AXI / CONTROL SEALED TUBE
7056_XA-V2-130.009.1041h
83
51
30.10.166.8