Schematics-104072.pdf - 第52页
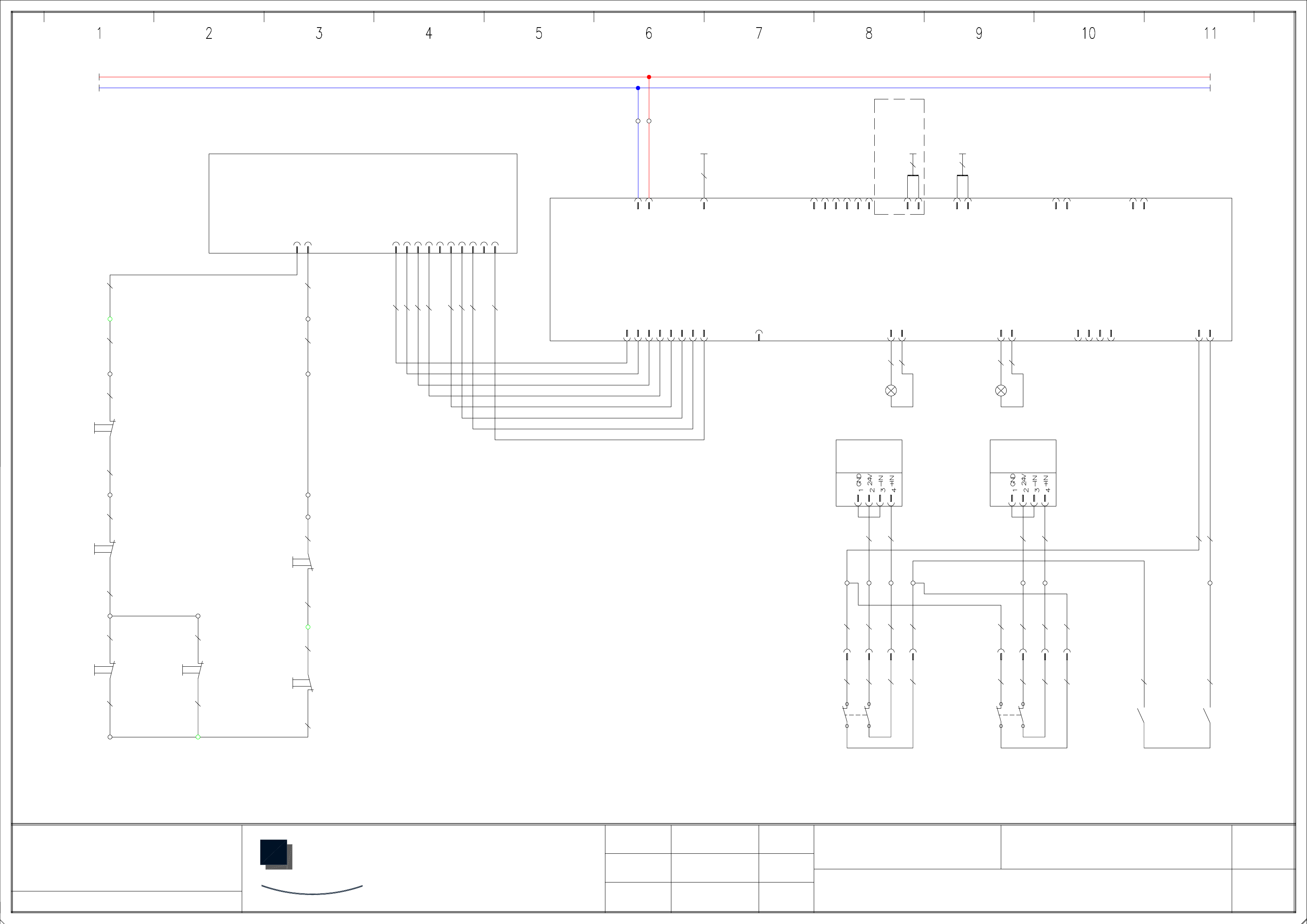
GO /51.4 XR-TUBE GND n.c. TRIGGER IN XR-EMISSION 5V OUT n.c. XR-SIG XR-SIG INT OUT INT RETURN INT RETURN INT OUT INTERLOCK 2 INTERLOCK 1 X4 X3 10 9 8 7 6 5 4 3 2 1 1 2 A1XA 1 W25XS 2 W25XS 1A X25XS 1B X25XS 2 W4XS 1A X1X…

GO
/52.2
/50.2
XR-TUBE
EARTH
POWER
SUPPLY
RS232
0V(GND)
24V
GND
X2X1
3
2
1
A1XA
14
13
S1XA
A2
A1
K1XA
.2
6
5
4
3
2
1
K1XA
/50.2
1
0
H3XS
W10XA/21.4
T5EL:24VEO/26.11
T5EL:GND/26.11
PE/44.11 PE/54.1
T5EL:24VEO/52.1
T5EL:GND/52.1
24V
X5EL
GND
24V
X5EL
GND
GND
PE
X5EL
1
W3XA
2
W3XA
GN/YE
W11XA
1
2
W10XA
1
W40XS
2
W40XS
1,5 DK BU
1,5 DK BU
1
07.09.12 DW
SvH
ORANGE
PRE-WARNING
LAMP
14.04.14
All rights of disposition, particulary for copying
or distributing, are reserved
form
Viscom AG
Carl-Buderus-Str. 9-15
30455 Hannover
+49 511 94996 0
Germany
V I S C O M
created
G.-rev.
B.-rev.
by
by
by
date
date
date
section
pages
page
page-ID
v i s i o n t e c h n o l o g y
document
ZT-FB-ECS13-1D
AXI / CONTROL SEALED TUBE
7056_XA-V2-130.009.1041h
83
51
30.10.166.8

GO
/51.4
XR-TUBE
GND
n.c.
TRIGGER IN
XR-EMISSION
5V OUT
n.c.
XR-SIG
XR-SIG
INT OUT
INT RETURN
INT RETURN
INT OUT
INTERLOCK 2INTERLOCK 1
X4X3
10
9
8
7
6
5
4
3
2
1
1
2
A1XA
1
W25XS
2
W25XS
1A
X25XS
1B
X25XS
2
W4XS
1A
X1XS
1B
X1XS
2A
X1XS
2B
X1XS
3A
X1XS
3B
X1XS
4A
X1XS
4B
X1XS
5A
X1XS
5B
X1XS
/50.4
2
1
S10XS
/50.4
2
1
S11XS
/50.4
2
1
S12XS
/50.5
2
1
S15XS
/50.6
2
1
S13XS
/50.6
2
1
S14XS
1
W4XS
1
W10XS
2
W10XS
1
W11XS
2
W11XS
1
W12XS
2
W12XS
1
W15XS
2
W15XS
1
W13XS
2
W13XS
1
W14XS
2
W14XS
X10 X2X1
XLC LAMP CONTROL
INTERLOCK
INTERLOCK
CONTACT 2 n.o.
CONTACT 2 n.o.
CONTACT 1 n.o.
CONTACT 1 n.o.
-
+
-
+
GND
5V TRIGGER OUT
5V XR-TUBE SIG
5V XR-TUBE
WARN LAMP
WARN LAMP
INTERLOCK
INTERLOCK
GND
RESET
24-48V
GND
n.c.
GND
PDI CLK
PDI DATA
VCC
n.c.
GND
24V
24V
GND
RS232 TUBE
RS232 PC
INTERLOCKRELAY K1
EXT. RESETTRIGGER INPROGRAMM
WARN LAMP 2WARN LAMP 1
POWER
SUPPLY
POWER
SUPPLY
INTERLOCK
WARN LAMP
X6X5X8X3X9X4
X11X12X20
1
2
4
3
1
2
1
2
1
2
8
7
6
5
4
3
1
2
2
1
2
1
6
5
4
3
2
1
2
1
2
1
A1XS
/50.7
X2
X1
H1XS
/50.9
1
0
H2XS
T5EL:24VEO/51.11
T5EL:GND/51.11
T5EL:24VEO
T5EL:GND
W26XS/21.4
S21XS
/50.9
12
11
22
21
S20XS
/50.7
12
11
22
21
BK
W21XS
WH
BN
BU
BK
W20XS
WH
BN
BU
1
S21X1XS
2
3
4
1
S20X1XS
2
3
4
1A
X2XS
1B
2A
2B
3A
3B
4B
BK
W23XS
RD
GN
WH
BK
W24XS
RD
GN
WH
1
W22XS
2
VIM
X1
A1DE
VIM
X2
A1DE
1
W2XS
2
1
W3XS
2
1
W30XS
2
1
W31XS
2
1
W5XS
2
1
W6XS
2
3
4
5
6
7
8
W9XS
W26XS
GND
X5EL
24V
/18.8
14
13
K1ES
/18.9
14
13
K2ES
1,0 DK BU
LIFT GATE 1 SHUTTER
LOWER
FRONT DOOR
UPPER
FRONT DOOR
LEFT REAR
DOOR
RIGHT REAR
DOOR
SHUTTERLIFT GATE 1
1,0 DK BU
1,0 DK BU
1
07.09.12 DW
BN
WH
1,0 DK BU
All rights of disposition, particulary for copying
or distributing, are reserved
form
Viscom AG
Carl-Buderus-Str. 9-15
30455 Hannover
+49 511 94996 0
Germany
V I S C O M
created
G.-rev.
B.-rev.
by
by
by
date
date
date
section
pages
page
page-ID
v i s i o n t e c h n o l o g y
document
ZT-FB-ECS13-1D
AXI / SAFETY CIRCUITS SEALED TUBE
7056_XS-V2-1
W31AU/21.6
BN
WH
X12.
1
2
OPTION FPD
W31AU
CKL06.02.15
TRIGGER/54.11
30.009.1041h
83
52
30.10.166.8

GO
/54.8
SCRN 3
GND 2
24V 1
X11X10
POWER
LWL
TX
RX
VEB 101
A1XI/1
/54.8
SCRN 3
GND 2
24V 1
X11X10
POWER
LWL
TX
RX
VEB 101
A1XI/2
/54.11
48V
24V
GND
3
2
1
48V
24V
GND
3
2
1
X2X1
X5
X4
X3
PROGR
IO
VLPC
POWER
RS485
X11
X10
POWER
A3XI
/54.9
24V
2
GND
1
X1
X2
VR12
RS485
POWER
A6XI
A2
A1
K1XI
W4XI:WH/21.7
W4XI:BN/21.7
.3
/22.5
VEG101
4 TX
3 RX
2 TX
1 RX
XS
A1CB
.1
12
11
K1XI
.2
X96X95
DB9DB9
RS485
A1CB
WH
W4XI
BN
R
W25XSC
T
R
W26XSC
T
1
W1XI
2
GN/YE
1
W12XI
2
3
W21XI
W23XI
PE/49.11
T3EL:48VES/39.11
T4EL:24VEO/39.11
T4EL:GND/39.11
T3EL:48VES
T4EL:24VEO
T4EL:GND
24V
X4EL
GND
PE
GND
X4EL
24V
48VES
X3EL
1,0 DK BU
1,0 DK BU
1,0 DK BU
07.09.12 DW
COMPUTER
CKL
All rights of disposition, particulary for copying
or distributing, are reserved
form
Viscom AG
Carl-Buderus-Str. 9-15
30455 Hannover
+49 511 94996 0
Germany
V I S C O M
created
G.-rev.
B.-rev.
by
by
by
date
date
date
section
pages
page
page-ID
v i s i o n t e c h n o l o g y
document
ZT-FB-ECS13-1D
AXI / IMAGE INTENSIVER CTRL
7056_XI-V1-1
W25XSC(CROSS)
W26XSC(CROSS)
W21XI(CROSS)
W1XI(CROSS)
W12XI(CROSS)
OPTION CROSS TABLE
OPTION CROSS TABLE
OPTION CROSS TABLE
OPTION CROSS TABLE
OPTION CROSS TABLE
3 06.02.15
PE/55.1
30.009.1041h
83
53
30.10.166.8