P-329-009_SIGMA-G5SII.pdf - 第155页
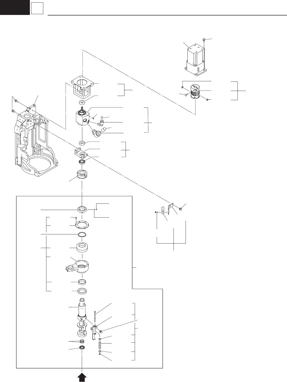
– 149 – HIGH SP EE D H E AD SE CT ION 2006-009 E 453 450 451 D 418 See Fig. G1-4 Key No.307-01 457 M31 DET AIL”E” 402

– 148 –
G1
2006-009
5 DD Motor/Spline
B0502
425
408-06
408-05
401-03
438
439
437
423
442
439
438
439
442
See Fig. G1-3
Key No.231
D
See Fig. G1-3
Key No.213-01
408-21
442
408-12
408-11
408-13
408-23
408-22
408-03
408-04
408-02
408-24
408-29
408-25
408-09
408-28
408
408-27
410-01
401-02
410-02
412-01
410-02
411-02
401-01
412-03
412-02
461
412
409-01
409
411-01
409-02
409-02
408-15
408-15
408-14
408-26
U37
408-01
411
410
401
462

– 149 –
HIGH SPEED HEAD SECTION
2006-009
E
453
450
451
D
418
See Fig. G1-4
Key No.307-01
457
M31
DETAIL”E”
402

– 150 –
G1
2006-009
No.
Part No.
Part Name Qty. Detail
Yamaha Hitachi
401 KYB-M7039-00 10113006 ASSY_ORG_NS 1
401-01 KYB-M700W-00 10113007 ASSY-NS-SENSOR 1
401-02 KYB-M7037-00 1006D30Y BRACKET_NS_SENS 1
401-03 90990-11J011 221DA059 SCREW,PAN HEAD WW 2 PAN M3L10
402 KYB-M700A-00 1011300W ASSY CENTER SHAFT 1
408 KYB-M700U-00 1006331J ASSY_CENTER_SPLINE 1
408-01 KYB-M7033-00 1006331U ASSY_ROLLER_REST 1
408-11 KYB-M700J-00 0916DK21 ROD 1
408-12 KYB-M702E-00 0916DK28 ROD 1
408-13 KYB-M7038-00 1006D312 SPRING_COMP_PUS 1
408-14 90440-01J020 221KA002 CIRCLIP 1 RING E 2
408-15 KYB-M7043-00 216A1582 COLLAR 2
408-02 KYB-M700K-00 0916DK39 SPLINE_CENTER 1
408-03 90933-11J700 222D0425 BEARING_RADIAL 1
408-04 KYB-M705L-00 226A0190 SEAL 2
408-05 90990-02J019 221CA026 SCREW,SET 2 SET M3L3
408-06 90990-01J139 221AA092 BOLT,HEX.S/H WW 2 M3L8
408-09 KYB-M7030-00 1006331H ASSY_UPDOWN_HOLDER 1
408-21 KYB-M700L-00 0916DK3E HOLDER_NL 1
408-22 KYB-M701S-00 222D0435 BEARING RADIAL 1
408-23 KYB-M702D-00 0916DK27 COLLAR 1
408-24 KYB-M7048-00 222D0439 BEARING_RADIAL 1
408-25 KYB-M7040-00 211AC769 COVER 1
408-26 90112-02J008 221AA115 BOLT,HEX.SOCKET HEAD 6 M2L8
408-27 KYB-M91C4-00 211E1117 SPACER 2
408-28 KYB-M7046-00 221G0206 NUT 1
408-29 KYB-M7047-00 221H0266 WASHER 1
409 KYB-M7036-00 1006331Z ASSY_COUPLING 1
409-01 KYB-M700H-00 0916D333 COUPLING 1
409-02 KYB-M704W-00 211E1034 SPACER 2
410 KYB-M703B-00 1011300E ASSY_CENT-BLOCK 1
410-01 KYB-M701B-00 1011D219 BLOCK_BEARING 1
410-02 90333-01J701 222D0426 BEARING_RADIAL 1
410-03 90933-02J179 222D0430 BEARING_RADIAL 1
411 KYB-M703A-00 1011300C ASSY_SR-BLOCK 1
411-01 KYB-M7019-00 1011D20R BLOCK_SR 1
411-02 90933-02J179 222D0430 BEARING_RADIAL 1
412 KYB-M703E-00 1011300L ASSY_ROT-JOINT 1
412-01 KYB-M701T-00 225F0702 PIPE FITTINGS 1
412-02 KYB-M702S-00 1005AB0A PIPE_FITTINGS 1
412-03 KYB-M702T-00 1005AB0F PIPE_FITTINGS 1
5 DD Motor/Spline