PTS-ASU-05_(1).pdf - 第8页
CO NT ENT S Aut o Spli cing Uni t Auto Spl icing Un it ..................... ..................... ..................... ..................... .... 10 目 次 オ ー ト ス プラ イシ ン グ ユ ニ ッ ト オ ー ト ス プ ラ イ シ ン グ ユ ニ ッ ト ...........…

OVERVIEW
概括图

10 PTS-ASU-05
36
35
27
33
24
80
7
176
181
180
12
11
10
6
136
181
135
171
173
140
160
110
109
164
165
162
167
163
113
159
152
161
154
153
155
5
4
116
116
117
122
122.1
123
124
9
7
6
8
3
2
1
12
11
10
125
93
121
99
69
50
141
145
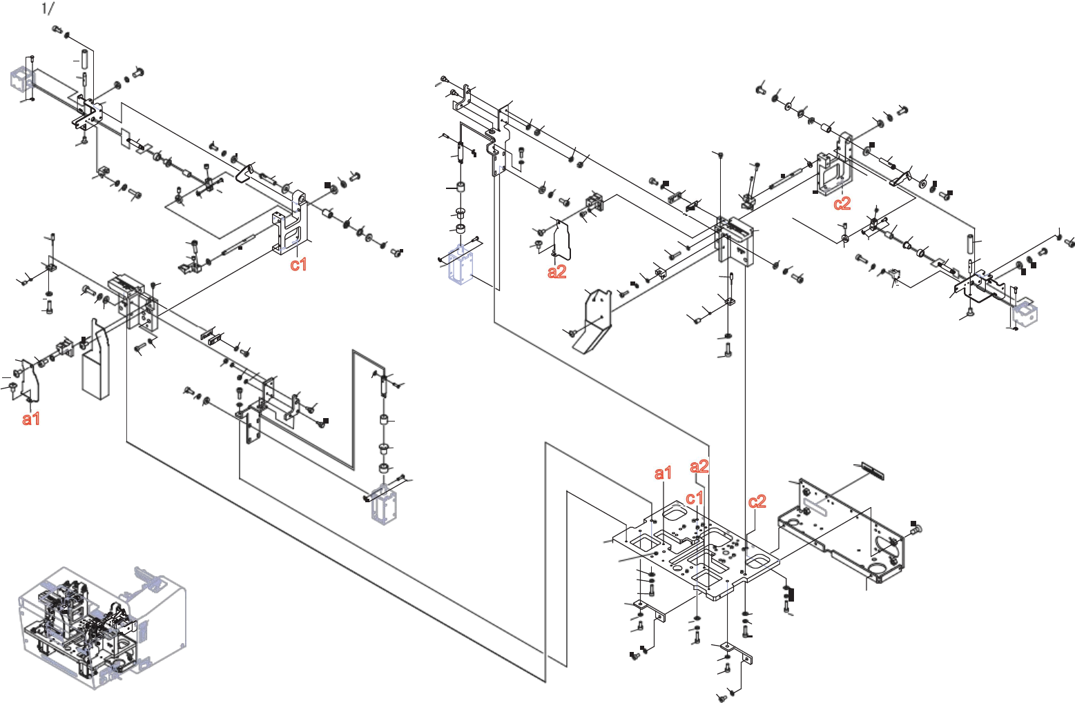
AUTO SPLICING UNIT 1/
2UGKFW000239
147
146
142
18
86
134
106
107
108
105
96
126
127
114
115
114
115
97
34
32
25
45
180
175
174
139
102
103
152.1
133
72
73
75
104
101
151
129
21.1
128
130
68
89
66
90
70
71
143
148
149
150
170
169
167.1
166
20
58
16
17
40
37
38
37
38
31
39
29
28
23
22
21.1
21
84
82
81
84.1
83
77
78
36
47
46
48
49
138
137
132
131
74
112
98
111
12
11
10 3
156
182
5
4
94
94
12
11
10
175.1
144
26
30
56
57
120
95
119
51
52
55
53
54
65.1 64
62
65 63
42
43
44
172
100
92.1
61
13
14
14
59 60
92.2
15 19
91
67
85
88
87
157
158
92
76