文档中心
/
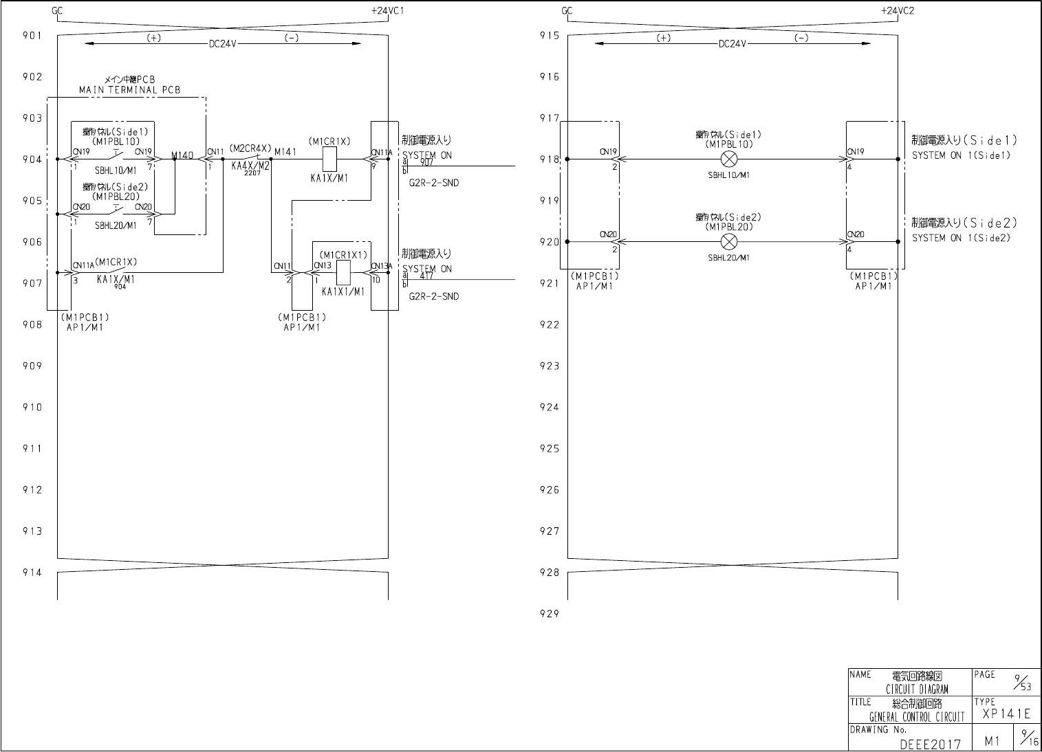
XP141E電氣迴路圖-09(2).pdf
XP141E電氣迴路圖-09(2).pdf - 第14页
在线预览 XP141E電氣迴路圖-09(2).pdf PDF 文档。
目录
100%
显示:宽度
宽度
1 / 121
回到旧版
旧版
?
该页面需要启用 JavaScript 才能进行交互式预览。