P-0217-001.pdf - 第167页
0301-002 165 Fig. Y テープフィーダ T APE FEEDER PF-7210 P F- 7210

MEMO

0301-002
165
Fig. Y テープフィーダ TAPE FEEDER
PF-7210 PF-7210

0301-002
166
テープフィーダ TAPE FEEDER
PF-
7210
PF-
7210
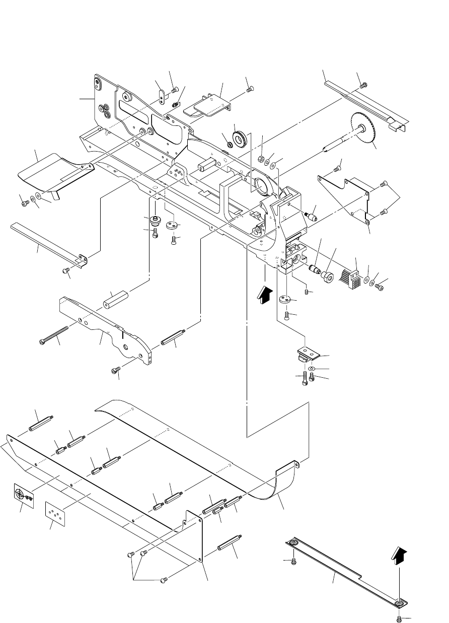
Fig. Y-1 フレーム部 Frame Section
Fig.Y-1
1
7
17
16
34
35
36
22
25
24
See Fig.Y-3
Key No.213
33
18
6
51
99
39
23
43
3
35
38
40
13
40
29
28
44
48
21
49
42
11
10
30
14
4
41
23
29
43
50
32
28
26
28
29
26
56
57
26
29
12
26
28
40
37
98
97
33
5
8
20
40
33
A
A