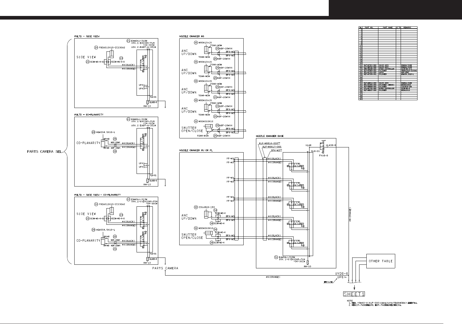
YSM40-000_cwd_je.pdf - 第27页
Condential & Proprietary P AGE 24 1404 W i r i n g p a r t s l i s t No Part No. Part Name Q'ty Remarks No Part No. Part Name Q'ty Remarks 1 KGA-M55G0-103 LAN CABLE 10M 1 10M 39 KLF-M6185-300 F AN MOT OR A…

Condential & Proprietary
H 0 1 8 8 0 8
YSM40
-
4
PAGE
23
Air circuit

Condential & Proprietary
PAGE
24
1404
W i r i n g p a r t s l i s t
No Part No. Part Name Q'ty Remarks No Part No. Part Name Q'ty Remarks
1 KGA-M55G0-103 LAN CABLE 10M 1 10M 39 KLF-M6185-300 FAN MOTOR ASSY 2 FAN5,FAN6
2
KGA-M55G0-403 LAN CABLE 30M 1 30M
40
KLF-M6185-000 FAN MOTOR ASSY. 1 FAN51
3 KGA-M55G0-003 LAN CABLE 5M 1 5M 41 KHY-M6187-000 FAN MOTOR ASSY 3 FAN61-FAN63
4 KLA-M4200-000 SYSTEM C/R BOX ASSY 1 A01 42 KLF-M6185-402 FAN MOTOR ASSY 4 FAN7-FAN10
5 KLA-M4100-000 SERVO CR BOX F ASSY 1 A02 43 KLF-M6564-000 UPS ASSY1 1 GB1
6 KLA-M4100-100 SERVO CR BOX R ASSY 1 A03 44 KGA-M55G0-103 LAN CABLE 10M 1 10M
7 KLF-M5150-110 KEYBOARD/PAD E 1 A06 45 KGA-M55G0-403 LAN CABLE 30M 1 30M
8 KLF-M8302-100 IONIZER 2 A11,12 46 KGA-M55G0-003 LAN CABLE 5M 1 5M
9 KLS-M64G2-030 SAFETY CR ASSY 1 A31 47 KLA-M4200-000 SYSTEM C/R BOX ASSY 1 A01
10 KW3-M5150-600 KEYBOARD E 1 A31; E 48 KLA-M4100-000 SERVO CR BOX F ASSY 1 A02
11 KW3-M5150-500 KEYBOARD J 1 A31; J 49 KLA-M4100-100 SERVO CR BOX R ASSY 1 A03
12 KCA-M53G0-010 BATTERY 1 BATTERY1,2
50 KLF-M5150-110 KEYBOARD/PAD E 1 A06
13 KLF-M445E-A00 CAPACITOR SET 1 C01 51 KCA-M53G0-010 BATTERY 1 BATTERY1,2
14
KLF-M79D0-001 CAMERA ASSY. 1 D.CAM21
52
KLF-M445E-A00 CAPACITOR SET 1 C01
15 KLF-M6563-100 FERRITE CORE 5 E01,E13-E16 53
KLF-M79D0-001 CAMERA ASSY. 1 D.CAM21
16 KLF-M6563-000 FERRITE CORE 9 E02-E09,E17 54 KLF-M6185-101 FAN MOTOR ASSY 2 FAN1,FAN2
17 KK1-M6563-200 FERRITE CORE 15 E10,E12,E21-E24,E31-E39 55 KLF-M6185-510 FAN MOTOR ASSY 2 FAN11
18
KK1-M6563-200 FERRITE CORE 1 E11 56 KLF-M6185-610 FAN MOTOR ASSY 2 FAN14
19 KK1-M6563-200 FERRITE CORE 2 E18,E19 57 KLF-M6185-700 FAN MOTOR ASSY 1 FAN17
20 KLD-M6563-000 FERRITE CORE 4 E25-E28 58 KLF-M6185-A00 FAN MOTOR ASSY 4 FAN18-FAN21
21 KK1-M6563-200 FERRITE CORE 2 E90,E91 59 KLF-M6185-B10 FAN MOTOR ASSY 4 FAN22-FAN25
22 KK1-M6563-200 FERRITE CORE 2 E90,E91 60 KLA-M53M4-002 FAN MOTOR ASSY 4 FAN28,FAN29,FAN33,FAN34
23 KK1-M6563-200 FERRITE CORE 2 E90,E91 61 KLF-M6185-201 FAN MOTOR ASSY 2 FAN3,FAN4
24 KK1-M6563-200 FERRITE CORE 2 E90,E91 62 KLA-M53L2-003 FAN MOTOR ASSY 2 FAN30,FAN35
25 KLF-M6185-101 FAN MOTOR ASSY 2 FAN1,FAN2 63 KLA-M53L6-003 FAN MOTOR ASSY 4 FAN31,FAN32,FAN36,FAN37
26 KLF-M6185-510 FAN MOTOR ASSY 2 FAN11 64 KLF-M6185-000 FAN MOTOR ASSY. 1 FAN41
27 KLF-M6185-610 FAN MOTOR ASSY 2 FAN14 65 KLF-M6185-000 FAN MOTOR ASSY. 1 FAN42
28 KLF-M6185-700 FAN MOTOR ASSY 1 FAN17 66 KLF-M6185-000 FAN MOTOR ASSY. 1 FAN43
29 KLF-M6185-A00 FAN MOTOR ASSY 4 FAN18-FAN21 67 KLF-M6185-C00 FAN MOTOR ASSY 1 FAN44
30 KLF-M6185-B10 FAN MOTOR ASSY 4 FAN22-FAN25 68 KLF-M6185-300 FAN MOTOR ASSY 2 FAN5,FAN6
31 KLA-M53M4-002 FAN MOTOR ASSY 4 FAN28,FAN29,FAN33,FAN34 69 KHY-M6187-000 FAN MOTOR ASSY 3 FAN61-FAN63
32 KLF-M6185-201 FAN MOTOR ASSY 2 FAN3,FAN4 70 KLF-M6185-402 FAN MOTOR ASSY 4 FAN7-FAN10
33 KLA-M53L2-003 FAN MOTOR ASSY 2 FAN30,FAN35 71 KLF-M6564-000 UPS ASSY1 1 GB1
34 KLA-M53L6-003 FAN MOTOR ASSY 4 FAN31,FAN32,FAN36,FAN37 72 KHN-M6561-000 POWER SUPPLY 1 1 GS21
35 KLF-M6185-000 FAN MOTOR ASSY. 1 FAN41 73 KLF-M6561-000 POWER SUPPLY 1 1 GS22
36 KLF-M6185-000 FAN MOTOR ASSY. 1 FAN42 74 KKE-M6561-100 POWER SUPPLY 1 1 GS31
37 KLF-M6185-000 FAN MOTOR ASSY. 1 FAN43 75 KLF-M4899-XXX LIGHT 1 ASSY 1 HL11
38 KLF-M6185-C00 FAN MOTOR ASSY 1 FAN44 76 KLF-M4899-201 LIGHT 1 ASSY 1 HL11

Condential & Proprietary
PAGE
25
1404
W i r i n g p a r t s l i s t
No Part No. Part Name Q'ty Remarks No Part No. Part Name Q'ty Remarks
77 KLF-M4899-301 LIGHT 1 ASSY 1 HL11 115 KLF-M663C-002 HNS,I/O CONV.PWR 1 J0043
78
KLF-M4899-401 LIGHT 1 ASSY 1 HL11
116
KLF-M663D-002 HNS,F HEAD DC24V 1 J0044
79 KLF-M4899-501 LIGHT 1 ASSY 1 HL11 117 KLF-M663E-001 HNS,R HEAD DC24V 1 J0045
80 KLF-M4899-601 LIGHT 1 ASSY 1 HL11 118 KLF-M663F-001 HNS,CV C/R DC24V 1 J0046
81 KLF-M4899-701 LIGHT 1 ASSY 1 HL11 119 KLH-M662J-101 HNS,+24V JUMPER 2 J0047
82 KLF-M4899-801 LIGHT 1 ASSY 1 HL11 120 KLF-M663G-001 HNS,FDR PWR 1 1 J0049
83 KLF-M4899-901 LIGHT 1 ASSY 1 HL11 121 KLF-M663H-001 HNS,FDR PWR 2 1 J0050
84 KLF-M4899-A01 LIGHT 1 ASSY 1 HL11 122 KLF-M663L-001 HNS,F FDR ST DC24V 1 J0051
85 KLF-M4899-B01 LIGHT 1 ASSY 1 HL11 123 KLF-M663M-001 HNS,R FDR ST DC24V 1 J0052
86 KLF-M4899-C01 LIGHT 1 ASSY 1 HL11 124 KLF-M663R-000 HNS,0V24 JUMPER 1 J0053
87 KLF-M4899-D01 LIGHT 1 ASSY 1 HL11 125 KLF-M664J-010 HNS,HEAD GS-CP DC48V 1 J0061
88 KLF-M661A-001 HNS,XB11-QS11-QF11 1 J0001
126 KLF-M664K-001 HNS,CV GS-CP DC48V 1 J0062
89 KLF-M661B-011 HNS,QF11-TM11 1 J0002 127 KLF-M664L-010 HNS,HEAD CP-KM DC48V 1 J0063
90
KLF-M661C-002 HNS,TM11-QF31 1 J0003
128
KLF-M664M-000 HNS,CV CP-KM DC48V 1 J0064
91 KLF-M661D-001 HNS,QF31-NF11 1 J0004 129
KLF-M664N-010 HNS,HEAD KM-CP DC48V 1 J0065
92 KLF-M661E-001 HNS,NF11-KM11 1 J0005 130 KLF-M664R-010 HNS,HEAD A DC48V 1 J0066
93 KLF-M661F-001 HNS,SRV C/R1 AC230V 1 J0006 131 KLF-M664S-010 HNS,HEAD C DC48V 1 J0067
94
KLF-M661H-001 HNS,KM11-KM13 1 J0007 132 KLF-M664T-010 HNS,HEAD B DC48V 1 J0068
95 KLF-M661K-001 HNS,SRV C/R2 AC230V 1 J0008 133 KLF-M664U-010 HNS,HEAD D DC48V 1 J0069
96 KLF-M661G-002 HNS,TM11-QF32 1 J0009 134 KLF-M664G-002 HNS,CV C/R POW 1 J0070
97 KLF-M661J-000 HNS,QF32-QF33 1 J0010 135 KLF-M664H-000 HNS,Y-FLEX H.PWR XP 4 J0071-74
98 KLF-M661L-010 HNS,QF33-QF34 1 J0011 136 KLF-M66N1-012 HNS,X-FLEX 4 J0075-78
99 KLF-M661M-001 HNS,QF32-PUMP1 1 J0012 137 KLF-M664B-000 HNS,GS31-C01 1 J0080
100 KLF-M661T-000 HNS,VACUUM PUMP 1 1 J0013 138 KLF-M668A-011 HNS,IF IO CMN 1 J0101
101 KLF-M661N-001 HNS,QF33-PUMP2 1 J0014 139 KLF-M668B-000 HNS,CN20 CONV IO CMN 1 J0102
102 KLF-M661U-000 HNS,VACUUM PUMP 2 1 J0015 140 KLF-M668C-000 HNS,IO CMN F FDR 1 J0103
103 KLF-M661P-010 HNS,QF34-GS22 1 J0016 141 KLF-M668D-000 HNS,IO CMN R FDR 1 J0104
104 KLF-M661R-000 HNS,TAP CHANGE 1 8 J0017-24 142 KLF-M66A0-010 HNS,SRV1 ENC1 1 J0111
105 KLF-M661S-000 HNS,TAP CHANGE 2 1 J0025 143 KLF-M66A1-002 HNS,SRV1 ENC2 1 J0112
106 KLF-M661V-010 HNS,QF31-GS31 1 J0026 144 KLF-M66A2-010 HNS,SRV2 ENC2 1 J0113
107 KLF-M662A-003 HNS,TM11-QF21/QF61 1 J0031 145 KLF-M66A3-010 HNS,SRV3 ENC1 1 J0114
108 KLF-M662B-000 HNS,U10 JUMPER 1 J0032 146 KLF-M66A4-002 HNS,SRV3 ENC2 1 J0115
109 KLF-M662C-000 HNS,V10 JUMPER 1 J0033 147 KLF-M66A5-010 HNS,SRV4 ENC2 1 J0116
110 KLF-M662E-001 HNS,QF22-GS21 1 J0034 148 KLF-M66A6-010 HNS,BASE YAP 1 J0117
111 KLF-M662F-001 HNS,SYS C/R AC100V 1 J0035 149 KLF-M66A8-010 HNS,BASE YBP 1 J0119
112 KLF-M662G-001 HNS,SRV C/R AC100V 1 J0036 150 KLF-M66AA-010 HNS,BASE SER XAP 1 J0121
113 KLF-M663A-003 HNS,GS21-QF41 XT41 1 J0041 151 KLF-M66AC-010 HNS,BASE SER XBP 1 J0123
114 KLF-M663B-001 HNS,GS22-QF42 XT42 1 J0042 152 KLF-M66AE-002 HNS,BASE PU1P 1 J0125