N7205A119B.pdf - 第301页
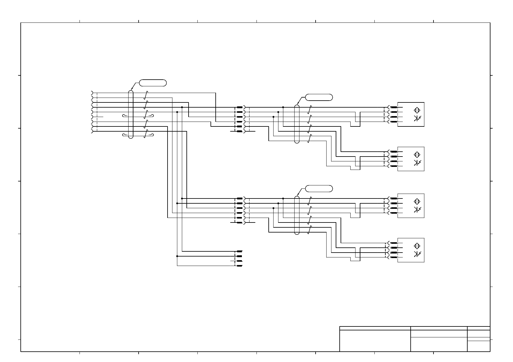
L2(4) Width Adjustment axis ORG (Dual mode) L2(4) Width Adjustment axis motor -B1I01 BN BK WH BU 1 2 3 14 6 4 5 7 8 9 12 13 10 11 15 16 17 18 -M646 4 B1I01R 177900-1 3 2 1 P24(M) GND(M) P24(C) GND(C) -LS ORG +LS EMG DATA…

L1(1)
Width Adjustment axis
+OVR (= Single mode ORG)
L1(1)
Width Adjustment axis
ORG (= Dual mode ORG)
-B1E00
BN
BK
WH
BU
L1(1) Width Adjustment axis motor
-B1E01
BN
BK
WH
BU
1
2
3
14
6
4
5
7
8
9
12
13
10
11
15
16
17
18
-M613
4
B1E01R
177900-1
3
2
1
4
B1E00R
177900-1
3
2
1
L1(1) Single mode detection
-B1E02
BN
BK
WH
BU
4
B1E02R
177900-1
3
2
1
※Attention)
P24(M)
GND(M)
P24(C)
GND(C)
-LS
ORG
+LS
EMG
DATA+
DATA-
CW/CCW
BUSY
NC
OUTPUT COM
NC
NC
NC
NC
※Attention)
→ P004 - 1M613P
P24(M)
G24(M)
P24(C)
G24(C)
D+MAIN
D-MAIN
EMG_OUT20
G24(C)
1
2
3
1M613R
177905-1
4
5
6
7
8
9
10
11
12
4
B1E01P
177908-1
3
2
1
4
B1E00P
177908-1
3
2
1
16
15
11
10
13
12
9
8
7
5
4
6
14
M613R
PHDR-18VS
3
2
1
18
17
4
B1E02P
177908-1
3
2
1
BN/WH
BN
YE/WH
YE
GN/WH
GN
BK/WH
BK
RD/WH
RD
BK/WH
BK
RD/WH
RD
2464-1061/ⅡA(PF) LF 2P×24AWG
2464-1061/ⅡA(PF) LF 5P×24AWG
N610126540AA
SEIWA
E04SR200932
Panasonic Factory Solutions Co.,Ltd. パナソニック ファクトリーソリューションズ株式会社
Name
Drawing No.
Loc. No.
F4K1020-05A
1 2 3 4 5 6 7 8
A
B
C
D
E
F
1 2 3 4 5 6 7 8
A
B
C
D
E
F
Page. No.
Flex Conveyor ST L Control:NPM-D
(L2(4) conveyor motor)
N610126533+005AA
P005
UL1007 24AWG BU BU
UL1007 24AWG BU BU
UL1007 24AWG BU BU
UL1007 24AWG BU BU
UL1007 24AWG BU BU

L2(4) Width Adjustment axis
ORG (Dual mode)
L2(4) Width Adjustment axis motor
-B1I01
BN
BK
WH
BU
1
2
3
14
6
4
5
7
8
9
12
13
10
11
15
16
17
18
-M646
4
B1I01R
177900-1
3
2
1
P24(M)
GND(M)
P24(C)
GND(C)
-LS
ORG
+LS
EMG
DATA+
DATA-
CW/CCW
BUSY
NC
OUTPUT COM
NC
NC
NC
NC
Left L2(4) Conveyor motor
12
11
10
9
8
7
177905-1
1M642R
6
5
4
3
2
1
4
6
14
3
2
1
13
12
8
7
5
PHDR-18VS
M642R
1
2
3
14
6
4
5
7
8
9
12
13
10
11
15
16
17
18
-M642
10
11
15
16
17
18
9
YE
YE/WH
BN
BN/WH
BU
BK
BK/WH
RD
RD/WH
GN
GN/WH
BU/WH
P24(M)
GND(M)
P24(C)
GND(C)
Reverce
Start/Stop
SPD H/L
EMG
DATA+
DATA-
CW/CCW
2464-1061/ⅡA(PF) LF 6P×24AWG
BUSY
OUT1
NC
NC
NC
NC
OUTPUT COM
→ P003 - 1M642P
N610126541AA
→ P003 - 1M646P
P24(M)
G24(M)
P24(C)
G24(C)
S-REV21
OUT123
S-SPD21
D+SUB
D-SUB
EMG_OUT11
P24(M)
G24(M)
P24(C)
G24(C)
D+SUB
D-SUB
EMG_OUT20
G24(C)
SEIWA
E04SR200932
4
B1I01P
177908-1
3
2
1
16
15
11
10
13
12
9
8
7
5
4
6
14
M646R
PHDR-18VS
3
2
1
18
17
BN/WH
BN
YE/WH
YE
GN/WH
GN
BK/WH
BK
RD/WH
RD
1
2
3
1M646R
177905-1
4
5
6
7
8
9
10
11
12
BK/WH
BK
RD/WH
RD
2464-1061/ⅡA(PF) LF 2P×24AWG
2464-1061/ⅡA(PF) LF 5P×24AWG
N610126542AA
SEIWA
E04SR200932
Panasonic Factory Solutions Co.,Ltd. パナソニック ファクトリーソリューションズ株式会社
Name
Drawing No.
Loc. No.
F4K1020-05A
1 2 3 4 5 6 7 8
A
B
C
D
E
F
1 2 3 4 5 6 7 8
A
B
C
D
E
F
Page. No.
Flex Conveyor ST L Control:NPM-D
(L2(4) Width adjusting motor)
N610126533+006AA
P006

P24
OUT
IN
GND
1
2
3
4
-B1131
1
2
3
4
PAP-04V-S
B1131
L1(1) Board stop sensor 2
L2(4) Board stop sensor 1
L2(4) Board stop sensor 2
6
5
4
1B1135R
177901-1
3
2
1
6
5
4
1B1137R
177901-1
3
2
1
P24
OUT
IN
GND
1
2
3
4
-B1135
1
2
3
4
PAP-04V-S
B1135
L1(1) Board stop sensor 1
P24
OUT
IN
GND
1
2
3
4
-B1132
1
2
3
4
PAP-04V-S
B1132
P24
OUT
IN
GND
1
2
3
4
-B1137
1
2
3
4
PAP-04V-S
B1137
YE/WH
YE
GN/WH
GN
BK/WH
BK
RD/WH
RD
2464-1061/ⅡA(PF) LF 4PX24AWG
N610126544AA
YE/WH
YE
GN/WH
GN
BK/WH
BK
RD/WH
RD
2464-1061/ⅡA(PF) LF 4PX24AWG
N610126545AA
6
5
4
1B1135P
177909-1
3
2
1
6
5
4
1B1137P
177909-1
3
2
1
9
8
7
6
5
4
2B1135R
177903-1
3
2
1
4
3
2
1
177908-1
B1020TP
YE/WH
YE
GN
BK/WH
BK
RD/WH
RD
GN/WH
BN
2464-1061/ⅡA(PF) LF 5P×24AWG
BN/WH
N610126543AB
→ P003 - 2B1135P
→ P008 - B1020TR
IN135
IN137
OUT107
P24
G24
IN131
OT117
IN132
Panasonic Factory Solutions Co.,Ltd. パナソニック ファクトリーソリューションズ株式会社
Name
Drawing No.
Loc. No.
F4K1020-05A
1 2 3 4 5 6 7 8
A
B
C
D
E
F
1 2 3 4 5 6 7 8
A
B
C
D
E
F
Page. No.
Flex Conveyor ST L Control:NPM-D
(Sensor wiring)
N610126533+007AB
P007
UL1007 24AWG BU BU
UL1007 24AWG BU BU
UL1007 24AWG BU BU
UL1007 24AWG BU BU
UL1007 24AWG BU BU