NPM-W2 20170725.pdf - 第753页
Ref No. Remarks R 1 Q'ty 169- A 30連交換台車駆動部(左側) 可動カバー:NPM-W2 30 Exchange C hassis Drives Left Side M ovable C over:NPM - イラスト No. Part No. 品 名 品 番 数量 R 2 パーツリスト Kit No. キット品番 Kit Name キット名称 MTKA001855AA Part Nam e 備 …

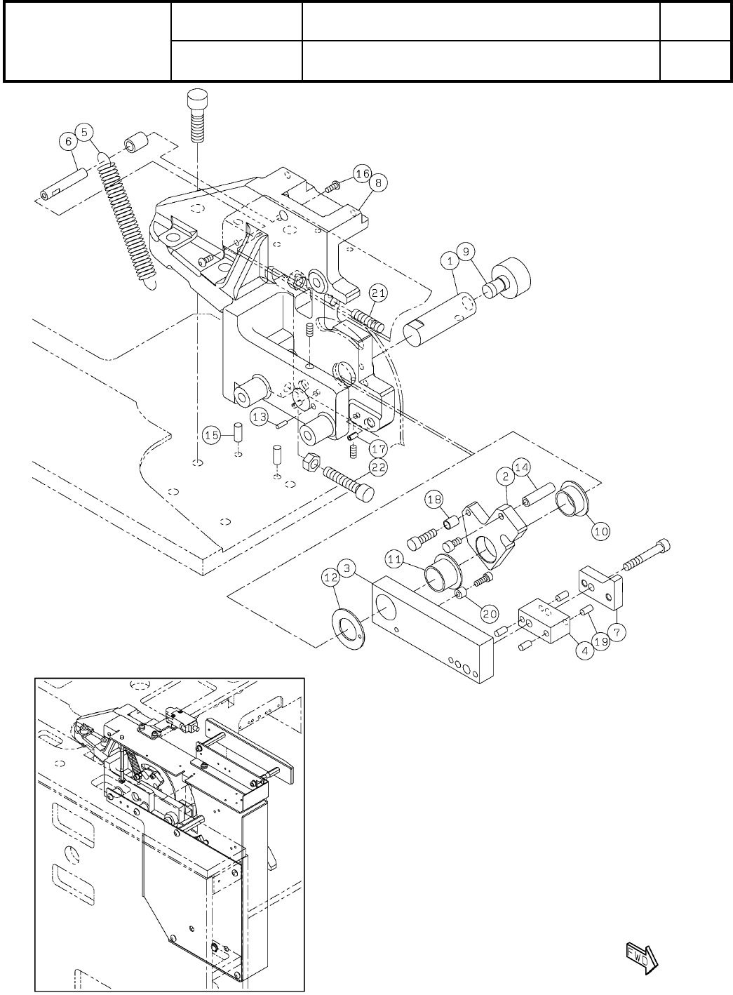
169-A
30連交換台車駆動部(左側) 可動カバー:NPM-W2
30 Exchange Chassis Drives Left Side Movable Cover:NPM-
パーツレイアウト
Kit No.
キット品番
Kit Name
キット名称
MTKA001855AA
セクションNo.
PARTS LAYOUT
Section No.
--
O547
( KMTKA001855AA-03-1 )

Ref
No.
Remarks R
1
Q'ty
169-A
30連交換台車駆動部(左側) 可動カバー:NPM-W2
30 Exchange Chassis Drives Left Side Movable Cover:NPM-
イラスト
No.
Part No.
品 名品 番 数量
R
2
パーツリスト
Kit No.
キット品番
Kit Name
キット名称
MTKA001855AA
Part Name
備 考
セクションNo.
PARTS LIST
Section No.
R
3
SHAFT
1
1 N210091107AA
LEVER
1
2 N210103082AE
LEVER
1
3 N210143124AB
SPACER
1
4 N210143115AA
SPRING
1
5 N210146764AB
POST
1
6 N210155169AB
GUIDE
1
7 N210199740AA
BRACKET
1
8 MTKP000198AB
CAM-FOLLOWER
1
9 N510036568AA CF-SFU-12B
BUSH
1
10 N510037242AA LFF-2010
BUSH
1
11 N510013369AA LFF-2015
WASHER
1
12 N510037241AA LFW-2015
PIN
1
13 N510020590AA MMS3-10
DOWEL-PIN
1
14 N510038675AA MMST8-30
PIN
2
15 N510020618AA MMS6-15
BOLT
2
16 N510017516AA
SSS 003 Hexagon socket button head screw M4X10-10.9 A2J (Trivalent)
PIN
4
17 KXF0CXHAA00 1017003-40008
SPACER
1
18 MTNK000503AA CF-610ZE
PIN
4
19 N510020607AA MMS5-10
SPACER
1
20 N510019918AA CF-406E
BOLT
1
21 N510061253AA ANBN8-30
BOLT
1
22 N510017479AA
Hexagon socket head cap screw M8X40-10.9 A2J (Trivalent) Full thread
O548
--
( KMTKA001855AA-03-1 )

169-B
30連交換台車駆動部(左側) 可動カバー:NPM-W2
30 Exchange Chassis Drives Left Side Movable Cover:NPM-
パーツレイアウト
Kit No.
キット品番
Kit Name
キット名称
MTKA001855AA
セクションNo.
PARTS LAYOUT
Section No.
--
O549
( KMTKA001855AA-03-2 )