YG200L_khm_e.pdf - 第25页
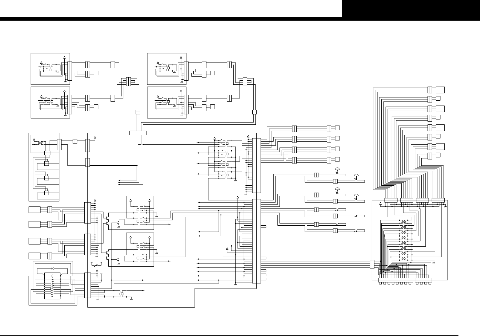
PA G E 23 YG200L (KHM) Con fi dential & Proprietary KHM-000-CCV0 Emergency circuit 1 2 3 4 5 6 7 8 9 1 2 3 4 5 6 7 8 9 INTERFACE GOOD 1 2 3 1 2 3 1 2 1 2 +24V +24V 1 2 3 4 5 6 7 8 9 1 2 3 4 5 6 7 8 9 +24V +24V 3 4 5 6…

PAGE
22
YG200L (KHM)
Confi dential & Proprietary
KHM-000-CCV0
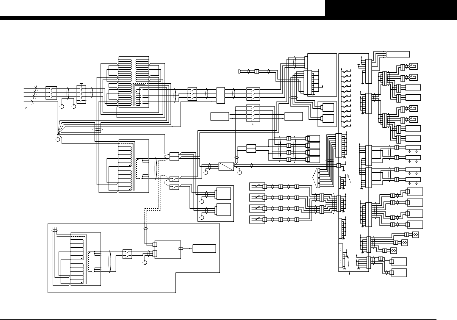
Power circuit
EMERGENCY
CIRCUIT
FG
V10
U11A
J20
0V
+24V
FG
N
L
GS21
300W
S1
J38
J39
J40
R1
J37
J36
J35
J34
J33
J32
J31
J30
J18
W52
V52
U52
J14
W50
V50
U50 U51
V51
W51
QF31 10A
J125
MAX250V/10A
NF11
EE
W51
V51
U51
J15
V10
U11A
J4
S1
R1
100V
100V
0V
0V
240V
0V
190V
200V
208V
220V
240V
0V
190V
200V
208V
220V
0V
100V
TC11
N
V10
U11A
U50
V50
W50
J11
V10
U10
V10
QF21 7A
J41
T1
U10
V10
STD.
LCD2
J24
U11B
V10
FG
LCD1
J23
U11B
V10
FG
V10
U10
QF22 1A
J42
J122
J121
J124
J123
U11B
U11B
MAX690V/15A
XT21
V10
V10
V10
J3
NN
1
6
2
34
5
QS11
MAX690V/40A
6
4
21
3
5
J3
T1
T2
T3
R
S
T
L1
L2
L3
QF11 20A
MAX690V/40A
V10A
U10A
V10B
U10B
UPS
U10B
V10B
BUZZER
HA1
When the UPS specification
J752
J753
J751
QF61 15A
J4
1KVA
J40
J39
J124
J11
S1
R1
TC11
240V
0V
190V
200V
208V
220V
0V
100V
240V
0V
190V
200V
208V
220V
0V
0V
100V
100V
GB1
SIGNAL
UPS OUT
UPS IN
AWG12 (3.3sq)
0.75KVA
TM11
240V
220V
208V
200V
190V
0V
240V
220V
208V
200V
190V
0V
240V
220V
208V
200V
190V
0V
240V
220V
208V
200V
190V
0V
240V
220V
208V
200V
190V
0V
240V
220V
208V
200V
190V
0V
220V
220V
200V
220V
200V
W
V
U
3.56KVA
See Page 21
See Page 21
See Page 23
CONTROL BOX (UPS)
See Page 2
6
5
4
3
2
1
R2
F2
R1
F1
EMERGENCY CIRCUIT
CIRCUIT
EMERGENCY
EMERGENCY CIRCUIT
11
12
2
1
3
4
5
6
7
8
9
10
2
1
3
4
5
6
7
8
9
10
J705
22
11
33
22
11
33
COVER LIMIT
COVER LIMIT
22
11
33
44
22
11
33
44
J714
SW F1
SW F2
22
11
33
55
4
6
4
6
77
J281
22
11
33
22
11
33
COVER LIMIT
COVER LIMIT
J279
J280
22
11
33
55
4
6
4
6
77
22
11
33
44
22
11
33
44
J273
J274
SQ151
SQ152
SQ153
SQ154
SW R1
SW R2
EL5
EL6
EL7
EL8
FLUORESCENT LIGHT F1
FLUORESCENT LIGHT F2
FLUORESCENT LIGHT R1
FLUORESCENT LIGHT R2
J715
2
1
2
1
2
1
2
1
A1
B1
A2
B2
A3
B3
A4
B4
A5
B5
J285
SQ44A
SQ46A
AREA SENSOR F2
AREA SENSOR R2
CN53
A1
B1
A2
B2
A3
B3
A4
B4
A5
B5
2
1
2
1
2
1
2
1
A1
B1
A2
B2
A3
B3
A4
B4
A5
B5
SQ43A
SQ45A
AREA SENSOR F1
AREA SENSOR R1
+24VD
A1
B1
A2
B2
A3
B3
A4
B4
A5
B5
CN43
11
12
2
1
3
4
5
6
7
8
9
10
J44
2
1
2
1
1
2
1
2
2
1
2
1
1
2
1
2
2
1
3
4
5
6
7
8
9
10
11
12
CN45
+24VE
LED DRIVER BOARD
P82
LED DRIVER BOARD
P81
LED DRIVER BOARD
P83
LED DRIVER BOARD
P80
J64
J63
J62
J61
CN1
CN1
CN1
2
1
2
1
2
1
2
1
2
1
2
1
CN1
2
1
2
1
2
1
2
1
FAN1
2
1
2
1
FAN3
2
1
2
1
FAN2
J28
2
1
3
4
5
6
7
8
2
1
3
4
5
6
7
8
+24VH
CN49
+24VC
+24VN
2
1
2
1
J53
I/OA
I/F BOARD
FES BOARD
P71
171
2
1
2
1
CN1
2
1
2
1
J43
2
1
3
4
5
6
7
8
9
10
+24VM
+24VL
CN48
See Page 3-5
+24E
+24VJ
2
1
3
4
5
6
7
8
9
10
11
12
CN52
BOARD ASSY
P25
I/O CONVEYOR
EMG20
+24V
+24V
+24V
+24E
EMG21
EMERGENCY CIRCUIT
EMERGENCY
CIRCUIT
+24VC
+24VD
5
6
7
8
4
3
2
1
2
1
4
3
4
3
2
1
2
1
4
3
4
3
J51
2
1
2
1
KM10A
83
73
84
74
53
63
54
64
KM10
6/T35/L3
4/T23/L2
2/T11/L1
MAX440V/12A
W54
V54
U54
W52
V52
U52
J45
J721
CONVEYOR
DRIVER
CONVEYOR
DRIVER
CONVEYOR
DRIVER
CONVEYOR
DRIVER
CV1 DCN1
CV2 DCN1
CV3 DCN1
CV4 DCN1
2
1
2
1
2
1
2
1
2
1
2
1
2
1
2
1
P11
P12
P13
P14
2
1
2
1
2
1
2
1
2
1
2
1
2
1
2
1
CV1
CV2
CV3
CV4
J26
+24V
0V
J22
J126
5
6
4
3
2
1
2
1
J27
5
6
7
8
4
3
5
6
4
3
CN51
CN20
CN50
+24VB
A1
B1
A5
B5
B6
A6
A20
B20
CN41
2
1
3
4
5
6
7
8
9
10
CN47
+24VN
+24V
2
1
5
6
4
3
CN44
+24EA
11
12
2
1
3
4
5
6
7
8
9
10
CN46
+24VD
+24VI
1.85A
2.5A
2.5A
2.5A
0.5A
2.5A
2.5A
1.1A
2.5A
+24VL
+24VB
+24VC
+24VD
+24VE
+24VH
+24VI
+24VJ
+24VK
+24VM
+24VN
+24VA
+24VA
2
1
2
1
J21
5
4
3
2
6
1
STACK STICK
FEEDER POWER
2
1
2
1
2
1
2
1
9
10
7
8
5
6
3
4
2
1
11
12
+5V
+12V
EXT.PWR
J302 J301
2
1
2
1
A1
B6 B6
A6 A6
B5 B5
A5 A5
B4 B4
A4 A4
B3 B3
A3 A3
B2 B2
A2 A2
B1 B1
A1 A1
ACIN
AC100V: CONTROL
AC220V:
MOTOR DRIVER POWER
CONTROL BOX
J301
See Page2
PANEL
TOUCH
PANEL
TOUCH
LCD2
LCD1
OPTION
J57
J52
J55
J60
J58
J53
2
1
2
1
2
1
2
1
2
1
2
1
2
1
2
1
J56
J61
J59
J54
1.85A
0V
+24V
2
1
2
1
I/O HEAD REAR B
P24
1.85A
0V
+24V
2
1
2
1
I/O HEAD REAR A
P23
2
1
2
1
2
1
2
1
CN2
CN2
2
1
2
1
2
1
2
1
1.85A
0V
+24V
2
1
2
1
P22
I/O HEAD FRONT B
1.85A
0V
+24V
2
1
2
1
P21
I/O HEAD FRONT A
CN2
CN2
3.0A
3.0A
3.0A
See Page 23
See Page 23
See Page 23
See Page 23
0V
0V
0V
0V
MAX690V/15A
XT31
0V
0V
See Page 23

PAGE
23
YG200L (KHM)
Confi dential & Proprietary
KHM-000-CCV0
Emergency circuit
1
2
3
4
5
6
7
8
9
1
2
3
4
5
6
7
8
9
INTERFACE
GOOD
1
2
3
1
2
3
1
2
1
2
+24V
+24V
1
2
3
4
5
6
7
8
9
1
2
3
4
5
6
7
8
9
+24V
+24V
3
4
5
6
3
4
5
6
1
2
1
2
E+24V
1
2
1
2
3
4
3
4
1
2
3
4
5
6
7
8
9
1
2
3
4
5
6
7
8
9
+24V
+24V
1
2
3
4
5
6
7
8
9
1
2
3
4
5
6
7
8
9
+24V
+24V
123456
1234 6578
78
12
12
EMGA
1
2
1
2
3
4
3
4
EMGA
1
2
1
2
33
1
2
1
2
33
EMG
EMG
1
2
1
2
3
4
3
4
EMGB
12
12
EMGB
1
2
1
2
33
1
2
1
2
33
EMG
EMG
1
2
1
2
33
EMG
1
2
1
2
33
EMG
1
2
1
2
33
EMG
1
2
1
2
33
EMGCN8
CN8
CN8
CN8
1
2
1
2
33
X1OT
1
2
1
2
33
1
2
1
2
33
1
2
1
2
33
XOT
XOT
XOT
XOT
CONT.GOOD
A1
B1
A2
B2
A3
B3
A4
B4
A5
B5
A6
B6
A7
B7
A8
B8
A9
B9
A10
B10
A11
B11
A12
B12
A13
B13
A1
B1
A2
B2
A3
B3
A4
B4
A5
B5
A6
B6
A7
B7
A8
B8
A9
B9
A10
B10
A11
B11
A12
B12
A13
B13
A17
B17
A18
B18
A19
B19
A20
B20
A14
B14
A15
B15
B16
A16
A1
B1
A2
B2
A3
B3
A4
B4
A5
B5
A6
B6
A7
B7
A8
B8
A9
B9
A10
B10
A11
B11
A12
B12
A13
B13
A1
B1
A2
B2
A3
B3
A4
B4
A5
B5
A6
B6
A7
B7
A8
B8
A9
B9
A10
B10
A11
B11
A12
B12
A13
B13
A17
B17
A18
B18
A19
B19
A20
B20
A14
B14
A15
B15
B16
A16
1
2
1
2
33
1
2
1
2
33
1
2
1
2
33
1
2
1
2
33
1
2
1
2
33
1
2
1
2
33
1
2
1
2
33
1
2
1
2
33
Y1OT
Y2OT
YT1OT
YT2OT
Y1OT
Y2OT
YT1OT
YT2OT
EMG1
EMG2
EMG3
EMG4
EMG5
EMG6
EMG7
EMG8
EMG9
EMG10
EMG11
EMG12
EMG13
E12A
E11A
E13A
EMG15
EMG16
EMG17
EMG18
EMG19
EMG20
EMG14
TF EMG
EMG SPARE1
EMG SPARE2
EMG SPARE3
EMG SPARE4
EMG SPARE5
Y1OT
Y2OT
YT1OT
YT2OT YTOT
YTOT
YOT
YOT
A1
B1
A2
B2
A3
B3
A4
B4
A5
B5
A1
B1
A2
B2
A3
B3
A4
B4
A5
B5
N006E0
N006E1
N006E2
N00610
N00611
N00612
N00613
N006F0
N006F1
N006F2
N006F3
N006F4
N006F5
1
2
3
1
2
3
1
2
3
1
2
3
1
2
3
4
FES CN8
1
2
3
4
CN8
123456
1234 6578
78
9 1 011 1 21 31 41 51 6
101112131415169123456
1234 6578
78
1
2
1
2
1
2
1
2
1
2
1
2
1
2
1
2
CN9 CN10
123456
1234 65
CN6
123456
1234 65
+24V
CN2
123456
1234 65
CN3
123456
1234 65
CN5
NORMAL (*Note2)NONSTOP (*Note1)
Note2: For use in nomal feeder cariage
Note1: For use in nonstop feeder cariage
CN43
4
5
4
5
123
123
SERVO 3
12
12
SERVO 2
12
12
SERVO 1
12
12
CN16
CN51
CN22
CN41
CN42
K1
K1
K1K1
N00401
N00581
N08201
N08381
SQ52
SQ75
SQ98
SQ119
X2OT
X3OT
X4OT
I/OA
SQ43B
+24VC
+24VD
+24VK
+24VI
KA2
KA5
KA7
KA10
+24VK
X1,4OT
X2,3OT
+24VJ
+24EA
CONTROL BOX
A1
P21 P22
P23P24
I/O HEAD BOARD D
I/O HEAD BOARD A
I/O HEAD BOARD C
I/O HEAD BOARD B
SQ54
SQ77
SQ4
SQ17
P71
1
2
1
2
33
1
2
1
2
33
1
2
1
2
33
1
2
1
2
33
1
2
1
2
33
1
2
1
2
33
1
2
1
2
33
1
2
1
2
33
AREA/FORWARD
CART/UPPER
AREA/FORWARD
CART/UPPER
AREA/FORWARD
CART/UPPER
AREA/FORWARD
CART/UPPER
FES BOARD
(OPTION)
AREA/N006A6
CART/N006A5
AREA/N006B1
CART/N006B0
AREA/N006B4
CART/N006B3
AREA/N006B7
CART/N006B6
* NONSTOP/NORMAL
SQ153B
F1
F2
R1
R2
SQ154B
/SQ143
/SQ145
SQ155B
SQ156B
/SQ147
F1
F2
R1
R2
SQ149/SQ142
/SQ141
SQ150/SQ144
SQ151/SQ146
SQ152/SQ148
KA1
KA2
KA3
KA4
KA5
KA6
KA7
KA8
10
11
12
1
2
3
4
5
6
7
8
9
EMG21
EMG20
READY OUT
SERVO ON
N00686
T00264
CN52
+24VJ
KA11
+24E
1
2
3
4
5
6
7
8
9
10
11
12
EMG21
EMG21EMG20
N00686
0V
+24E+24V
+24V 13 14
A1 A2
53 54
73 74
83 84
1/L1
3/L2
5/L3
2/T1
4/T2
6/T3
KM10/KM10A
21 22
63 64
S10
P25 I/O CONVEYOR BOARD
F1 AREA SENSOR
R1 AREA SENSOR
F1 AREA
R1 AREA
SQ45B
F1 EMG
F2 EMG
SB15
SB16
SB17
SB18
F1 EMG SW
F2 EMG SW
R1 EMG
R2 EMG
R1 EMG SW
R2 EMG SW
1
2
1
2
1
2
1
2
F1 COVER
F1 COVER SW
SQ151
SQ152
F2 COVER SW
1
2
1
2
1
2
1
2
F2 COVER
R1 COVER
R2 COVER
R1 COVER SW
R2 COVER SW
SQ153
SQ154
A1
B1
A2
B2
A3
B3
A4
B4
A5
B5
A1
B1
A2
B2
A3
B3
A4
B4
A5
B5
1
2
3
1
2
3
1
2
3
1
2
3
F2 AREA SENSOR
R2 AREA SENSOR
F2 AREA
R2 AREA
CN53
SQ44B
SQ46B
MSP EMG
N006E3
N006E4
N006E5
F.COVER
R.COVER
N006E6
N006E7
F. EM G
R.EMG
+24E +24EA
2.5A
+24VK
KA9
+24VK
KA10
F.AREA
N00614
+24VK +24VK
R.AREA
N00615
KA11
KA12
+24V
+24V
+24C
+24D

PAGE
24
YG200L (KHM)
Confi dential & Proprietary
KHM-000-CCV0
Air circuit (YG200L SF)
AIR SOURCE
US8
SL12-03
SL12-03
UY10
YMDAS16X35
VALVE ASSY,24-L
KGS-M3410-701
VALVE ASSY,24-L
KGS-M3410-701
SL4-M5
SL4-M5
10 (ORANGE)
10 (ORANGE)
HI-CAPPLER
PLUG 40PM
UC4
8 (ORANGE)
SL8-01
UYD10-8
10 (ORANGE)
103102101 124
KM-06 KM-06
stn.103stn.102
stn.101
stn.124
TT8-01 TL8-01
BF4
BF4
PLUG
K40-M8598-002
TSH8-01
TSS4-01
32124
KM-06 KM-06
stn.3stn.2stn.1 stn.24
TT8-01 TL8-01
BF4
BF4
PLUG
K40-M8598-002
TSH8-01
MANUHOLD
KGT-M1141-000
MANUHOLD
KGT-M1141-000
SL4-M5
YMDAS16X35
TSH4-M5
TL4-02
GS1-50
-DL-45WY
SL12-04
R600-03
F600-04
-BG-A
KM-11
8 (ORANGE)
KM23
UYD12-10
SL4-M5
USD12-10
USD8-6
UB12
TSS4-01
UEDW10-8
8 (ORANGE)
10 (ORANGE) 8 (ORANGE)
VALVE ASSY,24-R
KGS-M3410-801
VALVE ASSY,24-R
KGS-M3410-801
127126125 148
KM-06 KM-06
stn.127stn.126
stn.125
stn.148
TT8-01 TL8-01
BF4
BF4
272625 48
KM-06 KM-06
stn.27stn.26stn.25 stn.48
TT8-01 TL8-01
BF4
BF4
10 (ORANGE)
8 (ORANGE)
UYD12-10
UYD12-10
USD10-8
UYD8-6
UY8
8 (ORANGE)
8 (ORANGE)
UB12
SSU-4
CDA 25X35
MHX10X40
USD10-8
UYD12-10
TL6-01M
6 (ORANGE)
8 (ORANGE)
USD10-8
UP8
TS12-04
TS12-04
KM5-M8531-000
ACCUMLATAOR
ARJ210-M5
CRB-0137W
UTF4BU-M3
UEF4BU-M3
TS4-M5
600V-04
GPC15-M5
SSU-4
CDA 25X35
MHX10X40
TL6-01M
ARJ210-M5
CRB-0137W
UTF4BU-M3
UEF4BU-M3
TS4-M5
GPC15-M5
SLH8-01
SLH6-01
KM-05
6 (ORANGE)
8 (ORANGE)
SLH6-01
KM-05
SLH8-01
6 (ORANGE)
A010E1-44W
A010E1-37W
TL4-M5M
TSH4-M5M
4 (ORANGE)
TL4-M3M
UTD6-4M
KM-05
BF4BU-M3
PF-M3
PF-M3
TSH4-M3M
4 (BLACK)
4 (BLACK)
VALVE KIT
KGA-M37P0-000
20
11
12
9
8
6
5
3
2
M-F ELBOW3/8"
1
10
11
29
12
20
8-60D4
4
29
MF600-04-A
13
13
18
15
16
7
30
31
14
SL12-04
32
KM11
18
15
17
30
31
32
KM11
25
26
28
KHM-M7186-000: MANIFOLD
GA010HE1-25-PS
040M3AJ-stn. 1, 2
A040-4E1-PLL-DC24V
-stn. 3 BP
040M3A stn. 1, 2, 3
-A040-4E1-PSL-DC24V
SL4-M5
TL4-M5M
4
(BLACK)
4
(BLACK)
4
(BLACK)
4 (ORANGE)
4 (ORANGE)
040M3A stn. 1, 2, 3
-A040-4E1-PSL-DC24V
SL4-M5
TL4-M5M
4
(BLACK)
4
(BLACK)
4
(BLACK)
4 (ORANGE)
4 (ORANGE)
8 (ORANGE)
8 (ORANGE)
4
(BLACK)
UY4
4
(ORANGE)
4
(ORANGE)
12
(ORANGE)
10 (ORANGE)
4
(BLACK)
4
(BLACK)
TLL8-01
TL8-01
KHM-M9937-000
EBS-60-146-2-120 (SMC)
8 (BLACK)
TUS0805B (SMC)
KHM-M9912-000
KQ2K08-01S (SMC)
KHM-M922H-000
KGD-M9244-000
CYLINDER
REGULATOR
KG2-M8512-000
EJECTOR,RESIN
SOLENOID VALVE
KG2-M8501-000
CYL.,YMDAS16X35
CYLINDER
VALVE ASSY,L
VALVE ASSY,R
CYLINDER
VALVE(SPARE)
VALVE ASSY,24-R
PLUG 1 (R 1/8)
MANUFOLD
VALVE
PRESURE GAUGE
KG2-M8512-000
REGULATOR
ACCUMLATAOR
EXHAUST VALVE
MIST FILTER
MODULE ADAPTER
AIR FILTER
JOINT
JOINT
KHM-M7163-000
KGT-M7162-001
KGS-M9283-000
KGT-M9209-000
KHM-M9175-L00
KHM-M9175-R00
KHM-M9182-000
KG2-M8582-400
KGS-M3410-801
K40-M8598-002
KGT-M1141-000
KGT-M8582-000
KG7-M8596-006
KG2-M8504-010
KM5-M8531-000
KH1-M8501-000
KG2-M8502-000
KG2-M8503-000
F600-04-BG-A
40PM
1/2" M-F ELBOW
8-60D4
MF600-04-A
600V-04
R600-03
GS1-50-DL-45WY
MHX10X40 (SMC)
CDA 25X35
YMDAS16X35
VALVE
KGS-M7176-000
VALVE ASSY,24-L
KGS-M3410-701
CBR-0137W
KHM-M922L-000 PRESSURE GAUGE
GPC15-M5
31
6
5
4
2
1
REMARKSQ'TY
PART NAME
PART NO.
No.
7
8
9
10
11
12
13
17
15
16
21
22
23
24
25
26
27
28
29
30
14
3
18
19
20
32
1
1
1
2
1
1
1
1
2
2
2
2
1
1
2
1
1
2
1
1
1
4
2
2
12
2