JM-100-Rev07PDFA.pdf - 第123页
- 118 - NOTE( 注記 ) #01....OPTIONA L PARTS(EN) オプション部品(EN) #02....OPTIONA L PARTS オプション部品 #03....FOR EN EN 用 REF.NO NOTE PART NO D E S C R I P T I O N 品 名 Qty 1 401-28871 IO CONTROL PCB ASM IOコントロール基板組 1 2 401-82247 IO-F …

- 117 -
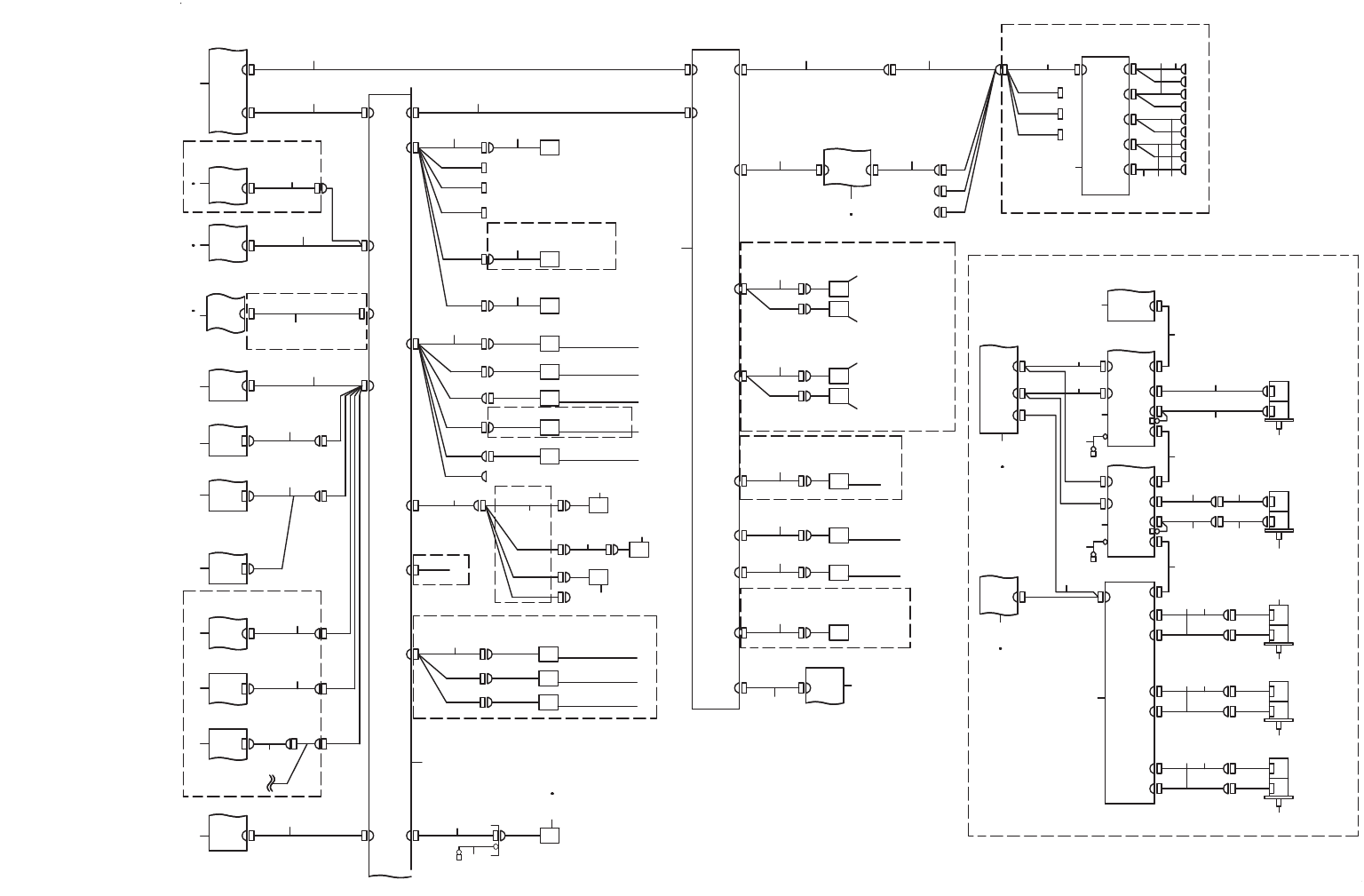
59.SYSTEM DIAGRAM (2)
SYSTEM DIAGRAM(2)
㹄㹃㹃㹂㹃㹐ࠉ㹄㹊㹍㸿㹒ࠉ㹑㹃㹌㹑㹍㹐ࠉ㹐㹃㹁㸯
㹄㹃㹃㹂㹃㹐ࠉ㹄㹊㹍㸿㹒ࠉ㹑㹃㹌㹑㹍㹐ࠉ㹃㹋㹇㸰
㹄㹃㹃㹂㹃㹐ࠉ㹄㹊㹍㸿㹒ࠉ㹑㹃㹌㹑㹍㹐ࠉ㹃㹋㹇㸯
㹄㹃㹃㹂㹃㹐ࠉ㹄㹊㹍㸿㹒ࠉ㹑㹃㹌㹑㹍㹐ࠉ㹐㹃㹁㸰
㸿㹇㹐ࠉ㹎㹐㹃㹑㹑㹓㹐㹃
㹑㹃㹌㹑㹍㹐㸦㸩㸧
㹎㹍㹕㹃㹐ࠉ㹑㹓㹎㹎㹊㹗ࠉ㹓㹌㹇㹒ࠉ㹀
㹀㸿㹌㹉ࠉ㹎㹍㹕㹃㹐
㹑㹕
㹉㹌㹍㹁㹉ࠉ㹁㹗㹊㹇㹌㹂㹃㹐
㸯㸫㸱㹁
㹃㹌ࠉ㹍㹎㹒㹇㹍㹌
㸲㸫㸳㹁
㹑㹋㹒ࠉ㹄㹃㹃㹂㹃㹐㸦㹄㸧ࠉ㹍㹎㹒㹇㹍㹌
㹁㹌㸯㸱
㹀㸿㹌㹉
㹁㹌㸯㸱㸯㸱
㹒㹍㹐㹍㹊㹊㹃㹗ࠉ㹍㹎㹒㹇㹍㹌
㹀㸿㹌㹉ࠉ㹓㹎
㹑㹃㹌㹑㹍㹐
㹁㹌㸯㸰
㹁㹌㸴㸴㸴㸵
㹁㹌㸯㸱㸯㸰
㹄㹃㹃㹂㹃㹐ࠉ㹄㹊㹍㸿㹒ࠉ㹑㹃㹌㹑㹍㹐㸦㹄㸧ࠉ㹍㹎㹒㹇㹍㹌
㹄㹅
㹃㹋㹅
㹁㹗ࠉ㸿㹋㹎
㹁㹖ࠉ㸿㹋㹎
㹁㹌㸮㸶
㹁㹌㸯㸱㸮㸶
㹁㹌㸯㸲㸯㸯
㹁㹌㸯㸯
㹋㹇ࠉ㹀㸿㹌㹉ࠉ㹐㹃㹊㸿㹗ࠉ㹎㹁㹀㸦㹐㸧
㸰㸫㸰㸿
㹁㹌㸯㸰㸯㸴
㹐㹑㸰㸱㸰㹁ࠉ㹀㹍㸿㹐㹂
㹁㹌㸯㸴
㹑㹇㹍㸯
㹑㹇㹍㸯
㹁㹍㹔㹃㹐
㹆㹍㹂ࠉ㹀㹍㹖
㹁㹌㸮㸯
㹁㹌㸯㸰㸯㸵
㹁㹌㸯㸵
㹑㹒㸿㹌㹂㸿㹐㹂
㹁㹌㸰
㹐㹑㹔㹍㹌
㸦㹍㹎㸧㹃㹌
㸯㸫㸯㹁
㹁㹌ࠉ㸿㸯㸯
㹁㹌ࠉ㸿㸯㸯
㹃㹊㹃㹁㹒㹐㹇㹁㸿㹊ࠉ㹓㹌㹇㹒ࠉ㸿
㹁㹌㸯㸰㸯㸮
㹁㹌㸯㸰㸰㸱
㹖ࠉ㹌㹃㸿㹐
㹑㹃㹌㹑㹍㹐
㹍㹎ࠉ㹁㹌㸵
㸦㹍㹎㸧
㸦㹐㹃㸿㹐ࠉ㹋㹍㹌㹇㹒㹍㹐㸧
㹁㹔㹊㹍㹁㹉
㸱㸫㸯㹁
㸰㸫㸲㹁
㸰㸫㸯㹀
㸰㸫㸱㸿
㸯㸫㸰㹀
㸱㸫㸯㸿
㸯㸫㸰㹂
㸯㸫㸰㹀
㸯㸫㸰㸿
㸯㸫㸰㸿
㸯㸫㸯㸿
㹁㹌㸮㸱㸮㸲
㹁㹌㸲
㹁㹌㸯㸱㸮㸯
㹁㹌㸯
㹁㹌㸳
㹁㹌㸯㸰㸮㸳 㹁㹌㸯㸱㸮㸳
㹁㹌㸳
㹋㹇ࠉ㹀㸿㹌㹉ࠉ㹐㹃㹊㸿㹗ࠉ㹎㹁㹀㸦㹄㸧
㸲㸮㸰㸮㸴㸰㸲㸮
㹁㹌㸮㸮㸯㸳
㹁㹌㸯㸳
㹁㹌㸯㸱㸯㸳
㹁㹌㸰
㹁㹌㸯㸱㸮㸰
㹁㹌㸯㸳
㹁㹌ࠉ㹀㸲
㹁㹌ࠉ㹀㸲
㹁㹌㸴
㹁㹌㸯㸱㸱㸳
㹁㹌㸯㸱㸮㸴
㹁㹌㸱
㹀㹉ࠉ㹎㹕
㹁㹌㸯㸱㸮㸱
㹁㹌㸯㸮
㹁㹌㸯㸱㸱㸱
㹁㹌㸯㸱㸱㸯
㹁㹌㸯㸱㸯㸮
㹁㹌㸷
㹁㹌㸯㸱㸰㸵
㹁㹌㸯㸱㸰㸳
㹁㹌㸯㸱㸮㸷
㹁㹌㸰
㹁㹌㸯
㹁㹌㸱
㹁㹌㸵
㹁㹌㸯㸮
㹁㹌㸯㸰㸮㸷
㹁㹌㸷
㹁㹌㸯㸰㸮㸶
㹁㹌㸶
㹉㹃㹗ࠉ㹑㹕
㹁㹍㹌㹑㹍㹊㹃ࠉ㹑㹕㸦㹄㸧
㹁㹌㸯㸰㸴㸰
㹁㹌㸯㸰㸴㸯
㹁㹌㸯㸰㸴㸮
㹁㹌㸯㸰㸳㸷
㹁㹌㸯㸰㸳㸶
㹁㹌㸯㸰㸴㸱
㹁㹌㸯㸰㸮㸵
㹃㹋㹅ࠉ㹑㹕㸦㹄㸧
㹁㹌㸯㸰㸮㸯
㹗ࠉ㹀㹃㸿㹐
㹁㸿㹀㹊㹃㹑ࠉ㸿㹑㹋
㹁㹌㸯㸰㸰㸮
㹖ࠉ㹌㹃㹅ࠉ㹊㹋㹒
㹑㹃㹌㹑㹍㹐
㹁㹌㸯㸰㸱㸮
㹖ࠉ㹎㹍㹑ࠉ㹊㹋㹒
㹑㹃㹌㹑㹍㹐
㹁㹌㸯㸰㸰㸲
㹁㹌㸯㸰㸰㸰
㹁㹌㸯㸰㸰㸯
㹁㹌㸯㸰㸲㸴
㹑㹇㹅㹌㸿㹊ࠉ㹒㹍㹕㹃㹐
㹁㹌㸯㸰㸲㸲
㹁㹍㹔㹃㹐ࠉ㹊㹍㹁㹉ࠉ㹑㸬㹔㸬㸦㹄㸧
㹁㹌㸯㸰㸲㸱
㹁㹍㹔㹃㹐ࠉ㹍㹎㹃㹌ࠉ㹑㹕㸦㹄㸧
㹁㹌㸯㸰㸲㸰
㹗ࠉ㹌㹃㸿㹐ࠉ㹑㹃㹌㹑㹍㹐
㹁㹌㸯㸰㸲㸯
㹁㹌㸯㸰㸱㸷
㹁㹌㸯㸰㸳㸲
㹁㹌㸯㸰㸳㸱
㹄㹗㹐ࠉ㹁㹌㸱
㹄㹗㹊ࠉ㹁㹌㸱
㹄㹖ࠉ㹁㹌㸱
㹁㹌㸱
㹗㹐ࠉ㹑㹃㹐㹔㹍ࠉ㹂㹐㹇㹔㹃㹐
㹁㹌㸱
㹖ࠉ㹑㹃㹐㹔㹍ࠉ㹂㹐㹇㹔㹃㹐
㹁㹌㸮㸰㸮㸯
㹃㹋㹅
㹎㹍㹑㹇㹒㹇㹍㹌ࠉ㹀㹍㸿㹐㹂
㹑㸿㹄㹃㹒㹗ࠉ㹎㹁㹀
㹁㹌㸮㸱㸮㸯
㹁㹌㸯㸰㸯㸯
㹁㹌㸱
㹗㹊ࠉ㹑㹃㹐㹔㹍ࠉ㹂㹐㹇㹔㹃㹐
㹁㹌㸮㸮㸯㸵
㹎㹍㹕㹃㹐ࠉ㹑㹓㹎㹎㹊㹗ࠉ㹓㹌㹇㹒ࠉ㹀
㹁㹌㸯㸵
㹁㹌㸯
㹇㹍ࠉ㹁㹍㹌㹒㹐㹍㹊ࠉ㹎㹁㹀
㹁㹌㸯㸰㸮㸱
㹗ࠉ㹌㹃㹅ࠉ㹊㹋㹒ࠉ㹑㹃㹌㹑㹍㹐
㹁㹌㸯㸯
㹂㹐㹔ࠉ㹎㹕㹐
㹁㹌ࠉ㹄㸭㹐
㹁㹌㸲㸴㸱
㹁㹌㸲㸴㸰
㹁㹌㸳㸮㸵
㹋㹇ࠉ㹀㸿㹌㹉ࠉ㹒㹐㹍㹊㹊㹃㹗ࠉ㹓㹌㹇㹒㸦㹄㹐㹍㹌㹒㸧
㹁㹌㸯㸱㸲㸮
㹁㹌㸯
㹁㹌㸯㸵㸳㸴
㹄㹐㹍㹌㹒ࠉ㹄㹃㹃㹂㹃㹐ࠉ㹇㸭㹄ࠉ㹎㹁㹀
㹁㹌㸲㸴㸯
㸰㸱
㸯 㸴 㸵㸷㸯㸮 㸯㸰 㸯㸲 㸯㸴
㸶
㸯㸯
㸯㸱
㸯㸳 㸯㸵
㸯㸶
㸲
㸰㸮
㸯㸷
㸱㸳
㸱㸴
㸱㸵
㸱㸶
㸱㸷
㸳
㸰㸯 㸰㸳
㸰㸰
㸱㸯
㸰㸱 㸰㸲
㸱㸰
㸰㸴 㸰㸵 㸰㸶 㸰㸷 㸱㸮
㸰㸴
㸱㸱
㸰㸴
㸱㸲
㸲㸮
㸲㸯
㸲㸱
㸲㸰
㸲㸲
㸴 㸵
㸲㸴
㸲㸳
㹁㹌㸴㸰㸳
㸲㸷
㸳㸮
㸲㸶
㸲㸵
㸰㸰㸫㸰㸲
㸰㸳㸫㸰㸶
㸯㸱㸫㸯㸳
㸯㸮㸫㸯㸰
㸵㸫㸷
㸲㸫㸴
㸯㸫㸱
㸯㸷㸫㸰㸯
㸯㸴㸫㸯㸶
㸳㸯
㹁㹌㸰㸳
㹁㹌㸰㸲
㹁㹌㸰㸱
㹁㹌㸰㸰
㹁㹌㸰㸯
㹁㹌㸴㸰㸯
㹁㹌㸴㸰㸰
㹁㹌㸴㸰㸲
㹁㹌㸴㸰㸱
㸳㸰 㸳㸳 㸳㸴 㸳㸶 㸴㸮 㸴㸰
㸳㸱 㸳㸲㸳㸲 㸳㸱
㸴㸱
㸴㸲
㸳㸵
㸳㸷 㸴㸯
㹁㹗ࠉ㸿㹋㹎
㹁㹗ࠉ㸿㹋㹎㸰
㹁㹗ࠉ㸿㹋㹎㸯
㹲㹭ࠉ㹁㹌㸯㸮㸵㸶ࠉ
㹭㹤ࠉ㸲㸮㸰㸯㸱㸳㸰㸮
㸦㸲㸫㸯㹀㸧
㹘㸿㹁㹌㹎㸯
㹁㹘ࠉ㹑㹃㹐㹔㹍ࠉ㹋㹍㹒㹍㹐
㹁㹒ࠉ㹑㹃㹐㹔㹍ࠉ㹋㹍㹒㹍㹐
㹁㹁ࠉ㹑㹃㹐㹔㹍ࠉ㹋㹍㹒㹍㹐
㸰㸫㸯㹁
㸰㸫㸯㹂
㹁㹊㹇㹌㹁㹆ࠉ㹓㹌㹇㹒
ࠉࠉࠉࠉࠉ㹍㹎㹒㹇㹍㹌
㹁㹊㹇㹌㹁㹆ࠉ㹓㹌㹇㹒ࠉ㹍㹎㹒㹇㹍㹌
㸱㸫㸱㸿
㸰㸫㸱㸿
㹁㹌㸮㸮㸲㸲
㹎㹍㹕㹃㹐ࠉ㹑㹓㹎㹎㹊㹗ࠉ㹓㹌㹇㹒ࠉ㹀
㹁㹌㸲㸲
㹁㹌ࠉ㹁㸳
㹁㹌ࠉ㹁㸳
㹁㹌ࠉ㹁㸰
㹁㹌ࠉ㹁㸰
㸰㸫㸯㸿
㹁㹌ࠉ㹁㸱
㹃㹊㹃㹁㹒㹐㹇㹁㸿㹊ࠉ㹓㹌㹇㹒ࠉ㹁
㹁㹌ࠉ㹁㸱
㹁㹌㹎㸰㹁
㹁㹘㸫㹋㹒㹐㸰
㹁㹌㸰㹁
㹁㹘㸫㹃㹌㹁㸰
㹁㹌㹎㸰㹀
㹁㹒㸫㹋㹒㹐㸰
㹁㹌㸰㹀
㹁㹒㸫㹃㹌㹁㸰
㹁㹌㹎㸰㸿
㹁㹁㸫㹋㹒㹐㸯
㹁㹌㸰㸿
㹁㹁㸫㹃㹌㹁㸯
㹁㹗ࠉ㹑㹃㹐㹔㹍ࠉ㹋㹍㹒㹍㹐
㹁㹗㹁㹌㸰
㹁㹗㹁㹌㹎㸱
㹁㹗㹁㹌㹋㹒㹐
㹁㹗㹁㹌㹃㹌㹁
㹁㹌㹎㸱
㹁㹌㸰
㹁㹌㸯㹀
㹁㹌㸯㸿
㹃
㹁㹌㹎㸰
㹁㹌㹎㸯
㹄㹅
㹁㹖ࠉ㹑㹃㹐㹔㹍ࠉ㹋㹍㹒㹍㹐
㹁㹖㹁㹌㹎㸱
㹁㹖㹁㹌㸰
㸨㸫㸨㸨
㹁㹖㸫㹋㹒㹐
㹁㹖㸫㹃㹌㹁
㹁㹌㹎㸱
㹁㹌㸰
㹁㹌㸯㹀
㹁㹌㸯㸿
㹃
㹁㹌㹎㸰
㹁㹌㹎㸯
㹄㹅
㹁㹖ࠉ㹑㹃㹐㹔㹍ࠉ㹂㹐㹇㹔㹃㹐
㹁㹌㸯㸿
㹁㹗ࠉ㹑㹃㹐㹔㹍ࠉ㹂㹐㹇㹔㹃㹐
㸰㸫㸯㹂
㹁㹆㸯
㹎㹍㹑㹇㹒㹇㹍㹌ࠉ㹀㹍㸿㹐㹂
㹁㹌㸰㹁
㹁㹌㹎㸰㹁
㹁㹌㸰㹀
㹁㹌㹎㸰㹀
㹁㹌㸰㸿
㹁㹌㹎㸰㸿
㹁㹒㹘ࠉ㹑㹃㹐㹔㹍ࠉ㹂㹐㹇㹔㹃㹐
㹁㹌㹎㸯
㹁㹊㹇㹌㹁㹆ࠉ㹓㹌㹇㹒ࠉ㹍㹎㹒㹇㹍㹌
㸰㸫㸲㹀
㸰㸫㸲㹀
㸰㸫㸳㹀
㸯㸫㸱㹁
㹁㹗ࠉ㹁㹌㸱
㹁㹖ࠉ㹁㹌㸱
㹁㹌㸱
㹁㹖ࠉ㹑㹃㹐㹔㹍ࠉ㹂㹐㹇㹔㹃㹐
㹁㹌㸮㸰㸮㸯㹁
㹃㹋㹅
㹎㹍㹑㹇㹒㹇㹍㹌ࠉ㹀㹍㸿㹐㹂
㹁㹌㸱
㹁㹗ࠉ㹑㹃㹐㹔㹍ࠉ㹂㹐㹇㹔㹃㹐
㹁㹊㹇㹌㹁㹆ࠉ㹓㹌㹇㹒ࠉ㹍㹎㹒㹇㹍㹌
㹁㹖ࠉ㹌㹃㸿㹐ࠉ㹑㹃㹌㹑㹍㹐
㹁㹌㸯㸰㸰㸲
㹁㹖ࠉ㹎㹍㹑ࠉ㹑㹃㹌㹑㹍㹐
㹁㹌㸯㸰㸰㸱
㹁㹌㸯㸰㸰㸯
㹁㹖ࠉ㹌㹃㹅ࠉ㹊㹋㹒ࠉ㹑㹃㹌㹑㹍㹐
㸰㸫㸲㹀
㸯㸫㸯㹁
㹁㹌ࠉ㹁㸴
㹃㹊㹃㹁㹒㹐㹇㹁㸿㹊ࠉ㹓㹌㹇㹒ࠉ㹁
㹁㹌ࠉ㹁㸴
㹁㹌㸯㸰㸮㸰
㸴㸳 㸴㸴
㸴㸵
㸴㸶
㸵㸮 㸵㸰
㸴㸷 㸵㸯
㸵㸱
㸵㸲
㸰㸴 㸰㸴 㸱㸲
㸴㸳 㸴㸴
㸶㸷 㸷㸮
㸵㸳 㸵㸴
㸶㸯
㸵㸵 㸶㸰
㸴㸶 㸵㸰
㸵㸶 㸵㸷
㸵㸮
㸶㸯
㸶㸲
㸶㸱
㸶㸴
㸶㸳
㸶㸶
㸷㸯
㸷㸰
㸶㸮 㸶㸵
㸷㸱
㸷㸲
㸷㸱
㸷㸲
㸷㸱
㸷㸲
㸷㸳 㸷㸳㸷㸳㸷㸳

- 118 -
NOTE( 注記 ) #01....OPTIONAL PARTS(EN) オプション部品(EN)
#02....OPTIONAL PARTS オプション部品
#03....FOR EN EN 用
REF.NO NOTE PART NO D E S C R I P T I O N
品 名
Qty
1 401-28871 IO CONTROL PCB ASM
IOコントロール基板組
1
2 401-82247 IO-F BKR SERIAL CABLE ASM
IO−F BKR シリアルケーブル組
1
3 401-29320 IO-SF SERIAL CABLE ASM
IO−SF シリアルケーブル組
1
4 402-09949 SAFETY PCB ASM
安全基板組
1
5 401-86309 F BKR-SF CABLE ASM
F BKR−SFケーブルクミ
1
6 402-06696 ASM_JM100_POWER_SUPPLY_UNIT_B
JM100_電装ユニット_B
1
7
#01
402-06708 ASM_JM100_POWER_SPLY_UNIT_B_EN
JM100_電装ユニット_B_EN
1
8 402-05730 EU CLI SF PWR CABLE ASM
EU CLI SF電源ケーブル組
1
9 402-06695 ASM_JM100_ELECTRICAL_UNIT_A
JM100_電装ユニット_A
1
10
#01
402-06707 ASM_JM100_ELECTRICAL_UNIT_A_EN
JM100_電装ユニット_A_EN
1
11 401-88157 EU BOTTOM-SF EN CABLE ASM
EU BOTTOM−SF ENケーブル組
1
12 401-96265 POSITION BOARD
ポジションボード
1
13 402-05732 SF-XYC AMP RELAY CABLE ASM
SF−XYC アンプ中継ケーブル組
1
14 401-29652 X AXIS DRIVER
X軸ドライバ
1
15 401-33006 SF RELAY-FX AMP CABLE ASM
SF RELAY−FX アンプケーブル組
1
16 401-29654 Y AXIS DRIVER
Y軸ドライバ
1
17 401-82823 SF RELAY-FYL AMP CABLE ASM
SF RELAY−FYL アンプケーブル組
1
18 401-29654 Y AXIS DRIVER
Y軸ドライバ
1
19 401-35433 8-PORT COM BOARD
8−PORT COMボード
1
20 402-05726 HOD COM CABLE ASM
HOD COMケーブル組
1
21 402-05734 SF-OPSW RELAY WIRE ASM
SF−OPSW 中継ワイヤー組
1
22 401-29025 EMG SW CABLE ASM
エマージェンシースイッチケーブル組
1
23
#02
402-05714 CONSOLE SW CABLE ASM
コンソールスイッチケーブル組
1
24 401-90603 KEY SW CABLE ASM
キースイッチケーブル組
1
25 401-82244 SF-YF TOP SENSOR RELAY CABLE ASM
SF−YF トップセンサ中継ケーブル組
1
26 401-65028 XY LMT SENSOR ASM
XY LMT センサ組
1
27 401-29002 NEAR SENSOR CABLE ASM
ニアセンサケーブル組
1
28 400-02254 COVER OPEN SW CABLE ASM
カバーオープンスイッチケーブル組
1
29
#01
401-46405 COVER LOCK SV ASM
カバーロックSV組
1
30 401-29009 SIGNAL TOWER CABLE ASM
シグナルタワーケーブル組
1
31 401-82249 SF-FXY BEAR CABLE ASM
SF−FXY ベアケーブル組
1
32 401-82273 Y BEAR CABLE
Y ベアケーブル
1
33 401-29001 X LMT RELAY CABLE ASM
X LMT リレーケーブル組
1
34 401-29002 NEAR SENSOR CABLE ASM
NEAR センサケーブル組
1
35 401-82223 CN1202 SHORT WIRE ASM
CN1202 ショートワイヤー組
1
36 402-05727 HOD IF CABLE ASM
HOD IFケーブル組
1
37 402-05728 HOD FG CABLE ASM
HOD FGケーブル組
1
38 E9649-729-000 HOD ASM.
HOD組
1
39
#03
E9662-729-000 HOD (EN)
HOD(EN)
1
40 402-06240 MI BANK RELAY PCB ASM
MI バンク中継基板組
1
41 402-05748 BKR-FDR IF CABLE ASM
BKR−FDR IFケーブル組
1
42 401-36610 MI BANK RLY CABLE ASM
MI バンク中継ケーブル組
1
43 401-29073 F BKR-EU TOP PWR CABLE ASM
F BKR−EU トップパワーケーブル組
1
44 402-05749 CONNECTOR BKT PWR CABLE ASM
コネクタBKT電源ケーブル組
1
45 401-36611 MI BANK CABLE ASM
MI バンクケーブル組
1
46 401-30360 FEEDER I/F PCB ASM
フィーダI/F基板組
1
47 402-05750 RADIAL CB CABLE 1 ASM
RADIAL CBケーブル1組
1
48 402-05751 RADIAL CB CABLE 2 ASM
RADIAL CBケーブル2組
1
49 402-05752 RADIAL CB CABLE 3 ASM
RADIAL CBケーブル3組
1
50 402-05753 RADIAL CB CABLE 4 ASM
RADIAL CBケーブル4組
1
51 402-05754 RADIAL CB CABLE 5 ASM
RADIAL CBケーブル5組
1
52
#02
402-05745 FD FLOAT L CABLE ASM
FD フロート L ケーブル組
1
53
#02
401-81501 SEPARATE SENSOR RECEIVER ASM
セパレートセンサ_受光組
1
54
#02
401-81502 SEPARATE SENSOR EMISSION ASM
セパレートセンサ_投光組
1
55
#02
402-05744 FD FLOAT R CABLE ASM
FD フロート Rケーブル組
1
56
#02
402-05746 BANK UP SENSOR CABLE ASM
バンクアップセンサケーブル組
1
57
#02
401-29042 AWC/BU ORG SENSOR CABLE ASM
AWC/BU 原点センサワイヤー組
1
58 402-05747 BANK PWR SW CABLE ASM
バンク電源スイッチケーブル組
1
59 401-37307 BANK POWER SW F/R ASM
バンク電源スイッチ F/R組
1
60 401-82260 F BKR-AIR(P) RELAY CABLE ASM
F BKR−AIR(P)中継ケーブル組
1
61 401-29071 AIR(P) SENSOR CABLE ASM
AIR(P)センサケーブル組
1
62
#02
402-05755 BANK CABLE ASM
バンクケーブル組
1
63 402-05721 YL MOTOR CABLE ASM
YL モータケーブル組
1
64 402-06240 MI BANK RELAY PCB ASM
MI バンク中継基板組
1
65 402-13939 ELECTRICAL_UNIT_C_ASM_ST
エレクトリカルユニット組_ST
1
66
#01
402-13940 ELECTRICAL_UNIT_C_ASM_EN
エレクトリカルユニット組_EN
1
67 402-13475 CLI SVON PWR RELAY CABLE ASM
CLI SVON電源中継ケーブル組
1
68 401-96265 POSITION BOARD
ポジションボード
1
69 402-13478 POSIC EMG CABLE ASM
POSIC EMGケーブル組
1
70 402-13462 SERVO AMP
サ−ボアンプ
1
71 402-13476 SF RELAY-CX AMP CABLE ASM
SF RELAY−CXアンプケーブル組
1
72 402-13463 SERVO AMP
サ−ボアンプ
1
73 402-13477 SF RELAY-CY AMP CABLE ASM
SF RELAY−CYアンプケーブル組
1
74 402-13473 SF-CX SENSOR RELAY CABLE ASM
SF−CXセンサ中継ケーブル組
1
75 402-13491 CXY PWR CABLE ASM
CXY電源ケーブル組
1
76 402-13492 CXY CTR PWR CABLE ASM
CXY CTR電源ケーブル組
1
77 400-92447 OPTICAL FIBER CABLE 2.4M
光ファイバーケーブル2.4M
1
78 402-13487 CY ENC CABLE ASM
CY ENCケーブル組
1
79 402-13488 CY MOTOR CABLE ASM
CYモータケーブル組
1
80 402-13461 SERVO MOTOR
サ−ボモータ
1
81 402-13493 CXY FG CABLE ASM
CXY FGケーブル組
1
82 401-29628 OPTICAL FIBER CABLE 0.15M
ヒカリファイバケーブル0.15M
1
83 402-13485 CX ENC CABLE ASM
CX ENCケーブル組
1
84 400-44545 X MOTOR ENCODER CABLE
X軸エンコーダ中継ケーブル
1
85 402-13486 CX MOTOR CABLE ASM
CXモータケーブル組
1
86 400-44546 X MTR PWR CABLE
X MTR電源ケーブル
1
87 402-13460 SERVO MOTOR
サ−ボモータ
1
88 401-29627 OPTICAL FIBER CABLE 1M
ヒカリファイバケーブル1M
1
89 402-06696 ASM_JM100_POWER_SUPPLY_UNIT_B
JM100_電装ユニット_B
1
90
#01
402-06708 ASM_JM100_POWER_SPLY_UNIT_B_EN
JM100_電装ユニット_B_EN
1
91 402-13494 CTZ POWER CABLE ASM
CTZパワーケーブル組
1
92 EZ-1492148-11 AMPLIFIER SERVO
サ−ボアンプ(MR−MD212−S016)
1
93 402-13490 CTZ ENC CABLE ASM
CTZ ENCケーブル組
1
94 402-13489 CTZ MOTOR CABLE ASM
CTZモータケーブル組
1
95 402-13466 SERVO MOTOR
サ−ボモータ
1

- 119 -
60.SYSTEM DIAGRAM (3)
SYSTEM DIAGRAM ( 3 )
㹌㹍㹌㹃ࠉ㹐㹃㸿㹐ࠉ㹀㸿㹌㹉
㹐㹍㹎ࠉ㹁㹌㸵
㹁㹍㹔㹃㹐ࠉ㹍㹎㹃㹌ࠉ㹑㹕㸦㹐㸧
㹃㹌ࠉ㹍㹎㹒㹇㹍㹌
㹑㹒㸿㹌㹂㸿㹐㹂
㹑㹋㹒ࠉ㹄㹃㹃㹂㹃㹐㸦㹄㸧ࠉ㹍㹎㹒㹇㹍㹌
㹁㹌㸯㸱
㹀㸿㹌㹉
㹁㹌㸯㸲㸯㸱
㹉㹌㹍㹁㹉ࠉ㹁㹗㹊㹇㹌㹂㹃㹐
㹂㹐㹔ࠉ㹎㹕㹐
㹁㹌ࠉ㹄㸭㹐
㹁㹌㸲㸴㸱
㹁㹌㸲㸴㸰
㹁㹌㸴㸰㸯
㹁㹌㸰㸯
㹁㹌㸴㸰㸰
㹁㹌㸰㸰
㹁㹌㸰㸱
㹁㹌㸴㸰㸲
㹁㹌㸰㸲
㹁㹌㸴㸰㸱
㹁㹌㸴㸰㸳
㹁㹌㸰㸳
㹁㹌㸳㸮㸵
㸲㸫㸯㹁
㸰㸫㸲㹁
㹋㹇ࠉ㹀㸿㹌㹉ࠉ㹒㹐㹍㹊㹊㹃㹗ࠉ㹓㹌㹇㹒㸦㹐㹃㸿㹐㸧
㹁㹌㸯㸱㸲㸮
㸯㸱㸫㸯㸳
㸯㸮㸫㸯㸰
㸵㸫㸷
㸲㸫㸴
㸯㸫㸱
㸰㸳㸫㸰㸶
㸰㸰㸫㸰㸲
㸯㸷㸫㸰㸯
㸯㸴㸫㸯㸶
㹁㹌㸯
㹁㹌㸯㸵㸳㸴
㹄㹐㹍㹌㹒ࠉ㹄㹃㹃㹂㹃㹐ࠉ㹇㸭㹄ࠉ㹎㹁㹀
㹁㹌㸲㸴㸯
㹁㹌㸮㸮㸯㸳
㹁㹌㸯㸳
㹁㹌㸯㸲㸯㸳
㹁㹌㸰
㹁㹌㸯㸲㸮㸰
㹁㹌㸯㸳
㹁㹌ࠉ㹀㸲
㹎㹍㹕㹃㹐ࠉ㹑㹓㹎㹎㹊㹗ࠉ㹓㹌㹇㹒ࠉ㹀
㹁㹌ࠉ㹀㸲
㹒㹍㹐㹍㹊㹊㹃㹗ࠉ㹍㹎㹒㹇㹍㹌
㹀㸿㹌㹉ࠉ㹓㹎
㹑㹃㹌㹑㹍㹐
㹁㹌㸯㸰
㹁㹌㸴㸴㸴㸵
㹁㹌㸯㸲㸯㸰
㹄㹃㹃㹂㹃㹐ࠉ㹄㹊㹍㸿㹒ࠉ㹑㹃㹌㹑㹍㹐㸦㹄㸧ࠉ㹍㹎㹒㹇㹍㹌
㹀㸿㹌㹉ࠉ㹎㹍㹕㹃㹐
㹑㹕
㹁㹌㸱
㹀㹉ࠉ㹎㹕
㹁㹌㸯㸲㸮㸱
㹄㹃㹃㹂㹃㹐ࠉ㹄㹊㹍㸿㹒ࠉ㹑㹃㹌㹑㹍㹐ࠉ㹐㹃㹁㸰
㹄㹃㹃㹂㹃㹐ࠉ㹄㹊㹍㸿㹒ࠉ㹑㹃㹌㹑㹍㹐ࠉ㹃㹋㹇㸯
㹁㹌㸯㸮
㹁㹌㸯㸱㸱㸱
㹁㹌㸯㸱㸱㸯
㹁㹌㸯㸲㸯㸮
㹄㹃㹃㹂㹃㹐ࠉ㹄㹊㹍㸿㹒ࠉ㹑㹃㹌㹑㹍㹐ࠉ㹃㹋㹇㸰
㹁㹌㸷
㹁㹌㸯㸱㸰㸵
㹁㹌㸯㸱㸰㸳
㹁㹌㸯㸲㸮㸷
㹄㹃㹃㹂㹃㹐ࠉ㹄㹊㹍㸿㹒ࠉ㹑㹃㹌㹑㹍㹐ࠉ㹐㹃㹁㸯
㹁㹍㹔㹃㹐
㹁㹌㸯㸲㸮㸶
㹁㹌㸮㸶
㸰㸫㸱㹁
㸰㸫㸯㹂
㹇㹑
㹋㹒㹑ࠉ㹇㹄
㹋㹒㹑ࠉ㹇㹄㸫㸯
㹋㹒㹑ࠉ㹇㹄㸫㸰 㹋㹒㹑ࠉ㹇㹄
㹋㹒㹑ࠉ㹇㸭㹄
㹁㹌㸯㸰㸯㸳
㹁㹌㸯㸳
㸲㸫㸰㸿
㹁㹌㸯㸮㸰㸱
㹁㹌㸰㸱
㹁㹍㹌㹔㹃㹗㹍㹐ࠉ㹎㹁㹀ࠉ㸦㹐㸧
㹍㹎ࠉ㹁㹌㸵
㹁㹔㹊㹍㹁㹉
㹁㹍㹔㹃㹐ࠉ㹊㹍㹁㹉ࠉ㹑㸬㹔㸬㸦㹐㸧
㹁㹌㸯㸰㸳㸯
㸲㸫㸯㸿
㸰㸫㸯㸿
㸦㹍㹎㸧
㸦㹐㹃㸿㹐ࠉ㹋㹍㹌㹇㹒㹍㹐㸧
㹁㹌㸮㸱㸮㸶
㹁㹌㸶
㹁㹌㸯㸲㸮㸳
㹁㹌㸳㹁㹌㸴
㹁㹌㸯㸰㸮㸴
㹁㹌㸲
㹁㹍㹌㹑㹍㹊㹃ࠉ㹑㹕㸦㹐㸧
㹁㹌㸯㸲㸲㸶
㹑㹒㹍㹎ࠉ㹑㹕㸦㹐㸧
㹑㹒㸿㹐㹒ࠉ㹑㹕㸦㹐㸧
㹁㹌㸯㸲㸲㸵
㹁㹌㸯㸲㸲㸴
㹁㹌㸯㸲㸲㸳
㹁㹌㸯㸲㸮㸲
㹃㹋㹅ࠉ㹑㹕㸦㹐㸧
㹁㹌㸯㸲㸮㸯
㹁㹌㸯
㹋㹇ࠉ㹀㸿㹌㹉ࠉ㹐㹃㹊㸿㹗ࠉ㹎㹁㹀㸦㹐㸧
㹁㹌㸴
㹁㹌㸯㸲㸱㸳
㹁㹌㸯㸲㸮㸴
㸿㹇㹐ࠉ㹎㹐㹃㹑㹑㹓㹐㹃
㹑㹃㹌㹑㹍㹐㸦㸫㸧
㹁㹌㸲
㹁㹍㹔㹃㹐ࠉ㹍㹎㹃㹌ࠉ㹑㹕㸦㹐㸧
㹁㹌㸯㸰㸳㸮
㹁㹌㸯㸰㸲㸵
㹁㹌㸯㸰㸮㸲
㹗ࠉ㹎㹍㹑ࠉ㹊㹋㹒㸯ࠉ㹑㹃㹌㹑㹍㹐㸦㹐㸧
㹑㸿㹄㹃㹒㹗ࠉ㹎㹁㹀
㹇㹍ࠉ㹁㹍㹌㹒㹐㹍㹊ࠉ㹎㹁㹀
㸯
㸰
㸲
㸳
㸴
㸵
㸷㸶
㸯㸱
㸯㸰
㸯㸲
㸯㸳
㸯㸯
㸯㸮
㸲㸳
㸱
㸯㸵
㸯㸴
㸯㸶
㸰㸯
㸯㸷 㸰㸮
㸰㸷 㸱㸰 㸱㸱
㸱㸲 㸱㸴
㸱㸳
㸱㸵
㸱㸶
㸱㸷
㸲㸮
㸲㸰 㸲㸲
㸲㸱
㸲㸯
㸱㸯㸱㸮 㸱㸮㸱㸯
㸰㸰
㸰㸱
㸰㸲
㸰㸳
㸰㸶
㸰㸵
㸰㸴
㹁㹊㹇㹌㹁㹆ࠉ㹓㹌㹇㹒ࠉ㹍㹎㹒㹇㹍㹌
㹁㹗ࠉ㹌㹃㸿㹐ࠉ㹑㹃㹌㹑㹍㹐
㹁㹌㸯㸰㸲㸷㹁㹗
㸲㸴
㸲㸵